Fórum témák
» Több friss téma |
Mielőtt kérdezel, a következő két dolgot ellenőrizd!
I. A helyes tápfeszültségek megléte.
II. A kimeneten van-e egyenfeszültség.
Élesztés.
Köszönöm, bogarászom majd egy kicsit.
Rövid tanulmányozás után feltűnt, hogy az R10 pozícióban 10 kR-t ír a beültetési rajz, és a fotón is ilyen ellenállás van az adott pozícióban. De ide érzésem szerint 1-200 R nagyságrend kellene.
Ugyanennek mintájára van egy nagyobb változat is.
Úgy látom egy egész fórum van az AV 800/ és 1000 verzióról ha sejtéseim igazak akkor az av 400 ról is.Bővebben: Link
Sőt konkrétan rendelhető verzió 2.0 névre keresztelt hasonló panel. Bővebben: Link Tesztvideó az oldalon.. A hozzászólás módosítva: Feb 24, 2018
Nem vagyok itt tag, nem látom a mellékleteket.
Annak a kapcsolásnak már megszámlálhatatlan változata kering a neten, azokból lettek kifaragva az itthoni butított változatok is mint pl. a baji féle. Itt van még egy, ebbe már egy áramkorlát kezdeményt is tettek, aztán ott elfogyott a "tervező" lendülete.
A 6 képen kívül mást nem is lehet látni. Nem több mint egy hirdetés az a fórum bejegyzés.
A képeket letöltöttem, ha valaki kéri jelezze kérem privátban. A hozzászólás módosítva: Feb 25, 2018
Az a "HS-30t" valami csodabogár lehet, mert még adatlapot sem találtam róla. Lehet, hogy a kis arab gyerek valami lezuhant katonai vadászrepülőből bontotta. Félretéve az iróniát, nem kevés probléma van a kapcsolófetek párhuzamosításával. Ennyi fetnél ha mondjuk 100 mA nyugalmi áramot állítunk be, az fetenként 17mA. Ekkora áramon akkora a hőmérsékletfüggés, hogy ha 10 fok különbség van két fet között, a hidegebb nem is vezet. Egy hűtősín ventilátor oldala legalább ennyivel hidegebb a túlsó végétől. A 0,22 Ohmok meg nem elég nagyok hozzá, hogy kiegyenlítsék a különbséget. Persze nagyobb áramokon a terhelés megoszlik, de idegbajba kergeti az építőt amikor nyugalmi áramot akar beállítani. Igaz hogy ez nem Hi-End, de talán nem kis torzítás forrása amikor belép az éppen most vezetni tudó fet. Ha pedig nem nagyon zavaró, akkor esetleg egy olyan megoldás is szóba jöhetne, ahol csak egy pár fetnek kellene bias-t állítani. Stabilitás szempontjából jóval előnyösebb. Kifejezetten szub meghajtás esetén a viszonylag alacsony frekvencia miatt bőven kijavítja a hibát a visszacsatolás.
A rajz részlet egy fórumtag kérésére készült sok fetes baji módosulat. Az elvarázsolt tranzisztorok csak azért vannak benne, mert a szimulátorban nem volt odaillő.
Na igen, előszeretettel elfelejtik hogy ez a kapcsolás audió fetekhez lett tervezve, nem pedig kapcsoló fetekhez... Csak hát az drága, meg nem kell bele mert működik az kapcsolófettel is.
Persze, csak hogyan... Annak a viselkedése a hőmérséklet függvényében teljesen más, a bemenő kapacitása is kisebb így meg lehet hajtani hangfrekin néhány mA vezérlőárammal is nem úgy mint a kapcsolófetet, és ezek az apróságok oda (is) vezetnek hogy a hangképe is teljesen más lesz, és nem pozitív értelemben. A legtöbb rajzból az áramkorlát is hiányzik...Ha ilyen fetekkel akar az ember jobb hangú végfokot építeni akkor VF2-t kell, de annál sem érdemes 2-3 fetnél többet párhuzamosítani. Az a HS akármi szerintem valami hibrid dolog lehet, legalábbis nekem a nyák alapján annak tűnik.
Hogy drága, az relatív. Van akinek már a harmadik garnitúra durran el a kapcsolófetjeiből, égetve szét a panelt is. Így már majdnem fej-fej mellett. Itt az apróhirdetésben is van jóféle HITACHI, bár kissé nehezebb szerelni a TO3 tokot, viszont talán jobban hűthető. Javítottam egy gitárerősítőt, ami 2X 60V-ról üzemelt. Egy pár HITACHI TO3-as tokozású fet dolgozott benne, ráadásul szilikon alátáttel. A kis suhancok kötöttek még a 8 Ohmos hangszóróval párhuzamosan még egy 4 Ohmosat is. A hűtő olyan forró volt, hogy tettek mögé egy PC ventilátort. Így nyúzták telefonról hajtva. Végül is a feteknek nem lett bajuk, de a trafó leégett. Van azért ezekben lapka rendesen, pedig az adatlap szerint csak 100W-osak.
Az előd 2SK 2SJ tranzisztorokból épült fel ahová elég volt ugye 2 diódányi "nyugalmi" itt a kapcsi feteknél elég ugyan, elballag vele, de nem marad a legstabilabb ha megindul hőre az egész
De legalább a BAJI írta volna oda hogy azt a 2 diódát is érdemes hőzsírral a hűtőfelületre fogatni.. Egyébként nem értem... Drága ugyan, de felesleges volt áttervezni...De ugye a kapitalizmus és a biznisz... Olyan szarvashibák mint a tápágakba tett diódák és a 2w os ellenállások tovább csökkentik az amúgy is nehezen kivezérelhetőségét.. Inkább tervezte volna rá a boost áramkört egy egy vonal elég lett volna... Meg egy már bevált bd 139 es hőfüggést... Az meg hogy nem indul 40v alatt csupán kaszkádolás kérdése, vagy elég csak kiiktatni ott azt a korlátozó ellenállást... A hozzászólás módosítva: Feb 25, 2018
Köszönöm! Betervezem az átalakítást a NYÁK-tervbe.
Üdv mindenkinek!
Érdeklődök itt is, hátha hamarabb kapok segítséget. Az alany egy Onkyo tx sr308 Nem régen jutottam hozzá. Eddig minden jól működött semmi hibája nem volt. Tegnap este mikor használni szerettem volna nem kapcsolt be, sőt standby lámpa sem világított. Azóta sem reagál semmire. Ha bedugom a hálózatra nem hallani hogy áramot venne fel (nem hallani azt a jellegzetes sercenést). A burkolatot levéve nem látni rajta semmi hibát, minden jónak tűnik. Biztosítékok is sértetlenek. Azt szeretném megtudni, hogy merre érdemes elindulni a hibakereséssel. Nekem táphibának tűnik, de hátha valaki járt már így és tud segíteni. Előre is köszönöm a segítséget!
Mérd meg, meddig jut el a betáp (hálózat). Van-e táp végén feszültség.
Ha nincs meg a készenléti táp, a szerviz manuálban ott kellene első körben keresgélni hibás alkatrészt. Mindenképpen a táptól indulj ki. Ahogy a fejlécben is írva van
Rendben, köszönöm a segítséget. Utána járok és jelentkezek, ha megtörtént a méregetés.
Egy kérdést elég egy témában feltenned, a szabályzat ezt direkt kéri is. Bővebben: Link
Elnézést, de nem tudtam hol kapok hamarabb választ. Nem fordul elő mégegyszer.
Sziasztok!
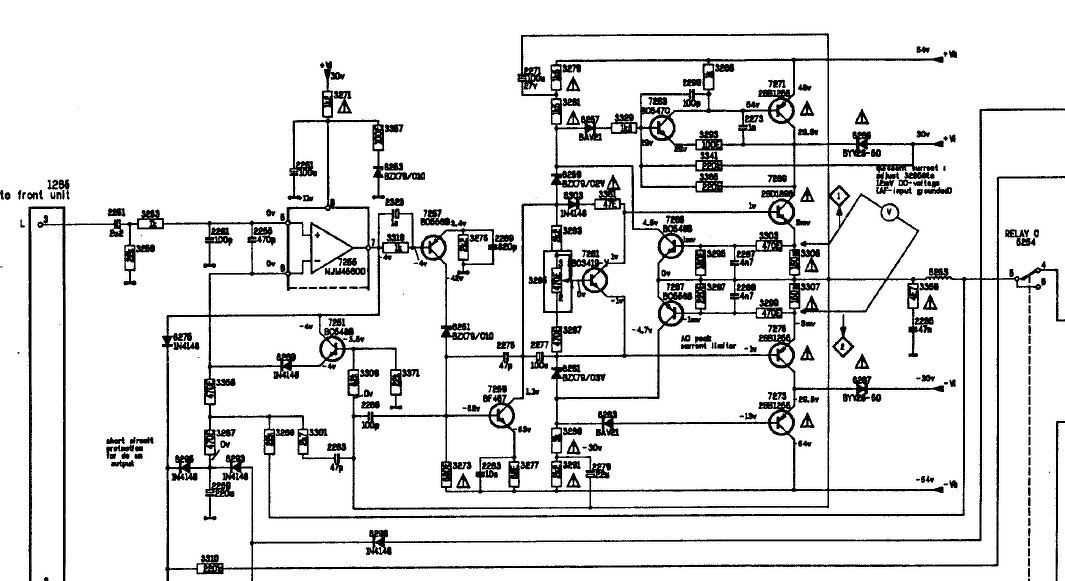
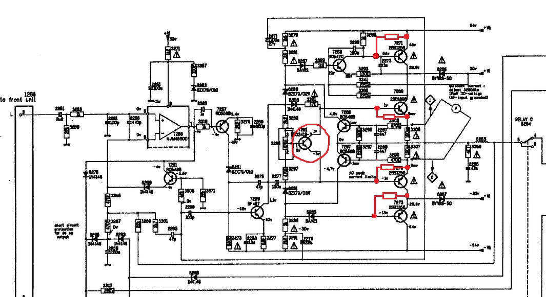
Nem kis fába vágtam a fejszém. Egy rommá égett Philips 70FA930 erősítőt javítok, amiben az összes végtranzisztor és még jó néhány egyéb alkatrész tönkrement. Kiszedtem a hibás végtranzisztorokat átmértem a panelen az egyéb alkatrészeket (persze kiforrasztva) és cseréltem a hibásakat. Várom a megrendelt végtranzisztorokat és az élesztés menetén töröm a fejem. Nehezíti a dolgot, hogy kétféle tápfeszt kap a végfok +/- 54V-ot és +/-30V-ot. Ilyenkor mi a szakszerű "ügymenet"? A NYÁK-on már átvágtam mindkét tápfesz "+" és "-" fóliáját, a GND maradt. Milyen izzókat vagy ellenállásokat kössek majd be ide? Míg nincsenek meg a végtranyók, gondoltam feszültség alá helyezem a készüléket (ha már átvágtam a végfok tápfóliákat) és leellenőrzőm a tápfeszültségek meglétét (segédtápokat is beleértve). Van itt valami, amire nagyon vigyázzak? Csatoltam a végfok kapcsolási rajzát. Sajnos nem túl jó minőségű, de az egész manual 10 megás így azt nem tudom feltölteni. A manual letölthető az ElektroTanyáról és az 52 oldalas pdf 23. 24. oldalán van a végfok.
Szia! Máskor nyomtasd ki fantom PDF nyomtatóval az adott oldalt!
Ilyen esetekben a darlingtok bázis-emitter helyét 1k ellenállással átkötöm. Vizsgálható a kimeneti egyenfeszültség, melynek 0 V közelébe így is be kell állnia, ha jó a többi alkatrész. Az alacsonytápos darlingtonok B-E helyén lévő 1 kΩ-on 1 V-nál valamivel kisebb feszültség kell essen. Ki is vezérelheted terhelés nélkül (!) és szkópon ellenőrizheted a jelalakot. A végtranyókat beszerelve élessz primerköri soros izzón keresztül!
Szia! A javaslatod (1K-s ellenállások) rárajzoltam a kapcsolási rajzra. Jól értelmeztem amit mondtál?
Egyelőre nem tudom még így se kipróbálni és elvégezni a méréseket amiket írtál, mert a rajzon bekarikázott tranzisztor is elhalálozott, az is szállítás alatt van. A primerköri izzó milyen teljesítményű legyen? Üdv.
Szia! Igen, erre gondoltam. A bekarikázott tranzisztort ideiglenesen bármely NPN típussal pótolhatod, a 4 V, 20 mA nem kihívás. A lábak kerüljenek a megfelelő helyre!
Izzóból 60 W-ost ajánlok.
Üdv!
A kapcsoláson található (Q409-Q410) tranzisztorok helyére tehetek BD 237-et,eredetileg 2sc853 tranzisztorok voltak.Ez egy harman/kardon 730 erősítő panelja.
A Q409-Q410 helyére elég sokmindent be lehet tenni. A BD 237 kicsit sok oda, inkább, BC107 vagy BC 182-t javaslok vagy ezekhez hasonlót.
BC182B van itthon akkor rakok bele azt.Köszönöm a választ.
Az a tranzisztor nincs a bordára szerelve? Ha igen, akkor a BC182B (TO92) tokot nehézkes felszerelni, esetleg ragasztani lehet.
Van egy sony str gx 211 erősitőm és a mulkorában kiment belőle a végfok a baloldali és ki cseréltem mind a 3 tranzisztort 2SD2438 és 2SB1587 meg a 2SD2012 és az a problémám hogy most szol a ball oldali mert az ment ki ugye bár de recsegve de ha felveszem a hangerőt akor kezd elfele halkulni
a jobb oldali szépen szol valaki tudna mi lehet a probléma??? már mindent meg probáltam!!
Meg kellene nézni a teljes fokozatot, mert lehet hogy nem csak a végtranzisztorok szálltak el, és akár egy pici ellenállás megnyúlása is csinálhat ilyet.
A hozzászólás módosítva: Márc 4, 2018
Moderátor által szerkesztve
Szerintem meg 1 helyen bőségesen elég megkérdezni, odatéved egy moderátor kő kövön nem marad... A tranzisztorok cseréjéhez emitterellenállás csere is dukál!
Köszi! Remélem lesz még ma időm kipróbálni az ajánlásod, ha gondom van jelentkezek.
Sziasztok!
Van egy kb 273x145*47mm-es dobozom (Ipari router doboz). Hátulja nincs, de lehet, tudok szerezni rá Ebbe szeretnék belerakni valami erősítőt. Legalább 50W-re gondoltam. Szerintetek megoldható? Az SMD megoldás sem probléma (persze jobb lenne nem azzal )Ha van valami jó rajzotok hozzá, ne tartsátok magatokban |
Bejelentkezés
Hirdetés |





De legalább a BAJI írta volna oda hogy azt a 2 diódát is érdemes hőzsírral a hűtőfelületre fogatni.. Egyébként nem értem... Drága ugyan, de felesleges volt áttervezni...










