Fórum témák
» Több friss téma |
Fórum » Muzeális készülékek-alkatrészek restaurálása
Témaindító: Kutyuli, idő: Márc 29, 2008
Témakörök:
Üdvözlet Mindenkinek!
Hosszabb szünet után ismét volt egy-egy estém foglalkozni a Dunával, egész jól állok. ![]() Ott hagytam abba legutóbb hogy össze-vissza húzott a nagyfesz és a hang sem volt túl jó. Az alapvető gond az volt hogy amikor kivettem a DY foglalatát sikerült rossz helyre forrasztanom a leszakadt csőfoglalat kivezetést, ezt javítva megszűnt az áthúzás. A hang ekkor még ideiglenesen lekötött visszacsatoló tekercsel működött, az eredetileg gondolt tekercs menetirányt megfordítva (felcserélve a testet és a 220nF-os kondit) megszűnt a bekapcsoláskor sípoló gerjedés. Áthúzás nincs, a hang jó, csak egy kicsit búg. Ez lehet elkó vagy a hiányzó brummkompenzáló tekercs, erre kíváncsi leszek majd mert útban van egy eredeti trafó, ha megérkezik cserélem a mostanit. Közben elkezdtem tanulmányozni a Terra modulátort mert képet is szerettem volna lassan látni, és balun trafó híján csináltam egyet, ebből is lesz gyári darabom a trafóval együtt érkező csomagban. Balun A DY alatti apró áthúzás a forrasztás után is maradt, ennek az volt az oka hogy túl nagy volt az anódfeszültség, kicseréltem az ellenállást a szelén egyenirányító után nagyobb értékűre és a feszültséget 220V-ra állítottam be. Az áthúzás így láthatóan megszűnt, némi gyanús halk pattogó hang van de látható áthúzás már nincs. Jöhet az első próba, először a terra tesztjelét használtam. A szinkron beállítása után egész jó a kép, a sávváló persze kontaktos, később javítva lesz. Az alsó sötét sávra nincs ötletem, az ioncsapda mágnest olvastam valahol de azt nem szívesen piszkálnám, ennyi idő után biztos jól rágyógyult. https://www.youtube.com/watch?v=UlbwoaO1F4Q&feature=youtu.be A képcsőről mi a véleményetek??? A hozzászólás módosítva: Feb 20, 2019
Szia. Na, egész jól haladtál.
Közben megnéztem, nekem Philips AW 53-80 csövem van ha kellene. A hozzászólás módosítva: Feb 20, 2019
Gratulálok, ez jó.
S a cső derengő fénye, illetve az alsó sötétebb sáv, nem hiszem hogy képcsőhiba lenne. A képcsőszerelvény, azaz az ioncsapdamágnest én mondtam azt hiszem. Ha nagyon el van állítva akkor akár teljes fénytelenséget is okoz, illetve pont így mutatkozik, hogy itt ott nincs elegendő fényerő. Állításában egyáltalán nem vagyok jártas, csak azt tudom hogy türelemjáték, de mielőtt nekiesnél a képcsőszerelvénynek, minden egyéb hiba kizárandó.
Egy kis segítség. Ha nincsen nagyon berohadva a csőre, akkor az ioncsapda mágnes állítása úgy történik, hogy kell rá egy fehér kép ,és addig kell toszolygatni amíg el nem éri a legnagyobb fényerőt. Vagy valamelyik kondi rossz, de azokat kicserélgetted.
És ha gyári az ioncsapda állása, még a jelzőfesték is rajta van?
Megkérdeztem egy profit, aki már több 10 készüléket újított fel. Azt írta este meglesi a videót, és majd mond valamit, amit holnap meg is osztok veled.
Köszönöm!
Videó megtekintése utáni válasz.: "Szia, tud gyengülni az ioncsapda mágnes, pici utánállítás lehet szükséges, akkor is, ha gyárilag rögzített a dolog. több mint 50 év alatt sok minden történhet. Amúgy lehet a jelenség brumm is (rendes képtartalommal megnézve nem vándorol?) Esetleg a képcső valamelyik feszültségének (G1, G2 rács) szűretlensége, ritkábban a video erősítő PCL84 brummossága is okozhat ilyesmit... ezeket nézzétek végig első körben."
Köszönöm szépen! Képtartalomnál nem vándorol, a többinek utána nézek.
Tegnap este nem tudtam foglalkozni a TV-vel, reggel volt annyi időm hogy gyorsan átnéztem azokat a képeket amiket még régebben csináltam, hátha valamelyiken látszik az ioncsapda gyári festéke. Találtam is egyet, ugyan alig, de látszik a képcső nyakán meg a mágnesen is a szürkés festék, és még más is! Az eltérítőtekercsen van egy 10K ellenállás (az értékét már a rajzon néztem meg) ami a kép alapján szerintem simán szakadt. Ha jól emlékszem takarításnál néztem is de aztán jól elfelejtettem. A függőleges tekercshez van bekötve, kíváncsi leszek.... A hozzászólás módosítva: Feb 21, 2019
"A 10k az szerintem csak csillapítja az eltérítőt, de lehet emiatt a kioltás rossz. Cserélje ki ha szakadt, nem árt vele..
"
Cseréltem az ellenállást, valóban semmit nem számított. Mivel sok időm nem volt így csak egy mágnessel kezdtem el próbálkozni.
Ezért lehet hogy kapni fogok, de még mindig tartok a rágyógyult ioncsapda mágnes leszedésétől, viszont ha az utolsó képen látható ideiglenes megoldással rögzített plusz mágnesnek csinálok egy korrekt tartót akkor szerintem maradhat így. ![]() A hangkimenő már a postán vár, beépítem majd, meg még a Terrával kell küzdenem hogy hang is legyen a képhez. ![]() https://youtu.be/zLHOST_SMOo A hozzászólás módosítva: Feb 22, 2019
Egész jó lett az eredmény! Nekem is van egy ilyen Dunám eltéve a szüleim padlásán, szintén hibás nagyfesz tekerccsel. Honnan sikerült szerezned, ha nem titok?
Biztos hogy a "nagyfeszkarika" a hibás? Nagyon ritkán rosszak, szerintem az övé sem volt rossz, csak a szigetelő rohadt le róla, de újra lehet szilikonozni, ha elektromos szempontból jó.
Nagyon jó, igazi sufnis megoldás, de működik.
A srácoknak akiket kérdezgetek szintén Terra modulátoruk van, igaz M47 kék színű, megkérdem neked a hangot, mert arra emlékszem hogy mind a ketten derekasat szívotak vele, mire kivariálta hogy hogyan kell beállítani!
A harmadik képet nézve, nagyon csálén áll az elektronágyú a csőben. Lehet, hogy ezért van csak a kép tetején fény? Szemmel láthatóan "felfele hord". Ilyet még nem láttam soha.
Ioncsapdás ágyú, ez ilyen gyárilag. Az elektronokat a külső mágnes visszatéríti normál irányba, míg a nehezebb ionokat nem. Utóbbiak az ágyú falába ütköznek és így nem okoznak beégést az ernyőn.
Igazából anno be sem kapcsoltam, mert repedezett volt a szigetelése. Köszi az infót.
Úgy nem is egészséges.. előtte sablont csinálsz neki , és kitöltöd FBS-el.
Jól szigetel, és szépen szárad. A hozzászólás módosítva: Feb 22, 2019
Szia! Akitől én vettem neki szerintem már nincs, azért majd rákérdezek. Djhans-t keresd meg privátban, nemrég ajánlott de nekem már nem volt rá szükségem, azt írta hogy még megvan.
A te régidet se dobd el.. ki tudja, lehet kelleni fog valahová, valakinek, elég sokan retrózunk.
Én sem találtam megfelelőt anno, csak egy régi Budapestbe való 110 fokos eltérítésű csőhöz való tekercset, de szépen működik vele. A hozzászólás módosítva: Feb 22, 2019
Oké, köszönöm!
Van egy repedtem is, azt neked adom ha érdekel, sajnos nem tudom hogy jó vagy sem, mindenesetre szebben néz ki mint az eredetim. Ahogy Gergely írta lehet hogy javítható, az eredeti sem volt égett. Ha nem sikerült volna szerezni tuti megpróbáltam volna a szigetelést. Elraktam hátha egyszer még jól jön.
A hozzászólás módosítva: Feb 22, 2019
Elraktam a rágyógyult DY-al együtt.
Már ki is találtam hogy fogatom fel a mágnest, vékony alu lemezből (pl sörösdoboz ha nem találok mást) hajtok egy bilincset, a belső felére filcet ragasztok hogy a képcső nyaka biztonságban legyen, egy kis csavarral összefogatom a rögzítéshez. A bilincs egyik végét hosszabbra hagyom és visszahajtom, azon lesz a mágnes. Erős és bármikor állítható felfogatás. A hozzászólás módosítva: Feb 22, 2019
Kreatív..
De akkor nem mered max fényerőre állítani az ioncsapdát? Az ioncsapda tereli vissza "egyenesbe" a sugarat. Amugy nyugodtan meg lehet mozgatni, max fényerőre állítani. A kép pozicionálást meg a centir mágnesgyűrűkkel lehet beállítani. A hozzászólás módosítva: Feb 22, 2019
Sziasztok,
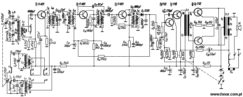
van egy Selga 7 tranzisztoros rádióm 1964-ből ( a nyákon írja hogy 1964) és a probléma az hogy alig hallszik valami a hangszóróból, csak ha közel teszem a fülemet a hangszóróhoz akkor hallszik egy halk sistergés,más semmi.Külön leellenőriztem a tranzisztorokat és mind jók,és kicseréltem az elkókat is mert azok is gyakran rosszak ezekben a régi rádiókban. Lehetséges hogy a többi kondenzátor is rossz ? Vagy a két trafó közül is valamelyik ? Előre kösz a választ.
Üdv ! Selgáknak nagy betegsége volt , hogy a hangszóró mágnes és a rajta lévő U alakú árnyékolás , igen nehéz és levált a kosárról. Az -az elmozdult és így beszorult a hangszóró csévetest. Nem tud mozogni a membrán.Ha szabadon könnyedén mozog, akkor máshol van a baj
Talán érdemes megnézni ezt: http://oldradio.tesla.hu/szetszedtem/586selga/selga.htm.
Általában ha egy szuper rádió telyesen néma,nem működik az oszcilátor,lehet ott tápegység,vagy munkapont feszültség hiány,amit általában a gyári készülékeknél egy dióda stabilizál,ez is lehet hibás.Itt van a rajz,mérjél le mindent.Ebben nincs dioda
A hozzászólás módosítva: Feb 24, 2019
Kezd el a HF részével,kössél reá egy próbahanszórót aztán kell egy HF jel,szignál hiányában lehet az a lemetjátszótől a mobiltelefonig pl egy zeneszám.A hiba lehet a potmétertől a hangszóróig.Ha megy ,akkor a RF része hibás.
|
Bejelentkezés
Hirdetés |









Közben megnéztem, nekem Philips AW 53-80 csövem van ha kellene.










