Fórum témák

» Több friss téma
Fórum » Kapcsolási rajzot keresek
 
Témaindító: Kallai Csaba, idő: Márc 11, 2006
Témakörök:
Lapozás: OK   20 / 383
(#) titkovics hozzászólása Ápr 23, 2008 /
 
Sziasztok!

Még mindig keresek Grundig R-2000 típusú rádióserősítőhöz kapcsolási rajzot! Ha valakinek megvan ossza már meg velem legyen szíves! Köszönöm!

Üdv.: Titkovics
(#) zuhi_ hozzászólása Ápr 23, 2008 /
 
Sony DXA-D9 hifihez kapcs. rajz valakinek??? Nagyon kéne...
(#) sturbi válasza AtomCorporationINC. hozzászólására (») Ápr 23, 2008 /
 
Remélem jól sikerült beszkennelnem

EMG1534.jpg
    
(#) putyiboy hozzászólása Ápr 23, 2008 /
 
keresem a "bash cub2 aktív subwoofer kapcsolási rajzát . Valaki segítsen!!!!!
(#) szabinyo válasza Lac hozzászólására (») Ápr 23, 2008 /
 
Helló Lac! Én már régóta videókat javítok, ha tennél fel egy képet a videóról és leírnád hogy mi a gond vele akkor lehet hogy tunék segíteni neked. Persze csak akkor ha javítás céljából keresel rajzot. Ja bocs azt elf hogy rajzom az nincs de megpróbálok segíteni neked. Üdv!
(#) masi1 hozzászólása Ápr 24, 2008 /
 
Üdv mindenkinek.Nincs meg valakinek a Videoton RA 6386s rajza?
(#) qcu hozzászólása Ápr 25, 2008 /
 
Üdv, valaki tudna segíteni Technics SU-C 800 kapcsolási rajzban?
(#) vadas111 hozzászólása Ápr 25, 2008 /
 
...esetleg valaki nem tud egy gyári labortápegység kapcsolási rajzával megdobni? megköszönném
(#) putyiboy hozzászólása Ápr 25, 2008 /
 
bash cub2 aktív subwoofer
köszi de senki nem tud segíteni?
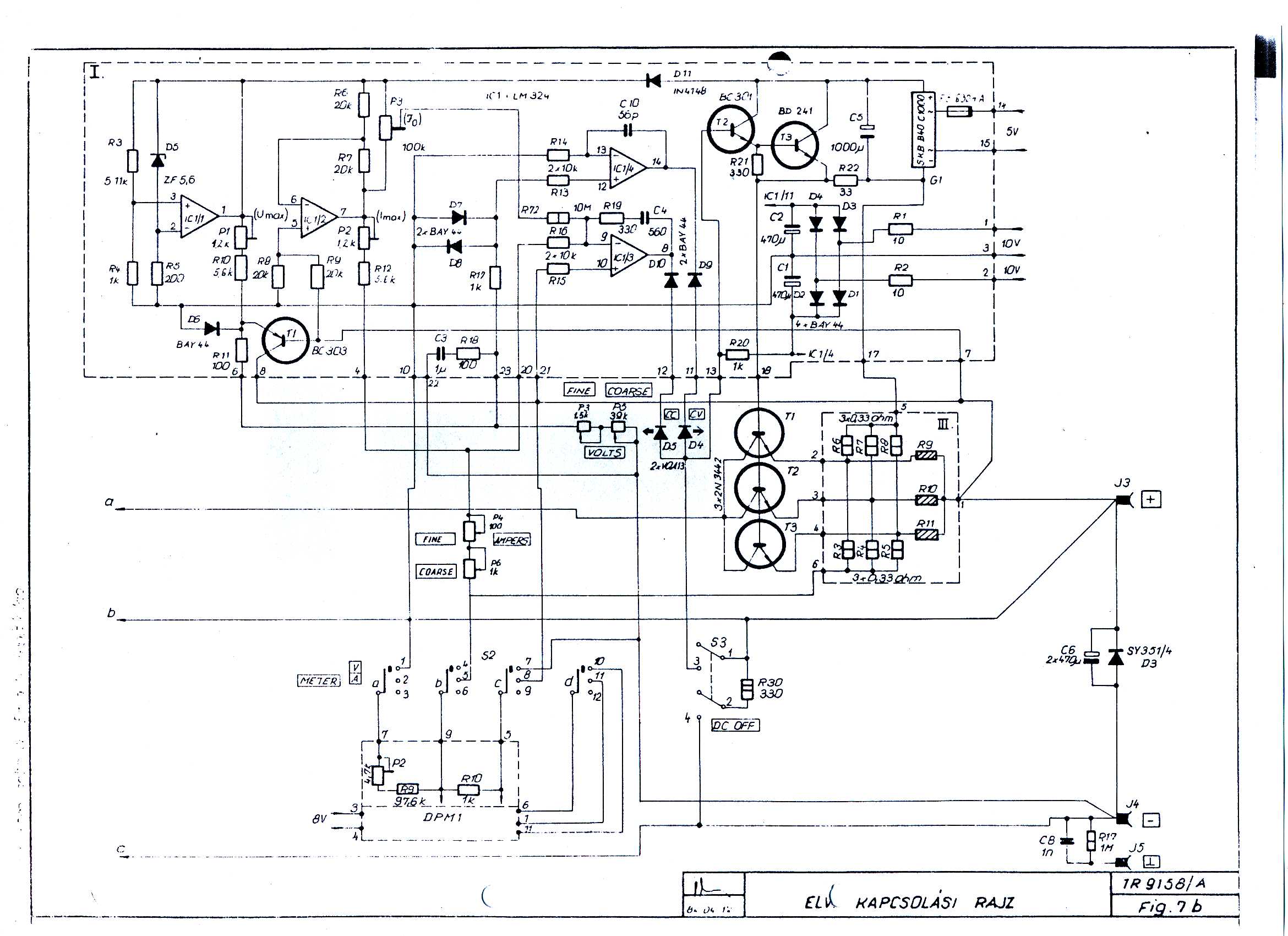
(#) Imi65 válasza vadas111 hozzászólására (») Ápr 26, 2008 /
 
Láthatsz ilyet is.

TR9158a.jpg
    
(#) Directors hozzászólása Ápr 26, 2008 /
 
Üdv


Kapcsolási rajzot keresek Siemens RE777 végfoknak.
(#) _ampervadasz_ hozzászólása Ápr 27, 2008 /
 
Üdv mindenkinek!
Keresek egy egy olyan kapcsolást, ami 9X7szegmenses mátrix kijelzőt meglehetne vele hajtani, és egy bemenő impulzusra nőne egyel az értéke! (impulzus számláló)
Előre is köszönöm a segítséget!
(az teljesen mindegy hogy VFD -re vagy 7szegmenses kijelzőre való, azt megtudom oldani)
(#) Doncso válasza masi1 hozzászólására (») Ápr 27, 2008 /
 
itten van e

6383.pdf
    
(#) Sipy válasza Imi65 hozzászólására (») Ápr 27, 2008 /
 
Sziasztok! Szükségem volna egy rajzra. Egy thomson dpl912vd típusú házimoziban kidurrant a kapcsolóüzemű táp vezérlő IC. Vagy ha rajz nincs is, de valaki meg tudja nézni nekem egy ugyanilyen lejátszóban az IC típusát az is nagyon jó volna. Előre is köszi! Üdv
(#) aflmor válasza Sipy hozzászólására (») Ápr 27, 2008 /
 
Szeva. Hasonlítsd össze a dpl913-al. Hátha...
(#) masi1 válasza Doncso hozzászólására (») Ápr 27, 2008 /
 
6386s-el megeggyezik?
(#) NeoCool hozzászólása Ápr 27, 2008 /
 
Sziasztok, valakinek nincs veletlenul egy olyan kapcsolasi rajza, amibol kiderul hogyan lehet nagy mennyisegu adatot kezelni PIC-el, 15-20MB-rol lenne szo, gondoltam en itt egy SD kartyacsatolora vagy barmi.
(#) Petroimro válasza NeoCool hozzászólására (») Ápr 27, 2008 /
 
Google a barátod!
gondolom ez az, de nincs kedvem lefordítani
(#) _ampervadasz_ válasza NeoCool hozzászólására (») Ápr 27, 2008 /
 
Ha át fogalmazva fogod ugyan azt a kérdést feltenni több topicban, akkor a modik megköveznek rendesen! :gun: :bummafejbe:
pl "Memóriakártyából pendrive"=(#216149)... és még k tudja hol...
(legalább azt megfogalmazhatnád hogy mit akarsz vele kezdeni)
(#) NeoCool válasza _ampervadasz_ hozzászólására (») Ápr 27, 2008 /
 
Egy valamilyen alfanumerikus kijelzot szeretnek hasznalni 4x16-ost, ami HD44780-s vezerlovel rendelkezik. A celom egy olyan felszereles gyartasa, ami segitsegevel tudnek inspiralodni azon a hulye roman erettsegi vizsgan, mert hanem baj van. Bocs a tobb topicban feltett kerdesen, arra gondoltam, h mas mas emberek nezegetik oket s akkor nagyobb az esely a hasznos infok beszerzesere
(#) _ampervadasz_ válasza NeoCool hozzászólására (») Ápr 27, 2008 /
 
Ha olvastad a hozzászólásom, /Memóriakártyából pendrive topic/ akkor ott leírtam mindent, amit tudok!
Én még egy ócska ISN telefonból kibontott 1X16os LCD vel gyakorolgatok, meg tanluok programozni PIC et!
Tehát én egy efajta projektben nem tudok segíteni!
Menj az "LCD + PIC" topicba ott picit keresve kapsz választ kérdésedre!

Ja töllem ne kérj bocsánatot, nem nekem fog nem tetszeni a dolog, hanem a moderátoroknak, akiknek ezzel plussz melót adsz!

Erre a kijelzőre viszont, 15-20Mbnyi adatot mire kiírsz addig eltelik egy két év mire kész leszel vele, aztán meg elolvasod!

Ja ha egy helyre megírod az hogy van egy kijelzőm, ilyen típusú, és egy PIC -cel vezérleném meg, és SD -ről olvasnám ki az adatokat amit a PIC megértené, és lefordítja/kíratja a kijelzőre, és ennyi. Ha ennyire megfogalmazod akkor egy helyen tóbb infóhoz juthatsz , mint 5-6helyen más más szerkezetű, de ugyanolyan érthetetlen tartalommal rendelkező hozzászólásal... a és használd a keresőt!
(#) NeoCool válasza _ampervadasz_ hozzászólására (») Ápr 27, 2008 /
 
Ok, utananezek meg annak a topicnak, ugy van, h van 100 db tetel, minden tetel tartalmaz egy ketoldalas fogalmazast, es hasonlo feladatokat, azt szeretnem, h kivalasztom h melyik tetelnek megfelelo dolgozatot irja ki a kijelzore, majd azt masolom es ennyi.

Talaltam MMC/SD csatolo aramkort ami eleg ecceru + megirt progit is hozza, ezt belinkelem, h legyen itt is meg

http://www.captain.at/electronics/pic-mmc/
(#) _ampervadasz_ válasza NeoCool hozzászólására (») Ápr 27, 2008 /
 
Kössz ez nem volt rossz ötlet, ez a link! Üdv!
Sok siker ahhoz a kütyhöz!
Nem akarok kiváncsiskodni annyira de nem puskának kellene? Ahhoz egy kicsit nagy lenne, esetleg számológépnek lehet álcázni, és egy funkció billentyűzettel lehetne előhúzni a cuccot belőle, írásbelin jól jöhet! (meg ahhoz jól átkéne tervezni az egészet)
(#) _ampervadasz_ válasza _ampervadasz_ hozzászólására (») Ápr 27, 2008 /
 
Mármint az LCDs projektre gondoltam...
(#) galambos hozzászólása Ápr 29, 2008 /
 
helló mindenkinek én egy einhell 220-380 as trafóhoz keresek kapcsolási rajzot egyenirányitani szeretném nem tudom hogyan kell kötni a diódákat és milyen lenne hozzá jó
(#) _ampervadasz_ válasza galambos hozzászólására (») Ápr 30, 2008 /
 
Előszőr is, rakjál fel róla képet azokról a részekről, ahonét a vezetékek kiállnak!
Azztán kb a méreteit írd le, kb milyen széles, magas, és vastagságú? (Ebből, és a képből meg lehet saccolni kb 80-90% -ra hány VA -es, vagyis mekkora teljesítményű)
Aztán írd ide mit akarsz üzemeltni róla!
Ha felraktál képet megtudom hová kell a 230at adni (illetve hogyan)
Utána mérni kell majd a szekunderen a feszültséget, akkor rá tudunk jönni majd hogy mekkora fesz van.
Aztán ha ez is megvan akkor meg egy vele egyező feszültségű izzőt ráraksz majd, valami 40W -at(vagy nagyobbat) és mérsz majd áramot, akkor már lehet méretezni diódát hozzá és lehet egyenáramú feszültségforrásnak használni.
Namost ez hegesztő trafó akart lenni ?
A 230/400 V os bekötés miatt kérdezem, és így már a dióda használata is érthető.
De majd sorjában mindent, rakd fel a képet és segítünk, mit kell csinálnod!
Üdv! Amper
(Ja és a trafónak bekötési rajza van, nem kapcsolási rajza! szokjuk a szakmai nyelvet, legalább itt ezen a helyen)
(#) galambos válasza _ampervadasz_ hozzászólására (») Ápr 30, 2008 /
 
sajnos képet nemtudok küldeni a mult héten leégett most tekercselik azért akartam most egyenirányittatni is egyben
(#) proba válasza NeoCool hozzászólására (») Ápr 30, 2008 /
 
Javaslom a mobiltelefont mint adattárolót,kijelzőt.Ha ezt a projectet megépíted 1-2 hét alatt nem hiszem ,hogy bármilyen vizsgán segítségre szorulsz. (Egyébként nem hiszem hogy a tanárok dijjaznák a min palmtopnyi térfogatú ismeretlen eszköz használatát.)
(#) _ampervadasz_ hozzászólása Máj 1, 2008 /
 
Mindenkinek helo!
Az szeretném megkérdezni hogy valakinek meg van e egy rég TESSA UPS -nek kapcsolási rajza!
(#) galambos hozzászólása Máj 1, 2008 /
 
kaptam egy pár d160/1000-f diódát rákapcsoltam a hegesztrő trafómra egyenirányitás céljából a 48v-ból csak 22-v maradt amivel lehetetlen hegeszteni erős lenne a dióda. és még egy probléma 220-voltal hegesztek egy 2.5 pálcával 1db-ot bir utána lkapcsol a villanyóra 16-amperos kapcsolója
Következő: »»   20 / 383
Bejelentkezés

Belépés

Hirdetés
XDT.hu
Az oldalon sütiket használunk a helyes működéshez. Bővebb információt az adatvédelmi szabályzatban olvashatsz. Megértettem