Fórum témák
» Több friss téma |
Fórum » Visszapillantó tükör behajtómotor vezérlés
Témaindító: bragalyi, idő: Okt 2, 2013
Témakörök:
Üdv mindenkinek!
Szeretnék egy kis segítséget kérni egy komplex időzítő ák. megépítésében. Az autóm visszapillantó tükre motorosan behajtható. Olyan időzítőre lenne szükségem, ami ezen motorokat képes a gyújtás ráadása után késleltetve kihajtani, majd miután leveszem a gyújtást késleltetve behajtani. A két késleltetési idő külön-külön állítható, és az áramkör egy relét vezérel. Természetesen védve legyen Minden esetleges "tüskétől" is. Köszönöm, Bragalyi
Ezt meg tudod valósítani egy marék alkatrésszel, vagy egy PIC-el
Ohh urak!!! Nagyon köszönöm a válaszotokat! Itt egy fotót találtam csak Tőled Simpi, de hol találom a leírását? El tudod küldeni Nekem?
Nagyon köszönöm a segítségeteket!
Hello! Akkor legyen már más alternatíva is.. (Mellesleg fogalmam sincs milyen hosszú időkre gondoltál.. üdv!
A hozzászólás módosítva: Okt 4, 2013
Szia!
Nagyon koszonom a rajzokat!!! Egyebkent az idoket tekintve: - Gyujtas raadasakor kb. 1-2 sec (csak a motor begyujtasa miatt, mert ekkor leveszi a 12V-ot a kocsi minden fogyasztorol) - Gyujtas levetele utan pedig kb. 30-40 sec. Nagyon koszonom a segitsegeteket!!!
Hello! Na, akkor itt egy félreértés van (legalább is részemről). Mert akkor tisztázni kellene mit kell vezérelni és hogyan. Mert ezek szerint van egy elektronika, ami ki be mozgatja a tükröt, és Te csak a működését szeretnéd késleltetni, vagy mifene. Mert jelenleg erről beszélsz. Eredetileg meg úgy értettem, hogy a nyitás-zárást kellene automatikusan megoldani a gyújtás feszültségének segítségével, és a ki és be irányú működtetés idejét szeretnéd késleltetni.
De akkor most mi az igazság? Mert én nem látok tiszta képet.. (Egyébként azt nehezen hiszem el, hogy leveszi az összes fogyasztóról a feszültséget a kocsi. Pontosabban még ilyen dolgot nem láttam..) üdv!
Nem-nem-nem!!! A kapcsolás tökéletes, a motoros tükör van meg, és ezek vezérlését szeretném megoldani! Köszönettel, ki vagyok elégítve!
ennél több már nem kell, csak írtad - jogosan - hogy nem írtam le az időzítési időket. Csak ezt pótoltam, ennyii.....Igen, amikor indítózok, akkor csak a szükséges fogyasztókon marad fesz. így emiatt kell a tükör kihajtási időzítés. A behajtás pedig ahhoz kell, hogy ha megérkeztem, és leállítom, akkor ki tudjak úgy szálni a kocsiból, hogy még hátra tudjak nézni a tükörben. Köszönöm, a kapcsolásod tökéletes az én igényemhez. Köszi Balázs
Hello! Akkor biza még sem jó ez! Mert ez gyakorlatilag azonnal működteti a motort, csak különböző hosszú ideig a ki és becsukás alatt. Tehát még is csak tudni kellene, mit kell vezérelni, és mennyi ideig, hogy becsukódjon, vagy kinyíljon a tükör. Mert ez így nem kerek. Te a mozgás megkezdésének időpontját szeretnéd késleltetni. De gondolom a motornak meg is kell állni egy idő után. Vagy van végállás a tükörben ami megszakítja a motoráramot?
Elsőként a motor vezérlésének villamos kapcsolását kellene ismerni.. Mert ez mind más-más megoldást kíván.. üdv! A hozzászólás módosítva: Okt 6, 2013
Tehát:
1. amikor ráadom a gyújtást és indítozok, akkor szeretném ha a tükör kb. 1-2 másodperc után nyílna ki, tehát a gyújtás (bemenet vagy vezérlés) ráadása után lenne késleltetve a relé behúzása, 2. ameddig a gyújtás rajta van, addig így marad kihajtva, 3. amennyiben lekapcsolom a motort, és a gyújtást, úgy a tükrök kb. 30-40 másodperc után behajtódnak, tehát a gyújtás levétele után 30-40 másodpercel engedne el a relé A tükök végállásosak, azaz a motort áramtalanítják egyik illetve másik végállásban. Tehát végállást nem kell vezérelni. Remélem így már érthetően írtam le. Elnézést, de egy kissé szétszórt vagyok.
Ezt egy CMOS 555-el meg lehet oldani, a következő módon.. üdv!
Nagyon köszönöm a kapcsolást! A mai napon megépítettem és ha minden igaz holnap élesben a kocsiban is kifogom.
Nagyon köszönöm a segítségedet!
Köszönöm még egyszer. Beépítettem, és tökéletesen működik!
Köszönöm a segítséget!
Hello! Szívesen! De ha válaszolsz valamire, ott a fejlécben a Válsz gomb, mert különben nem tudható, kinek mire írod.. üdv!
Helló! Nem lett volna egyszerűbb a központi zár nyitásával/zárásával együtt nyitogatni a tükröket??
Szia! Az is egy megoldás lett volna, de én így akartam ezt megcsinálni! Egyébként nagyon jó lett, és ráadásul ezt a késleltetőt még sok más helyen is tudom alkalmazni.
Köszi, Bragalyi A hozzászólás módosítva: Jan 6, 2014
Sziasztok!Van egy 2009-es Honda civicem.Olyan problémám lenne hogy az elektromosan behajthato tükör nem mindig akkar becsukodni teljesen.Mi lehet a probléma?
Szia!
A tükörben található egy motorral felszerelt áttételes behajtó szerkezet, egy rugós végállásra átbillentő szerkezet (azaz a motor csak részben felelős a ki-behajtásért), illetve egy kétirányú végállás kapcsoló (ezek a réz lamellák). Szerintem a probléma vagy a rugós szerkezettel lehet, avagy a réz lamellás végállás kapcsoló lehet elkorrodálva, eltörve. Nem nehéz a szerkezetet szétszedni, érdemes! Keresek képeket is, hátha megvan még amiket annó csináltam róla. Üdv., Balázs
Hello! Használd a Válasz gombot a fejlécben. Mert így nem tudni kinek válaszoltál..
Szia!
A tükörben található egy motorral felszerelt áttételes behajtó szerkezet, egy rugós végállásra átbillentő szerkezet (azaz a motor csak részben felelős a ki-behajtásért), illetve egy kétirányú végállás kapcsoló (ezek a réz lamellák). Szerintem a probléma vagy a rugós szerkezettel lehet, avagy a réz lamellás végállás kapcsoló lehet elkorrodálva, eltörve. Nem nehéz a szerkezetet szétszedni, érdemes! Keresek képeket is, hátha megvan még amiket annó csináltam róla. Üdv., Balázs
Szia!
Köszi, hogy szólsz! Üdv., Balázs
Anno egy Mercedes ML-t javítottam egy barátomnak. Itt kopás, vagy egy apró darab leválása okozta a bajt, működött, de a végén átugrott és darált. Kapott egy új határolót, így megfogta, a kikapcsolás motoráram figyeléssel lehetett megoldva. Olyan volt, mintha meg is lett volna a helye ennek a biztosabb megoldásnak... Valamiért elmaradt az ide való feltöltés, hátha segít valakinek majd...
Nem láttam a Hondáét, de gyanús, hogy olyannak, aki még nem szedett szét ilyet, ez olyan könnyen menne...aztán még ott a javítás és az összerakás. A hozzászólás módosítva: Aug 4, 2016
Szia!
Tudnál nekem építeni egy ilyen vezérlést? Pont erre lenne szükségem az autómban. Köszönöm! Üdv. János
Szia tudnál nekem küldeni egy ilyesmi áramkört szintén behajlo tükörhöz, csak éppen a központizár vezérelné. Lényegében kellene egy olyan amit pozitiv impulzus kapcsolna, tehát kpzár amikor zár ugye záráskor ls nyitáskor is pozitiv impulzust ad a motoroknak, és kellene egy olyan is ami negatív triggereshez lenne. Pontosan nem tudom még melyik van.
Hello! Oké, csak nem tudom, hogy nyitáskor és záráskor ugyan azon bemeneten (kimeneten) ad a központi impulzust, vagy két különálló bemeneten? Valamint mi lenne az áramkör kimenetén?
Kettö külön állo szál. Egyik a nyitás a másik a zárás. Ha jolnem emlékszem negativ triggeres de nem vagyok benne biztos, ezért kellene mindkettöböl. Elöre is hálás vagyok a segítségért.
Még egy kis info. Ugye kettö szálas a tükör és van végállása. Szoval a terv az lenne hogy amikor a központi bezárja az ajtot kapna az elektronika egy jelet és kb 5-7mp-ig adja ki az áramot a motoroknak, annyi idö alatt behajlik, csak hogy azért ne kapjon folyamatos áramot, elég addig mig becsukodik meg kinyilik. Szoval nyitásra megzárásra forditott polaritást adna ki a motoroknak. Mondjuk kettö relén keresztül . Egyik nyitáshoz másik csukáshoz, de ez csak elmélet ebben ti vagytok a szakik, lényeg hogy polárváltos, mert a tükör végállása nem vált polaritást. A hozzászólás módosítva: Jún 9, 2018
Vagy esetleg ha be lehet épiteni mindkét vezérlési mdot egy elektronikábba, hogy meglegyen benne a negativ és pozitiv impulzusos bemenet az még jobb lenne
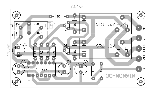
Hello! Oké, itt a rajz. A MIR-P és MIR-N a motor. A PWR a +12V táp, a GND a test. Az OP-P a nyitó pozitív trigger. Az OP-N a nyitó negatív trigger. Stb.. A Vr1-VR2-vel lehet az időzítést beállítani. Ha nem olyan fontos az idő, lehet egy fix ellenállás is.
A hozzászólás módosítva: Jún 9, 2018
Hátha ezzel előrébb vagy. A relé OMRON G2RL-1 vagy hasonló formátumú.
A hozzászólás módosítva: Jún 10, 2018
|
Bejelentkezés
Hirdetés |






ennél több már nem kell, csak írtad - jogosan - hogy nem írtam le az időzítési időket. Csak ezt pótoltam, ennyii.....











