Fórum témák
» Több friss téma |
Fórum » Akkumulátor töltő
Szia!
Idézet: „Kérdezném tőled, hogy az áramelőválasztó kapcsolós megoldásnál a shunt ellenállások értékét hogyan határoztad meg?” Te most az UC3906 töltőprocesszoros rajzról beszélsz, mert számomra ez nem egyértelmű. Ha igen, akkor a shunt ellenállásokon, mindig 250mV feszültséget állít be az IC, maximális töltőáram esetén. (elviekben, mert a gyakorlatban úgy látom, hogy ez kicsit kevesebb) Természetesen számítható a teljesítmény P=U*I vagy P=U*U/R vagy P=I*I*R képlettel. üdv! proli007
Igen, erről beszétem!
Köszönöm a segítségedet!
Szerinted érdemes fokozatkapcsolhatóvá tenni az áramkört, vagyeredeti állapotában sem fog mondjuk egy 45Ah-s akkura ráereszteni 10A-t mert ekkorára szeretném csinálni?
Nem igazán értem a kérdést!
Azt, hogy mennyivel fog tölteni, alapvetően a trafó, egyenirányító shunt ellenállás értéke, és a tranyók béketűrése fogja meghatározni. Tehát a Te szándékod és az alkatrészek képessége szerint. A töltőnek fogalma sincs a rákapcsolt aksi kapacitásáról. Ezt Te határozod meg úgy, hogy a töltőáramot kb. a kapacitás 1/10-re állítod. Ha azonos kapacitású aksikat töltesz, akkor felesleges a fokozatkapcsoló. Beállítod az IC-re menő shunt értékével az általad kívánt töltőáramot és kész. Megjegyzem, 10A mellett, már méretes, kis átmeneti ellenállású és üzembiztos kapcsoló szükséges. Eredetileg a kapcsolás kis zselés aksikhoz készült, ahol a kapacitás akár 1 és 12A között változhat. Ezt vedd figyelembe. üdv! proli007
Én olyan jellegűre szeretném átalakítani, hogy a 45Ah-s akkut és a 120Ah-s akkut is tudjak vele tölteni. Ezért kellene ezekszerint a fokozatkapcsoló bele nekem. Úgy gondolom, hogy a 120Ah-s aksihoz lehet kevés lenne a 4,5A, ami a 45Ah-shoz kell, és nem akarok 2db akutöltőt gyártani csak egyet, ami mindent visz.
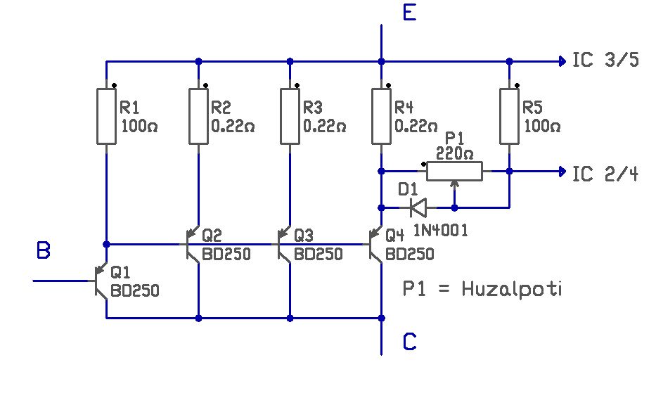
Hát Én egyszerűsíteném a helyzetet, az ábra szerint.
A potival kb. 3 és 10A között beállíthatod a kimenőáramot. A dióda, csak azért kell, mert ha a poti kontakthibás lenne, akkor sem menne a töltőáram 12A fölé. Így nem kellenek külön shunt ellenállások. üdv! proli007
Szia Proli!
Köszi a segítséget, ez nagyon tetszik! Szerinted az áromkörbe szükséges a C1-es pufferkondi, mert valahol azt olvastam, hogy a savas ólom akku kedvel ha lüktető egyenfeszt kapcsolnak rá? A 18V-os trafó nem nyagy egy kicsit, hogy lesz ebből ~14,8V? Mégegyszer hálás köszönet a rajzért!
Szia!
Igen, az R2-es ellenállás tulajdonképpen a darlingtonban van. (minek kettő vacak) A trükk, csak az, hogy mivel a kapcsolás elosztja az áramot a 3 tranyó között, csak az egyiket figyeljük, és várjuk a jószerencsét, hogy az áram, tényleg háromszor annyi lesz. Biztonsági okokból tehetsz mind a három tranyóhoz emitterhez diódát, de az anódokat az elsőhöz kösd. Sajnos kell a 18V, legalább is 12V-os aksinál. A veszteségek miatt. Egyen meg az IC miatt kell legfőképpen. (A végtranyók járhatnának lüktetőről, de ezt igen át kell gondolni, hogy merre folynak és mekkora áramok.) üdv! proli007
Helló
Kellene nekem egy olyan töltő rajz amit lehet használni 12 és 24V-os aksi töltéséhez is. Hoztak egy ilyen univerzális töltőt csak a szabályzása tönkrement és ezt kellene helyettesíteni. A trafó középkivezetéses és a primer tekercset kapcsolja, amikor átállítom 12 vagy 24V-ra. Ehhez kellene valami egyszerű 10A-es szabályozható áramkör. Ha valaki tud valami működő rajzot az tegye már fel. Előre is kösz. Ricsi
Gratulalok a cikkhez, I. rangu munka !
Mindig irigyeltem a jo analog szakertoket ![]()
Most olvastam a cikket, gratulálok, nagyon korrekt lett
Köszönöm mind Kettőtöknek!
A való világ is analóg körülöttünk, és ha egy PIC nem csak önmagában akar beszélgetni, akkor egy kis analóg kézimunka mindenképpen szükséges a ki-bemenetén. üdv! proli007
egy rendes töltőt mennyiből lehet kihozni??
olyan ami tölti a 12v 4 ah és a 72ah akkut is
Sziasztok ! Mekkora egy rendesen feltöltött 6V-os "zselés" akksi kapocsfeszültsége ?
Tegyük hozzá, töltés és pihentetés után.
Ezek szerint, ahogy a kérdés, úgy a válasz sem volt egyértelmű.
Persze tegyük hozzá, hogy lehet csak számomra.
Szia !
Ha szabad egy szófordulatot tennem: EZ NEM CSAK PROLI MUNKA HANEM ELSŐSORBAN PROFI MUNKA !!!! Én is csak gratulálni tudok ! És persze megköszönni, hogy megosztottad velünk. Tényleg egy minden apró részletre kiterjedő alapos szakmai munka. KÖSZÖNJÜK ! Üdv: sector99
esetlegesen tudna valaki előállítani valami rendes töltőt?
töltse a 4ah és a 72ah akkut is (max 10a felé)
Hali proli 007 két tapcsolást is tett fel ide .
egy vetérlő,és egy nagyáramú tranzisztor fokozatot. A kettő összekapcsolásával (Szerintem ) nagyon !!! jó töltőt lehet készíteni. Az elektronika Kb 2-3 ezer ft ehhez jön a trafó és a doboz .
Hali!
Szeretnék érdeklődni, hogy szerintetek meg lehet-e oldani, hogy ha van egy napelemem, ami olyan tipikusan 13-18 (max 24) V-ot ad le olyan max. 1 A mellett, az ugy tudjon tölteni egy zselés aksit, hogy a folyamatos üzem miatt egy gyári, automata zselés aksi töltőt (220V-os) szétkapok, kiveszem a trafót, és az egyenirányítót, és oda bekötöm a napelemből kijövő áramot?
Elvileg lehet jó. Látni kéne a napelem paramétereit és a töltő rajzát. A gond akkor van ha a kimenő feszültség+drop alá esik a napelem feszültsége.
szia!
nem biztos .hogy érdemes szétkapni . a napelemes töltés esetén nem kell stabilizátor --kel 1 dióda + fesz korlát ha nincs elég kisütés .
Értem! A fesz korlátot hogyan lehet egyszerűen megoldani? Illetve a zselés aksinak nem fogja nagyon lerövídíteni az élettartamát, ha nem "intelligensen" van töltve? Uis ez az okos kis töltő folyamatosan figyeli az aksi feszültségét és attól függően tölti ... 3 féle karakterisztikával (erős áram, lecsengő fázis, csepptöltés) tölt, igy folyammatosan rajta lehet hagyni az aksit (mint egy szünetmentes tápnál...) ...
Mi a véleményetek?
hali
szereztem egy 1000éves orosz akkutöltőt szép nagy trafója van 14.5v váltóáram jön ki belőle tök dizájn tekerős áramszabályzós 10A ampermérő stb az a gáz hogy csak 11v egyenáram jön ki belőle gondolom a dióda hidat kissé megsütögették a kérdésem: mit lehetne beletenni a dióda híd helyére? valami olyan kellene ami bír minimum 20A-t és nem túl drága köszi!
Szia!
Körül kell nézni, sokszor olcsón kapható komplett híd 25A-es. (pár száz forint) De biztos, hogy rossz? mert ha csak a műszert simán ráakasztottad, biztos, hogy nem jó értéket mutat. Egy aksit kell rátenni, és úgy megnézni, folyik-e áram és mennyi. Az aksitöltő, nem táp, ott szűretlen a feszültség. Célszerűbb egy hideg analóg műszerrel mérni. üdv! proli007
aksira rátéve 11v
és így 14,5 a híd előtt amúgy üresen 18 v felé van a váltóáram ilyen esetleg jó? http://elektronika.neked.eu/index.php?productID=13991 ebből 4db vagy inkább autóét? bár az autóé kb 2-5 ezer (az olcsóbbak) |
Bejelentkezés
Hirdetés |











