Fórum témák
» Több friss téma |
Fórum » Erősítőhöz való hangsugárzó védelem (koppanásgátló)
Témaindító: Thom, idő: Márc 14, 2006
Témakörök:
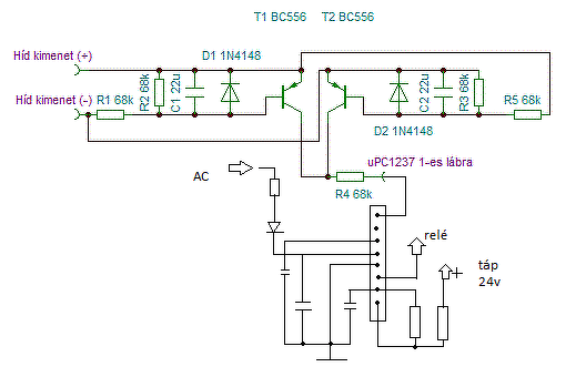
Szia! Szimmetrikus tápnál a szokásos védelmi áramkörök közül válogathatsz, aszimmetrikusnál pedig a védelmi áramkör DC érzékelőjét a hídkimenetek közé kötöd és egy plusz tranzisztorral csatolod az áramkör további részéhez. Igény esetén rajzolok erről egy vázlatot, mert nem elterjedt módszer.
Elvileg ez jó de még nem próbáltam
Szia! Köszönöm a válaszod! Szeretnék kérni egy vázlatot a módszerről, mivel nem világos ez a plusz tranzisztor. Szeretnék upc1237-et használni ha lehet. Előre is köszönöm!
Szia! Köszönöm Neked is! Megvárom Reloop kolléga válaszát, és majd ezután döntök, melyiket is válasszam.
Én is itt találtam rá, még nálam sem biztos a dolog
Szia! Az uPC1237-nél egyszerűen a túlterhelés-figyelő bemenetre csatlakozol.
A tranzisztorok feszültségtűrése nem lehet kisebb az erősítő tápfeszültségénél. A C1, C2 16-25 V-os elkó, tetszőleges polaritással beültetve. A kapcsolást még nem alkalmaztam a gyakorlatban, ennek megfelelő körültekintéssel járj el a tesztelésnél!
Szia! Köszönöm a rajzot! Ha jól értelmezem jelen esetben, akkor az upc1237-es ic 2-es lába most üresen marad?
Az uPC1237 2-es lábát ebben az alkalmazásban rákötném a testre. Nyitott állapotban elég érzékenynek tartom.
Rendben, köszönöm!
Szia. Az Kopp 3-nál az R5 ellenállás értéke 100 ohm, vagy 100 kohm?
Én 100 ohmnak értelmezem.
Bár nem nekem írtad, de ahol nincs semmi oda írva a szám után azt OHM-nak tekintik.
Köszi a választ. Én is így gondoltam, csan mondom megkérdem nem e csak lemaradt.
Sziasztok. Tudnátok segíteni, hogy a KOP 3-nál az IRF 510 helyett jó az IRF 540N. Ez van itthon.
Szia! Bármilyen N-es MOSFET jó bele.
Köszi. Akkor bele rakom. Nem igényel hűtőzászlót? Illetve ha 1000 mikrós kondi helyett 2200 mikró 25V megy bele gondolom az sem gond?
A hozzászólás módosítva: Márc 20, 2018
A FET egyáltalán nem melegszik és nyugodtan használhatsz nagyobb kondenzátort.
Sziasztok!
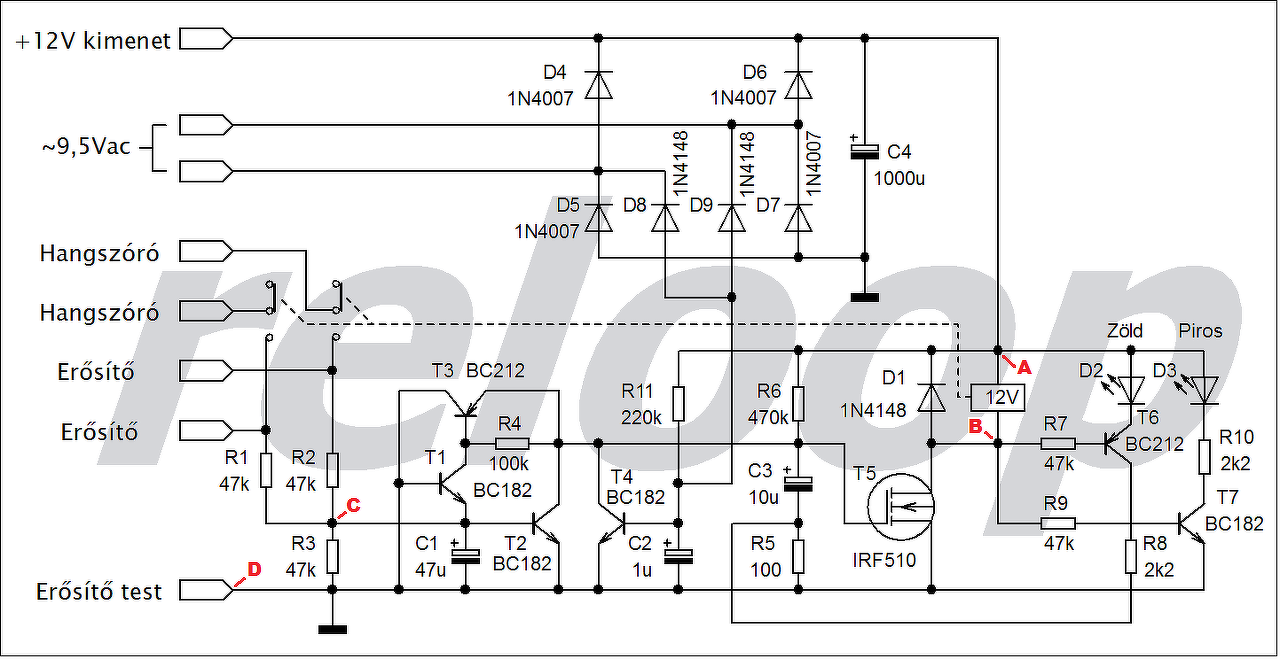
Azt szeretném kérdezni, hogy reloop által készített hangszóróvédelmet át lehet-e úgy alakítani, hogy 2.1-es rendszer esetén a mélysugárzón is legyen koppanás védelem? Kibővíteni egyszerűbb 3 csatornásra, vagy az egyik csatorna megszüntetéssel, monoként egyet pluszba építeni? Melyikhez milyen változtatások kellenek? Amihez használnám az egy TDA7377. Két kimenete hídba kötve a mély csatorna számára. Üdv: spgabor A hozzászólás módosítva: Ápr 1, 2018
Szia! Az IC tudja ezt a funkciót, a 7-es lábán keresztül vezérelheted.
A 7377 Stand-by lábára gondolsz? Előre gyártott ebay-es erősítőm van, nem épített. Megnézem, hogy a hetes lábat hova kötötték.
Amúgy hogy érdemes ezt a lábat kapcsolgatni? Ebben az esetben nem is kell külön hangszóróvédelem? Bocs, ha hülyeséget kérdezek. Üdv: spgabor
Úgy látom 10 k ellenállás húzza a 7-es lábat a tápra és 10 µF kondi végzi a késleltetést. Az ellenállás és a kondi értékét is duplázhatod, ha koppan bekapcsoláskor.
Ilyen autós rádió végfokhoz nem szokás DC védelmet építeni. Mivel a kimenetek fél tápfeszültségen vannak nem egyszerű a kivitelezése, a kondival csatolt pedig nem is igényli.
Sziasztok! Kínai PWM végfokokhoz milyen védelmet javasoltok?
Üdv
Üdv Mindenkinek!
Van valamilyen hátránya ha nem szimmetrikus tápra van kötve a hangszóróvédelem? Ill. ha külön tápról üzemel és nem az erősítő tápjáról? Előre is kösz a választ! Üdv Mindenkinek!
Hello! Azt hittem Reloop rád talál. Általánosságban, mind kettőre nem lenne a válasz. De azért nem árt tisztázni, milyen védelemről van szó és hogyan van/lesz bekötve.
Hali!
Egyenlőre a problémám, hogy lustaságból és kíváncsiságból vettem egy kis hangszóró védőt. Két utas, 12V-ról működne, de nem kapcsol be a relé. Megpróbálom a nyákból visszarajzolni Tina-val, és feltenni ide.
Minek ehhez Tina. Rajzold le ceruzával. Az áramkörökhöz általában rajzot is adnak, de bekötésit mindenképpen.
Már van földmentes kapcsolásu végfokhoz isBővebben: Link
![]() sajnos a lényeges huzalozás elég vékonyka de az ir nyitofesztöl reagál csak 2v dc körül már ugranak a relék... |
Bejelentkezés
Hirdetés |















