Fórum témák
» Több friss téma |
Erre sokkal jobb lenne egy olyan kontroller, amelyiknek van teljes H hidas PWM kimenete és tudja a kapcsolások közötti szünetet (dead band) is.
Hello! Ha már egyszer relét használsz az öntartáshoz, akkor azzal a forgásirány váltás is megoldható, elvben kb. így..
Köszönöm válaszod!
Sajnos az alkatrészeket nehéz előre megválasztani, mivel nem ismerem (sőt, itt sincs) a motor, amihez kelleni fog. A diódákat mindenképp cserélem nagyobbra. A hozzászóláshoz csatolt 1. alapkapcsolás az, amiből kiindultam. Ezen csak annyit módosítottam, hogy a PWM B-t az ON B-vel közösítettem, mivel csak egyik irányba van szükség szabályozásra. Elméletileg a második csatolt kapcsolás is működőképes, egyszerűbbnek is tűnik. Egyik oldalra direkt megy a táp, másik oldalra a PWM-en keresztül.
Arra figyelj, ha már kapcsolásokat hasonlítasz össze, nem mindegy, hogy egy csupasz gate-t nézel vagy rajta van a működési fázist megfordító tranzisztor is és miket kötsz össze.
A diódáról még annyit, ha már szükséges ide egyáltalán a relatíve alacsony pwm freki miatt, hogy gyorsabb legyen, mint a fet belső diódája, ill. itt schottky legyen, mert az tehermentesíti a jóval nagyobb nyitófeszültségű belsőt. Az áramról pedig annyit, ha már nevesíted a fetet, hogy hasonló áramú legyen. Ezt csak azért jegyzem meg, mert egy sokkal nagyobb teljesítményű motornál már egyáltalán nem mindegy, hogy ezeket a dolgokat figyelembe veszed-e vagy sem valamikor.. Az optós rajzodhoz pedig annyit, hogy ha ragaszkodsz hozzá, nagyon gyors optót válassz, mert a meredek élekből semmi se marad és fetek melegedni fognak, vagy teszel még utánuk fet meghajtót. A hozzászólás módosítva: Aug 16, 2018
Köszönöm!
Az optós rajzhoz 4N25-ös csatolót ajánlanak, aminek 2 mikroszekundumos felfutási ideje van. Katalógusokat nézve 15A körül lehet a max. áram, afelett ugyanis inkább 24V-ot használnak. A PWM frekvencia kimondottam alacsony.
Tudnál példát mondani kontrollerre?
Köszönöm! proli007: Tetszik a kapcsolás, egyedüli hátrányát abban látom, hogy a reléken átfolyik a motoráram, így NYÁK relék helyett valami komolyabbat kéne használni. A hozzászólás módosítva: Aug 16, 2018
Jó, hát nézd meg az adatlapját és még találsz ott pár us időket, amiket szépen összeadogathatsz.
Vannak kicsit drágábbak, 6N136, 137, aztán a TLP sorozatban van direkt fet-meghajtó, ami még jobb. Biztos kapsz még ajánlatokat ebben a verzióban.
Van ilyen csomó. Pl. a 18FxxK22 sorozat összes tagja tudja.
Köszi! Az alkalmazási terület (mezőgazdasági gép) miatt inkább kerülném a mikrokontrollereket. Analóg alkatrészekkel sem bonyolult a feladat, csak a FET-ek hídba kapcsolása okozza a nehézséget.
Gyors optokapuk használatával az alábbi kapcsolás elvileg működőképes. Mégsem tökéletes, mert előfordulhat, hogy nem zár rendesen valamelyik FET, és akkor zárlatba megy valamelyik oldal... Ezek alapján próbálom összehozni: http://www.bristolwatch.com/ele/h_bridge.htm A hozzászólás módosítva: Aug 16, 2018
Ez a kapcsolási rajz nem jó ebben a formában. A bal oldali ág és a jobb oldali ág külön-külön van vezérelve. Bal felső - jobb alsó és bal alsó - jobb felső FET-et kell egyszerre vezérelni. Illetve majdnem, mert kikapcsolni általában tovább tart a FET-et, ezért sem árt a ki- és bekapcsolás között némi szünetet tartani.
Mekkora áramról beszélünk és mekkora a PWM frekvenciája? Gyaníthatóan kellenei fog dedikált FET meghajtó is. Attól, mert mezőgazdasági gépben van, nyugodtan lehet használni kontrollert.
Hello!
"Elméletileg a második csatolt kapcsolás is működőképes" Igen, csak éppen hibás. Egy H hídban nem engedhető meg, hogy a felső és az alsó tranyó egyszerre nyitva legyen, mert akkor zárlat lép fel. Itt pedig ez nincs biztosítva! Az hogy a tranyók kapcsolóüzembe mennek, még nem jelenti azt, hogy vagy "csak ki vannak nyitva, vagy csak le vannak" zárva. Mert az átváltás pillanatában a vezérlő feszültség nem képes nulla idő alatt átfutni alacsony/magas szintre és fordítva. Itt, mikor a Gate vezérlő jel a féltápon jár, bizony mind két Fet nyitva van. (Az Internet tele van számtalan ilyen hibás kapcsolással. A működés csak akkor lenne elképzelhető, ha a Fet Gate-Source nyitó küszöbfeszültsége nagyobb lenne mint a táp fele.) De ha teljesítené is valaki a végtelen gyors Gate átváltást, akkor is hiba lenne, hiszen egy tranzisztor gyorsabban nyit ki, mint ahogy lezárni képes. Tehát ha egyszerre nyitjuk-zárjuk a kettőt, akkor is lesz olyan pillanat, mikor az előzőleg nyitott, még nyitásban van, és a másik már nyit ki. Nem véletlenül van kapcsolóüzemű IC-knél a holtidő zóna kialakítva. Az 1-es ábrán ezt a mikrokontroller programban lehet biztosítani, pld. hogy előbb legyen az irányváltás kapcsolva, és csak ez után induljon a PWM jel. Tehát ott ez teljesíthető. Viszont a PWM kapcsoló Fet-nek logikai típusúnak kell lenni. De 10A áramok mellett már célszerű Fet meghajtó IC-t alkalmazni. Bármennyire is lassú az a PWM jel. Mert az nem 5V-al fogja kapcsolni a Fet-et, hanem a 12V tápal. Valamint a Fet-ek zömének nagy GS kapacitása van. Nem véletlen, hogy a meghajtók 1..6A vezérlő áramot képesek produkálni.
Sejtettem, hogy nem úszom meg ilyen egyszerűn
![]() Nézegettem készre szerelt hidakat is, de Kínából is 6000+posta, ami esetleg 10A felett tudna kapcsolni. Akkor már célszerűbb lenne magamnak építeni, hisz az alkatrészeken kívül minden adott itthon hozzá. PIC-hez nincsenek eszközeim, egyedül Arduino jöhetne szóba, ha már mikrovezérlő... Legszívesebben kiváltanám a 4 FET-et is relével, de nem hiszem hogy szeretnék a PWM-et kapcsolgatni. Minden ötletre vevő vagyok.
Elég két, külön is vezérelhető PWM kimenet. Az egyik a bal alsó, a másik a jobb alsó FET-et vezérli. Pl.:
Kinyitod a jobb felsőt, a bal alsónak adsz PWM jelet, ahogy szeretnéd. Ha a PWM kitöltés 100 %-os, akkor a kimenet gyakorlatilag magas szinten van. A kimenet használható gyors és lassú üzemhez is. Ha a másik két FET-et verérled, a forgásirány megfordul. Ennyi, nem több. Ez kb. gyerekjáték kategória Arduino-val is. Csak annyit kell megoldanod, hogy az egymás felett lévő FET-ek ne tudjanak egyszerre nyitni. A FET jobban bírja a kiképzést, mint a relé, pláne nagyobb áramok esetén. Mivel a rendszer eleve 12 V-os, nagyon variálni sem kell, jó lesz négy egyforma, N csatornás FET is. P csatornások eleve gyengébb paraméterekkel rendelkeznek, sokkal kevesebb is van belőlük.
A TC4420 nem képes a tápjánál magasabb feszültséget kiadni, NMOS esetén pedig arra lenne szükség..
Ez sem az én napom. Úgy tűnik, ahogy fáradok, úgy hü..lök. Megyek is aludni.
gardian_e, felejtsd el a rajzot nem jó...
Szia!
Egy feladat megoldása nagyon sokféle lehet. Ha üzembiztonságot jobban szem előtt tartod, az esetleges működési zavarok, problémák kezelését is figyelembe veszed, akkor egy kicsit több mindent kellene beépíteni; Zárlatvédelem legalább egy biztosító erejéig. A híd áramát legalább figyelni kellene, hogy a motor túlterhelése, hibája ne tegye tönkre a hidat. Nem láttam, hogy írtad volna, mekkora a motor, de elvileg fel kellene futtani és lefuttani (a pwm kitöltés változtatásával). Ha valamelyik végállás vagy vezérlő jel "beragad", vagy nem érkezik meg, a legkisebb kár szemelőtt tartásával lekezelni (Karnaugh-tábla készítése). Szerintem is mikrovezérlő kell hozzá. Nem ismerem annyira az Arduinót, hogy véleményezni tudjam (van-e benne gyors túláram kezelési lehetőség a pwm tiltásával). A PIC16F-es sorozatban már biztosan találsz megfelelőt. De számos más lehetőség is van. A teljesítmény fokozathoz szerintem jó gondolat a diszkrét P és N csatornás fetekből felépített híd, de szerintem egyszerűbb lenne fetmeghajtó IC-vel, mint diszkrét meghajtás összepakolásával. Itt a jó nyák terv elkészítése is fontos. Ha valami nyomós indoka nincs, én nem kevernék bele reléket. Egy mezőgazdasági gép általában poros, és mozog, rezeg. Kerülném az elektromechanikus alkatrészeket. Ha leválasztás kell a bemenetek felöl, akkor optocsatolókkal oldanám meg.
Szia! Köszönöm!
Relék az egyszerűség miatt kerültek bele. A rázkódásra én is gondoltam, lehet, hogy autóba szánt relékkel oldanám meg. Olvadóbiztosíték természetesen van, a gép biztosítéktábláján van szabad hely, ezért nem szerepel a rajzon. Jó dolog a PIC, csak programozó board, valamint hozzáértés nélkül nem egyszerű. Ellenben néztem Arduino-t, ami megfelelhet. Atmega328 mikrovezérlővel ellátott board, USB interface, külső táppal ellátva üzemeltethető 3,8-12V tartományban, digitális portok száma: 20, PWM portok száma: 6, analog bemenetek száma: 8, órajele: 16MHz, 1000 Ft darabja (Kínából 750 Ft). Ui. A motoráram figyelése jelen esetben problémás, ugyanis szorulás vagy a végkitérés elérésekor a motor nem fékeződik jelentősen, hanem az áttétel racsnis villáskulcs módjára átugrál. A hozzászólás módosítva: Aug 17, 2018
Te tudod mit akarsz, de ha van benne mikrovezérlő, a motornak H híd, akkor szerintem fölöslegesek a relék.
Ránéztem az Atmega328 adatlapjára. Amennyire látom, nem támogatja kellőképen a H híd vezérlését. Biztosan össze lehet valahogy lapátolni, de nyögvenyelős lesz, és a gyors túláram védelem is csak szoftveresen lesz, vagy külön hardver elemekkel, vagy sehogy. Amit csinálni akarsz, az szerintem beágyazott rendszer lenne. Az én műszaki érzékem tiltakozik egy komplett Arduino bord beépítésétől egy ipari gépbe. Esetleg egy mini vagy nano. Ha az Arduino platformját választod, akkor olyan irányba motiválnálak, hogy vedd meg csak a bootloderes ATMEGA328P IC-t, és a környezetet te épísd fel köré. A programozást is egy USB-s TTL kábelen/modulon keresztül, mint a Mini modullal szokás.
Kimaradt, természetesen Nano-ról van szó (igazándiból klón). A használt lábaknál a tüskesorral a H híd lapjára forrasztanám.
Időközben viszont nézelődtem az Ebay-en is, tulajdonképpen a Kínaiak 2500Ft-ért megoldanák a problémámat (második kép). 40A DC vezérlő, forgásirány váltással. Nyilván a 40A fenntartással kezelendő (nagyon alulméretezik a hűtést), de ha átnézem a forrasztásokat akár jó is lehet.
Megrendeltem végül az alábbi vezérlőt 3000Ft-ért.
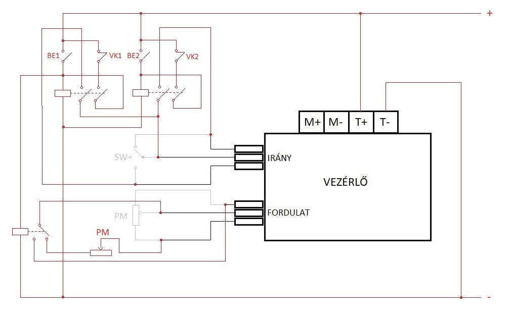
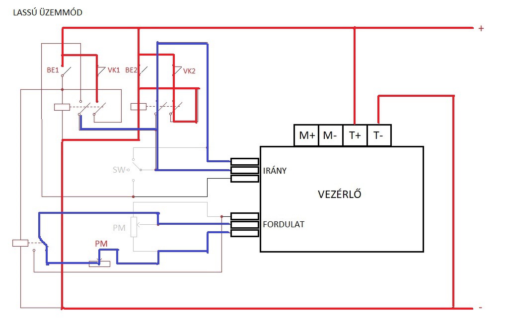
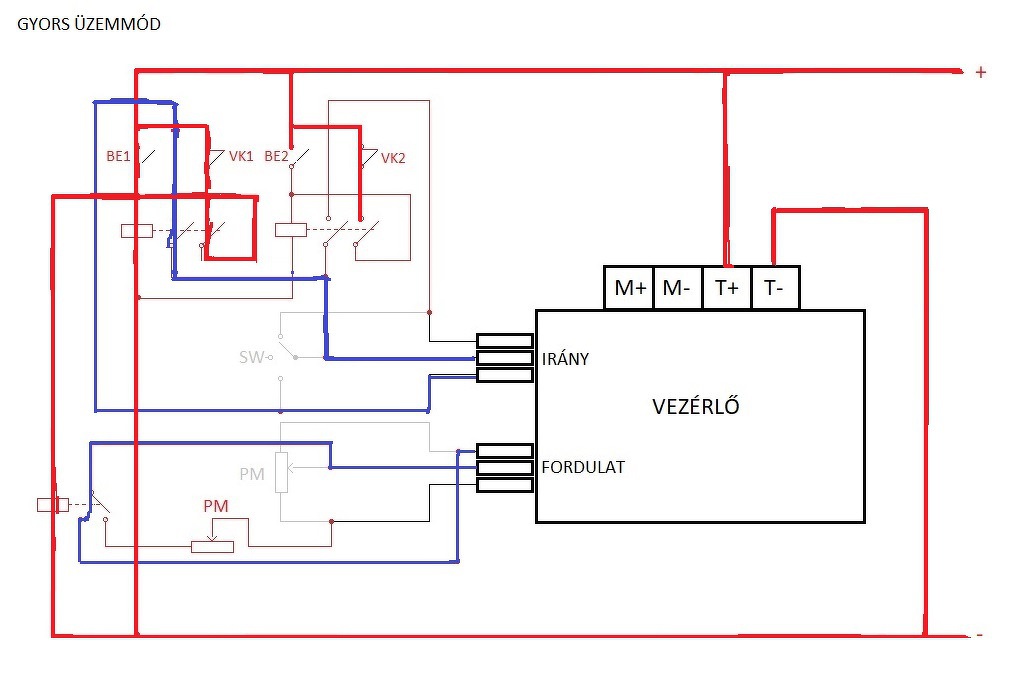
10-50V, 40A, PWM DC Motor Controller, CW, CCW Alapesetben mindkét irányban a potenciométer határozza meg a fordulatszámot, az eredeti feladatnak megfelelően kitaláltam hozzá egy relés kiegészítést. Két darab DPST relé öntartással a két irányhoz, valamint egy SPDT relé, hogy az egyik irányba a potmétert kikerülve teljes fordulaton forogjon a motor.
Szerintem az alapjel így nem lesz jó, csak soros tag lett a potenciométerből.
A vezérlés sincs minden esetre kivesézve; mi lesz akkor ha a végállásban valaki erőlteti a továbbhaladást a rossz irányba?
A világossal jelölt részek csak az eredeti kapcsolást mutatják, nem szerepelnek a végleges rajzon. A két állapotot megrajzoltam.
A motor jellegéből adódóan, ha a kezelő a végálláskapcsoló után is nyomja a gombot, az áttétel fog ugrálni, a motor nem akad meg. A probléma kiküszöbölhető olyan végálláskapcsolóval, aminek van záró és bontó érintkezője is. Ennek majd utánanézek. Köszönöm!
Elég lehet egy bontó is, csak a bekapcsoló elé kellene tenni.
Az alapjel potmétert illene az eredeti ajánlásnak megfelelően bekötni. Ha nagy-impedanciás a bemenet -és feltehetően az- akkor nem lesz érdemi fordulatszám változás, a potencióméter teljes tartományában kb. a max. sebességgel fog menni. A hozzászólás módosítva: Aug 18, 2018
Jogos lehet az észrevétel, ez majd akkor fog kiderülni ha megérkezik a vezérlő.
Van egy müszerész marógépem,ami 220v egyenárammal tirisztoros fordulatszabályozóval működik.
Üresjáratban kipörög.Ha a főorsóval összekapcsolom akkor azt nem bírja megforgatni.Tehát nincs erő benne.Az orsó könnyen forog.Mi lehet a baj?
Legvalószínűbb hogy nincs meg az állórész gerjesztése (már ha külső gerjesztésű motor).
Esetleg nézd meg a fordulatszám szabályozót is, hogy ott minden rendben van-e.
Tegyél fel egy skiccet a tirisztoros részről, hogy látni lehessen, megvan-e mindkét félhullám szabályzása.
Ha ez nem megy, a motor helyébe köss be egy 100 watt nagyságrendű izzólámpát, azon is láthatod, fel tudod-e tekerni közel teljes fényerőre. A motorról is jó lenne egy skicc, mégis milyen rendszerű.
Sziasztok, segitseget kernek--van egy 1000 eves talan nemet csiszolo gep, van egy egyenaramu motor ami nem megy az alabi kepen lathato, az egyik tengelyt kene mozgasa az asztalnak, a vezerlo elektronokaval van baj evel a vezerles reszevel regi orosz es mas alkatreszek vanak de mar nem azonosithatok, szeretnem mukodesre birni.
Amit tudok a forgoresz ellenalasa 16 ohm , az aloresz pedig 2.2kohm, a forgoresszel sorba van kotve egy tekercs(trafo kinezetu) aminek az ellenalasa 6 ohm es van meg egy horele is vele sorba ami 1 A bealitasban van. Edigi elereseim : egyeniranyitotam a 220v =ot egy diodaval, az aloreszre sorba kotem egy 100 ohm 5w ellenalast---elindult a motor de kis mukodes utan eleget az ellenalas , igy ellenalas nelkul probaltam ment is de a horele rovid idon belul megszakit. Legyszi valami segitseget adjaok hogyan tudnam mukodesre birni
Szia!
Csináljál rendesebb 220 V dc-t ( nem félhullámút ) és mérd meg az áramot, a cimke szerint 90 mA mehet át a gerjesztótekercsen. Ha ez stimmel és nem lesz égés 5-10 perc múlva, akkor léphetsz tovább: ráadva és fokozatosan növelve a főáramkör feszültségét, pl. 60-70 volt dc-ről indulva. Max fordulaton érvényes a főáramkör árama, 220 V dc-nél 0.7 amper. Mérések és teszt nélkül nem jutsz előbbre. |
Bejelentkezés
Hirdetés |



























