Fórum témák
» Több friss téma |
Ezt tudom javasolni.
A Te általad vázolt rendszer nem működik, mivel nem valósul meg a keverés a padlófűtésnél. A padlófűtésnek fix tömegáram kell, csökkentett hőfokon. A hőfokot a keverőszelep, míg a keverést és a tömegáramot a keverőszelep mögött lévő szivattyú biztosítja. A hozzászólás módosítva: Szept 1, 2018
Vagy ezeket. Az előbbi nyomásmentes rendszerhez jobb inkább (hidraulikus váltóval szerelt).
Ezek pedig rányomásos rendszerhez, ahol a készülék szivattyúja nyomja a rendszert. Mindhárom értéktartó, fix tömegaramú.
Felhasználói kérésre a hozzászólás törölve.
Tisztelt válaszadók, elnézést a késői viszontválaszomért.
Baxi: Bennem is felmerült ez a radiátor visszatérő, rá a padló előremenőbe és így elég a kazán szivattyú. De félő, hogy a kazánba visszatérő víz túl hideg lesz és a kazán hosszabb ideig megy- túlfogyasztás. Vagy valamilyen módon emelni a vtérő hőmérsékletét? VIM:Köszi a választ. A Te rendszered úgy rémlik a DANFOSS megoldása a háromjáratú kiváltására- FTC szelepes. Visszaolvasva, tényleg rengeteg idődbe, kisérletezésbe került mire OK lett a fűtésed- gratula. A keresztmetszetekre visszatérve: - mint Baxi is írta - a 22-es cső elég. A Te rajzodból is ez derül ki. A gerincvezeték, ha jól értem az osztó-gyűjtőig tart és ezt nem ajánlatos szűkíteni. zoszka:Köszönöm, hogy ilyen segítőkész vagy. OK vágom a nyomásmentes-rányomásos különbséget. Csak még egy kérdés. A szerelőm? azt modja, hogy az általad javasolt ESBE helyett van egy 15 rugóval olcsóbb 3 jár. szelep: COMPHUTERM DN 20-3 Nem akarok tőle több hülyeséget - rosszul rajztolt skicce - de kérdezem, szerinted ez is használható, vagy az olcsú hús... kategória? Ill. még egy kérdés: A túláram szelep rendeltetése többek között a visszatérő víz hőmérsékletének emelése is?
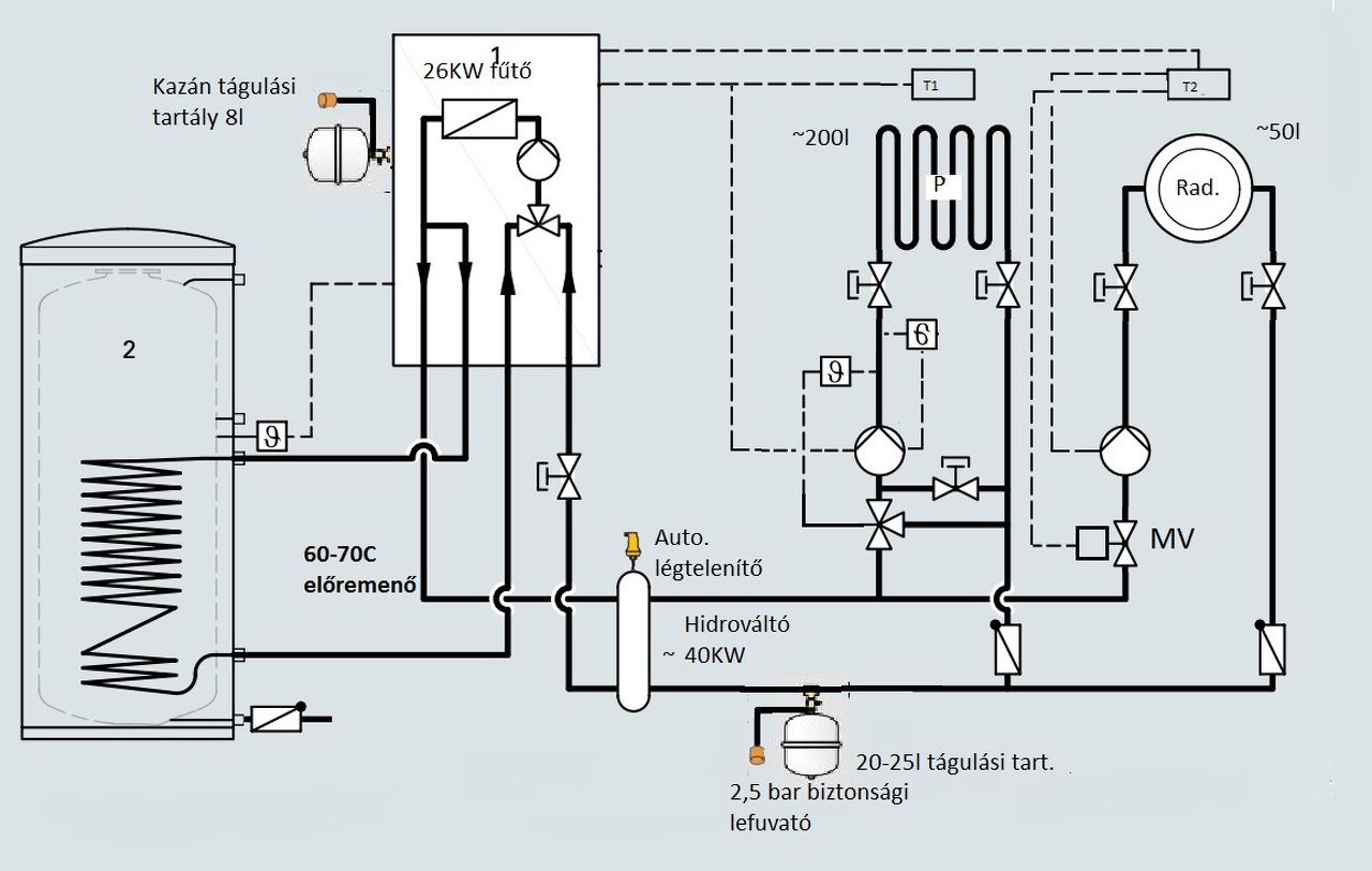
A próbálkozásaim teltek bele sok időbe, mire elszántam magamat, hogy megvalósítom amit kigondoltam. Nem a teljes megoldást kaptam javaslatként hanem, hogy hol keressem a hibát a rendszerben. Ez pedig a hőcserélő és annak a csatlakozó keresztmetszeteinél volt. Jelentősen le voltak szűkítve a bemenetek. A pf. szivattyú fő nyomó keresztmetszete is kisebb volt mint kellett volna a többi probléma az apróság volt. Ennek a megoldásnak az a lényege, hogy lemezes hőcserélővel le van választva a padlófűtési kör a radiátorosról és a Danfoss szelepen beállított hőfokot lehet előállítani és ezt "bevinni" a padló körbe a saját szivattyújával. Nem lehet elrontani a bekötést, nem kevert a két rendszer ....
Újabb verzió. Egy ismerősöm hőszivattyús fűtésben gondolkodik. A meglévő rendszerét bontja. Küldött róla egy rajzot, amely nagyon hasonló VIM rendszeréhez, csak nem hőcserélős, hanem hidr.váltós. A Danfoss-féle FTC-s szabályozós egyutú szelepes megoldással üzemel. Szívesen átadná a szabályzót, a szelepet, a hidr.váltót, termosztátot. Mind működőképes. Ugye, ajándék lónak... Szerintetek jó alternativája az ESBE háromjáratúnak?
Mivel én csak ugatom a szakmát, ezért kérdezem, jól értelmezem a működését? A hidr. váltóból a padlófűtés sziv. szívja a meleg vizet. Az FTC szelep beáll. pl. 40 fokra. A sziv. nyomja a vizet a pf. rendszerbe. A visszatérő víz megy egyrészt az átkötő szakasz v.csapó szelepén keresztül a pf. szivattyú felé, másrészt a hidr. váltó visszatérőjébe. Ha az érzékelő pl. 45 fokot mér, akkor az FTC-nél a szelep zár, így a sziv. nem tud meleg vizet szívni a váltótól. Ekkor csak az átkötő szakaszon keresztül szív a szivattyú. Ha újból 40 fok, akkor a szelep nyit és kezdődik előlről.
Igen, jól gondoltad. Ennek a megoldásnak az előnye, hogy külön-külön is működtethető a padló- és radiátoros rendszer, ha van külön termosztát hozzá.
Szia! A termofejes szelepnek a visszatérőben kell lennie, mert a rajz szerint így saját magát zárja el.
Bővebben: Link
Szerintem az mindegy, hogy melyik ágban van. Mit értesz azon, hogy magát zárja el? Ha az érzékelőnél megvan a beállított hőmérsékletű fűtővíz, akkor annak el is kell zárnia, különben károsan megnőne a padlóban a víz hőmérséklete.
Ha a visszatérőn van a szelep akkor nincs szűkített keresztmetszet az eltérő fajsúlyú és hőmérsékletű közegek keveredése között.
Nem mindegy, hogy hova szereli be az ember elébe vagy utána, mert nem az lesz a végeredmény. A hozzászólás módosítva: Szept 5, 2018
Ebben a bekötésben teljesen mindegy, mert a nyomástartó szelep biztosítja a tömegáramot.
A hozzászólás módosítva: Szept 5, 2018
Sziasztok!
Köszönet mindenkinek a segítségért. Végül is jóárasított beszerzés keretében 2 korsó sörért enyém lett a szelep és az FTC érzékelő. Üdv. joetata
Sziasztok,
Felmerült a lehetősége, hogy a nappali radiátor mellé a betonozás miatt betekerhetne padlófűtés is, új padlót kellett építeni. (rétegek:zúzott kavics, szerelőbeton,fólia,lépésálló szigetelés, hőtűkőr, háló "csövek", esztrich) jelenleg a tegyünk csöveket, vagy ne fázisnál tartunk. Sajnos a ház része nem úgy lett kialakítva kezdetben, hogy ide padlófűtést terveztünk volna. Vagyis, kb 20m2 lehetne padlófűtéses is. Ezen a körön 2 radiátor van, egy a hálószobában (16m2) egy a nappaliban (25m2). 2x 22K , ha jól emlékszem. Így a radiátor felfűti a teret, a padló meg általánosságban tovább tarthatná a meleget, vagy csak meleg lenne (laminált padlóval) Ehhez kérnék gondolatokat, tapasztalatokat, véleményt.Mivel lehetne a legkisebb helyen megoldani az összekötést? Felmerült az esbe 3 utas keverőszelep lehetősége, szivattyú nélkül működőképes lehet? vagy az oventrop rtl-t ajánlották - szakboltban. Nekem a 3 utas szelep tűnik jó választásnak, az oventrop simán ráengedi a padlócsövekre a 60 fokos vizet?! mit gondoltok? Köszönöm a javaslatokat előre is,
Sziasztok!
Mennyezeti fűtést szeretnék rákötni meglévő radiátoros rendszerre. Sokat olvastam a témában de egy pár dolog még nem tiszta és lenne egy pár kérdésem ezzel kapcsolatban hátha tudna nekem valaki segíteni megválaszolni őket. A terv a következő: A rendszeren amint a mellékelt képen is látható két osztó gyüjtő van egy a felső és egy az alsó szintnek. Ezek a radiátoros körök amiket egyébként majd szeretnék külön helyiség termosztáttal is vezérelni. A vezérlést majd egy Computherm Q8 RF rendszerrel valósítom meg! Találtam itt régebbről egy képet padlófűtés és radiátoros rendszer bekötésére! Ezt gondoltam kivitelezni. Az osztó gyüjtőket természetesen cseréleném és fel raknék még egy osztó gyüjtöt a felső szintire rákötve külön a mennyezet fútésnek keverőszivattyúval és termosztatikus szeleppel az alacsony hőmérséklet beállítása érdekében. Eddig remélem jó az elgondolásom. Na most. Vettem is ilyen osztót amin található by pass kör is és az egyik kérdésem az lenne hogy a radiátoros körnek is kellene bypass kört beépíten mint ahogy a képen látható? A kazánom egy Baxi Nuvola 240fi kondenzációs gázkazán és ebben van egy automatikus beépített bypass szelep, ha jól tudom! Ha van akkor nem felesleges a radiátoros körre rárakni még egy bypass-t? Kell egyáltalán bypass cső a mennyezeti fűtés körre?A helyiségben ahol a mennyezet fűtés van, van még egy radiátor is. Hogy tudnám megvalolsani ezek vezérlését egy termosztátról hogy jó legyen? Szerintem az nem jó ha egyszerre indulnának és állnának le mert a mennyezeti fűtéskör lassabban melegszik mint a radiátor. Arra gondoltam hogy mivel a mennyezet fűtés elég központi helyen van, a nagy ebédlőben ezért az akkor menne ha valamelyik termosztát kapcsol a házban és a radiátot az ebédlőben a helyi termosztát vezérelné! Vagy oldjam meg idő relével? Ez így működhet? Valamint aszivattyú az induljon? Indulhat a szelepekkel egy időben mikor nyitnak? A másik kérdésem pedig hogy elvileg a kazánon van lehetőség külső hömérő bekötésre amivel lehetne szabályozni az előre menő hőfokot a külső hömérséklet fügvényében és ezt lehet alkalmazni ha megcsinálom a helyiségenkénti vezérlést? Vagy van értelme foglalkoznom vele? Befolyásol az annyit a gázfelhasználáson? Előre is köszönöm a segítséget!
Szia!
Amire fontos odafigyelni, h régi vas radiátorokat használsz célszerű hőcserélővel leválasztani a radiátoros rendszertől, vagy megfelelő iszapleválasztót beépíteni. Célszerű külön szivattyúkat beépíteni a hidrováltó után. A mennyezetfűtés/hűtésnek megfelelő az esbe keverőszelep (mi 0-10 voltos motorokat használunk hozzá, ez vezérlés fűggő. ) Mennyezet fűtést nem szokták radiátorra,keverni inkább a padló+mennyezet ami elterjedt. A padló a temperáló (mindig azzal próbálunk fűteni) ha kevés akkor arra segít rá valamilyen dinamikus fűtés (fal vagy radiátor.) A vezérlési logika. Ha bármelyik kör hőt kér kinyit a hozzá tartozó zóna, majd indul a szivattyú+ keverő. Utána a hőtermelő. A magas hőmérsékletű köröknél célszerű az időjáráskövető, bár mi mindenhova teszünk.
Szia
Nem bonyolódnék bele a gondolatokba, már elöttem részben leírták. Annyit azért hozzá tennék hogy a mennyezetfűtés a leg gazdaságtalanabb, a hőnek van egy hűlye tulajdonsága, mégpedig hogy felfele száll. Ha elkezde fűteni a mennyezetet akkor meleg lesz a palfon de a komfort érzet nem fog nőni.
Új lemez radiátorok vannak felszerelve. Hidrováltót nem terveztem beszerelni. A mennyezet fűtés nek a melegvizet egyszerű termosztatikus szereppel és csőtetmosztattal oldanam meg. Csak ez a bypass ág a radiátoros körön nem világos annyira. Szükséges az ha van a lazánban is beépítve egy? Ha rakok az osztora is mint a képen látszik okoz valami fentforgast a rendszerben??
Irtad a vezérlési logikai sorrendet hogy először a zóna szelep majd a szivattyú indul utána a hőtermelő Célszerű beépíteniegy idorelet hogy ezek eltolva induljanak egymástól vagy indulhatnak egyszerre?? Mennyezet fűtés csak az előszobában, ebédlőben van és ott leszigeteltem jól a mennyezetet a fűtés csövek felett. Sajnos padlófűtést nem volt lehetőség kialakitani a házban. Remelem azért majd lehet érezni a hatását... ☺️☺️ Köszönöm a válaszokat! Szép estet!!
Akkor szükséges késleltetve indítani, ha a hidraulika olyan, hogy a szivattyú nem tudja hova nyomni a vizet amíg ki nem nyitnak a zónák.
Erre kívánom magam is átalakítani a falfütés+radiátoros rendszeremet, mert csak 3 utú keveröszeleppel nem müködik (nincs megfelelö tömegáram, elötöltés a szivattyú részére). A szivattyú keringeti ebben az esetben a bypass felé a vizet s csak annyit vesz ki a melegvízböl, amennyi épp kell.
Ezt találtam: Bővebben: Link A hozzászólás módosítva: Okt 3, 2018
Már rég volt tudom, de. Olvastam a keveröszelep adatlapját. kve 10 érték a max. nyitott állapotára értendö, ugye? Ha alacvsonyabb höfokot szeretnék beállítani, szerintem a hideg felöl kevesebb térfogatáram érkezik s az össz átfolyás lecsökken, nem?
Nem. A kvs állandó a szelepen, állandó nyomás mellett, ha jól van bekötve. És minél kisebb az átmérő, annál nagyobb nyomás kell hozzá. A 10 kvs érték nagyon nagy, az már az ipari alja. Lakásba 4-6 kvs kell maximum, mert az szabályozható rendesen, megfelelő karakterisztikával. A 10-es hirtelen nagyot nyit, nagy tömegáramra való. 2-300m2, vagy feletti padlófűtésnél már finoman tud szabályozni.
Lehet hogy nem ide kéne írnom a problémámat de a padlófűtés rendszeremmel kapcsolatban elég sok segítséget kaptam és mostani gondom is szerintem kapcsolódik hozzá és valószínűleg tartom hogy tudtok segíteni benne. Egy Vaillant HMV előállító készülékem van ami valami oknál fogva a földszintre jóval melegebb vizet küld mint az emeleti fürdőszobába. Sajnos hozzá kellett babrálnom és azt gyanítom hogy ennek következtében levegő kerülhetett a rendszerbe. Bár ez lehet hogy hülyeség... az alapvető probléma amit az előbb is írtam hogy az emeleti melegvíz jó pár fokkal hűvösebb lett mint lent. van a rendszerben beépítve egy szivattyú ami a mellékelt képen is látszik és szerintem azt a célt szolgálja hogy ha működik akkor tolja előre a melegvizet egy külön ágon keresztül. Itt kezdtem el babrálni mert szerintem ez a szivattyú nem működik csak zúg. nem szedtem szét és nem néztem meg hogy le van tapadva ezt a jövő héten tervezem valamelyik nap. ahogy hozzá nyúltam és szétszedtem elég sok víz távozott a rendszerből amit Persze utána pótoltam. Jelenleg működés közben ez az ág majdhogynem hideg talán azt mondanám hogy egy kicsit langyos. Pedig Közvetlenül a szivattyu előtt a Vaillant rendszer hez közel tűzforró cső.
Igazából azt sem tudom megfejteni hogy mi célt szolgál miért van ide beépítve. Arra gondoltam hogy talán segíti a melegvíz emeletre való feljutás át egy külön ágon keresztül hogy mikor kinyitom a csapot ne kelljen percekig folytatni hogy elérjen a melegvíz a fő ágon keresztül... Hátha az alapján amit írtam és a mellékelt kép alapján tudtok valami okosat mondani
Szinte biztos hogy a szivattyú cirkulációs szivattyú, a vezeték ami pedig a HMV-től jön cirkulációs vezeték. Mi van ha nem megy a szivattyú? Gondolom ezért ér fel az emeletre "1 hét" alatt a meleg víz? Lehet ez a magyarázat. És mi okozhatja a fent leírt problémát?
Az valóban a cirkulációs szivattyú lesz. Viszont a HMV tartály takarja a képen a csöveket, így a bekötési pontjuk nem látszik, de egy ilyen rendszer szokásos felépítésű lehet, így valószínű hogy az a beépített HMV cirkulációs szivattyú lesz. Az általad leírt hibát simán okozhatja, hogy a szivattyú nem működik ezért lehet hideg az emeleten a víz, de ha mondjuk 10 liter vizet kiengedsz akkor annak már forrónak kellene lennie. Le vannak a melegvíz csövek végig az emeletig szigetelve? Ha nincsenek a csövek teljesen le tudnak hűlni, ez is okozhat hasonló hibákat, bár ott is ugyanaz van, ha nagyobb mennyiségű melegvizet kiengedsz akkor már forró víznek kellene jönni. Egy esetet tudnék elképzelni a langyosvíz okának, ha a cirkulációs ágban nincs beépítve visszacsapószelep, vagy ez átenged záró irányba, akkor amikor engeded a melegvizet akkor a cirkulációs ágon is "jön" a víz, de ez hideg és a két ág keveredéséből, csak langyosvíz keletkezik a kiengedés helyén. Ennek kellene utánanézni.
A hozzászólás módosítva: Okt 8, 2018
A szivattyúk elején szokott lenni egy lecsavarozható takarócsavar amit levéve láthatod hogy forog e a tengelye vagy sem.
Ez jó és logikus ötletnek tűnik. Meg fogom nézni !! Addig is Doky javaslatára egy közeli a szivattyúról
Ennek bármi baja van, akkor kuka. Évek óta nem forgalmazzák. Jó pár évvel ez előtt a rotor vált el a tengelytől nekem. A szervízben kaptam bele rotort, még kapott 3-4 évet. A saválló kupak alatt van a forgórész. A vasmag tartja a helyén + o-gyűrű. A rotor a nagy fogaskerék szerű anya által összefogott házban van. Egy négyzetes keresztmetszetű tömítéssel, nem beszerezhető, vigyázni rá. Nálam volt csap alul-felül, egyszerűbb javítani.
Szétszedni lehet előröl, két csavar a vasmagban, lehúzni az o-gyűrűről a saválló kupakot. A nagy anyát eltekerve lehet a rotorhoz hozzáférni. Mindkét helyen víz és nyomás van. Sok szerencsét.
Én mondjuk 'igazi' keringető szivattyúra gondoltam..
..de ennek a nevébe beleírták a minőségét is. ![]() Sajnos se a mérete, se a csatlakozása nem szabványos ahogy látom. Részvétem.
Ez volt az oka a fenti hideg víznek amit írtál. A cirkulációs ágon jött vissza a hideg víz ami elhűtötte az előre menő meleget. Közben a szivattyút működésre bírtam. Már dolgozik ezerrel. Tényleg egy őskövület, de azt gondolom, hogy egy wifis kapcsolóról vezérelve,ami időzíthető is arra jó lesz amire használnám. Az esti fürdés előtt 10 perccel bekapcsol és megforgatja a vizet. Elég tákolásnak érzem egyébként a rendszert. Dobok egy mórickát, hogy hogyan van bekötve jelenleg.
A keringető a HMV felé tolja a vizet. A rajz is szemlélteti, hogy egy "T" -vel van valahol félúton az emelet felé becsatlakozva a meleg előre menő ágba a keringető ág (miért nem közvetlenül az emeleten?) A működése ebben az esetben úgy lesz, hogy ha működik a szivattyú akkor a "T" elágtól megszívja a HMV-től érkező meleg ágat és azt forgatja? Ha fent kinyitom a csapot akkor meg nem közvetlenül a kazántól jön majd a meleg víz (a hosszabb úton) hanem a "T"-ig keringetett résztől? Jól sejtem? A hozzászólás módosítva: Okt 12, 2018
|
Bejelentkezés
Hirdetés |









Na most. Vettem is ilyen osztót amin található by pass kör is és az egyik kérdésem az lenne hogy a radiátoros körnek is kellene bypass kört beépíten mint ahogy a képen látható? A kazánom egy Baxi Nuvola 240fi kondenzációs gázkazán és ebben van egy automatikus beépített bypass szelep, ha jól tudom! Ha van akkor nem felesleges a radiátoros körre rárakni még egy bypass-t? Kell egyáltalán bypass cső a mennyezeti fűtés körre?






