Fórum témák

» Több friss téma
Fórum » Ki mit épített?
 
Témaindító: Dióda, idő: Jan 26, 2006
Ez a téma ha úgy tetszik a mi "kiállítótermünk", nem pedig a ki mit csinált volna másképpen, mások helyett, és legfőképpen nem javítós téma. Minden készüléknek van saját témája, ott kell kitárgyalni a részleteket!
FONTOS! A kapcsolási rajzok keresésére is van saját téma, ott keressetek rajzokat!
Lapozás: OK   1486 / 1705
(#) proli007 válasza sonajkniz hozzászólására (») Szept 15, 2018 / 6
 
Hello! Én inkább jobbulást kívánok, és hogy nagyobb dobozra legyen szükséged!..
(#) sonajkniz válasza proli007 hozzászólására (») Szept 15, 2018 /
 
Köszönöm.
(#) zsoltee0001 hozzászólása Szept 15, 2018 / 6
 
Sziasztok
Mivel szigetelni kell a házat, hát csináltam egy habvágót ami tud akár 45fokba is vágni a 15centis nikecelt. Igaz élesbe még nem próbéltam, de ha keresztbe elvágja akkor hosszéba is tudni fogja.
24V-os 150VA-es trafóról megy, aliexpresszes pwm szabályzóval, antennaszerelők talán felismerik a dobozt.
Minden bútorlapvól, cseréplécből és fióksínbél van, úgy gondolom, az időjárásállóságot leszámítva fel veszi a versenyt a 100k + os gyári cuccal.
A fűtőszálat nem bonyolítottam túl, vékony drótkötélből lefontam 1 szálat, elsőre bejött.
Tolok pár képet.
Üdv mindenkinek
(#) zsoltee0001 válasza zsoltee0001 hozzászólására (») Szept 15, 2018 /
 
Még pár kép.
(#) Bakman válasza zsoltee0001 hozzászólására (») Szept 15, 2018 /
 
Ügyes. Ha jól látom, az aszisztens kicsit mérges...
(#) zsoltee0001 válasza Bakman hozzászólására (») Szept 15, 2018 /
 
Á.. dehogy, nyugodtabb mint én.
Majd még lemérem az áramfölvételt, mert úgy vettem észre az illetékes topicban ez kulcsfontosságú probléma meg amúgy is, egy 16A-es végálláskapcsoló dolgozik benne, szóval remélem sokáig bírja.
Üdv
(#) sonajkniz válasza attika hozzászólására (») Szept 15, 2018 /
 
Köszönöm.

Nem tervezek belőle cikket, mert annyi nincs benne. Végtelenül primitív szerkezet.
De, ha valakit érdekel maga a mechanika, teszek fel róla pár képet. Más feladatra is használható a linear actuátora. A szervora rögzíthető fogaskerék, és a fogasléc stl fálját is szívesen megosztom.
(#) kalmi.kalmi válasza zsoltee0001 hozzászólására (») Szept 16, 2018 /
 
Milyen anyagból van a vágódrót ?
(#) _barby_ válasza kalmi.kalmi hozzászólására (») Szept 16, 2018 /
 
Idézet:
„A fűtőszálat nem bonyolítottam túl, vékony drótkötélből lefontam 1 szálat, elsőre bejött.”
(#) kalmi.kalmi válasza _barby_ hozzászólására (») Szept 16, 2018 /
 
Kerékpárbowden egy szála is megfelelne ?
(#) Kovidivi válasza sonajkniz hozzászólására (») Szept 16, 2018 /
 
Szuper lett a pénztárca! Engem érdekelne a belső kialakítás! Köszi!
(#) _barby_ válasza kalmi.kalmi hozzászólására (») Szept 16, 2018 /
 
Szerintem igen, de azt talán nehezebb 'kiegyengetni.
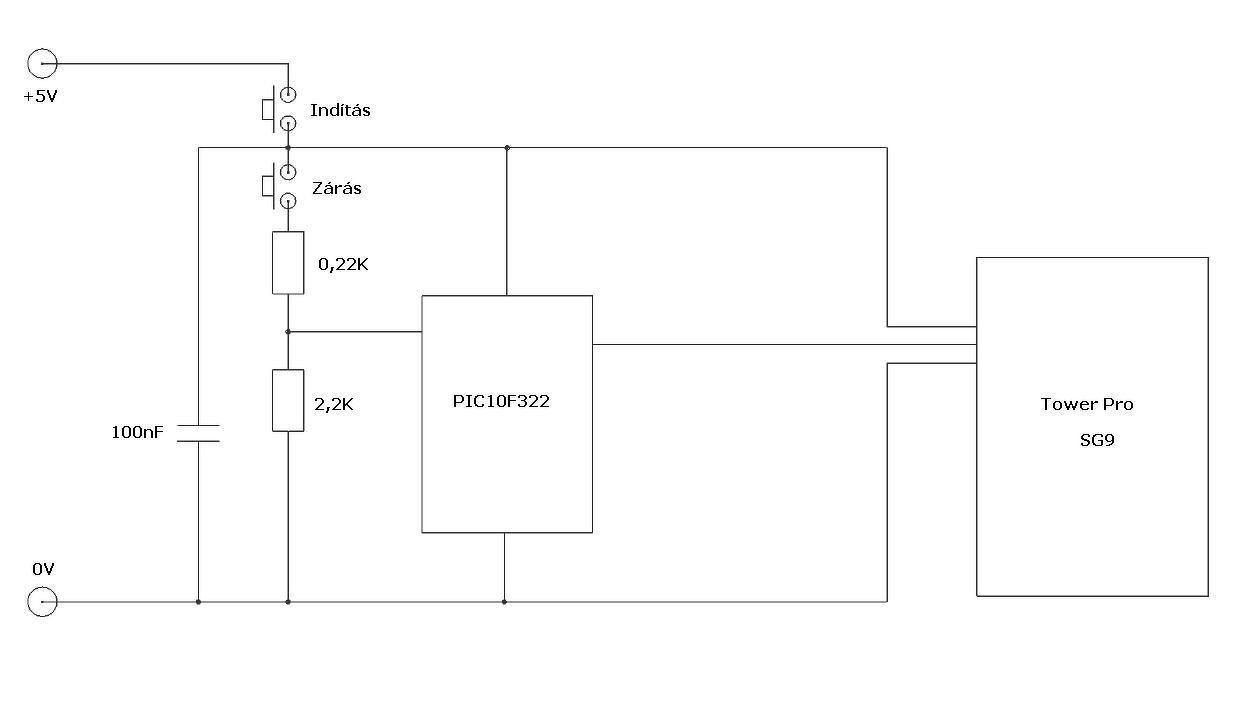
(#) sonajkniz válasza Kovidivi hozzászólására (») Szept 16, 2018 / 6
 
Szia!
Akkor ahogy ígértem, néhány kép, a kapcsolás és a nyomtató fájlok.
Némi magyarázat a nyomtatáshoz:
210 fokos nyomtatási hőmérsékletre és PLA+ szálra, illetve a zsugorodására van beméretezve a fogaskerék belső bordázata.
40%-os nyomtatási sebesség ajánlott, és egyszere kell kinyomtatni a fogaskereket a fogasléccel 2-2 példányban. Ellenkező esetben nem hülnek le rendesen a rétegek, és összefolyik az egész. A fogaslécet élére állítva kell nyomtatni.
(#) krauszkrisztian14 válasza sonajkniz hozzászólására (») Szept 16, 2018 / 1
 
A szervót hogyan lehet átalakítani 360°-osra?
(#) attika válasza sonajkniz hozzászólására (») Szept 16, 2018 /
 
A doboz STL fájl kimaradt.
Meg a PIC program ha publikus.
A hozzászólás módosítva: Szept 16, 2018
(#) sonajkniz válasza krauszkrisztian14 hozzászólására (») Szept 16, 2018 /
 
Szia!
A kihajtó tengely fogaskerekéről le kell vágni a határolót.
Ezután ki kell venni a pozíció jelző potit, és abból is ki kell szedni a körbefordulás gátlót. Igazából a potira a továbbiakban csak mint tengelyre van szükség. A poti helyére két sorba kötött 2,2K ellenállás kerül. Így a vezérlés mindíg azt hiszi, hogy középhelyzetben van, így mindkét irányba működtethető a megfelelő PWM jellel. Ráadásul még a sebessége is szabályozható.
(#) krauszkrisztian14 válasza sonajkniz hozzászólására (») Szept 16, 2018 /
 
Akkor mondjuk Arduinoval is menne így?
(#) sonajkniz válasza attika hozzászólására (») Szept 16, 2018 / 1
 
Szia!

A tető két széle egy kis utáncsiszolást igényel, mert kissé szoros.

A PIC programja assembly, de igen rövid.
  1. ;*******************************************************************************
  2. ;*                    Motoros pénztárca SG9-es szervóval                       *
  3. ;*******************************************************************************       
  4.  
  5.         LIST    P=PIC10F322     ; lista megad??sa
  6.         RADIX   hex             ; alap?©rtelmezet sz??mrendszer megad??sa
  7.         #include "p10F322.inc"
  8.  
  9.  
  10.  __CONFIG _FOSC_INTOSC & _BOREN_OFF & _WDTE_OFF & _MCLRE_OFF & _LVP_OFF & _LPBOR_OFF
  11.  
  12.     CBLOCK  0x40
  13.     IDO
  14.     MB
  15.     ENDC
  16.      
  17.     org     0x0000
  18.     nop
  19.    
  20. INICIALIZALAS
  21.     CLRF    LATA
  22.     CLRF    ANSELA
  23.     MOVLW   B'00001001'
  24.     MOVWF   TRISA
  25.     MOVLW   B'00110000'
  26.     MOVWF   OSCCON
  27.     MOVLW   B'11100110'
  28.     MOVWF   T2CON
  29.     MOVLW   D'250'
  30.     MOVWF   PR2    
  31.     CLRF    PWM2CON
  32.     CLRF    PWM2DCL    
  33.     MOVLW   B'11000000'
  34.     MOVWF   PWM2CON
  35.     BTFSC   PORTA,0
  36.     GOTO    ZARAS
  37.     MOVLW   D'40'
  38.     MOVWF   PWM2DCH
  39.     GOTO    $-0
  40. ZARAS
  41.     MOVLW   D'16'
  42.     MOVWF   PWM2DCH
  43.     GOTO    $-0
  44.  
  45.     END
(#) sonajkniz válasza krauszkrisztian14 hozzászólására (») Szept 16, 2018 /
 
Minden további nélkül.
A lényeg, hogy 15-20msecenként ismétlődjön egy 1-2msec közé eső jel. Kicsit játszani kell vele, de elméletileg 1,5msec-es jelnél áll. A 2,2K-s ellenállások szórása elviheti kicsit.
(#) Elektro.on válasza sonajkniz hozzászólására (») Szept 17, 2018 /
 
Mielöbbi jobbulást!!!
(#) Gránátalma hozzászólása Szept 17, 2018 / 1
 
Sziasztok!

Bár még nem a végleges, de már tökéletesen működő példány:
Bővebben: Link

Az eszköz arra hivatott, hogy univerzálisan bármely digitális riasztóköztpontot, ami rendelkezik WLS móddal ki\be tudjon kapcsolni webes felületen keresztül, illetve néhány főbb rendszerparamétert ismertessen a felhazsnálóval(Ilyen az élesített állapot, a rendszerhiba megléte, az aktuális riasztás, vagy az akkumlátor állapota) Mindezt egy szabvány kisméretű html lapon, amit lejárt mobilnettel is be lehet tölteni aránylag könnyedén.

Tervben van a CID és telefon app is a következő projektnek.
(#) sonajkniz válasza Elektro.on hozzászólására (») Szept 17, 2018 /
 
Köszönöm.
Rám férne.
Különös tekintettel arra, hogy az unalomtól kezd kiteljesedi az elmebajom, és már készül a következő értelmetlen projektem.
(#) JZoli válasza Gránátalma hozzászólására (») Szept 17, 2018 /
 
Ez nagyon hasznos dolog. Mennyire lesz publikus?
(#) malak hozzászólása Szept 17, 2018 / 2
 
Sziasztok!
Látom sokan kerestek ellenálláshuzalt igy megosztanám a beszerzési helyet,igaz hogy ez reklámnak minősül de ha valakinek kell ellenálláshuzal kis mennyiségben ami náluk 50dkg az nyugodtan hivja fel a Villért Zrt kistarcsa telepét.A méretek 0,15 mmtöl egészen 10mm-ig vannak
az árak olyan 9 ezer forint kilonkénr +áfa
(#) nyuszis2 válasza sonajkniz hozzászólására (») Szept 17, 2018 /
 
sSzia!
Hányadik hétben tartasz? Saját tapasztalataim szerint, a 4.-ben már elfogadható, 6.-ban már kifejezetten elviselhető, így most a 8.-ban már nem jut eszembe csak esténként.
Én az időjárásállomásom rádiójeleit fejtettem vissza pár héttel ezelőtt.
A hozzászólás módosítva: Szept 18, 2018
Moderátor által szerkesztve
(#) sonajkniz válasza nyuszis2 hozzászólására (») Szept 17, 2018 /
 
Szia!

Ne rémiszgess!
Nekem ez még "csak" a tizedik nap.
(#) Firefighter1 válasza sonajkniz hozzászólására (») Szept 17, 2018 /
 
Bal oldalt alsó kettő lengőbora porcosodásnál törött ( szerintem csak repedt)
5 hetet nyomom! ma volt az első nap hogy le tudtam hajolni a cipőmet bekötni!

Mondjuk ez sokkal kisebb "dolog"mint a tiétek de azért kemény. én nem voltam a mozgásról letiltva, mert nekem nem volt elmozdulás veszély és hasonló
( bár a doki röhögött magába amikor kérdeztem hogy akkor mehetek dolgozni! Most már tudom hogy miért!!


Kitartás!!!
(#) pjg válasza Firefighter1 hozzászólására (») Szept 17, 2018 /
 
3 hónapig feküdtem, utána 2 hónap alatt állított talpra a gyógytornász.
(#) Zeusz1212 válasza pjg hozzászólására (») Szept 18, 2018 / 2
 
Úgy érzem magam, mint az Sztk-ban, kint a padon.
(#) sonajkniz hozzászólása Szept 18, 2018 / 1
 
Sziasztok!

Amit be szeretnék mutatni, nem egy kész projekt, csupán egy része.
Sok modellszervót beleztem már ki, és alakítottam át hajtóművé. Többnyire a saját vezérlőjének felhasználásával. De akad pár vezérlőm, ami kikerült a szervóból.
Most viszont jóval nagyobb motor meghajtása a cél. Ehhez egy ilyen
motor meghajtót használok. Arra gondoltam, kipróbálom, össze lehet-e házasítani a szervo vezérlővel.
Így ugyanis a motoronkénti kettő PWM helyett, csak egy kellene.
Így sikerült.
Következő: »»   1486 / 1705
Bejelentkezés

Belépés

Hirdetés
XDT.hu
Az oldalon sütiket használunk a helyes működéshez. Bővebb információt az adatvédelmi szabályzatban olvashatsz. Megértettem