Fórum témák
» Több friss téma |
Ami készen van, azt minek szétszedni? Én úgy szoktam, az autórádiós panelekből is kis körfűrésszel a panelból azt az erősítő modult, ami nekem kell körbevágom, és azután beleteszem a rádióba, amibe szántam. Én is leszoktam már a tranzisztoros erősítők használatáról a végfokokban. Érzékenyek a tápfeszültség változásra, nem lehet úgy beállítani a munkapontot, hogy jó legyen 3 Voltról is, de ha merül, vagy Ni-Cd akkut használok, akkor már torz ne legyen. Ezek az IC-s erősítők nagyon széles tápfeszültség tartományban jól működnek, és sokat erősítenek. Soha nem gerjednek, nem torzítanak, még akkor se, ha a tápfesz. nincs semmivel elválasztva az eléje kötött rádiótól, ezeket a gondokat elfelejtheted velük. Ennél jobb erősítőd már nem is lehet.
Én is találtam egy hibás bluetooth hangszóró roncsot és kivágtam belőle a HF részét,ami 8002 ic-vel van és 3V-al nagyon jól működik.
Csak fejlődik valamit a világ, az LM386 már legalább negyven éves.
Kétségtelen, de az lm386-al lehet regeneratív vevőt csinálni,
és nem mint hangerősítő,hanem mint oszcillátorként működik benne! (Majdnem oszcillátor) Múltkor amikor említettem azt hiszem éppen te kérdezted, hogy hol van benne a visszacsatolás, amit én nem tudtam pontosan megmondani, de van egy fórum ami erről szól. A viccet félretéve, jók lehetnek ezek az újabb ic-k hogy nem hajlamosak gerjedni és elég 3v is nekik.
Ezt találtam a wikipédián:
Idézet: „The LM386 was invented by Ernie Leroy Long at Motorola in 1969. It was originally for part of a fuel injection system for a Ford Car.” https://en.wikipedia.org/wiki/LM386 Bővebben: Link Azt nem tudom a kocsi üzemanyag befecskendezésében mit csinálhatott!
Mivel "teljesítmény" erősítő, gondolom, valami elektromágnest húzgálhatott.
Volt több ilyen jóindulatú erősítő is. A TBA800 bemenete olyan jól volt megtervezve, hogy önálló rádióvevőnek is használható volt. A VT ilyeneket rakott a TV -ibe, aztán elég volt a szomszédban, vagy az utcán egy CB -s, már szólt is a TV -ben. Még hangerőt se lehetett levenni, mert a poti is az IC előtt volt.
A lm386 nem megy 3 V-al és egyszerű AB,a 8002-es hidkapcsolásos és 3 V -nál már 1,5 Wattot képes kiadni.Vagyis jobb.
A hozzászólás módosítva: Szept 22, 2018
Van egy hasonló normális ic (nem SMD),a TDA2822
A hozzászólás módosítva: Szept 22, 2018
Itt keresd,csak 100 ft,nem 400 Bővebben: Link
A hozzászólás módosítva: Szept 23, 2018
Ha a kimenetére teszel két tranzisztoros kimenetete akkor bir kapcsoló ként működni. Ha jól tudom.
A nem gondoltam volna-t arra írtam, hogy az lm386
nem hangerősítő volt kezdetektől fogva. Azt hogy rádióvételre jól használható, előttem is ismert, 2016 őszén kísérleteztem egy olyan eszközzel, ami olyan volt mint valami kezdetleges detektoros vevő, az lm386 bemenetére kis menetszámú tekercset kötöttem és arra egy kb 40 cm drótot. Fogta egy kb 1km-re levő fm adót, sőt a mobilátjátszótornyok zörejeit.
Egy kicsit sajnálom, hogy a taxik ma már nem 27 Mhz-n mennek, AM
modulációval !
Valójában ha telejssen tranziszotoros akor az igazi, úgy hogy azt is próbálgatom. de ezt is. Lassan kezd túl sok lenni a lehetőség. 3 nekem megfelelő veveő van a colpits, a Hertley oszcilátoro és a hagyományos és 3 kész erősitő ebből 1 az IC-s. Kérdés mennyire fontos a fojtótekercs használata az oszcilátor után.
Ha valaki tudja,honnan lehet még beszerezni TCA 440-es ic-t,vagy az orosz változatát K174XA2,ebből lehet épiteni egy nagyon jó SSB vevőt.
Például itt.
Bocs, utólag látom, hogy nincs raktárkészlet, azért egy telefont megér. De próbálkozhatsz ezzel is: Bővebben: Link A hozzászólás módosítva: Szept 24, 2018
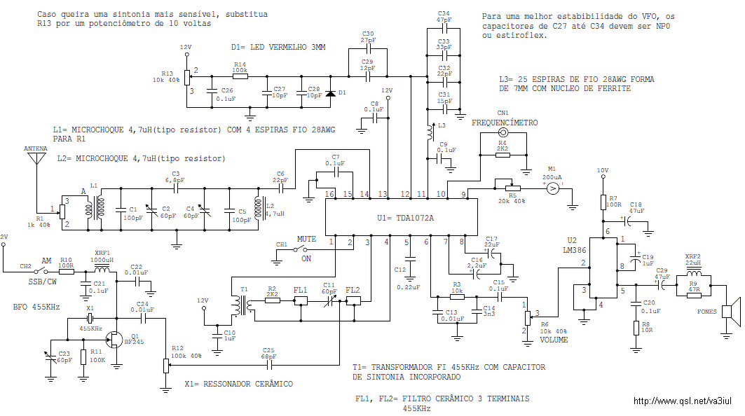
A TDA 1072 jóval olcsóbb,köszi szépen,találtam rajzot is ,eddig csak AM -nek.
A hozzászólás módosítva: Szept 24, 2018
Idézet: „eddig csak AM -nek.” SSB / CW- t (klasszikusan a VEFnél) úgy tudsz csinálni ha rá fütyülsz egy BFO-val a KF szűrője mellé. 1-2 pF kondival csatolsz be 1 -es 3 as lábainál vagy csak 1 pár centis drót darabbal (mint antenna) az IC KF fokozatai közelébe viszed a BFO jelét . Sajnos kissé zártabb a IC belső blokkjainak a huzalozása más irányú felhasználásra. Sajnos a MGC lehetősége szűkös , rókavevőnek nehezebb megoldani mert azt belső AGC lánc végzi .Amúgy biztos stabil az oszcija mert autórádiókhoz tervezték, ott meg +/- sok Celsius fokos a specifikáció.(nem régiben (2014-2015 év) szignálgenerátort is közöltek az RTben , sávonként 1 1 ilyen IC-t használtak LC oszcillátornak) A hozzászólás módosítva: Szept 24, 2018
Meg került az SSB-hez is,tulajdonképpen még kell épiteni hozzá egy BFO-t,ezt ki fogom próbálni
Már épp akartam írni, hogy a BFO -t becsatolod a KF szűrő kimenetére. Arra nem gondoltam, hogy a két kerámia szűrő közé, de talán így még jobb.
A hozzászólás módosítva: Szept 24, 2018
Sok elektroncsöves rajzban láttam, hogy leföldelik vagyis rövidre zárják a tekercs egy pontjat kapcsolóval. Tegyuk fel van 65+15 menet a visszacsatolásnál 20+5 és egy kapcsolóval lezárom, marad a kevesebb és más hullámhosszom vagyok. Ez működhet így? Próbálom rajzon szemléltetni. Végül is régen müködött de a visszacsatolt készülék rezgőköre érzékeny, kérdés be e rezeg.
Ez a legjobb megoldás,egyszerű és mégis szuperheterodin,sokkal érzékenyebb és szelektivebb,mint a dirrekt konverziós vevő,ami sokszor bonyolultabb.
Ezen kivűl még került egy autórádió roncsból kiszedett
KA22427 ic,ezzel is fogok próbálkozni.
Borítékoljak 1-2 TCA440, alias A244A-t. Listám szerint van még.
A rövidre zárt menetek zavarni fogják a mellette lévő nem rövidre zárt tekercset.(csökkenti az induktivitását , lásd tnl "egérfogóját" mint forgó kondi nélküli hangoló rövidhullámon)
Tehát más lesz az induktivitása ahhoz képest ha nem lenne mellette közvetlen egy testen(ferriten) a rövidre zárt menetek. Ezt figyelembe kell venned a méretezésnél. |
Bejelentkezés
Hirdetés |





.








