Fórum témák
» Több friss téma |
Fórum » Kapcsolóüzemű táp autóba Hi-Fi-hez
sziasztok!
A csatolt kapcsolást szeretném megépíteni! Ehez kérnék egy kis segítséget! Lényegében kapcsolóüzemű tápot még nem építettem ezért nagy kihívást jelent számomra Szóval, a problémám ott kezdődik hogy megvan minden alkatrész a kapcsoláshoz kivéve a vasmagokat!!! Nagy üzletekben érdeklődtem vasmag után, de elrijasztottak azzal hogy mivel csöves tv sorkimenőt már nem igen lehet beszerezni, csak új tipusokat tudnak ajálani. Ez nem is lenne gond csak kisebb a méretük nagyobb frekin tudnak menni ezért át kellene méretezni őket. Konkrétan az ETD sorozatú vasmagokat ajálották... Ha tud valaki okosat mondani számomra hálás lennék érte!
N27 vagy ETD49 vasakat használhatsz.
Ha van kedved kísérletezni, megpróbálhatsz bontani nagyfrekis vasat rosz PC tápból...
Szia Vicsys!
Értelek! De mi van a menet számokkal??? Maradhat ugyan az????
Tudom nem szép dolog egy másik fórumot ajánlani, de ez pont az ami neked kell:
autóhifis táp És mégegyszer sorry.
Szia!
Néz körül itt is: http://members.tripod.com/valveaudio/INFO.htm Porvasmagot a Tali Bt. -től tudsz venni. Sajnos a címet most nem tudom, keress rá a neten!
TALI Bt.
Vác Ferritek, csévetestek, transzformátorok Vác 2600 Rádi út (27) 311-060 (27) 501-220, (27) 501-221 (30) 921-2706
én is ott veszem a magokat
tali@vnet.hu Rádi út 1-3 bent at udvarban (befelé bal sarokban)
találtam "gyűrűt"
belső átmérő 15 mm külsű átmérő 25 mm falvastagsága a 5 mm és 10 mm magas a gyűrű ilyenem van 3 db, 2 db jó lesz a 4 db "U" vasmag helyet ? mágnesezhető a gyűrű, mert "tapad" hozzá a mágnes.. nem tom milyen anyaga van amugy grafit szürkés a színe.
Ferrit, és attól hogy a mágnes tapad hozzá, még nem biztos, hogy mágnesezhető. Egyébként a ferrit nem mágnesezhető...
fax készülékben volt a 230 as tápkábel erre volt rátekerve (zavarszűrés?)
Az sajna nem jó, mert 50Hz-re készült.
A kapcsitápokban lévő mag a nyerő. De én nem sz@rakodnék ennyit 1 maggal, boltban 2-500Ft. A használtat meg nehéz szétszedni, úgy hogy ne törjön el. A törött vas annyit ér mint 1 pár dingókutya vese.
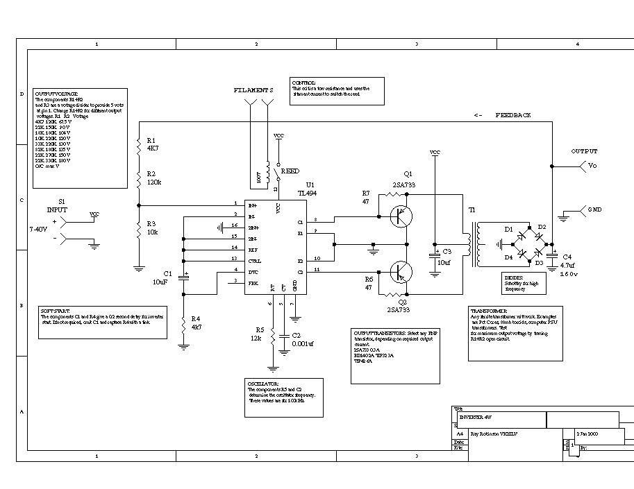
Sziasztok! A topikokat olvasva, rábukkantam jó, és kevésbé jó infókra... Ha a fenti kapcsolást megnézitek amit az elején raktam be jpg-be. Akkor tisztán kiderül, hogy olyan ferrit vas kell hozzá ami bírja a magas frekiket. Találtam is ilyet, nem túl drágán, szóval elérhető áron
ETD59 tipusú ferrit magot. A gondom ismét a számokkal van, ugyan is ez nem "U" alakú egymással szembe fordítva, ha nem "E" vasról van szó.... szerintetek a huzalozás maradhat ugyan az amit a szerző leírt!?? 2X2,5 primer. és 1X10,5 szekunder.
jóvanna vesszek, amikor rendelek, mert itt 2* es árron van minden, ha van persze..
pl 220Ft -os fet 580 ft
Megkértek arra, hogy csináljak egy 12v-ról üzemelő 2*100w vagy 200w-os végfokot(ic-t ne
), amit olcsón meg lehet csinálni, és szépen is szól. Gondoltam ezt kapcsolóüzemű táppal meg tudnám valahogy oldani . Ha valkinek lenne egy rajza, azt megköszönném.
Autóerősítő mélyládához, házilag, nagyot szóljon, mi?
Mert ha igen, akkor ezt már kitárgyaltuk...
Helló!
Építettem egy kapcsoló üzemű tápot: 555-el szaggatom a jelet 100khz-re, ezzel egy fetet hajtok meg. A trafó 3cm átmérőjü 1cm vastag és 14mm belső átmérő. A bejövő fesz most 60 volt egy trafóról mert így olcsóbb próbálgatni. Működik kb 100watt jön ki 12 volton a trafó vasa az kb 150 wattot bírna. Annyi a bajom hogy a fet nagyon melegszik, egy 5*10 es alulap kb fél perc alatt felmelegszik 50fokra, ott leszoktam kpcsolni. IRF540 et használok, próbáltam irf830-al mert az nagyobb feszt bír, és állítólag a bemenő négyszög dupláját illene bírnia. Ez be is jött valamivel kevésbé melegedett, de egyszercsak meghalt, arrra gondoltam, hogy talán a trafó rúg vissza, be raktam párhuzamosan egy shotkit a trafóval katód a + felé. errre elpukkant a réz a dióda két oldalán, pedig volt 2 amperes bizti a hálózati részen. Nem tudom mit kéne csinálni, hogy ne melegedjen, vagy ez természetes, ha csökkentem a teljesítmény 40 wattra akkor is meleg nagyon..Válaszokat előre is köszszzs
rajzot tegyél fel, a fet elé kell min 1 100ohmos állat sztem..
mért nem csinálsz 1et a tl494 -el??? és hova akkarod? ajánlom inkább a Vicsys kalács kapcsitápját ![]() itt egy egyszerű rajz
Köszszs majd lehet azt is kipróbálom, miat küldtél, de én most azt amit írtam szeretném megoldani. Az ellenállást kipróbálom joo ötletnek tűnik. A trafó viszzarúgásáról tudsz vlaamit? Amúgy miért lenne jobb azzal a tl494-es icvel? tudom az van pc tápokban ..
Sziasztok!
Nem pontosan a témába vágó kérdés de tud valaki valami magyar leírást a flyback konverterekről? miklajos
Néztem, haberakok egy 20 ohmnál nagyobb ellenállást akkor nagyon torzul a négyszögjel..a közepén szétcsúszik...
Ha a FET melegszik, az arra utal, hogy a vezérlő jelalakkal baj van, nem dolgozik tisztán kapcsolóüzemben (pl amikor monitorokat javítottam, a sorvégtranyó kollektorán lévő jelet vizsgálva megtaláltam a melegedés okát: az 1200V-os négyszögjel alján kb 3-4V magasságában egy kis görbület volt látható, amit jó matekosok ha kiszámolnak integrállal, akkor kb5..7W túldisszipációt kapunk eredményül. Ez épp elég volt 20perces üzem utáni durranáshoz a határértékre méretezett hűtőfelülettel)
Egyébként a TL494 az open kollektoros (emitteres), tehát inkább BJT meghajtáshoz jó. Inkább UC3842-t javallok.
azért lenne jobb a tl494, mert az erre tökéletes meg amugy is PWM szabályzó pontosabban
ULSE-WIDTH-MODULATION CONTROL CIRCUITS555 az csak egy mezei timer ic.. amugy a tl494-et én 273 FT-ért vettem + a 2 fet 500 volt a többi az itthol van, de majd kellene vennem normális fast diódát olyan bordásat!, mert amit kiszedtem a moncsikból azok csak 1.5A -sek ![]() pár ellenállat és kondi + a trimmer poti és kész + 1 nyák.. jah meg a traffancs ![]() Vicsys kalács táp kapcsi rajza itt: kapcsrajz-ok.jpg én ezt csináltam meg csak 2 fettel, nem kell nekem 42A-s csúcsáram +-50V on(4200W ) ez bízonyíték nem ígéret
Ja, meg miért joo, hogy földkivezetéses a primer és két tranyával van szaggatva?
mert gondolom úgy könnyebb szaggatni a dc feszkót, ha a tranyó/fet kapcsolgatja 80-100KHZ -el a testre...
én ezt következtettem le a rajzokból amik ezzel foglalkoznak... de lehet hogy nem így van.. , de fordítva nehezen tudnám elképzelni... :yes:
Üdv nekem is van egy rajzom +leírás igaz angolul van
de +lehet érteni!1 kérdésem azért nekem is lenne!A ferrit trafókra is igaz az a képlet h Up/Usz=Np/Nsz?Még nem csináltam + a tápomat,még elméleti síkon se működik a cucc
Pedig ezt már más is megcsinálta és annak biza müxik...
Milyen vasat használsz? Ha a képen levő toroid után mentél=zsákutca. Ti. szoros csatolásban kell lennie a meneteknek...Meglátásom (tapasztalatom) szerint legjobb (leghasználhatóbb) az EI vas. N27 ill. EDT49 stb...Szkóppal nézted a feteken a vezérlést? Lehet elsem indul az ic-d...Az esetek 90% a vas a bűnös...(ha nem indul elsőre)
A trafó visszarúgásról mit tudtok? Ezekben a kapcsitápokban miért nincs ellene semmi védelem? Vagy itt nem is kell ezzel foglalkozni? Én próbáltam berakni párhuzamosan egy diódát ahogy szoktak de elpukkant a réz a panelon ez pedig arra utal hogy nagy viszszáram van ...sztem
Az Up/Usz=Np/Nsz képlet pedig itt is igaz tudtommal nekem igaz volt.. a meneteket meg ki kell számolni persze ha olyan vasad van aminek tudod a fajlagos induktivitását (Al) |
Bejelentkezés
Hirdetés |




Lényegében kapcsolóüzemű tápot még nem építettem ezért nagy kihívást jelent számomra
Szóval, a problémám ott kezdődik hogy megvan minden alkatrész a kapcsoláshoz kivéve a vasmagokat!!! Nagy üzletekben érdeklődtem vasmag után, de elrijasztottak azzal hogy mivel csöves tv sorkimenőt már nem igen lehet beszerezni, csak új tipusokat tudnak ajálani. Ez nem is lenne gond csak kisebb a méretük nagyobb frekin tudnak menni ezért át kellene méretezni őket. Konkrétan az ETD sorozatú vasmagokat ajálották... Ha tud valaki okosat mondani számomra hálás lennék érte! 


), amit olcsón meg lehet csinálni, és szépen is szól. Gondoltam ezt kapcsolóüzemű táppal meg tudnám valahogy oldani
. Ha valkinek lenne egy rajza, azt megköszönném.
ULSE-WIDTH-MODULATION CONTROL CIRCUITS
)
, de fordítva nehezen tudnám elképzelni... :yes:
de +lehet érteni!1 kérdésem azért nekem is lenne!A ferrit trafókra is igaz az a képlet h Up/Usz=Np/Nsz?Még nem csináltam + a tápomat,még elméleti síkon se működik a cucc 



