Fórum témák
» Több friss téma |
Fórum » Akkumulátor töltő
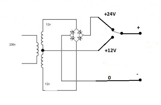
Szia! Akkor úgy van, ahogy előbbre írtam. Csatoltam a rajzot. A két tekercs nem párhuzamosodik sosem, a két végpont között mindig 24V van. 24v állásban a graetz pozitív pontjáról veszi le a feszültséget, 12V állásban pedig a két tekercs közös pontjáról. Ez lényegében egy szimmetrikus tápegység, csak nem a közös pont van kinevezve GND-nek és a két kimenet +/-12V, hanem az egyik szélső pont a GND.
( ez így a gyártónak kényelmes, hisz a töltő - a trafó - a két 12V-os tekercset párhuzamosítva tudna 12V-on dupla áramot, mint így, de akkor nagyobb graetz és a két feszültséghez különböző biztosíték kellene. Így 12V-os állásban a két tekercs felváltva üzemel. Egyik félhullámban az egyik, másikban a másik) A hozzászólás módosítva: Szept 18, 2018
Valóban így van , jól rajzoltad , én is ekképp tapasztaltam , csak rosszul fogalmaztam , végre világos , köszi szépen mindenkinek,
Sziasztok! Egy kezdő kérdés , hogy , ha egy 75 Ah autó akkumulátor töltünk , akkor csúcsokban mekkora lehet a legnagyobb felvett áramerősség ? Tételezzük fel , hogy áramkorláttal töltjük és az 10 A-os . Trafót készítek hozzá éppen és a számításokhoz kellene . Mennyi tartalékot szoktatok ráhagyni ? Nem szeretném , ha nagyon melegedne (max 70 C fok) . Eddigi eredményem , hogy a vasmag az mikrohullámú sütőből 25 négyzetcentiméter , szekunder 10 A és középmegcsapolásos 2 x 12 V . Primer 350 menet 1.2 mm-es huzal , szekunder 2 x 25 menet 3 mm-es huzallal . Szoros csatolásban alul a szekunder , felül a primer .
Egy tirisztoros töltő lesz hozzá elkészítve . Jó az egyenlőre teljesen elméleti terv szerintetek is ?
30 A-t is ki kell bírnia töltés gyanánt, a túltöltést kell elkerülni (kapocsfeszültség).
A trafó szekunderére csinálj több leágazást, aztán a próbák során meglátod melyiket érdemes használni. 17-18 volt környékén fogja tudni leadni a megfelelő teljesítményt.
A primert tedd alulra és 50 menetet még tegyél rá. 1,2-es dróttal már nagyon túlméretezed, mert a 10 amper körüli töltőáramhoz fele annyi felvett watt is elég lenne.
Arányosan a szekunder menetszámot növeld meg.. Ha a szekunder kétutas lesz a tirisztor előtt, nem kell 3-as huzal, mert 60 % keresztmetszet elég a tekercsekre az áram megoszlás miatt.
Köszönöm mindenkinek ! Felül lesz a primer , így könnyebben módósítható és jobban hűthető . Huzal az adott , így , ha elfér , akkor marad . Habár valahol volt 2mm vastagságú is . Szándékosan lesz túlméretezve , mert kisebb akkumulátorokra , már bevált a Proli007 töltő , szulfátlanító , plusz egy gyári is van . Jelenlegi autóban nagyobb az akku és sokat várni sem szeretek . Holnap neki is állok . Amennyiben a Család hagy hobbizni .
Felesleges tovább növelni a primer menetszámot. Gyárilag a 700-1000 watthoz 1-es, 1,1-es huzalból van rajta 260-265 menet aktív hűtéssel. Ehhez képest a 350 me 1,2-es huzal már hideg marad. 3-as szekunderrel kétutas egyenirányítással 30-40 A-t vígan lead.
fastaction-nak: Ritka esetben szokás alulra tenni a szekundert. Tirisztoros töltőnél feleslegesek a megcsapolások. 18 V-ra méretezett szekunderrel megfelel. Ha bikázni akarsz vele, akkor 13 V-nál vezess ki megcsapolást 2 komolyabb diódára. 80-100 A-rel rá tud segíteni az indításra. A hozzászólás módosítva: Okt 5, 2018
Ismerem pár gyári mikró üresjárati áramát, fogyasztását ilyen menetszámnál, stb..
Hűtésről még nem volt szó.. ![]() Persze mindenki úgy teker magának, ahogy tetszik.
A primer lesz alul , csak rosszul írtam . Az átlagosnál kicsivel nagyobb ez a vasmag . Megnézem , hogy fér a pakettra a huzal , aztán , ha , csak a 350 fér , kiprobálom szekunder nélkül mennyire melegszik . Nem tervezek bele ventilátort , csak hővédelmet .
Szia . Alul lesz a primer , csak tévesen írtam . Az melegedhet jobban , ha beterhelem rendesen . A két szekunder tekercs összesen lesz 24 V , mert szulfátlanító is lesz beépítve , annak nem árt a kb. 30 - 32 V .
Tirisztoros töltőhöz kevés a 12 V AC. Ahhoz legfeljebb FET-es PWM-es szabályzót használhatsz.
Sziasztok!
Van egy 4 cellás, 4.8 voltos NiCd akksim (régi laptopé) Ezt szeretném tölteni, amihez találtam is egy ilyen egyszerű kis kapcsolást, amivel elvileg tölthető a 4.8 voltos akksi: https://www.eleccircuit.com/simple-ni-cad-battery-charger-with-litt...parts/ Meg is építettem, kipróbáltam. Első körben csak 5 percig hagytam a töltőn. Lehet sikeres is a művelet, mert a laptop LED-jei már egy pillanatra felvillannak. Hosszabb ideig nem merem a töltőn hagyni, mert az R2 -es ellenállás nagyon forró, kézzel nem is lehet hozzáérni. A töltő LED-je világít, aminek egész addig kell is, még fel nem töltődik. Igaz a 20 ohm helyett 27 ohmosat használtam, mert 20-as nem volt kéznél, de mivel nagyobb is mint kellene, még inkább nem szabadna melegednie, nem igaz? Szóval szerintetek ez normális? Tölthetem így vele? nem robban fel a fenébe egyszer csak?
Nyugodtan töltheted vele, viszont feszültség kontroll is kellene.
Az ellenállást pedig cseréld le nagyobb wattosra, akkor nem lesz olyan forró.. vagy rakd össze több darabból. A töltő ledjére azért ne hagyatkozz annyira, meddig világít. A hozzászólás módosítva: Okt 6, 2018
A töltkapcsolást nem ismerem, de a leírás szerint ez a "töltő" 800 mA-el tölt. Az eredeti kapcsolás szerinti 20 Ohm-os ellenállat ezek szerint 1,6 Wattal fűt, nem csoda hogy meleg - hacsak nem komolyabb teljesítményellenállást használtál ott. Ha 20 Ohm-os nincs is otthon, 100 Ohm-osból a legtöbb hobbistánál szokott lenni a fiókban egy fél marékkal. Abból köss párhuzamosan 5-öt, az pont 20 Ohm. Én jellemzően 1% 0,6W-os ellenállásokat használok, ebből 5 párhuzamosan kötve max. 3W-tal terhelhető.
Most első körben csak nagyjából fel akarok tölteni, hogy kipróbáljam vele a szerkezetet amibe való, hogy egyáltalán jó-e.
Ha jó, akkor barkácsolok egy rendesebb töltőt, csak gondoltam rákérdezek, hogy ezt a tákolmányt rajta hagyhatom-e 1-2 órára
Így sacc 120 mA-nél több nem megy bele, akár bele is mérhetsz, aztán kapcsolj át feszmérésre. Az akku biztos bírja jópár óráig ( mAh-t ismered ).
Nekem 2-2,5 A üresjáratban, a mikrót nem épp az energiatakarékosságra méretezték.
Igen, ezért írtam péntek délután, mit tegyen vele. Gyártótól függően lehet több is.
Én ponthegesztőt csináltam belőle, arra a pár másodpercre mindegy a primer áram, a sec 2 menet és 580 A.
Cuz huzallal , csak jobb lesz az eredmény a mikró trafóval . Természetesen lomtalanítás volt hétvégén , meg munka , így , csak lebontottam a trafóról az alu tekercseit . Tegnap éjjel , csináltam neki papírbakelit csévetestet . Huzalokat előkerestem . 18 V ( is ) lesz a szekunder . Viszont a primer huzal , csak 0.7 mm vastag zománc nélkül . Duplán meg nem fogom tekerni .
Sziasztok.
Az lenne a kérdésem,hogy ha nekem csak 12V-ra /töltésre/ szeretnék készíteni egy trafót,akkor miért jobb egy középmegcsapolásos két tekercses,fél dióda hídon átengedett töltő,mit az,egy tekercses de izmosabb keresztmetszetű /mert van hely/ egész dióda hídon átengedett töltő??? A válaszokat köszönöm.
Hello! A két diódán fele annyi a veszteség van, mint a híd-egyenirányítón. Persze a kérdés, hogy mi számít és mi nem, Neked.
Szia.A híd feszültség veszteségét előre kimérve bele kalkulálom a trafó méretezésébe.Viszont ha van helyem /mikró trafó/ ,és vastag huzalom akkor melyik tekercselési mód a hatékonyabb?
Köszi.
Jelentős mértékben függ attól is, kicsi vagy nagy(obb) feszültséget egyenirányítasz. Kis feszültségnél a hídegyenirányításnál 2 diódán eső feszültség számíthat. Kétutas egyenirányításnál 1-1 diódán esik a feszültség, de a szekunder tekercsen magasabb feszültség esik. Mindig az igények és a tekercsek ellenállása határozza meg, melyik a gazdaságosabb megoldás. 12 V-nál a kétutas egyenirányítás jobb szokott lenni.
Sziasztok
Szétkaptam egy régi, házilag készült autó akkumulátor töltőt. A tirisztor a primer oldalon van. Még hasonló kapcsolást sem találtam,illetve ide olvasva sem találtam ilyesmi megoldást. Van ötletetek,hogy miért így készült?
Talán mert régen nem igen volt könnyen beszerezhető több tíz Amperes tirisztor?
Bár arról nem írtál, hogy kb mekkora töltő is ,amit szétkaptál. És hogy milyen régi is.
Ezekről nincs pontos adatom. 30-40 éve készülhetett. 10A az áramskála,de sosem használtam 4A-nél feljebb,így is csak felügyelet mellett. A szekunder oldalon a műszeren kívül semmi sincs.
Valószínű a sima fázishasításos fényerő-szabályozó elődje. Van valahol egy ilyen kapcsolásom elmentve, de abban már optocsatolóval, van szekunder jel visszavezetve. Itt talán kis trafót alkalmaztak a tirisztor begyújtására, régebbi tangonca töltőkben találkoztam ilyen megoldással.
Igen,tegnap megvizsgáltam részletesebben.
Mivel a dobozolás megfelelő a trafó is méretes valamint a műszer is pontosnak tűnik, építenék bele elektronikát. Csakhogy itt annyiféle jó megoldást látok,hogy nem tudok dönteni,hogy melyiket. |
Bejelentkezés
Hirdetés |







