Fórum témák
» Több friss téma |
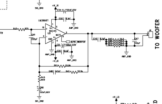
Sziasztok! Kicseréltem az LM3886-os ic-t az Alesis M1-ben, és arra lennék kíváncsi, hogy mennyire melegedhet alapállapotban? Nekem eléggé forró a hűtőborda. Működni működik. Ugye az eredeti panel gyakorlatilag forraszthatatlan volt, a hibás alkatrész kivételekor, ezért megépítettem a szerviz manuál alapján az alábbi rajzon lévő részt egy külön kis panelon, és erről vittem el a hangszórókat, kapta meg a sub bemeneti jelét, meg a tápfeszt +- 35V-ot. Szépen működni is kezdett a mély hangszóró, sőt a másik aktív monitor hangfallal összehasonlítva teljesen rendben van a hangzás, de melegszik az ic. Van-e tapasztalatotok ezen téren ilyen kapcsolással, mennyire melegedhet? Esetleg valami változtatás a kapcsolásban, lejjebb vehetné az alapáramot stb...
Szia! Az adatlap szerint 50-80 mA a nyugalmi áramfelvétele, az ±35 V tápfeszültség mellett 5 W fűtőteljesítmény ami jelentősnek számít. A biztonság kedvéért mérd meg a kimeneti egyenfeszültséget, ha az kevesebb mint 100 mV, akkor rendben lévőnek nyilváníthatjuk.
Köszönöm, megmérem! Ha megfelel a nyugalmi áram is, akkor leveszem róla a két 10ohmos tápellenállást (+-), mert eddig nem mertem rákötni a tápfeszültséget, közvetlenül, mert nem akartam még egyet megvenni, eddig ez a 3.
Egyébként nem nagyon értem mi a fenéért kell összességében 70V-ot adni neki, egy 15cm-es hangszóró meghajtásához... A hozzászólás módosítva: Dec 14, 2018
Mielőtt eltávolítanád, mérd meg a külön a két tápellenálláson eső feszültséget és kiértékeljük az eredményt.
Mindenképpen! A 10Ohmos soros ellenállásokon 0,6V ill 0,7V esik üresjáratban. A kimeneten nem nagyon mértem egyenfeszültséget, kb 2mV...
Ez tökéletesen megfelel a gyártó által közölt értéknek, szerintem rendben lesz így az erősítő.
Építettem mostanában pár LM3886 kapcsolást, és tényleg szeret melegedni. Emiatt ne aggódj.
A hozzászólás módosítva: Dec 15, 2018
Sziasztok!
Mekkora hűtőbordát javasoltok hozzá? A számítások kissé zavarosak az adatlapon és az application note-ban eltér a PDMAX meghatározása, ebben esetleg tudnátok segíteni, melyik az igazi? A mellékletekben jelöltem az eltéréseket, amit észrevettem, hogy az application note-ban a single-ended-re van megadva a számítás, de felteszem nem kell különbségnek lennie a PP kimenetűhöz képest. Az a gyanúm, hogy valamelyiket elírták, hozzátenném, az adatlapival ki sem jöt a számítás értelmes eredményre. Ha a Vcc(totalsupply)2/2*3,142*RL alapján számolok, akkor 702/2*3,142*8=31W Majd behelyettesítve az ![]() képletbe: RSA=[(125°C-30°C)-31W*(1°C/W+1°C/W)]/31W=1,06°C/W TJmax=150°C de ezen a ponton már a védőáramkör beavatkozik, ezért gondoltam, nem erre kellene számolni, hanem hagyni benne tartalékot. TAmb=30°C egy nyári napon simán összejöhet. θJC=katalógusadat, 1°C/W θCS=0,5°C/W a csillám szigetelő hőellenállása, és számoltam mégennyivel a hűtőpasztára. Ezek a számítások így rendben vannak? A hozzászólás módosítva: Dec 30, 2018
Moderátor által szerkesztve
Amit lehagytam az az IC nyugalmi áramának teljesítménye
(70*80mA=5.6W). ![]() totalsupply=Vcc+/- Így: PDMAX= 36,66W A hozzászólás módosítva: Dec 30, 2018
Én csak a saját példámból kiindulva, nagyot!
Már ez a borsa se piskóta, de nem is elég igazából (melléklet).
Elmeséled a példádat, ha megkérlek?
Szia! Ne tekintsd üzemszerű állapotnak a kivezérelhető legnagyobb szinuszos jelet. Minden műsoranyag változatos dinamikájú, legalább kettővel oszthatod az eredményt. A tapasztalok átvétele hasznos törekvés.
A költséghatékonyság érdekében alul is méretezhetsz, csak figyelned kell a borda hőmérsékletét. Túlmelegedés esetén ventilátort kapcsolhatsz, vagy leállíthatod az erősítőt.
Szia István!
Köszönöm a véleményed, megfogadom. Én is túlzásnak éreztem ezt a számítást. Egy olyan bimetálos hőelemre volna szükség, ami mondjuk 110°C foknál bont mondjuk tápot. De végül is, az IC saját termikus védőáramkörére is hagyatkozhatnánk, nem? 165°C-nál kikapcsolja az IC-t, majd 155°C-nál vissza kapcsolja (schnitt-trigger). Szerintem, nyugodtan lehet erre hagyatkozni.
Ha 8R-re méretezem, akkor Iopeak=√(2*Po/RL).
2*50W/8R=12,5 √12,5=3,53A csúcsáram. =2,5Arms. 2 csatorna van akkor az 5Arms. Ehhez szükséges 2x30VAC (+/-). 2x30VAC*5Arms=300VA. És ilyenkor még szoktunk alkalmazni egy 1,5-szeres túlméretezést. Ez véleményem szerint jótékonyan hat a hangra, de tulajdonképpen elég neki a 320VA is. Nem tudom, gyári erősítöknél mi a tapasztalat, mennyire méretezik túl a gyári tanszformátorokat?
2x30VAC? Az már 42VDC +/-. Az nem sok neki?
42-1,2V a diódákon, attól függően, hogy egy vagy két hiddal akarsz egyenirányítani.
És én használok szűrést is, arra elmegy 2x2V. HA ez nem kell akkor is itt a többi, kijelöltem neked a példákat és a leírásokat, ez alapján ki tudod számolni ~pontosan A hozzászólás módosítva: Dec 30, 2018
Tehát +-39V-os tápfesszel már szépen eljár. A stabilizálást hogy valósítod meg?
Bocsánat, félreírtam, nem stabilizálok, csak szűrök.
Felhasználói kérésre módosítva. A hozzászólás módosítva: Feb 1, 2022
Moderátor által szerkesztve
Volna esetleg bevált kapcsolásod, "oktató" anyagod az építéshez?
Sajnos nincs, én is most tervezgetek.
Az adatlapot ajánlom, illetve az application note-ot. Esetleg ezt néz meg: Bővebben: Link
Ez a "vészfék" nem használható üzemszerűen. Az IC végtranzisztorai, mint minden más végtranzisztor úgy veszítenek a terhelhetőségükből, ahogy a hőmérsékletük emelkedik. 150 °C-on 0 W-tal terhelhetők attól függetlenül, hogy szobahőmérsékleten 2,5 vagy 250 W-osak voltak.
70 °C-os bordánál ajánlatos a működés megszakítása. Nem csak az IC-ről van szó, a közelben lévő elkók is megfőnek szerencsétlenek. A borda méretezésénél induljunk ki a nyugalmi áram keltette disszpációból. Ha ez 10 °C-kal melegíti szobahőmérséklet fölé a bordát, azt már zavarba ejtően melegnek érezzük, de esetünkben még elmegy, tehát legyen legalább 2 K/W-os. Az általad belinkelt 0,68 K/W hűtőfelület kényelmesen kiszolgál két csatornát is. A hozzászólás módosítva: Dec 30, 2018
A trafónál is az a helyzet mint a hűtőbordánál, a terhelés átlagértéke nem szokta elérni csúcsérték felét sem. Az a transzformátor, ami annyi voltamperes, ahány watt teljesítmény leadására képes a rákötött AB-osztályú erősítő(k), nem fog leégni a normál használattól.
Köszönöm szépen a segítő válaszokat.
Sajnos mindkettő méretezése olyan feladat, ami kompromisszumos (mint minden )Egy kisebb borda olcsóbb de nem lesz akkora teljesítményre képes, egy nagyobb pedig a szakavatatlan használattól is megvédi. Egy kisebb transzformátor olcsóbb, ugyanakkor nem fogja tudni a névleges szinuszos teljesítményt. Ami tapasztalatom van gyári készülékkel nevesebb gyártótól, ott a csúcsáram rms értékét vették alapul és az alapján méretezték a transzformátort. Ha 2,5Arms-sel számolunk és nem számolunk rá többletet, akkor ez egy jó kompromisszum szerintem. Így a lentebb kiszámolt 300VA kellően elegendő, tudja a teljes teljesítménytartományt és kisebb kivezérléssel megvan a táp terhelhetőség-többlet is. Értem amit mondasz az 50W kimeneti teljesítmény, 50W transzformátorról, de én szeretem ha van tartalék a méretezésben. Hiszen azért építek itthon erősítőt, hogy a tömegcikkeknél elkövetett spórolásokat elkerüljem. Ésszerű keretek között. És itt jön megint az, amire felhívtad a figyelmem.
A táp számításban annyi csak a pontatlanság, hogy a kimenő áramot felváltva veszi a pozitív és a negatív tápoldalból, tehát az 5 A-t csak 1x30 V-tal kell megszoroznod.
Úgy pontosítanék, hogy a 2x50 W AB-osztályú végerősítőt tápláló transzformátor teljesítménye ne legyen kisebb 100 VA-től és (lehet, de) nem szükséges meghaladja a 150 VA-t.
Igen ez így igaz, de elmondom hogyan jött ki nekem.
Arra gondoltam, hogy mivel mindkét csatorna ugyanarról a szekunderről táplálkozik, akkor ha a jobb csatorna adott pillanatban a pozitív ágat terheli, a bal csatorna pedig a negatívat? Máskor pedig mindkettő a pozitívat? Emiatt szoroztam keresztbe. Jól gondoltam?
Amikor egy ütemben dolgozik a két csatorna, akkor egyszerre csak egyik tápoldalt terhelheti a 2x2,5 A. Ellenütemben pedig 2,5 A jut egy-egy tápoldalra.
Egészen pontos eredményt úgy kaphatsz, hogy a kimenő teljesítményt összeadod a hozzá tartozó disszipációval. Abban már azok a veszteségek is szerepelnek melyeket eddig nem vettünk figyelembe.
Bontani is lehet bordát...
Előtted 2 nappal kérdeztem meg, hogy természetes-e, hogy melegszik az LM3886-os. Meg is válaszolták itt. Úgy is eszik 5W-ot. Ez volt a saját példám
Köszi.
És hogyan számolod ki a bontott borda hőellenállását? Hogy segítsek én is, tettél fel egy kérdést: Idézet: „Egyébként nem nagyon értem mi a fenéért kell összességében 70V-ot adni neki, egy 15cm-es hangszóró meghajtásához...” Ahhoz, hogy megkapjuk a kimeneti teljesítményt, ami átlag érték lesz, ahhoz vesszük a 70Vpp rms értékét. 70/2=35/1,41=25Vrms de ebből még lejön a veszteség is, ami magán az erősítő IC-n esik, adatlap szerint ez lehet 2 illetve 3V=22Vrms. Teljesítmény: Peff=Ueff2/R=60W A hozzászólás módosítva: Jan 11, 2019
Mivel nekem csak bontott bordáim vannak, én addig szoktam túrni a webshopokat míg találok egy kb. méretre és formára megegyezőt. Annak az adatlapja alapján szoktam becsülni az adott borda hőellenállását.
|
Bejelentkezés
Hirdetés |




















