Fórum témák
» Több friss téma |
A külső poti (PA-PB) a kazánvíz hőmérsékletét állítja. Lehet, hogy túl magas, vagy túl alacsony.
Szkenneld be a panel túloldalát legalább 300dpi-vel és írd meg az IC típusát, mert olvashatatlan.
Szia! EZT megtaláltad?
Utálom ezt a hozzáállást. Mi az, amin a legtöbbet a legkevesebb munkával keresni? Hát az alaplap cserével! Cseréljük ki, teljesen mindegy, hogy rossz vagy jó, a tulaj úgy se tudja... A leírásod alapján nem is érti, hogy mit csinál. Csodálom VIM-et, olyan logikusan gondolkozik, mindenre van ötlete (és nagyon jók). Ha csak fele ennyit tudnának az átlagos szervizesek...
Ezt még sajnos nem találtam meg, köszi. A kazánokhoz, fűtéshez nem értek, nyilván a víz maximumát korlátozni kel de miért kel esetleg lejeb szabályozni?
Ehhez kel 2-3 nap.
Mivel a kapcsolási rajz nem ismert, csak tippelek: van egy termisztor (vagy másféle hőérzékelő, talán klixon), ami - mondjuk 70 foknál letiltja a működést. Ha a beállítás ennél az értéknél magasabb (vagy túl közeli), akkor előfordul, hogy - mikor másodszor indul - a már meleg víz hőmérséklete "megszalad", letilt. De az is elképzelhető, hogy az áramlás nem megfelelő (kevés a "hőelhordás"), mert - mondjuk - vízkövesedés miatt valahol szűkület van. Azt sem lehet kizárni, hogy a hőérzékelő már "fáradt" és hamarabb működik, mint kellene (bimetallos megoldásnál elképzelhető ez is).
Szia! A kazánhoz csatlakoztatva van egy HMV tároló is, amit egy háromutas szelepen keresztül fűt a kazán. A kazán egész évben folyamatosan megy.
Üdv!
Sziasztok! Segítséget szeretnék kérni hozzáértőktől. Termomax ÖV color tipusú egyfokozatú (N/E 4V) kazánunk fűtési szivattyú utókeringetését szeretném megoldani külső időzítő áramkörrel, (pl 5 perc utókeringetés a fűtési ciklus után.) Mivel a kazánban a sok madzagon kívül semmi vezérlő áramkör nincsen ezért beszereztem egy kikapcsolás késleltető áramkört amivel ez megoldható lenne, ha... a kazán fűtési ciklusa után a keringetőszivattyú csatlakozási pontján az addig ott jelenlévő 240 volt 0-ra változna. De! A gázégő kikapcsolása után ott 65 volt mérhető, csak tudnám honnan kerül oda? Bármilyen ötletet köszönettel veszek.
Tegyél a szivattyú kimenetre egy terhelést - pl: izzót - és úgy mérd: Elektronikus műszerek - mint a DMM - egy szál vezetéken is mutathat valamit.
Természetesen megpróbáltam, én is az izzóra gondoltam.
Ebben az esetben nem mérek feszültséget a csatlakozási ponton, de ha nincs ott a terhelés akkor az időzítő bemenetére kötött " kikapcsolt " fázispont 65 voltjával nem tudja elindítani a késleltető áramkört. Ergo a szivattyú folyamatosan üzemel. A szivattyú csatlakozási pontnak a kazánon belül egy kapcsolt fázisnak kéne lennie elképzelésem szerint, amit szerintem a kazán szabályzótermosztátja indít. De miért nem állítja le?
Üdv!
Van ebbe is vezérlőpanel nem csak "madzag".
Neki egyfokozatú N/E kazánja van, ez a rajz azonban a modulációs ECO B-set mutatja.
Félvezetős kapcsolóeszköz (TRIAC) működteti a szivattyút moele rajza szerint. Ebben az esetben nem kerülhető meg a kimenet terhelése. Talán egy 47k 2W-os ellenállás teljesíti a feladatot kevés melegedéssel. Ha így is van maradék feszültség, akkor csökkenteni kell az értékét a teljesítményét pedig nagyobbra választani (ohm törvény). De lehet hogy nagyobb - akár 100k - is lehet, ez attól függ,hogy a triac snubber (R-C tag páhuzamosan a főelektródokkal) kondenzátora mekkora értékű. Ha belenyúlsz a vezérlésbe - és megtalálod - akkor ki lehet venni.
Sajnos a moele féle kapcsolási rajzból nem tudunk kiindulni, mert ez egyfokozatú kazán, ahogy írtam, "madzagos" vezérléssel.
Ahogy az általam csatolt rajzon is látható. Egyáltalán nem értem miért marad feszültség a nyitott kapcsokon a fűtési ciklus leállása után. Ha onnan olyankor elvenné a fázist, az időzítő tökéletesen működne. Arra gondoltam, hogy azt a kimenetet egy 230-as relével terhelem, és azzal adom- veszem a kapcsolt fázist az időzítőnek. Gondolom a relé tekercs pont elég terhelés lesz oda. De még mindig nem értem honnan marad a 65 volt. Jó lenne egy Termomaxból mindent is tudó szaki.
Az említett R-C tag relé érintkezővel párhuzamosan is előfordul - ívoltási céllal. Legjobb lenne, ha megkeresnéd és kiiktatnád, mert könnyen lehet, hogy a 230V-os kis Finder relé is képes meghúzva maradni.
Lehet a gázszelep vezérlőből jut vissza. Nekem az alábbi módon van megoldva. Időzítő ( K2 ) + kis relé ( K1 ).
A hozzászólás módosítva: Feb 4, 2019
Köszönöm! Ez így gondolom korrekten működik. Megpróbálom egy relével, (ami itt nálad K1-nek felel meg) kapcsolni a fázist az időzítő indító bemenetén, nem beavatkozva a "madzagos" vezérlésbe, csak kihasználva a szivattyút működtető kimenetet. Remélem a gázégő leállása után a 230-as relé elenged majd azon a ponton és elindul az utókeringetés.
Sziasztok! Egy kis segítségre lenne szükségem Baxi duotech compact kazánnal kapcsolatban , egyig éjszaka megállt, a ventillátora teljes fordulaton ment viszont azon kívül se kép se hang..., annyi már kiderült, hogy a vezérlése az működik külső tápfeszről. Nagy valószínűséggel a trafoja lett menetzárlatos. Kapott egy külső tápforrást, a trafó kikerült belőle,230 csatlakoztatva, viszont így elindítva 385 hibakódot dobja be, ami az alacsony hálózati feszültségre utal, abba szeretném kérni a segítségeteket, ha valakinek lenne ilyen kazánja és lenne olyen kedves és bátor, hogy a trafo 2 szekunder oldalán a feszültséget megmérje nekem annak nagyon hálás lennék
Szia !
Hány volt lett rátéve a külső tápból ? Nálam rá van írva a trafóra prim: 230V....sec: 16.5 V
Üdv!Szeretnék érdeklödni van egy sun june 25 gázkazánom nemrég vettük a házat és szeretném beüzemelni szobatermosztáttal viszont nemtudom hova kell bekötni.sima tekerös termosztát semmi extra.képet vagy tanácsot tud valaki?
Ezzel a kazántípus megjelöléssel valami gond lehet, mert elég ismeretlen, még a googlénak is. Jobb lenne egy kép róla. A pontos beazonosítás nélkül nehéz lesz segíteni. Lehet, hogy ez valami rövidítés, de nekem nem jött át így az biztos.
24v lett rákapcsolva, de itt sajnos nem olyan egyszerű a dolog ,mert ez egy kapcsolt üzemű tápegységnek a trafoja a vezérlő penelen.
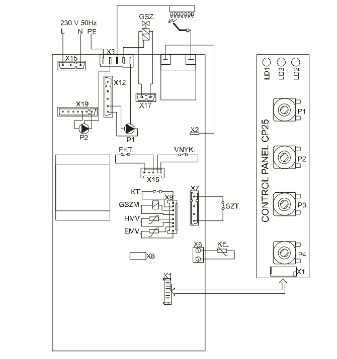
Akkor nekem másfajta panellel üzemel, itt a kép.
Igen sajnos ez nem az, nekem: hagc03-bx01 tipusú panellal van szerelve, és a kazán 3 éves kb, szóval birhatta volna tovább is igazán
A hozzászólás módosítva: Feb 8, 2019
Sziasztok!
Érdeklödnék,hogy a csoportban van valaki aki esetleg érdemben tud javitani SIT 537 ABC tüzvezérlö automatikát???? 5-6 éven belül már a harmadikat cserélték le. Van valakinek infója miért mennek ilyen gyorsan tönkre ezek az automatikák? Köszönettel várom a válaszokat,további szép napot kivánok mindenkinek. Üdv. Palotai Sándor
Szia Sándor! Mi a hibajelenség?Már jó párat megjavítottam.Mindnél a 470nf-s x2-es kondenzátor értéke csökkent le kb 180-190nf-ra.Ezért az gyújtásvezérlő elindul leáll,elindul leáll.Van még benne egy 220nf-os x2-es is,az is érték csökkent szokott lenni.
Üdv:Wurm Imi
Igen. Általános jelenség a manapság gyártott X1,X2 (kifejezetten hálózati üzemre tervezett) kondenzátoroknál a 3év körüli élettertam. Amekkora méretben készül, az nem is lehet jó. A 20-30 évesek - amelyek sokszor akár kétszer nagyobbak - ma is üzemelnek.
Kedves Imre.
Köszönöm szépen a gyors választ,a jelenség az amit leírtál pontosan. Pár éve karácsony előtt kezdődött minden azóta kb. minden második harmadik évben ugyanaz a szitu. Karácsony előtt egy vagy két nappal leáll a kazán nem kis idegességet okozva honnan kerítések szerelőt,eddig mindig sikerült is 15-20 ezer munkadij ellenében..kb 10 perc a csere plussz az elektronika. Esetleg tudsz segíteni a javításában? Már kettő vagy három áll "raktáron" hibásan. További szép napot kívánok Palotai Sándor
Szia Sándor!
Írtam privát üzenetben. Üdv:Imre |
Bejelentkezés
Hirdetés |






Ebben az esetben nem mérek feszültséget a csatlakozási ponton, de ha nincs ott a terhelés akkor az időzítő bemenetére kötött " kikapcsolt " fázispont 65 voltjával nem tudja elindítani a késleltető áramkört. Ergo a szivattyú folyamatosan üzemel. A szivattyú csatlakozási pontnak a kazánon belül egy kapcsolt fázisnak kéne lennie elképzelésem szerint, amit szerintem a kazán szabályzótermosztátja indít. De miért nem állítja le? 







