Fórum témák

» Több friss téma
Fórum » Központi zár
 
Témaindító: Zolcsi80, idő: Márc 26, 2007
Lapozás: OK   19 / 25
(#) zandriis5 válasza Inhouse hozzászólására (») Nov 29, 2017 /
 
Kedves Inhouse,
A képen látható módon van jelenleg párosítva a gyári központizár időrelés vezérlővel az utólag beépített bicskakulcsos távirányítós modul, ami szintén relézett, de csak negatív impulzus jelet ad nyitáskor, és egy másik negatív impulzus jelet ad záráskor, melléklet szerint 0,5s -re beállítva. Évek óta tökéletesen működik. Csupán annyival szeretném kiegészíteni, hogy leválasztani a bal első ajtót (sofőrajtó), hogy 1 gombnyomásra csak az nyisson ki, 2 gombnyomásra pedig a maradék 3 is. Természetesen a 2 gombnyomásra ne menjen még egy nyitó jel a bal első ajtóra. Az esetek 90%-ban csak a bal első ajtó van használva, felesleges a többi 3 motorját is dolgoztatni. Erre szeretnék kérni kapcsolási rajzot. Van mégegy 6 lábú gyári központizár vezérlő időrelém, ha esetleg az segítene, be lehetne rakni az első ajtóra. Ugyanilyen, mint a központizár távirányító mellékletben szerepel. Csomagtér külön gombbal nyitható, ez is ki lett építve.
(#) Inhouse válasza zandriis5 hozzászólására (») Nov 29, 2017 /
 
Értem...a bizonytalan működés nem a jelenlegi bekötésből, hanem ebből a leválasztás megoldásból adódik majd...a bistabil relé nagy valószínűséggel kevés ehhez.
Mutatom a rajzot, de a gyakorlatban valószínűleg így nem fog stabilan működni.
A 1. verzió a bistabil relével, a 2. verzió jelöli a vezető felőli kp. zár motor mikrokapcsolójának érintkezőit. Ilyenkor értelem szerűen a bistabil kimarad, és ezzel az érintkezővel bekötve helyette ugyanúgy.
(#) Inhouse válasza Inhouse hozzászólására (») Nov 29, 2017 /
 
Sőt, tovább bizonytalanságot hozhat, hogyha hamarabb vált át a közé iktatott érintkező, mint hogy megszűnne az impulzus...ilyenkor az átváltott irányba is megy valamennyi.
A motorba épített érintkezőnek van valamennyi késleltetése, vajon elég-e? A bistabilnak van-e? Ha nincs, akkor a bistabilt nem közvetlenül kellene kapcsolni, hanem egy késleltetőn keresztül...de már annyi ha van, meg bonyolítás, meg költség, hogy talán jobb lenne venni egy olyat, ami ezt tudja alapból...
A hozzászólás módosítva: Nov 29, 2017
(#) zandriis5 válasza Inhouse hozzászólására (») Nov 29, 2017 /
 
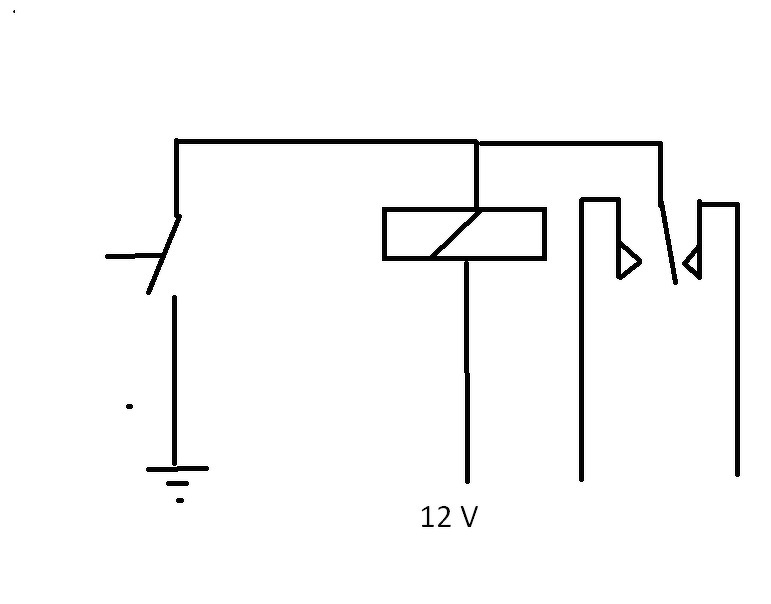
A mechanikus bistail relé záráskor alapesetbe visszavált-e, vagy az újabb nyitáskor a többi 3 ajtóval kezdi? A képen látható típusú.
A hozzászólás módosítva: Nov 29, 2017
(#) Inhouse válasza zandriis5 hozzászólására (») Nov 29, 2017 / 1
 
Na, ez a következő anomália...ez így nem vált vissza. Bele lehetne bonyolítani, hogy a bistabil mellett a vez. felőli zár érintkezője alapján kapná a bistabil a záró impulzust is, de az megint okozhat további gondokat...
Proli007 tudna neked egy olyan lehetőségekhez mérten egyszerű áramkört tervezni, ami megkapná a nyitó/záró impulzust, a vez. oldali motor mikrokapcsolójának érintkezőit, tápot, és meg lennének a kimenetei a vez. felőli motorhoz. ill, a maradék három vezérlőjéhez, de ehhez NYÁKot kellene készítened, be kell építened az alkatrészeket (IC is lesz benne), stb. Ja és meg kell előtte környékezned, hogy elvállalja.
A hozzászólás módosítva: Nov 29, 2017
(#) zandriis5 válasza Inhouse hozzászólására (») Nov 29, 2017 /
 
Ez volt a múltkori kivitelezhetőségen a legnagyobb problémám, hogy nem váltott vissza.
2 db gyári központizárvezérlő monostabil relés dobozzal is kísérleteztem a bistabil relével együtt, nem sok eredményt hozott.
Érdekességképp megjegyzem, hogy múltkor épp Suzuki Ignist javítottam, és annak gyári központizár vezérlője tudta ezt a dupla nyitás funkciót a gyári 2 gombos távirányítós kulcsáról.
(#) zandriis5 válasza Inhouse hozzászólására (») Nov 29, 2017 /
 
Gondolkoztam az áttervezésen. Lehet egyszerűbben is meg lehet valósítani. Lekötöm az 5 vezetékes első ajtó motorját. A gyári központizár vezérlőt kiegészítem a képen látható léptető ic-vel, hogy minden második gombnyomásra dolgoztassa meg a 3 db többi motort, záráskor a reset lábra kötöm a relét meghúzó impulzust, így alaphelyzetbe állítom a következő nyitásig. Az első ajtó 5 vezetékes motorját bekötöm egy ugyanolyan monostabil központizár vezérlő duplareléves dobozzal, ami a gyárival megegyezik. Mivel az első motor 5 vezetékes, így az ha a második gombnyomásra is kap negatív impulzust, nem fog zavart kelteni, hiszen a mikrokapcsolója felső állásba kerül, ergo nem fog nyitni. Jó az ötlet?
A hozzászólás módosítva: Nov 29, 2017

cd401704.png
    
(#) Inhouse válasza zandriis5 hozzászólására (») Nov 29, 2017 /
 
Ez így már életképesnek tűnik, de a számláló IC és a kp zár vezérlő házasítása még kérdéses. Bele kell nézni, hogy milyen megoldású és tiltási lehetőséget kell keresni. A 4013 csak két állapotú, felesleges a 4017-es számláló, kettőig számoláshoz.
Az 5 vezetékes motorhoz kis költségvetéssel építhetsz vezérlőt, van fenn rajzom.
A hozzászólás módosítva: Nov 29, 2017
(#) zandriis5 válasza Inhouse hozzászólására (») Nov 30, 2017 /
 
Találtam HEF40106BP L8E9T9 ic-t, vélhetően ezzel is meg lehet valósítani a léptetést. Viszont tegnap este még mélyebben átgondoltam, és lehet eddig túl bonyolutan közelítettem meg, hiszen 2 db gyári centrálzárvezérlővel és egy darab 0,5s időrelével meg lehetne valósítani ezt a kapcsolást. Az első központizár vezérlő a bal első 5 vezetékes motorra kapcsolódna kizárólag. A masodik vezérlő pedig a többi 3 zármotorra. Zárási negatív jel közös, nyitási külön választva. 1 gombnyomásra az első vezérlő kap negatív jelet, a zár kinyit, és ezzel egy időben a 0,5s morze időrelé meghúz, megszakítja a másik vezérlőre menő negatív jelet. Elejt az időrelé, és ez már nem is fog a következő zárásig dolgozni, mivel a meghúzójelet csak addig kapta, amíg a bal első motorra érkezett pozitív. Megnyomom mégegyszer a gombot, megkapja mindkét vezerlő a negatív jelet, kinyitja a többi ajtót. A két vezérlő nyitás jelvezetéken egy 1N007 dióda lesz. A zárás vezeték közös.
(#) Inhouse válasza zandriis5 hozzászólására (») Dec 5, 2017 /
 
Sok mindennel meg lehet csinálni, amiből bistabil multivibrátort lehet építeni...
Idézet:
„a zár kinyit, és ezzel egy időben a 0,5s morze időrelé meghúz, megszakítja a másik vezérlőre menő negatív jelet. Elejt az időrelé, és ez már nem is fog a következő zárásig dolgozni, mivel a meghúzójelet csak addig kapta, amíg a bal első motorra érkezett pozitív.”
Ezt te lehet, de én nem értem. Hogy is néz ki egy ilyen "időrelé" és hogyan működik?
(#) zotyam hozzászólása Máj 27, 2018 /
 
Tiszteletem!
Központi zár-riasztó szakembert keresek Galaxy _99. 1,9. TDI.-hez.
Esztergom, Szob, Vác környékén.
Autó indul, két első ató kulccsal nyílik,többi nem.
Táv nem működik, nyitásra,indításra, riaszt mindíg, ablaktörlő csak gyorsban megy, napi kilóméter nullázódik minden leállításnál, refi váltó nem vált. piros lámpa gyujtáson villog.
Egyelőre ennyi!! Ha valaki tud szakit vagy megoldást kérem NE tartsa magában _Ossza meg velem információit. 06 30 3432403.
(#) belepes hozzászólása Szept 8, 2018 /
 
Sziasztok!
Azt szeretném megoldani, hogy egy gomb pillanatnyi lenyomásával két relé egyike (1-es relé) behúzzon, ha elengedem elengedjen. Ha a gombot megint megnyomom a másik relé húzzon be (2-es relé), ha a gombot elengedem ez is elengedjen, majd ha a gombot megint megnyomom akkor megint az első (1-es relé) húzzon be és így tovább. Az nem érdekes hogy ha a táplevételre elfelejti hogy melyik relé volt utoljára behúzva. Az autóm központi zárját szeretném így vezérelni, aminek 2 kábelén negatívot vár, és attól függ az ajtó zárása-nyitása, hogy melyik kábelen kap negatívot ("A" kábelen nyit, "B" kábelen zár). Sajnos csak 1 szabad nyomógombom van a célra, tehát billenő kapcsoló - amivel tök egyszerű lenne - nem áll rendelkezésre. Van erre valakinek valami ötlete? Szeretem az egyszerű megoldásokat.
Köszönöm.
(#) Gafly hozzászólása Szept 8, 2018 / 1
 
Egyí?
(#) kaqkk válasza belepes hozzászólására (») Szept 8, 2018 /
 
http://www.farnell.com/datasheets/1717968.pdf A két relé közti váltást evvel meg tudod oldani , és mondjuk egy 555 ic monostabil kapcsolásban lehet az időzítő . Vagy ha elegánsabban akarod megoldani akkor egy 8 lábú pic és két relé (abban is tudok segíteni)
A hozzászólás módosítva: Szept 8, 2018
(#) proba válasza belepes hozzászólására (») Szept 8, 2018 /
 
Szerintem egy váltó érintkezős bistabil relél elég lehet. A gomb által adott föld a tekercsre és a váltó érintkező közepére kötve vezérlőszálnak teljesen jó lesz az érimtő.
A hozzászólás módosítva: Szept 8, 2018
(#) kaqkk válasza proba hozzászólására (») Szept 8, 2018 /
 
Na mi van a linkem alatt??
(#) Doky586 válasza belepes hozzászólására (») Szept 8, 2018 /
 
Ajánlás: https://www.hobbielektronika.hu/forum/rele-kerdes
(csak nem veszi be az ajánló)
(#) proba válasza kaqkk hozzászólására (») Szept 9, 2018 /
 
Nálam rákattintva egy üres lap . most hogy mondod kimásolva már jó, hogy miért ne kérdezd.
A hozzászólás módosítva: Szept 9, 2018
(#) belepes válasza proba hozzászólására (») Szept 9, 2018 /
 
Erre én is gondoltam, de ha így csinálom meg, akkor ki-be zárja az ajtókat, hiszen nincs közötte várakozási idő.
(#) proba válasza belepes hozzászólására (») Szept 9, 2018 /
 
A gombnyomás idejére ad földet a kijelölt pontra, pontosan mint a billenő kapcsoló. Mihez kell várakozási idő? Benyomod a gombot, amíg nyomod impulzus az aktuális ágon, felengedted szünet mindkettőn , ismet megnyomod impulzus a másik ágon, felengedted szünet. Egy buktatója lehet, a jelfogó behúzási idejére az előző állapot kap vezérlést. ez néhány tized másodperc. Szerintem még ismétlő jelfogó sem kell, ha a vezérlő elviseli a bemeneten a 12V-ot. (ha meg nem, egy dióda is elég lehet a bemeneti közössel sorba.)
(#) proli007 válasza belepes hozzászólására (») Szept 10, 2018 /
 
Hello! Számodra ez vagy egyszerű, vagy nem. De majd eldöntöd..
(#) belepes válasza proli007 hozzászólására (») Szept 14, 2018 /
 
Ez jó lehet, még próba nyákon is egyszerű összerakni. Ki is fogom próbálni. Köszönöm.
(#) belepes válasza proba hozzászólására (») Szept 14, 2018 /
 
Szerintem nem értjük egymást. Tudsz rá kapcsolási rajzot küldeni? Akkor lehet megértem mit mondasz.
(#) proba válasza belepes hozzászólására (») Szept 20, 2018 /
 
Kb így gondoltam, egy tárolós jelfogóval:
A hozzászólás módosítva: Szept 20, 2018

gomb.jpg
    
(#) rcrajmund hozzászólása Feb 16, 2019 /
 
üdv. fórumtársak! opel corsa b 3ajtós 1998 évjárat. univerzális központizár bekötése a segítség ha valaki konyít hozzá???!! a képeken a gyári csatlakozó...a cetlin az univerzális bekötési rajza. a színek nem egyeznek!! mielőtt nekikezdenék barkóbázni mit hova kell...gondoltam valaki már tudja és segít nekem!!! előre is köszi!
(#) Uviktor válasza rcrajmund hozzászólására (») Feb 16, 2019 /
 
Szia,
Először is tisztázzuk,mi a feladat?
Működik a gyári kp.zár és szeretnéd távirányítós vezérlővel vezérelni,vagy valami hiba van a gyári renszerben,és szeretnéd kiváltani?
Mielőtt nekiállsz,ellenőrizd a 3.ajtó gumi átvezetőben a vezetékeket,típus hiba hogy eltörnek.

Ha vezérelni szeretnéd:
Gyári csatlakozó:
A barna-piros és barna-fehér a két negatívos vezérlés.
Vastag barna:test
Vastag piros:+
A fekete alapúak a motor vezetékek(nyit,zár,retesz),ne köss ide semmit.

Vezérlő
Zöld:negatív kimenet ablakhúzó modulhoz vagy gyári komfort záráshoz zárásra kb. 30s-ig aktív.N.C.
Kék:negatív csomagtartó nyitó impulzus(Opelben nyit-zár motor van a csomagtartón)N.C.

Barna:irányjelző (autóban fekete-zöld)
Barna:irányjelző (autóban fekete-fehér) ellenőrizni!
Fekete:test gyári csati vastag barna
Piros:+tápfesz.gyári csati vastag piros. (Ha nincs a kötegen biztosíték,tegyél mindenképp!)

Vezérlés:
Sárga és sárga-fekete:test
Fehér: záró
Fehér-fekete:nyitó
vezeték,(amelyeket az izzós próbalámpán keresztül meg tudsz vezérelni.)
(Gyári csatlakozóban a barna-piros és barna-fehér )
Ha fordítva vezérel,csak cseréld meg a fehér és fehér-feketét.
Fehér:gyújtás Szerintem ne kösd be.
Automatikusan zár gyújtás után...és ha elfelejted,és jeget kaparsz?
Saját felelősségre kösd be.
És nehogy összekeverd a vezérlés sorban levő fehérrel!

És persze minden pontot ellenőrizz,kicsit fáradt vagyok.
(#) Uviktor hozzászólása Feb 16, 2019 /
 
Idézet:
„ellenőrizd a 3.ajtó gumi átvezetőben a vezetékeket”

3.
Értsd harmadik(csomagtartó.)
(#) patrick97 válasza Uviktor hozzászólására (») Feb 16, 2019 /
 
Sziasztok!
Érdeklődnék hogy van e rá mód ara hogy a kp zár kinyitásakor a belső lámpa is felkapcsoljon kb 1percig (hogy a sötétben megtaláljam a parkolóban) de ez változhat és amikor a kulcsot beteszem a kulcs kapcsolóba majd 1 állásba azaz ACC (Rádió, szivargyújtó) állásba kapcsom lekapcsoljon? ha van is rá mód akkor a helyszűke az gond lenne. A ""Régi"" kpzár vezérlő ami csak simán kulcskapcsolós se index de távadós módot nem tudott, azt most átalakítottam DRL vezérlőnek, 8 p-s csatlakozója van én abból 5-öt felhasználtam így 3db PIN maradt, én úgy számoltam hogy ez a 3 pin elég kell legyen : 1.KP zár , nyitás funkció szál (+/-) , 2.Pin az ajtó kapcsoló ami a belső lámpát használja itt kéne letestelni, a gond hogy a kp-zár vezérlőt 1db 5 lábú Denso micro Relé vezérli, értelem szerűen ha nyitva van az ajtó akkor meghúz a relé . 3Pin a fehér-fekete vezeték ACC (+) - ha áramot kap ekkor kéne a belső lámpának lekapcsolnia!
Kicsit késleltetni kéne úgy 5-6 másodpercet, hogy felkapcsolja a belső lámpa fényét. , mert ha kinyitom távadóval akkor úgye a motor kap áramot és az indexek villognak 2x (5-6 mp késleltetéssel kapcsolna fel az elég kell legyen.)
A hozzászólás módosítva: Feb 16, 2019
(#) Uviktor válasza patrick97 hozzászólására (») Feb 17, 2019 /
 
Szia,
Bevallom őszintén,hogy nekem erre van egy erre a célra tervezett,PIC-el vezérelt köröm.

De amit leírtál,azt a legegyszerűbben egy bistabil relével(+ 1 diódával) meg lehet valósítani.
Nyitó vezérléssel(dióda hogy csak a vezérlőtől jöjjön jel,a zártól ne)bebillented a bistabilt,(és hogy ne húzzon az ellentétes oldali tekercs) pl.önindítóval ki.
De persze itt sok és/vagy függvényt figyelembe kell venni,mi van ha nyitás után meggondolod magad és mégsem indulsz,akkor behúzva marad...össze kellene diódázni a záróval,ááh...
Végtelen kör,én ezért terveztettem meg a fent említett tökéletes belsőtér világítás vezérlőt.

De végül is ha egyszerű 2X negatív vezérlésed van,átállítod a vezérlőt hosszú időre,és diódákkal átviszed a beltér lámpára.
Bonyolultnak hangzik,de ne az.
(#) rcrajmund válasza Uviktor hozzászólására (») Feb 17, 2019 /
 
Hálás köszönet! A leírásért!!! Igen csak vezérelni akarom távirányítóval!!! Ha valami mégsem megy majd írok. De szerintem menni fog!!! Mégegyszer köszi!!
Következő: »»   19 / 25
Bejelentkezés

Belépés

Hirdetés
XDT.hu
Az oldalon sütiket használunk a helyes működéshez. Bővebb információt az adatvédelmi szabályzatban olvashatsz. Megértettem