Fórum témák
» Több friss téma |
Fórum » Elektromos fűtés
Koszonom
Igen garancialis de Amazonrol rendeltem. Csak gondoltam esetleg van valami otlet hogy valami biztonsagi kapcsolo kioldott ...... vagy nem tudom.
Fényképezd le, szétszedve is, azután vagy tudunk rá mondani valamit vagy nem.
Nemrégen javítottam lapradiátort, annak a biztonsági termosztátja szakadt meg. (500 Ft) Nem lehet, hogy az új radiátoraid túlmelegedtek? Amazon hogyan kezeli a garanciális problémát?
Sziasztok
Gépész létemre az elektromos készülékekkel nem sok tapasztalattal rendelkezem, konkrétan nulla. Egy barátom építkezik és mivel a tavaj igényelt gázra azt mondták neki hogy 2021 dec. 31-ig bármikor beköthetik, így arra jutottunk hogy készítünk egy elektromos kazánt " lesz ami lesz alapon". Az eredmények: 67nm a lakás, 2x 10nm szoba egy egy radiátorral és a visszatérő megtekerve, fürdő/WC 10nm padlófűtés és egy 450/1180 csőradiátor, nappali/előszoba 30nm jelenleg csak a padló megy a rdiátor még nincs feltéve. A kazán egy 200-as cső 50cm hosszú és egy 3x2000W-os cekász, kazán jelenleg 70fokig tud fűteni, utánna lekapcsol és visszahül 65fokig, a padló keverőszelepes és 38fokos előremenő van belőve. Az öröm hogy van fűtés és folyhatnak a belső munkálatok (januárban készült el a rendszer). Az épület adottsága: 30cm vastag itong és 15cm hőszig, 3 kamrás nyílászárók, és 30cm gyapot a födémen. A rendszer 3 körre van osztva külön termosztáttal, 1-1 szoba és a nappali, a fürdő/WC bármely körrel párhuzamosan megy. Üröm: nagy a fogyasztása, jelenleg 40e Ft a villanyszámla. Én modtam hogy még kell a radiátor a nappaliba, illetve jó lenne ha nem hordaná be a vizet a festő, de még a belső munkálatok folynak. A rendszer felépítése minimalista elveket követelt mert mint tudjuk a pénz a leg kevesebb és a szerencsétlenség hogy elöttem két gépésznek magát nevező kokler dolgozott és abból kellet valami használhatót kihozni kis költségből. Esetleg van valakinek hasonló rendszerrel valami más tapasztalata? Remélen nem olyan kaotikus mint ahogy én gondolom.
A villany fűtés sajnos drága. Ha nem ilyen jól szigetelt ház lenne még többe kerülne.
Szia!
Nekem csak villany fűtésem van egy 140nm-es 2 szintes házban, és nekem nincs 40 ezer a fűtés számlám.. Nálam csak padlófűtés van minden helyiségben, és a vizet maximum 32 fokra melegítem a 9kW-os compact eplus kazánnal és így 22 fokra melegítve a napi fűtés ára kb 1000 Ft. A falakon 16 centi grafitos szig.
Egyelőre sok fűtés kell, mert még sok a víz a falakban. Egy nyár után már másképpen fog viselkedni. Ilyen háznál a két legnagyobb helyiségbe két 3,5 kw-os klíma harmadára-negyedére tudja csökkenteni a fogyasztást (számlát). Ekkora számla mellett 1 klíma 1 év alatt megtérül. A levegő mozgása miatt gyorsabban is száradnak a falak.
Ha volna levegő-víz klíma (hőszivattyú) a padlófűtéshez, még gyorsabban. Csak annál nagyon oda kell figyelni az árra.
Viszonylag kis fogyasztással orvosolható a nagy páratartalom. Mobil, kompresszoros páramentesítővel. 300 - 400 W-os is már csodát tud művelni 24 - 48 óra alatt.
Idézet: Ez se feltétlen igaz, én tavaly építettem a házat szintén januárban lett kész, és csak az első hét volt kb 2000Ft/nap utána szépen visszament 940 1100 közé. a páratartalmat mi egy csomó kapott páramentesítővel oldottuk meg, még a tescos 5000Ft-os is napi 4-5 litert kiszívott. „Egyelőre sok fűtés kell, mert még sok a víz a falakban.”
Ha nem távolítják el a vizet, mint te, akkor nem szárad ilyen hamar.
Idézet: „A villany fűtés sajnos drága. Ha nem ilyen jól szigetelt ház lenne még többe kerülne.” Bizony, nálam silány a hőszigetelés, elavultak a nyílászárók. 80m2 = 73000-res számla jött ki. Karácsony, ünnepek, ajtónyitogatások, szülinap, sokat otthon ültem, +sütésfőzés 23-25 fokokat csináltam. A hozzászólás módosítva: Feb 20, 2019
Szia.
Ezt nem értem. 200-as cső. Hogy érted? 200mm az átmérője? Ha igen, azt teljesen feleslegesnek tartom, illetve a 70°C járatást. Valahogy úgy kell belőni, hogy 20-22C szobahőmérséklet eléréséhez 45-50°C víznél ne legyen több, mert az rengeteg energia. A padlófűtés az jó, ott nem i kell több 35°C nál, mert úgyis sokkal nagyobb a hőleadó felülete. Lehet a radiátorokat nagyobbra kéne cserélni, ha van mód rá.
Igen 200mm, Egyenlőre még próbálgatjuk a rendszert azért emeltem fel 70fokra.
A radiátorok így is túlméretesek a ház szigetelését figyelembe véve.
Nekünk a tervező mondta, hogy vagy ez vagy küzdhetünk a penésszel. Most már be lett üzemelve a hőcserélős légkezelő rendszer, így ezt a problémát megoldja. Mellesleg egy ilyen becsomagolt házba már erősen ajánlott is ez.
Szerintem is nagyon magas az előremenő hőfok, szükségtelen ekkora. Ha optimalizálni szeretnél, jó ötlet a voodoo által alkalmazott adatgyűjtés, sok mindenre fény derülhet.
Sziasztok.Van e lehetőség fa tüzelésű bojlerbe be épített fűtőszálat napelemes árammal felfűteni.
Lényeg,hogy ne keljen nyáron is fával melegíteni a vizet benne.Mi kellene hozzá,hogy ne a hálózati áramról menjen a fűtés? Van e valami jó ötletek,ami ki vitelezhető lenne? köszönöm. A hozzászólás módosítva: Márc 2, 2019
Igen, lehet. A bojlerbe szerelt betétre akár közvetlenül is rá lehet kötni a napelemet, ha annak a max. feszültsége nem haladja meg a betét tűréshatárát. Persze kell közbe egy termosztáttal-hőkapcsolóval vezérelt nagyáramú DC relé, amivel meg lehet akadályozni a túlfűtést. Kicsi jobb hatásfokot lehet kihozni, ha MPPT-s töltésvezérlőt és hozzá méretezett fűtőbetétet használsz.
Én inkább közvetlenül vizet melegítenék.
Ez van az áramról a bojlerbe be épített fűtésről.de be van építve eleven a fűtés szabályozására egy hőfok szabályzó is ami elméletileg 80 foknál kikapcsol.Ezzel lehet szabályozni a hőfokot mikor kapcsoljon ki.én már a 230 v-ot rá kötöttem és nem volt vele semmi gond.csak így éjszakai áram nélkül sok a fogyasztása nagyon.ezért gondoltam a napelemes megoldásra.
Kérdés még,hogy a megadott adatokhoz ami szerepel a képen,mekkora napelemre lenne szükség és mi kellene pontosan a be üzemeléshez?Annyira nem vagyok járatos ezekbe sajnos. ezért kérem a tanácsotokat itt akik értenek hozzá. Köszönöm. A hozzászólás módosítva: Márc 3, 2019
Szerintem egy legalább ekkora rendszer kell, ha egész évben használnád és nem csak nyáron. Rosszabb napokon ez is kevés lehet.
Én is Gafly megoldását javasolnám. Olcsóbb, és hatékonyabb is, mint konvertálgatni, alakítgatni. Ha a napkollektort (vagy a hőtárolóját) sorbakötöd a fatüzelésű bojlereddel, és kevés melegvizet ad a napkollektor, akkor egyszerűen ráfűtesz a fatüzelésűvel, még mindig kevesebb tüzelőanyag kell, mintha a hideg csapvízből kéne felfűteni. Persze a vezérléseket össze kell hangolni.
Mennyi egy ilyen ára tokkal vonóval? Gondolom dani-1 -nek az sem mindegy.
Nem akar visszatáplálós rendszert, tehát ez nem megoldás.
Nekem is van napkollektorom, most már tizen+ éve működik. sokszorosan megtérült az ára. Ellenben egy új rendszer a mai árakon drágább, mint napelemmel elérni ugyanazt.
Sziasztok! Ferroli 9KW-os villanykazánunk bizonyos időközönként,kedvétől függően kiírja az A08 hibát. Ilyenkor törlöm a hibát,illetve resetelem is,újra indul,megint fűt.. nincs rajta boyler,külsőérzékelő,padlófűtés. A kezelési útmutató szerint ki lehet kapcsolni ezt a funkciót,csak éppen a programozásnál ez nem található. ..P9-et írnak,közben P8-ig van..
Ismeri valaki ezt a tipust,hibát,megoldást?
Ez a hiba akkor is fent áll, ha simán fűtesz és a víz hőfokat 10 perc alatt, nem emelkedett 3C ot.
Ez lehet NTC hiba.
A gondom csak az,hogy miután nem kapcsol be,nincs fűtés...a kérdés arra iránylit,hogy ki tudom-e valahogy kapcsolni,iktatni,hogy ne jelezze hibának!
Sziasztok!
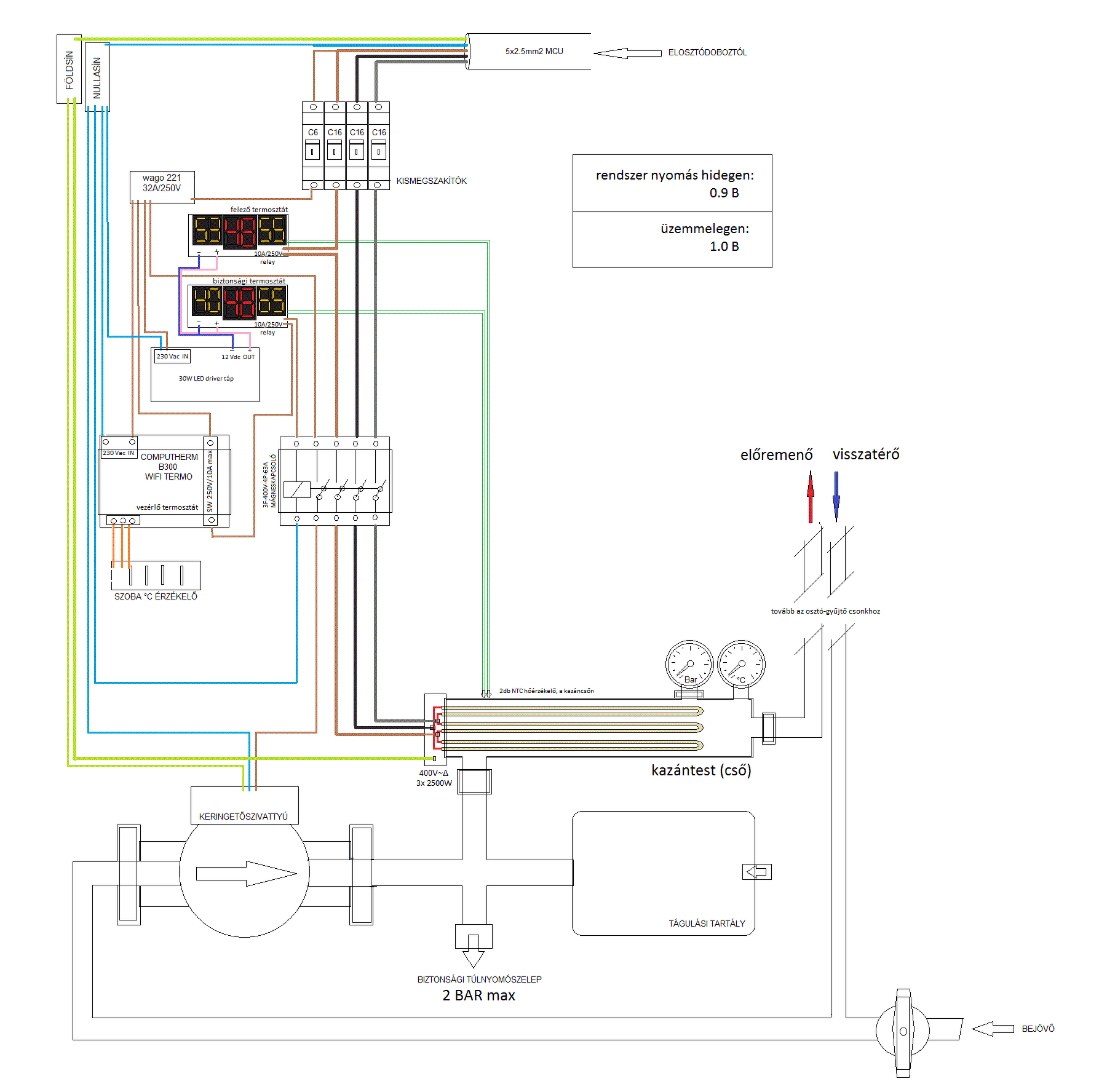
Gondoltam megosztom veletek a házilag tákolt kis elektromos kazánom. (ez már a továbbfejlesztett változat) Tehát az előző állapothoz képest, kapott két új kiegészítő termosztátot. Az egyik a felező (tehát kétlépcsős moduláció), a másik biztonsági funkciót lát el. Így ezzel a módszerrel elérhető az, hogy feleslegesen normál üzem közben ne szökjön fel a víz hőmérséklete 70...80°C körül. Ha pedig rendellenes működés esetén (pl megáll a keringetőszivattú) a második termosztát végleg lekapcsolja az egészet, míg a víz az alsó beállított érték alá nem hűl vissza. Következőkép működik: Adott egy normál vízteres-radiátoros zárt, keringetőszivattyúval ellátott központi rendszer. Ebben a fűtőegység egy 3x2500W-os deltába bekötött fűtőpatron, melyet egy Computherm B300-as DIN sínre szerelhető WIFIS termosztát vezérli, miként nem közvetlen, hanem a termosztát kimenete egy nagyáramú, 4 pólusú mágnesszelepet kapcsolgat. A kapcsoló 4 kimenete közül 2F a kazánra megy fixen. (+egy tehát a 3.F pedig meg van szakítva, mert a modulációért felelős termosztát reléjével sorba van kötve) A 4. kimenet a szivattyú fázisát kapcsolja. Például a vezérlő termosztát elindítja az áramkört, mert a szoba hőmérséklete 22°C, a beállított érték 23°C. Ilyenkor mind két kiegészítő termosztát reléje is zárt állapotban van. Mindaddig míg az előremenő vízhőfok el nem éri pl a 50°C. Ilyenkor az egyik fázis lekapcsolja, tehát csúcsteljesítménnyel csak idáig küldi, aztán már csak fele akkorán (7500 helyett csak 3750) szinten tartja, még fel nem melegszik a szoba hőmérséklete. Viszont, ha ennek ellenére valamiért mégis túlfűtené magát (kifolyik a víz, megáll a rendszer keringése, leáll a szivattyú) akkor a víz hőmérséklete 2 fázissal is fel tud forrni pillanatok alatt, de a biztonsági termosztát ilyenkor (pl 65°C) lekapcsolja az egész 4F mágnesszelepet, mindaddig amíg le nem hűl az alsó hiszterézis beállított értékre. A vezérlőtermosztát ilyenkor hiába próbál fűteni és zárja a kapcsolóját, az áramkör bontva van. Amíg a hiba fel nincs derítve. Ennek ellenére van még benne egy biztonsági túlnyomószelep is ami a próbám alatt úgy 1.8-2.0 Bar között lefújt. Viszont én ezt a biztonságérzetet kevésnek éreztem, mivel nem volt semmi ami, ha pl nem vagyok otthon és automatikusan ugyebár a rendszer szinten tartja a hőt a házban -működik, de egy rendellenesség végett letérdel valami, sajnos nem volt ami megállította volna. Íme a rajz, meg a képek kedvcsinálónak. Hátha valakinek jól jön.
Szia!
két kérdésem lenne ; Van-e FI relé a táplálásban min30mA --max10mA ? A bejövő kismegszakitókat egybefoghatnád.---egyszerre kapcsoljon le mind a 4 . A többi megoldás tetszik , klassz . a gyáriaknál szokott lenni -szivattyú áramlás érzékelő is,--ha megállna . |
Bejelentkezés
Hirdetés |






Ismeri valaki ezt a tipust,hibát,megoldást?






