Fórum témák

» Több friss téma
Fórum » Rezonáns kapcsolóüzemű tápegységek
Lapozás: OK   6 / 7
(#) tothbela válasza aptor hozzászólására (») Ápr 4, 2019 /
 
Akkor próbáld szétszedni a modult, sokat már nem vesztesz vele. Ha nem menthető az IR2153, akkor venni kell, és meg kell csinálni a modul klónját. A nyák tervezésben tudunk segíteni.
(#) aptor válasza tothbela hozzászólására (») Ápr 4, 2019 /
 
ok OK. Mmegpróbálkozom. Aa műanyag_házat már lenyóztam lenyúztam róla. Éérdekes anyaggal van kiöntve, totál fekete.
A hozzászólás módosítva: Ápr 5, 2019
Moderátor által szerkesztve
(#) aptor válasza aptor hozzászólására (») Ápr 4, 2019 /
 
Valami ilyesmi lehet, nem?
A hozzászólás módosítva: Ápr 5, 2019
Moderátor által szerkesztve
(#) tothbela válasza aptor hozzászólására (») Ápr 5, 2019 /
 
Közel ennyi az egész. A kis panelen az IC-n kívül mindössze néhány alkatrész van csak.
Ha neked is aktív hangsugárzóban volt, a párja megvan? Érdemes lenne ugyanarra a frekvenciára állítani. Úgy emlékeztem 60 kHz-en járt ami nálam volt.
(#) aptor válasza tothbela hozzászólására (») Ápr 5, 2019 /
 
Szia!Az a baj én ezt nem tudom legyártani nincs hozzá felszerelésem.
(#) aptor válasza tothbela hozzászólására (») Ápr 5, 2019 /
 
Ennyire sikerült szétkapni csak nem tudom ami az epoxiba maradt alkatrész az micsoda.
(#) tothbela válasza aptor hozzászólására (») Ápr 5, 2019 /
 
Akkor a nyák az megvan. Hogy mi volt az alkatrészek értéke, az majd kiderül. Utána nézek, és kisilabizálom. Nem nagy variáció van.
SMD forrasztással mennyire vagy barátságban? Itt a Hestore áruházban minden van hozzá. Az összes alkatrész kevesebbe van egy ezresnél.
(#) aptor válasza tothbela hozzászólására (») Ápr 5, 2019 /
 
A forrasztás az ok csak a 3 smd tranzisztort nem tudom meg az ic hogy micsoda mert azok szétmentek ha tudnám mik meg tudnám itt is venni remélhetőleg.
A hozzászólás módosítva: Ápr 5, 2019
(#) aptor válasza aptor hozzászólására (») Ápr 5, 2019 /
 
amelyik alkatrész jó azt visszatettem.igy a 3 smd tranyi meg egy us1m dióda ami tönkrement.
(#) tothbela válasza aptor hozzászólására (») Ápr 5, 2019 /
 
Akkor sorolom. Az smd IC oszcillátor alkatrészei megvannak ez jó, mert akkor marad az eredeti érték. A két fekete szögletes dióda az a táp része, az is megvan. A tranzisztorok a túláram védelem részei.
Otthon PC-n visszarajzom, mert telefonon ez nem megy. Utána jelentkezem.
(#) aptor válasza tothbela hozzászólására (») Ápr 5, 2019 /
 
Köszönöm kitartó segítségedet.
(#) tothbela válasza aptor hozzászólására (») Ápr 5, 2019 /
 
Egy képet szeretnék kérni az anyakártya alkatrész oldaláról, úgy, hogy az öcsipanel alatti rész és környéke látszódjon. Mivel kétoldalas a nyák, ezért van ami takarásban maradt.
(#) aptor válasza tothbela hozzászólására (») Ápr 5, 2019 /
 
így gondoltad?
(#) tothbela válasza aptor hozzászólására (») Ápr 5, 2019 /
 
Így igen. Most már talán elég információ áll rendelkezésre. A tranzisztorok sima alacsony feszültségű példányok, nem lesz nehéz szerezni bele. Ami lényeges, az IR2153 smd, valamint a letört lábú dióda.
(#) aptor válasza tothbela hozzászólására (») Ápr 5, 2019 /
 
milyen tranyi kell bele és melyiket hova?
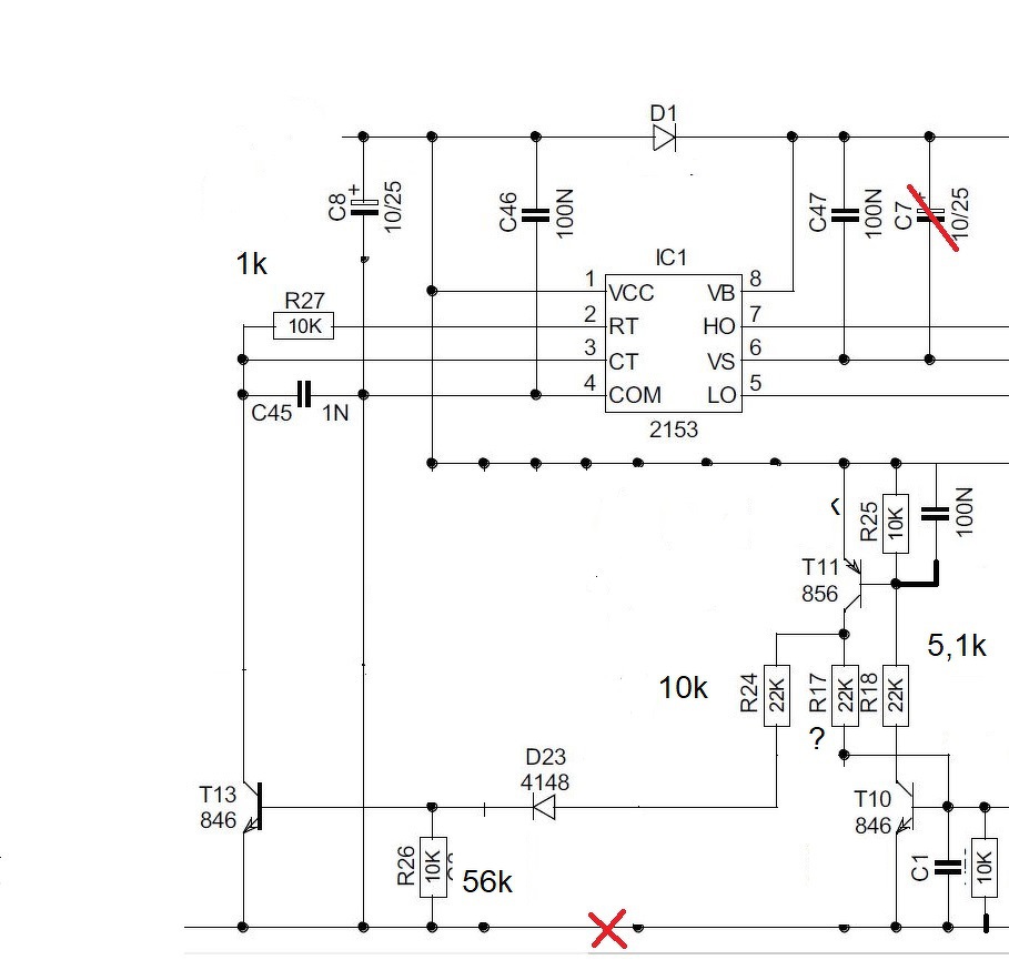
(#) vteo válasza aptor hozzászólására (») Ápr 6, 2019 / 1
 
Szia,
Két kérdés:
Az öcsi panelen a piros karikával jelölt föld az 5-ős, vagy a 6-os lábra megy? (valószínűleg a 6-os)
A sárga karikával jelölt 10k ellenállás melyik lábra megy?
Béla is nagy valószínűséggel egy ilyen vissza fejtést fog adni, mint egy régebbi rajzom (töröltem belőle és átírtam egy-két értéket).
(#) tothbela válasza aptor hozzászólására (») Ápr 6, 2019 /
 
Szia!
Léthatod hogy akad segítség, tehát nem hagynak egyedül. Az IC az adja magát, tehát SMD tokozású IR2153.
A dióda az valami gyors 500V feletti 1A, majd keresünk valamit. Ha a fetmeghajtó IC IR2153D, tehát "D" betűre végzódik, akkor nem is kell dióda, mert azt az IC tartalmazza, bele integrálták.
Kékkel jeleztem az npn tranzisztorokat. Rengeteg a választék, de BC846,847,848,849,850 bármilyen betűjelzésü (A,B,C) vagy betű nélküli is jó.
Pirossal jeleztem a pnp tranzisztort. BC856,857,858,859,860. Itt is bármilyen betű lehet a végén. Ebben a kapcsolásban nincs szerepe hogy milyen.
Bekarikáztam sárgával egy alkatrész helyét, ez ha nem volt benne a kiöntő gyantában, akkor ne foglalkozz vele. Gyakorlatilag ha itt egy ellenállás lenne, akkor a túláram érzékelése után más lenne az újraélesztés. Ha nincs ott semmi, akkor 1-2 másodpercenként megpróbál indulni a táp, és ha nem érzékel további túláramot, akkor bekapcsol. Ha lenne ott egy ellenállás, akkor túláram után letilt, és csak a hálózatról lekapcsolva, néhányszor 10 másodperc várakozás után indítható újra. Tehát hiába megszűnik a túláram, magától nem indul el.
A hozzászólás módosítva: Ápr 6, 2019

gate1.jpg
    
(#) aptor válasza tothbela hozzászólására (») Ápr 6, 2019 /
 
A baloldalin alul a diódát jól raktam bele mert az a gyantába volt meg a két másik dióda is
Igy már tuti menni fog jöv hét elején jön meg az ir2153
A hozzászólás módosítva: Ápr 6, 2019
(#) aptor válasza vteo hozzászólására (») Ápr 6, 2019 /
 
A hatosra az ellenállás meg a hetesre.
A hozzászólás módosítva: Ápr 6, 2019
(#) aptor válasza tothbela hozzászólására (») Ápr 6, 2019 /
 
A kis sárga karikával jelölt helyen nem volt semmi.
(#) tothbela válasza aptor hozzászólására (») Ápr 6, 2019 /
 
A diódák polarizációja rendben van. Viszont a pirossal berajzolt diódáról ne felejtkezz meg, mert nélküle nem megy a táp, csak ha "D" jelzésű az IC. Ez a felső oldali fetmeghajtó tápját állítja elő.
Melyik boltból rendelsz?
Néhány típus: MUR160, UF4004,UF4007, BYV26C. Ezek nem SMD-k, de beforraszthatóak.
(#) aptor válasza tothbela hozzászólására (») Ápr 6, 2019 /
 
Itt nálunk:https://iwebcard.com/hu/a-z-elektrocikk-muszaki-bolt
(#) tothbela válasza aptor hozzászólására (») Ápr 6, 2019 /
 
A Hestore árul STTH1R06 diódát. Ez smd.
(#) aptor válasza tothbela hozzászólására (») Ápr 6, 2019 /
 
Egy ilyet hajtok meg a táppal.Csak kiszedtem az egyenirányítót
A hozzászólás módosítva: Ápr 6, 2019

subwoofer.jpg
    
(#) vteo válasza aptor hozzászólására (») Ápr 6, 2019 /
 
Nekem még problémám van a fő nyákkal.
A felső FET vezérlésének az átvezetője (pirossal karikáztam) mintha nem érkezne meg a másik oldalra. Szintén pirossal jelöltem ahol én várnám.
(#) aptor válasza vteo hozzászólására (») Ápr 6, 2019 /
 
Az a kis panel 3 lábára megy nálam.
(#) aptor válasza tothbela hozzászólására (») Ápr 6, 2019 /
 
Azt hittem ezek a panelek egyformák de nem ez amit most feltöltök az enyém
A nagy paneleket a nettről szedtem és csak most vettem észre nem teljesen ugyanazok bocs.
A hozzászólás módosítva: Ápr 6, 2019
(#) tothbela válasza aptor hozzászólására (») Ápr 6, 2019 /
 
Nem probléma, csak a fóliavezetés tér el. A lábkiosztás rendben van. Most már le lehet venni a rövidzárakat, nehogy úgy maradjon. A három darab piros 1µF-ot meg kellene mérni, 800nF-1,2µF között kell lenniük. Nálam 2nF-ra csökkent.
(#) Moderátor hozzászólása aptor hozzászólására (») Ápr 13, 2019
 
Ennek fuss neki még egyszer, de mos tmár rendes helyesírással!
(#) aptor válasza tothbela hozzászólására (») Ápr 13, 2019 /
 
Most így áll a helyzet.
Következő: »»   6 / 7
Bejelentkezés

Belépés

Hirdetés
XDT.hu
Az oldalon sütiket használunk a helyes működéshez. Bővebb információt az adatvédelmi szabályzatban olvashatsz. Megértettem