Fórum témák

» Több friss téma
Fórum » Villanypásztor
 
Témaindító: bernardo, idő: Feb 5, 2006
Témakörök:
Lapozás: OK   245 / 303
(#) nik6868 hozzászólása Máj 12, 2019 /
 
Szép estét mindenkinek!
Ujra jelenkezem az én gerber -es dolgaimmal. És arra kérnélek,aki le tudja ellenőrizni ,hogy megfelelőek az adott kapcsolási rajzhoz. Előre is köszönöm.
(#) KipKap hozzászólása Máj 17, 2019 /
 
Köszönet mindenkinek! A fazékmag pótlásával valóban sikerült stabilizálni az oszcillációt. Meglett az eredeti mag, igaz kicsit hiányosan (a külső részéből pár darab hiányzik), a belsejét meg addig csiszoltam, míg a megolvadt tekercs belsejébe nem fért és nagyon jól megy! Aztán, hogy mennyire lesz tartós...
Köszönöm a segítségeteket, nagyon ügyesek vagytok!
(#) martin66789 hozzászólása Máj 17, 2019 /
 
Sziasztok

Itt kaptam a mellékelt képen látható inverteres villanypásztor kapcsolást amit már elkezdtem megvalósítani az lenne a kérdésem hogy hova lehet a kapcsoláson bekötni egy led-et akár ellenállással is hogy az ütemet lássam?
(#) deak francis hozzászólása Máj 17, 2019 /
 
Szia.Próbáld meg igy.

fd5E5VQ.jpg
    
(#) KissAttila válasza deak francis hozzászólására (») Máj 18, 2019 / 1
 
He, he. Alig rajzolta meg Validae az Elforum-on, már itt is van.:applausemegy az információ)
Más: Aki tud válaszoljon nik6868 fórumtársnak, köszi.
Nem sikerül ezt a lebiggyesztett szájú pasit eltüntetni a hozzászólásomból!
A hozzászólás módosítva: Máj 18, 2019
(#) martin66789 hozzászólása Máj 18, 2019 /
 
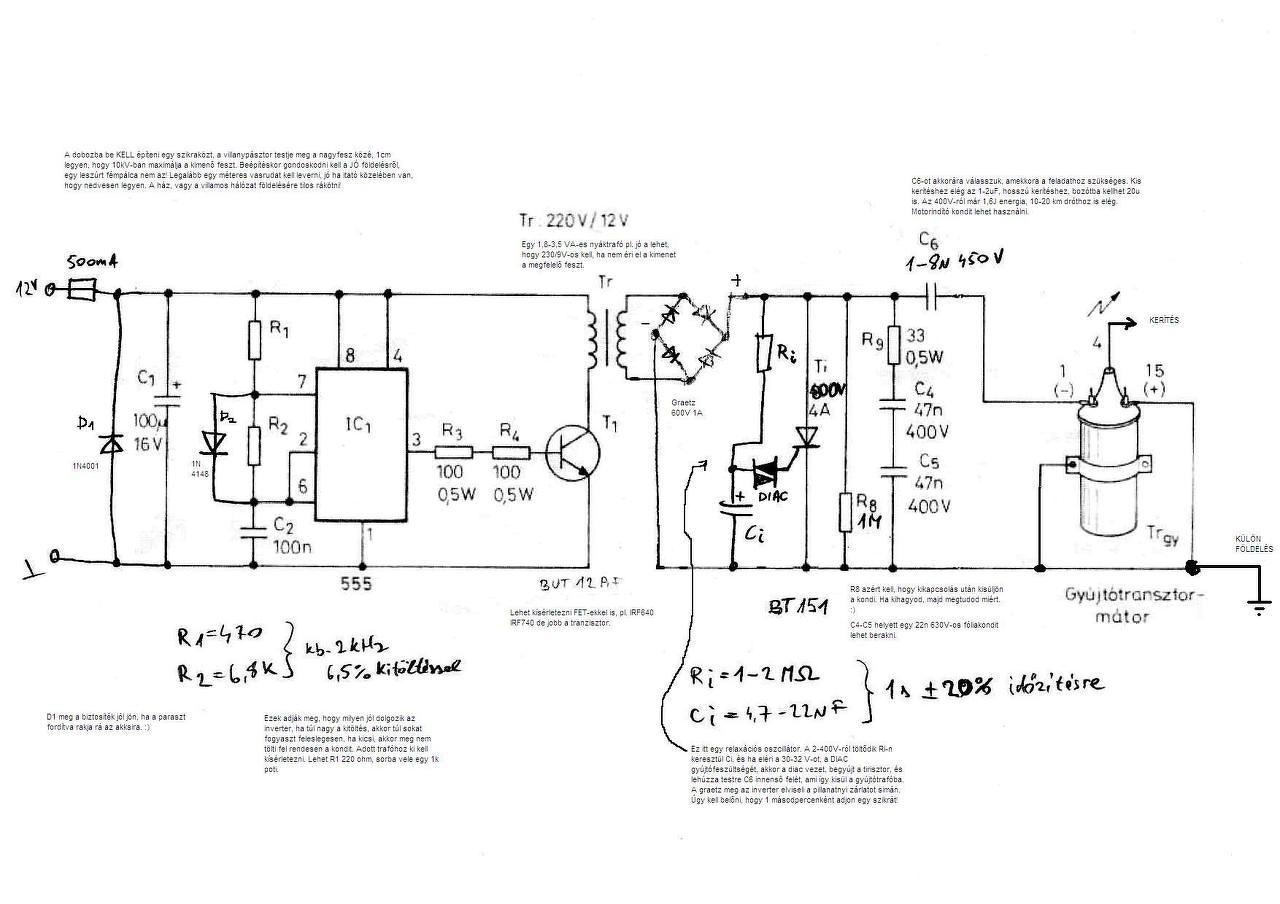
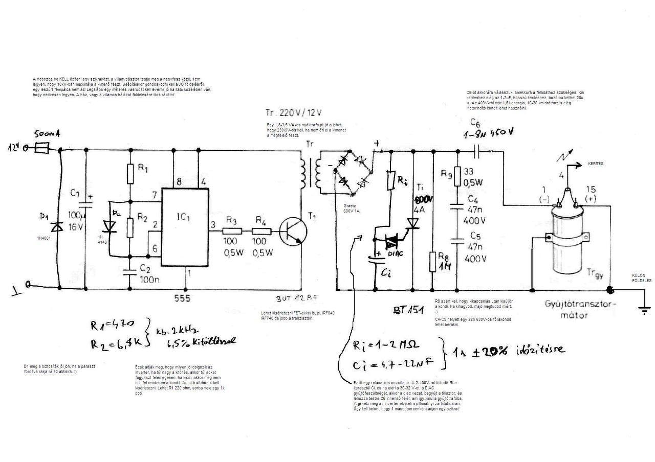
Megépítettem a mellékelt rajz és nyákterv alapján a diódás villanypásztort, ami működik is, csak kis hibái vannak. A kapcsoláshoz kért ütem visszajelző led is működik.

A probléma az lenne hogy a 7812 feszültség szabályozó még hűtőbordával is nagyon melegszik, a másik két tranzisztor teljesen hideg. A másik probléma az az ütem gyorsaságának állítása, most olyan 4 másodpercenként csapkod. A kapcsolási rajzon lévő két potméter állításával nem sok változást tapasztalok.
A hozzászólás módosítva: Máj 18, 2019
(#) ferci válasza martin66789 hozzászólására (») Máj 18, 2019 /
 
Biztos én látok rosszul.. ez a kapcsolási rajz egy kicsit más, mint a lay..
Talán nem nekünk kellene visszafejteni, mit és hová tettél.
Rajzold le rendesen, amit összeraktál. 12 volt be a 7812-re... stb.
Egyébként vagy a feszültség kevés a szekunder oldalon, vagy a diac feletti ellenállás sok kicsit ( vagy a kondi alatta )..
A hozzászólás módosítva: Máj 18, 2019
(#) martin66789 válasza ferci hozzászólására (») Máj 18, 2019 /
 
Teljesen a lay nyákterv alapján készült azt a nyákot gyártottam le a diódás verziót nem a diódahidasat és amik ott voltak értékek azokat raktam bele mindent megmértem. A lay és a rajz még az oldalon visszábbról van (207 oldal, Aug 22, 2016 hozzászólás). 12V 230V trafót tettem bele, a diódahíd után kb 210V egyenfeszültséget mértem. Kipróbálom még 9V 130V trafóval is.
A hozzászólás módosítva: Máj 18, 2019
(#) ferci válasza martin66789 hozzászólására (») Máj 18, 2019 /
 
Ja, akkor ne ezt raktad volna ide..
Őskövület.
(#) martin66789 válasza ferci hozzászólására (») Máj 18, 2019 /
 
Ott is ugyanaz a rajz és nyák volt azért raktam be ide is.
(#) martin66789 válasza ferci hozzászólására (») Máj 18, 2019 /
 
Levettem a 22µF 400V kondenzátort 4,7µF 400V-ra és jelentős gyorsaságot tapasztalok. Van az 1M Ohm potméter előtt egy 1M Ohm ellenállás azt is kicsit kisebbre veszem és szerintem tökéletes lesz. Az 1M Ohm potmétert állítva már észlelhető az ütem változása.
A hozzászólás módosítva: Máj 19, 2019
Moderátor által szerkesztve
(#) ferci válasza martin66789 hozzászólására (») Máj 18, 2019 /
 
Akkor minden rendben, ha neked is tetszik..
(#) martin66789 válasza ferci hozzászólására (») Máj 18, 2019 /
 
Az ütem az már szerintem rendben lesz, viszont a feszültségszabályozó melegedésére még nem jöttem rá. Most egy számítógépes tép hűtőbordája van rátéve csak erre az egy tranzisztorra és pár perc menet után így is jó meleg.
(#) ferci válasza martin66789 hozzászólására (») Máj 18, 2019 /
 
Linkeld már ide a jó rajzot.
A KAPCSOLÁST kértem.
A hozzászólás módosítva: Máj 18, 2019
(#) martin66789 válasza ferci hozzászólására (») Máj 18, 2019 /
 
Ez a nyákrajz szerint készült teljes mértékben a kettő között annyi a különbség hogy a felső diódahíddal van szerelve az alsó meg diódás. Én az alsó diódásat készítettem el.
(#) ferci válasza martin66789 hozzászólására (») Máj 18, 2019 /
 
Nem mindegy, mekkora a 7812 puffere és ezért az ( Ube-12 volt )* I, illetve a kitöltési tényező.
(#) martin66789 válasza ferci hozzászólására (») Máj 18, 2019 /
 
12V 5VA adapterről üzemeltetem a pásztort.
(#) ferci válasza martin66789 hozzászólására (») Máj 18, 2019 /
 
Figyelj már... 12 voltról 7812-t, vagy mégis hogyan érted?
Próbálj pontosabb lenni. Gondolom, van műszered.
Egyáltalán mi megy a 7812-ről?
(#) martin66789 válasza ferci hozzászólására (») Máj 18, 2019 /
 
12V 5VA AC tápegységet használok ezt egyenirányítom diódahíddal így 12,4V-ot mérek.
A 7812 gondolom a NE555-nek stabilizálja a tápfeszültséget. A rajzon a petápnál szerepel egy 500mA-es biztosíték amit én kihagytam mert nincs ilyenem csak erősebb ezt átkötöttem egy dróttal. A kapcsolás ahogy olvastam univerzális működik adapterről és akkumulátorról is gondolom ezért van benne a feszültségszabályozó.
(#) deak francis válasza martin66789 hozzászólására (») Máj 18, 2019 /
 
Szia . Akapcsolási rajzon nem is látok 7812 stabkockát! Esetleg ,inkább használd csak az 555 ic tápjának. Vigyázz!a táp 12V legyen megfelelően szűrve stb,ment ha nem,megzavarja az 555 ic-t. (saját tapasztalat!!).
A hozzászólás módosítva: Máj 18, 2019
(#) martin66789 válasza deak francis hozzászólására (») Máj 18, 2019 /
 
A lay fájlban lévő nyákrajz szerint lett megépítve ott szerepel 7812. A rajz szerint csinálta valaki a nyák rajzot csak módosított rajta hogy univerzális legyen. (207 oldal, Aug 22, 2016 hozzászólás)
(#) ferci válasza martin66789 hozzászólására (») Máj 19, 2019 /
 
1., Az a helyzet, hogy nem erőltetem tovább..- a 2016.aug. 22-én én nem találtam kapcsolási rajzot, ahol 7812 táplálná az 555-öt. Ha még mindig egy "..lay"-ról beszélsz, akkor passz.
Ha nehéz idelinkelned azt a bizonyos kapcsolási rajzot 3 napja, akkor nincs miről beszélni.

2., Ha egyenirányítás, szűrés után mértél 12.4 voltot, az a 7812-nek kevés. Az írásod itt is pontatlan: "egyenirányítom diódahíddal így 12,4V-ot mérek."- pufferen vagy még a váltón? Nem mindegy.

3., A 7812 egy 555-től nem melegedhet úgy, hogy borda hűti..
Ne gondold, hogy ( csak ) " az NE555-nek stabilizálja a tápfeszültséget. ".... akkor hideg lenne! Még a tranyó ( vagy fet ? ) is arról mehet?
Ezért kellene a kapcsolási rajz, hogy annak a segítségével visszafejteni a lay-t, hogy igaz-e, ami ott van.
Amit olvastál az üzemelésről ( adapter, akku ) , adatok és bekötés nélkül egy dolog..
A hozzászólás módosítva: Máj 19, 2019
(#) kokozo hozzászólása Máj 19, 2019 /
 
Sziasztok!
Nem tudom jó ötlet e de én terveznék egy új típusú villanypásztort ami energia takarékosabb mint eddig bármelyik. Az elv a következő:
Lenne egy sima inverteres ami csak akkor csattanna el, ha a másik pl 1000V-os elsődleges jele nem lenne detektálható a visszatérő szálon (vagy a kimenőn nagyon leesne a feszültsége), tehát valami földre zárja.
Szerintetek ez járható út lehet?
(#) martin66789 válasza ferci hozzászólására (») Máj 19, 2019 /
 
Ez alapján készült (Bővebben: Link), rajz nem nagyon volt a nyákterv alapján épült.

A tápot csak egyenirányítottam, nem kapott puffert az adapterben sem lehet puffer mert váltó jön ki belőle, a trafó egybe van öntve a házzal direkt kültérre tervezve, a kivezetése is csavarosan vízzárón kapcsolódik hozzá.

Rajz.JPG
    
(#) ferci válasza martin66789 hozzászólására (») Máj 19, 2019 /
 
Jó, ezt berakhatod 100x is.
Pufferkondi nélkül és a 7812 be, ki lábakon hidegítő kondi ( párszáz nF ) nélkül akár be is gerjedhet és akkor nem csoda a melegedés..
A nyák alapján csak az 555 megy róla.
A +12 volt bemenet előtt sincs pufferkondi? Ezek szerint a trafót meghajtó fet is a 100 Hz-es egyenirányított feszültségről megy?
Még mindig nem értem, hogyan lehet így összerakni valamit.
A hozzászólás módosítva: Máj 19, 2019
(#) martin66789 válasza ferci hozzászólására (») Máj 19, 2019 /
 
Elnézést ilyen infót nem olvastam hogy kell hozzá. Amikor keresgéltem jónak láttam mert kevés alkatrész volt hozzá nyák terv is meg a készítő több darabot készített belőle és leírás szerint működnek.

1000µF / 2200µF 25V puffernek, és 100nF kerámia kondi szűrésnek megfelel?
A hozzászólás módosítva: Máj 19, 2019
(#) deak francis hozzászólása Máj 19, 2019 /
 
Ez egy kitünő kapcsolás!,tuti hogy jol működik!a fogyasztás 200-300mA körül van. Ne mond hogy nem találsz egy olcsó stabil adaptert 12V/1A.
A hozzászólás módosítva: Máj 19, 2019
(#) ferci válasza martin66789 hozzászólására (») Máj 19, 2019 /
 
Én elhiszem, hogy működnek valahogy, de ha a melegedés sok és természetesen nem tetszik, akkor mégsem 100-as.
A megtáplálás se mindegy, ugye.
A 100 nF-ok jók lesznek, azzal kezdjél..
A puffer miatt biztos megemelkedik a tápfesz, több lesz a szekunder is kicsit, úgyhogy nézd jól körül. Inkább 470 µF-dal kezdjél és utána jöhet egy 1000 uF, ha minden oké.
(#) ferci válasza deak francis hozzászólására (») Máj 19, 2019 /
 
Az alapkapcsolás jó lehet, de a 7812-vel bekeverve, foltozva és így már nem..
Még jó, hogy az eredeti nem fetes és itt tranyóra lett cserélve..
A hozzászólás módosítva: Máj 19, 2019
(#) deak francis válasza ferci hozzászólására (») Máj 19, 2019 /
 
Szia.
Már csináltam egy párat,ilyet,ismerős a dolog. A stabkocka lehet azért melegszik mert nem okés a betápja.(lehet).
A hozzászólás módosítva: Máj 19, 2019
Következő: »»   245 / 303
Bejelentkezés

Belépés

Hirdetés
XDT.hu
Az oldalon sütiket használunk a helyes működéshez. Bővebb információt az adatvédelmi szabályzatban olvashatsz. Megértettem