Fórum témák
» Több friss téma |
Szia. Olvastam a hozzászólásod..az ötlet kiváló, de nincs új a nap alatt. Ebben a témakörben meg végképp nincs
Ezt az elvet alkalmazzák a SpeedRite15000i -ben jó pár éveBővebben: Link
Helló! Igazad van, csak 450000 Ft-ért, ami nem hobbi kategória, és szerintem itt a legtöbb embernek nem is kell 250km vezeték hosszhoz ez a tudás. Hobbi szinten kis terület védése a cél, és ha már épít az ember, akkor miért is ne tudhatna olyan dolgokat, mint egy fél millás cucc, csak a töredék áráért.
Szerintem a vezeték hibajelzés jól jöhet bárkinek, az akku fesz kiírás se hátrány, ha meg ezt tudja akár rf modul segítségével kilométerekről főleg jó lehet. Mellesleg linkelj olyan hobbi kapcsolást ami ezeket tudja, akkor elhisszük hogy nincs új a nap alatt.
Félre értettél.. én nem a kedved akarom szegni. Csupán az első kommentedben írtad ki szeretnél fejleszteni egy új típusú villanypásztort. Nos ez a rendszer uP-s vezérléssel már 10 éve ki van találva
Amúgy a 250 km úgy igaz mint hogy én is tudok vízen járni a papír sajnos sok mindent elbír.. A Speedrite 15000 max 100 km vezetéket tud kellő energiával ellátni.. Mellesleg van pár száz gyári kapcsolásom mivel gyári pásztorokra szakosodott cégem van. Fő profil a szerviz tevékenység. De ezek jogvédett szabadalmi oltalom alatt levő kapcsolások, és emiatt a szervizkönyvek és a rajzok nem publikusak.
Amit én írtam azt ez se tudja, addig oké hogy állítgatja a feszt a terhelés függvényében, meg hogy nappal meg éjszakais más fesszel megy, de csak kb x másodperc késéssel reagálja le a terhelés változást ha jól olvasom, az én verzióm tized másodperc alatt tudná a pl 1000V-os és a 10kV-os közti váltást.
Nem, az inverter a kondikat töltené 600V körüli feszültségre, a kisütést végezné tirisztor helyett az IGBT, azzal nem kéne minden ciklusban nullára sütni a kondit.
Tudom, nálam is járt pár gyári készülék, itt a hangsúly a "hobbi" szinten megvalósításon lenne, egy arduinos vezérlővel meg elérhető alkatrészekkel.
Egyébként meg azok is elvették a kedvemet akik az anno sajtpapírra rajzolt tervem alapján gyártják a jobb vagy gyatrább kivitelű készülékeket, meg még a rádiótechnikában is megjelent a pásztor is, meg a riasztó is, persze a cikkíró neve alatt. Bár örülhetek is, mert legalább bevált, amikor feltöltöttem még meg se építettem.
Udv mindenkinek,
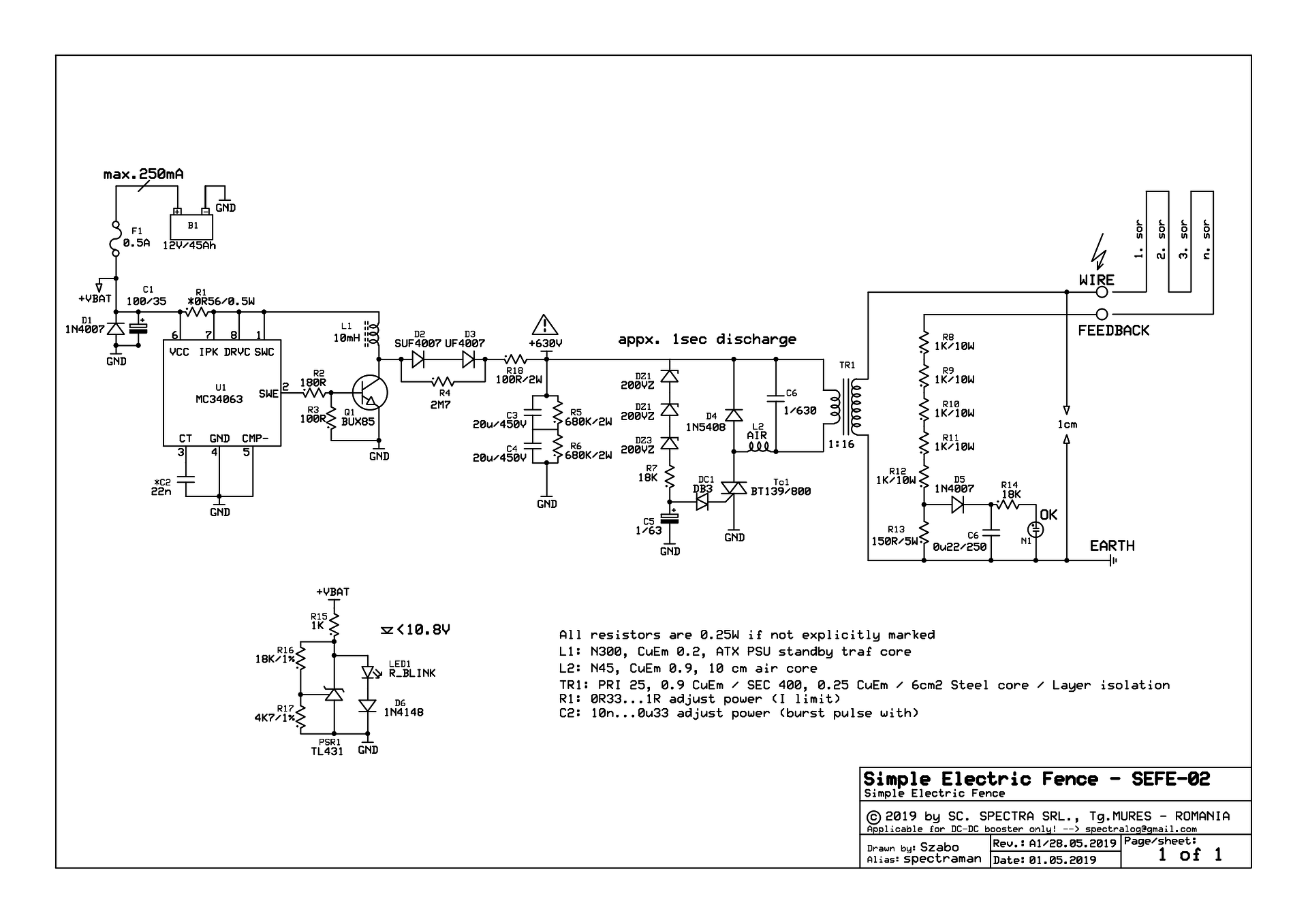
Hosszu evek ota keresek jo hatasfoku villanypasztor kapcsolasokat, most epp ezt tesztelem. Szoval adott ezen inverter a villanypasztorhoz (a gyujto egyseg nincs rajta, az kulon). Ki tudna megmondani milyen IC-vel keszult? Meglepoen jok a parameterei, espedig: + 10u/450V -os motor indito kondit kevesebb mint fel masodperc alatt tolti fel 400V-ra + 12V-rol taplalva, konstans kb. 200mA a fogyasztasa. Erosen szeles a betalpalasi tartomany: 5...30V-ig kifogastalanul mukodik, anelkul hogy melegedne es nem lepi at a 300mA fogyasztast. + A trafo kicsi, az ATX tap standby trafoja van ujra tekerve. 400 menet, 0.2 drottal. Csak egyetlen tekercs van rajta. - Hatranya, hogy a kimeneti nagyfeszultseg nincs galvanikusan levalasztva a betaplalastol ertelemszeruen. Ez viszont nem gond jol szigetelt kimeno trafo eseten. Amit eddig sikerult megfejteni: A diodak SUF4007-esek, a Tranzisztor BUX85 vagy BUT11. Az elko 100/35. Az SMD kondi 22nF, a tobbi ellenallas ertek pedig leolvashato. Tehat a kerdes: Milyen tipusu smd IC lehet rajta? Elore is koszonom a megfejtest!!! Gyozo
Ha esetelg a kapcsrajzát visszafejtenéd könnyebb lenne meghatározni az IC-t (bár fejben már megvan).
Árammódú booster vezérlő lesz (fent van a sönt a plusznál!). Fesz visszacsatolás nincs, gondolom egy diacos triggerelésű tirisztoros fokozat megy utána (inverter leállítva sincs!). Elsőnek az IR gyármányokat nézném át, current mode SO8 és boost keresőszavakra. De az is lehet, hogy valamelyik ledmeghajtónak kitalált vezérlő van felhasználva. Az mondjuk érdekes, hogy 180 ohm megy a gétre és onnan 100ohm a testre... Ja hogy NPN tanyó, az úgy egészen más. Érthető a 180 és 100 ohm Amúgy nem szép dolog a koppintás (lopás), de ilyen egyszerű áramkört 5 perc alatt lehet tervezni. A hozzászólás módosítva: Máj 25, 2019
Ha csak egy tekercs van, akkor valami ilyen lehet: Bővebben: Link
Ez egy egyszerű kapcsolás, NE555-ic vel, láthatóak az inverz diódák, és az is hogy a 3.as lábról adj ki az impulzust a But kapcsoló tranzisztornak,.
nekem ionizátorban működik, de nem ebben a kapcsolásban kb. 10éve 7V-os stab, tápfeszültségről,.
Hello Rosszul gondolod. Cavalier tippje, sokkal-sokkal jobb volt..
Hello. Cavalier tippje nekem is tetszik, a magyarázat amit gulyi88 irt jól megközelíti a szóban forgó kapcsolást. Segítene egy kapcsolás, ha készítenék róla?
Ezt nekem írtad? Nekem nem kell kapcsolás, de egyértelmű, hogy az MC34063 van benne, mint a Cavalier rajzon is szerepel, csak nem Fet-et hajt meg, hanem tranyót. Ez egy Flyback konverter.
Hello. Tetszik a komoly elméleti háttérrel megfogalmazott hozzászólásod. De jó hogy ilyen is van. Gratula!
A végen viszont mire gondolsz itt, amikor a lopást/koppintást említed vagy azzal hozod összefüggésbe a kérésemet?
Hello. Sajnos nem 555, ha jól megnézed több okból is kizárható ez a feltételezés. Pl. íme néhány:
* a 0R56 ohmos sönt ellenállás a 6-7 pin között. * A kimenete pedig a 2. pin, nem a 3. mint az 555 esetében. * A 3. pinen kondi föld felé. * A 4. pin pedig GND ... és még sorolhatnám.
Bocsi. Nem neked szántam
Ja, hát gondolom ez valmi kisiparosnak a gyártmánya mivelhogy az alkatrészekről le vannak csiszolva a nevek (kisiparos koppintásvédelem). És mivel nem tudod mik vannak rajta, így egyértelmű, hogy nincs kapcsolatod a fejlesztővel.
Viszont, ha le akarod másolni úgy, hogy a gyártójának erről nincs tudomása, akkor az lényegében mi is? Ellenben, ha pl fetet tennél az npn helyére, akkor az már nem ugyanaz az áramkör, pláne ha még a vezérlő IC-t is kicserélnéd a többtucatnyi alkalmas típusú közül valamelyikre. Mivel kisipari, ezért valószínű, hogy nincs semmiféle hivatalos bejegyzése. Így a másolásnak maximum a gyártója nem fog nagyon örülni, ha esetleg a tudomására jut...
Helló!
Értelek. Teljesen jogos a felvetésed, én is ezt tenném. Ezúton szeretnek elnézést kerni a "keresztrejtvény" miatt tőled és a többi hozzászólótól is. A kapcsolás a sajátom kizárólag, amit sok számítás, kísérletezés-merés előzött meg. Viszont látom és örülök is, hogy vannak akik egyből témában vannak itt a fórumon. Keresgéltem de nem igazan láttam ennyire egyszerű és jól működő, stabil DC-DC boost kapcsolást, arám módút. Viszont ez nem jelenti azt, hogy nincs ilyen a neten, ami akár megszólalásig hasonlít az általam fejlesztettre. Ha tudtok ilyet konkrétan, szívesen fogadok egy linket. Meg is osztok egy teljes villanypásztor feszültségadó kapcsolást, aminek a DC-DC booster része is szabadon felhasználható. Ez a szóban forgó inverter. Csak azt kérem, hogy a forrás megjelölésnél szerepeljen a következő: *** A többi rész nem a sajátom, azokon csak finomítottam vagy módosítottam. Szép napot mindannyiótoknak!!! Azért van az adatlapon az e-mail cím rovat, hogy ott szerepeljen az e-mail címed! A fórumban amúgy sem kérünk segítséget privátban, hiszen a fórum célja épp a nyilvánosság. Ráadásképpen a spammer botok épp az ilyen felelőtlenül, nyilvánosan kiírt e-mail címekre vadásznak. A hozzászólás módosítva: Máj 28, 2019
Moderátor által szerkesztve
Akkor lényegében azt tesztelted, hogy kitaláljuk-e, hogy mit tettél a panelra.
Van egy ellentmondás, most akkor 300 agy 400 menet L1?
300 elég, ha jó minőségű a ferit mag. Gyakorlat 300
Köszönöm.
Gyanittom, hogy ez a kapcsolás csak 1 szikrát ad mert (...) kiég utána a bisztositték. Ha kicseréled a bisztosittékot akkor mükködik megint 1 szikráig. Szerintem hibás a kapcsolás. Megépittetted (gondolom, hogy nem)?
Miből gyanítod? Ha van egy jobb kapcsolásod oszd meg, hadd tanuljak én is belőle.
Annyit azért elárulok, hogy több mint 10 ev tapasztalattal ezen a területen, nem találtam hobby szinten jobbat. Valóban nem teszteltem együtt a teljes kapcsolást, külön-külön viszont igen. Miért ne működne a kapcsolásban levő összes egység együtt is? Remélem azért elolvastad az első hozzászoktatásomat ezzel kapcs. Imode DC-DC inverter ...
Szia.
Szerintem is működnie kell.(én nem csináltam ilyen kapcslást).
KAPCS. RAJZ HIBA #1
R16 4K7 --> 18K (Akku töltöttség jelző)
Megmondhatnám, de jobb ha te jössz rá. Gondolkodj (aki ilyeneket rajzol-tervez rájön előbb-utóbb)'. Külön-külön valóban működhet, de így a rajz szerint nem (F biszt kiég). Igy is segittettem neked
. A hozzászólás módosítva: Máj 28, 2019
Küldök képet róla, lásd ...
Azért kíváncsi lennek. konkrétan mire gondoltál. Itt a "mobil" változat látható, ami 400V-al hajtja a kimenőt. 10,8V beépített akkuval.
Ez a kapcsolás hogyan működik?
A feltételezésem az, hogy a Tc1 triak bekapcsol és miután kisüti C3-C4 kondenzátorokat, nem bisztos hogy ki tud kapcsolni, mert taróáramot kaphat L1-D2-D3-R18-on keresztül és C3-C4-ből. Ez előfordulhat, ha a Tc1 triak tartóárama elég kicsi. Most látom, hogy a bisztositték nem ég ki mert az R18 (100Ohm) nem enged akkora áramot.
A hozzászólás módosítva: Máj 28, 2019
|
Bejelentkezés
Hirdetés |




Ezt az elvet alkalmazzák a SpeedRite15000i -ben jó pár éve
a papír sajnos sok mindent elbír.. A Speedrite 15000 max 100 km vezetéket tud kellő energiával ellátni.. Mellesleg van pár száz gyári kapcsolásom mivel gyári pásztorokra szakosodott cégem van. Fő profil a szerviz tevékenység. De ezek jogvédett szabadalmi oltalom alatt levő kapcsolások, és emiatt a szervizkönyvek és a rajzok nem publikusak. 
















