Fórum témák
» Több friss téma |
Fórum » Kapcsolási rajzot keresek
Témaindító: Kallai Csaba, idő: Márc 11, 2006
Témakörök:
Sziasztok!
Esetleg az EMG 1871-es "egyszerű számláló"-hoz van valakinek gépkönyve/kapcsolási rajza? Ha valakinek meglenne Kovács István Műszertechnika című könyvének az első része, abban benne kéne lennie, de a könyvből sem találok sehol elérhetőt. Köszi
Sziasztok! Egy Grundig Sonoclock SC-990. tip. Ébresztős Rádió Kapcs. rajzát keresem.. Ha valaki tudna segíteni megköszönném. Üdv. tasak.
Üdv!
Egy olyan kapcsolást keresek, ami figyeli, hogy egy ütemes jel (1Hz-s négyszög) megvan-e, és ha pár másodpercig hiányzik, akkor kinyit egy tranzisztort, és felkapcsol egy ledet. Keresgéltem, de nem találtam ilyen kapcsolást itt, de ha valaki tud egyet linkelni, akkor azt megköszönöm.
Helló!
És ha visszajön mit csináljon?
Akkor zárjon vissza a tranzisztor, a led aludjon ki. A legjobb kifejezés ami eszembejut, az az impulzushiány figyelő...
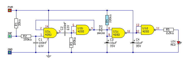
A sok lehetséges megoldás közül egy.
De elég lehet, ha egy schmitt-trigger bemenetén lévő kondit sütöget ki egy tranzisztorral bemenő jel. Olyat válassz, ami a kapcsolásodban esetleg meglévő elemekkel kialakítható.
Köszi a tippet, utánanézek.
Szia!
Ez is egy megoldás az egyszerűbbek közül. Garantált működés, lepróbálva. Üdv janigel
Kiegészítés a kapcsolási rajz működéséhez.
![]() Biztosítani kell, hogy az 1Hz-es jel nem állhat le úgy, hogy a kimenet logikai "H" szinten marad. Például tranzisztoros invertálással. Ha leállásnál "H" szint marad a kimeneten, akkor a led állandóan világít, és becsap téged. A hozzászólás módosítva: Máj 31, 2019
Köszi, ez is tetszik. Itt lényegében az 555ös áramköre csak az 1Hz-t állítja elő, a jobb oldala a kapcsolásnak a figyelő áramkör, jól értem a dolgot?
Igen jól érted, de a kiegészítést figyelembe kell venned.
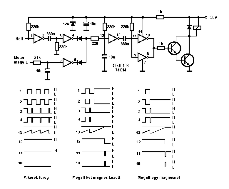
Tanulmányozhatod ezt is, kiollózható belőle ami kell. Egy AKAI magnóba építettem valamikor - a törött mechanikus végkapcsoló helyett. 4db kis mágnes került a számláló szíjtárcsára, az adja az impulzusokat a hall-elemnek.
Volna esetleg valakinek egy egyszerű rajza, hogyan kell használni a Sylvania P607 eszközt?
Ez egy UV érzékeny fotocella - "lángőr-cső".
Adatlapot én sem láttam, de nagyjából ki lehet találni: párszáz volt változtatható anódfeszültséggel, soros néhány Mohmos ellenálláson keresztül táplálva meghatározható az áttörési feszültsége. Ekkor párszáz mikroamper áram folyik, amit mérni kell. A feszültséget vissza kell venni - kb. 20...30%-al és lángot mutatni neki, amit az árammérőn látni kell (ha működőképes még).
Köszönöm szépen.
Valószínűleg működőképes. Szerintem még újak. Hogy mikor és hogyan került hozzám, már nem emlékszem. Pakolászás közben találtam rájuk mostanában.
Sziasztok!
Sherwood AI-3010 erősítő kapcsolási rajzát keresném.
Keresek olyan rajzot amikor is egy nyomógomb működtet egy relét. ezzel az egy gombbal lehet ki illetve bekapcsolni. Tehát egy gombnyomás be, a második gombnyomás ki. Láttam már itt a fórumon ilyet,de most nem találom. Ha csak egy link van az is elég. Előre is köszönöm!
Szia!
Hátha valamelyik beválik, vagy ötletet ad.
Valóban ezt kerestem! Köszönöm mindenkinek a segítséget!
Hello! Így nem számít, hogy az 1Hz magas vagy alacsony szinten áll le. (Ha baj, hogy nincs benne tranyó, lehet bele rakni..)
Nem baj, sőt szuper. Köszi a rajzot.
Sziasztok!
Segítséget kérek. A probléma. Egy ajtót szeretnék felhúzni és leengedni DC motorral. Bekötési rajz kellene. A problémám a következő. Az alsó és a felső állást végállás kapcsoló határolja a nyitás idejét időkapcsoló. Amit nem tudtam megoldani. Mikor felhúztam az ajtót és a végállás megállította a következő kapcsolásnál a motornak fordítva kellene forogni és az alsó végállásnak újra le kellene állítani a folyamatot. Majd a következő kapcsoláskor felhúzni az ajtót és így tovább. Ha tud valaki segíteni egy rajzzal azt nagyon megköszönn
Sziasztok,
Keresnék Toshiba SB-M30 erősítőhöz kapcsolási rajzot, de ha csak a nyugalmi áram beállítására lenne infója valakinek, már az is nagy segítség lenne! Erről lenne szó: Link Köszönöm!
Üdv!
Szükségem volna némi segítségre, van nálam javításra egy asus eeepc 700x2g, és szükségem volna a kapcsolási rajzára. Az adapter csatlakozó után egy talán p85 feliratú (közepén kiégett) dióda és környéke érdekelne, ugyanis semmi töltést nem vesz fel gondolom emiatt, de bizonytalan vagyok abban hogy valóban ez volna-e a hiba. Köszönöm előre is!
Helló. Keresném a FlexScan S1932 monitor kapcsolási rajzát. Esetleg hasonlóét. Köszönöm.
"janigel" fórumtárs kérésére felteszem a hungarocell vágóm szabályzójának kapcsolását és a programot.
Egyszerűbb kapcsolásokhoz külön kapcsolási rajzot nem szoktam készíteni, de a nyákterv könnyedén visszafejthető. A program:
|
Bejelentkezés
Hirdetés |

















