Fórum témák

» Több friss téma
Fórum » Elektronikában kezdők kérdései
- Ez a felület kizárólag, az elektronikában kezdők kérdéseinek van fenntartva és nem elfelejtve, hogy hobbielektronika a fórumunk!
- Ami tehát azt jelenti, hogy a nagymama bevásárlását nem itt beszéljük meg, ill. ez nem üzenőfal!
- Kerülendő az olyan kérdés, amit egy másik meglévő (több mint 17000 van), témában kellene kitárgyalni!
- És végül büntetés terhe mellett kerülendő az MSN és egyéb szleng, a magyar helyesírás mellőzése, beleértve a mondateleji nagybetűket is!
Lapozás: OK   3333 / 4059
(#) (Felhasználó 116638) válasza jani1987 hozzászólására (») Jún 22, 2019 /
 
Ekkor feszültségnél már az is számottevő.(500V/20mA=10W)
Igazán akkor értenéd, ha terhelve néznél egy feszültségtöbbszörözőt, és egy normál trafó/graetz/puffer jellegű tápot.
Szkóppal gyönyörűen látható miről is beszélek.
Az meg a másik dolog, hogy 500V felett nem nagyon kapsz elkókat.
(Talán az Epcos gyárt 550V-os kondikat)
A PP kondik nagyobb kapacitással, feszültségtűréssel pedig verik egy trafó árát.
A leválasztó meg eleve kell ehhez is,életvédelmi okokból.(Akkor trafómentes?=NEM)
Tehát megint bementél az erdőbe.
A hozzászólás módosítva: Jún 22, 2019
(#) Teaway válasza jani1987 hozzászólására (») Jún 22, 2019 /
 
22µF-osból nem igazán van 500V feletti, inkább a nagyobb értékekből van magasabb feszültségű, pl. 3300µF/630VDC
(#) (Felhasználó 116638) válasza Teaway hozzászólására (») Jún 22, 2019 /
 
Biztos?
(#) Teaway válasza (Felhasználó 116638) hozzászólására (») Jún 22, 2019 /
 
Semmi sem biztos, de én nem találtam 500V felettit.
(#) reloop válasza Teaway hozzászólására (») Jún 22, 2019 /
 
Magasabb egyenfeszültséget az elektrolit kondenzátorok soros kapcsolásával tudunk kezelni, ellenállásosztóval biztosítjuk az arányos töltődést. Kapcsolóüzemű tápokban gyakori a két soros 200 V-os elkó, 1 M + 1 M osztóval.
(#) antikzsolt hozzászólása Jún 23, 2019 /
 
Sziasztok.

Szeretnék érdeklődni hogy használt e valaki fogyasztás mérőt. Itt a fórumon megírtam hogy január környékén tönkrement a hűtőm és még nem lett megcsinálva. (nincs rá szükség) Viszont a fogyasztásom drasztikusan megemelkedett. Az addig fizetett 110-110kw után már mind a két órán 150-150Kw mérek. És valahogy nem tudom felfogni hogy miként ugorhatott meg ennyire a fogyasztás. Gyanakszom hogy a csoda digitális villanyóra van megzavarodva.
Új fogyasztó nincs. Többen sem lettünk.
(#) aramis hozzászólása Jún 23, 2019 /
 
Sziasztok!Legyen olyan kedves valaki világositson fel a szobai ventillátorom leállt szédszedtem és sajnos a segédfázis tekercs megszakadt csak egy főtekercs van az jó . Lehet rá kötni az 1.5 mf kondit és hogyan sorba vagy párhuzamosan? kiprobáltam kondi nélkül csak zug de nem indul el.
(#) (Felhasználó 116638) válasza Teaway hozzászólására (») Jún 23, 2019 /
 
Én is ezt mondom, semmilyen elkót nem láttam még 550V felett.
Se 22, se 3300 µF-ot. 630V-ost főleg nem.
Persze létezhet, de még sosem láttam.Gyártanak egyáltalán elkót ekkora feszültségre?
A hozzászólás módosítva: Jún 23, 2019
(#) Bakman válasza aramis hozzászólására (») Jún 23, 2019 /
 
Milyen eredményt vársz a szakadt tekercs és kondenzátor kombótól?
(#) pipi válasza antikzsolt hozzászólására (») Jún 23, 2019 /
 
Hali!
Nem világos mit szeretnél, mi a kérdés?
Ha kölcsönbe szeretnél ellenőrzéshez egy fogyimérőt, tudok adni.
(#) aramis válasza Bakman hozzászólására (») Jún 23, 2019 /
 
Arra gondoltam hogy a tekercshez bekötöm a kondit sorba és talán elindul
(#) Bakman válasza aramis hozzászólására (») Jún 23, 2019 /
 
A segédfázis billenti ki a forgórészt a holtpontból, anélkül nem fog normálisan működni, legyen szó bármilyen kondenzátorról. Mivel az nálad szakad, újra kell tekercseltetni a motort.
(#) pucuka válasza Teaway hozzászólására (») Jún 23, 2019 /
 
(#) Teaway válasza pucuka hozzászólására (») Jún 23, 2019 /
 
Értsd: 22µF-osból nem láttam még 500V felettit.
1000µF-tól felfelé persze hogy van, akár 630-750-900V-os is.
(#) antikzsolt válasza pipi hozzászólására (») Jún 23, 2019 /
 
Nem kölcsön kell. Csak egy viszonylag pontos mérő kellene lehetőleg nem arany áron. Mosógép. bojler, számítógép, hűtő. Ezeket kellene lemérnem.
A hozzászólás módosítva: Jún 23, 2019
(#) proli007 válasza aramis hozzászólására (») Jún 23, 2019 /
 
Hello! Mindig józan paraszti ésszel kell gondolkodni. Ha egy kondival menne, volna olyan gyártó aki vesződne a segédfázis tekerésével? De a helyedben megnézném a segédfázis kivezetések beforrasztását, esetleg kapcsol működését (ha van olyan). Mert ilyen kis motor esetén leginkább ott lehet valami hiba.
(#) lóri válasza antikzsolt hozzászólására (») Jún 23, 2019 /
 
Ilyen Hunrád -os nem jó?
(#) antikzsolt válasza lóri hozzászólására (») Jún 23, 2019 /
 
Ha valamelyik saccolásra jó nekem megfelel.
(#) pipi válasza antikzsolt hozzászólására (») Jún 24, 2019 /
 
Közelítő mérésre bármelyik jó... Szerintem kis fogyasztóknál csalnak.
Aldiban/Lidli-ben is szokott lenni.
Ami nekem van régebbi, az a laptop kapcsi tápot nem szereti, erősen gyanús hogy sokkal többet mutat. A pc fogyasztását kb jól jelzi.
Esetleg arra figyelj, hogy a koszos fi-t is mérje, induktív fogyasztóknál beleszól a valóságba...
Van egy leszerelt "hivatalos" lcd-s fogyimérőm is, de azzal még nem kísérleteztem.
Gyors mérésre meg jó lehet a multimétered is, egy konnektordugó és konnektoralj közé bedrótozva árammérésben....
A hozzászólás módosítva: Jún 24, 2019
(#) Lamprologus válasza antikzsolt hozzászólására (») Jún 24, 2019 / 2
 
Próbáld leellenőrizni a meglévő fogyasztásmérőt! ...
Keress valami nagyobb, ohmikus fogyasztót (pl. villanybojler, olaj radiátor ... ) kapcsolj le minden mást, olvasd le a fogyasztásmérőt, kapcsold be a nagy fogyasztót, mérj rajt áramot, feszültséget ... járasd (pl. fél óráig) majd olvasd le a fogyasztásmérőt. Aztán számolj: feszültség×áram×idő
(#) antikzsolt válasza Lamprologus hozzászólására (») Jún 24, 2019 / 1
 
Kihagyom ezt a lehetőséget. A szükséges rutin hiányában félő hogy bajt
csinálok. Jobb esetben csak sötét lesz.
(#) kriszrap hozzászólása Jún 24, 2019 /
 
Sziasztok

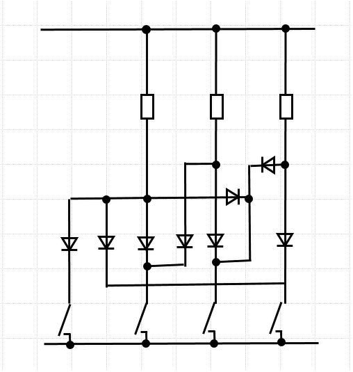
Kapcsolog helyén smd tranziztorok vannak.
3 ellenállásom van amikor megnyomom az egyes gombot akkor 1.2k nál zár a tranziztor ha a 2. gombot akkor 3.5 és 1.2k kilos ilyenkor párhuzamba vannak (kinaiak igy oldották meg.).
3. ellenállást ugy szeretném 5.7k hogy ha az 1 gombot megyomom purhuzamba legyen 1.2k val ha pedig 2 gombot akkor pedig 1.2k 3.5k legyen párhuzamba. Valamilyen dioda kombinációba meglehet oldani??
A hozzászólás módosítva: Jún 24, 2019

Névtelen.png
    
(#) Epu2 válasza kriszrap hozzászólására (») Jún 24, 2019 /
 
Igen. A kapcsolót diódával arra az ellenállásra, ellenállásokra kötöd, amelyiket párhuzamosan akarod kapcsolni. Vedd figyelembe a diódák nyitóirányú feszültségesését. 0,6...0,8 V.
(#) kriszrap válasza Epu2 hozzászólására (») Jún 24, 2019 /
 
Lerajzolnád hogy pontosan hogy gondoltad??
(#) Maximo hozzászólása Jún 24, 2019 /
 
Üdv.Van ez az erősìtő kapcsolás amit meg szeretnék épìteni.Az a kérdésem:Amit bekereteztem onnan kapja az egyik szál drótrol a 12V ot?A másik drót hová csatlakozik be?Megtudná nekem valaki ìrni.
(#) kapu48 válasza Maximo hozzászólására (») Jún 24, 2019 / 1
 
Az IC közepére odavan írva, hogy GND. Ahova azok a vezetékek mennek az mind a Táp V- ága.
A legjobb hely a 2200µF elko - vége.
A hozzászólás módosítva: Jún 24, 2019
(#) Epu2 válasza kriszrap hozzászólására (») Jún 24, 2019 /
 
Valahogy így. Tkp, egy dióda mátrix.
Az 1-es kapcsoló az 1-es ellenállást,
a 2-es az 1-es és 2-as ellenállást,
a 3-as kapcsoló az 2-es és 3-ás ellenállást,
a 4-es kapcsoló az 1-es és 3-ás ellenállást kapcsolja.
(#) Gafly válasza Epu2 hozzászólására (») Jún 25, 2019 /
 
És még mindig benne a pakliban a diódák nyitófeszültsége (ahogy írtad korábban), különös tekintettel az 5V tápfeszültségre (és ki tudja, hogy a kiértékelő áramkör milyen?)...
(#) Epu2 válasza Gafly hozzászólására (») Jún 25, 2019 /
 
A diódák feszültség ejtését meg lehet felezni shottky diódákkal, vagy jobb minőségű Ge diódákkal. Egyébként a tranzisztoron is van maradék feszültség. Most jut eszembe. HA apró MOSFET-ekkel kapcsolod az ellenállásokat és a mátrixot a Gate-jükre kapcsolgatod ezek a hibák kizárhatók.
(#) cmdnetwizard hozzászólása Jún 25, 2019 /
 
Sziasztok!

Bevallom vétkem, nem találtam meg a megfelelő témát a kérdésemnek, mert igazából még azt se tudom, hogy milyen vonalon induljak el a kis projektem megvalósításához...

Szóval, adott egy hűtőkamra, melynek a hőmérsékletét lenne szükséges folyamatosan figyelni, és egyes időszakban értesítést küldeni meghatározott hőfok tartományon kívül, valamint valamint érdemes lenne a meglévő adatokból grafikont gyártani webes felületre, meg mindenféle csilivili feature-t hozzá lehetne pakolni.

Ez utóbbival nincs is gondom, mert a webes technológiákban otthonosan mozgok, meg tudom csinálni azon részét a projektnek, ami a hőmérséklet adatok beérkezésétől egészen a dinamikus grafikonokig tart. Viszont az adatok előállításával, és elküldésével már gondban vagyok. Ugyanis egyrészt szükséges lenne a hőmérséklet mérése, a kapott adat kiértékelésére, valamint az értékek feltöltésére HTTP-n keresztül. (Ez utóbbi lehet GSM, WiFi, vagy LAN, és menő lenne, ha ezek a végpontok csere kompatibilisek lennének igény szerint )

Első körben egy MCP9808-ra gondoltam, mert I2C-n beszélget, és állítólag pontos, továbbá -40 °C-ig mér. Továbbá az RPI-vel szemezek, mert annyira nem méregdrága, és linuxot futtat, amit meg szeretek bütykölni, valamint natívban támogatja a netes kommunikációt, de valahogy ez olyan "ágyúval verébre" érzéssel tölt el. Szóval ebben szeretném kérni a segítségeteket, véleményeteket
Következő: »»   3333 / 4059
Bejelentkezés

Belépés

Hirdetés
XDT.hu
Az oldalon sütiket használunk a helyes működéshez. Bővebb információt az adatvédelmi szabályzatban olvashatsz. Megértettem