Fórum témák
» Több friss téma |
LCD-re rá lehet valahogy illeszteni ezt a típust ? Analógon, ( CRT-n ) tökéletesen működik !
Nem emlékszem hogy milyen kábel kivezetése van, de ha antenna bemenetre rá lehet kötni, akkor megpróbálnám úgy megkeresni a tv-n mint egy Tv adót.
Van RF kimenete, az OIRT2 csatornára volt hangolva.
Videoton TV játék
Igen 59.25 MHz. Leírás Ezen a f.. samsung menün ezt lehet. Kiválasztottam egy analog csatit és a freki közelébe érve kiugrottam az állításból. Mert így lehet csak ott megállni ahol akarok, ha nincs elég erős jel szerinte is .
![]() Aztán menüben át a finom hangolásara. Itt a nulla alap álláshoz képest + irányban 32 értéket lehet beállítani ill. - 32 őt de nem leltem. A hozzászólás módosítva: Júl 7, 2016
Most 55 körülire állítottam itt elkezdett csíkozni vízszintesen mintha lenne itt valami, de elindult egy programozott felvétel vissza kellett dugni a kábel tv-t. Majd ha leállt a felvétel még próbálkozom, de ez a beállítás egy vicc.
Ettől jobb nem sikerült. 51.20 MHz Valami ötlet mivel lehetne még simítani ? Nem tudom mit nem tudnak a mai tv-k a crt-khez képest, mi lehet a problem.
Nem jó helyen vagy, mert ez az 512 megahertz.
Én OIRT2 csatornát írtam, de Te is megerősítetted, hogy 59,25 MHz. Te ehelyett a tízszeresénél keresed.
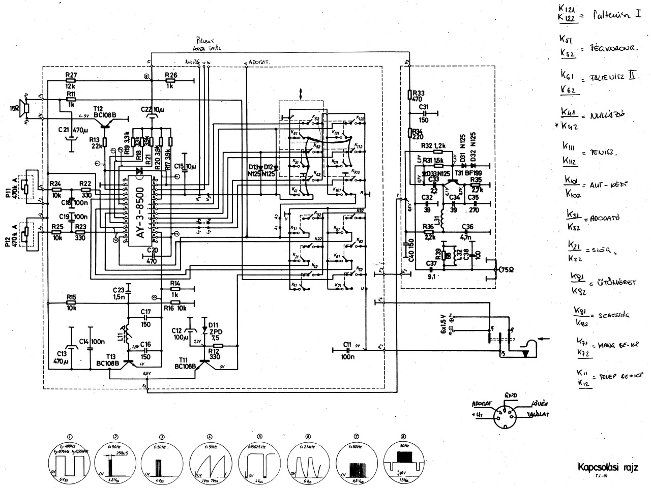
Sziasztok! Hozzájutottam egy ilyen gyönyörű Videoton TJ-01 ponghoz. Szeretném átalakítani, hogy működjön sima kompozit videórol is, nem akarom az RF jelet használni. Nézegettem a kapcsolást, elvileg a rajz tetején lévő V1 és V2 közötti rész a kompozit videó melegpontja. Szerintetek szükséges egyéb átalakítás is hogy működjön így? Előre is köszi. (csatoltam az eredeti kapcsrajzot)
Én is erre keresem a választ, neked végülis sikerült megoldani? Üdv. P.
Még egyelőre nem, most vettem meg hozzá a tranyókat, és az új elkókat, lehet hogy jövő héten kicserélem, és akkor megpróbálom. Megírom, ha sikerül, ha nem.
Igaz nem videoton, de ugyan ezzel az ic-vel készített játékban volt szétrohadva az rf rész, simán az ebbe menő vezetéket kötöttem av-nak és működik. Persze az igazi restaurálás az a teljes helyreállítás lenne.
Én anno megcsináltam, működött is, most megtaláltam újra, de kellene egy kapcsolási rajz!!!
Most is működik, hang is van, képet nem tudom beállítani, szalad és vibrál ... Ez a kapcsolás kellene RT évkönyv 1979-ben jelent meg.
Nem lehet, hogy Te is rossz helyen keresed? A VHF sávon 2-es csatornán kell keresni! De ezt kicsit feljebb már mások is írták.
A hozzászólás módosítva: Okt 10, 2016
Sziasztok!
Videoton Ping-pong játékból megpróbáltam előcsalogatni a kompozit videó jelet LCD tv számára. Először megpróbáltam csak lekötni a modulátor elöl a jelet. CRT tv-n működött is úgy ahogy. De az LCD tv-nek nem tetszett. Ezt nincs jel fellirattal tudatta velem. Ezután összeállítottam a 2-es képen látható a kapus áramkört. Sajnos továbbra sem megfelelő a jel az LCD tv számára. (A kis képcsöves tv-n működik.) Tudnátok nekem tanácsot adni, hogy min változtassak a kapcsoláson?
Nem írtad , hogy miként akartad az LCD tévére csatlakoztatni.Koax , vagy RCA , vagy ?
Modulátor kiszedve a kompozit videó jelet szerettem volna a tv-re kötni RCA-n keresztül.
És a modulátor kimenete az LCD tévé koax bemenetére nem jó ?
Nem nehéz megkeresni, ha ott keresik ahol van és nem a tízszeres frekvencián! Többször le volt írva a pontos frekvencia, mégsem arra lett állítva.
Értem viszont , akkor az után kellene járni még , hogy az LCD tévére adott jel ezek után ne hogy sok legyen , aztán előbb utóbb nehogy kinyírja a bemenetét.Mert ott is olyan 1.5-2v jel már elég szokott lenni .
Oké akkor állítgassátok. Nekem már nem kell. Csók, puszi.
Sziasztok!
Kb. mennyibe kerül az ay8500-ic? Előre is köszönöm! K2006B
Sziasztok!
Előre is elnézést az elkövetkezendő buta kérdésekért, de lelkes vagyok csak hozzáértő nem. Szert tettem egy Videoton Pong játékra ami nem akar működni. Első körbe kiderült, hogy szakadás van az elemektől érkező kábelben az ideiglenesen áthidaltam, aztán ez alapján a link alapján indultam el: https://frescho.hu/videoton-tv-jatek/ Tipikus hibának írja hogy fordított tápfeszültséget kapott így a tranzisztor mehet tönkre. (Itt jön a magas tudásom azon kívül, hogy létezik tranzisztor nem tudtam mit csinál, googlival picit segítettem magamon.) Szóval igyekeztem kimérni a dolgot 2 db tranzisztornak látszó elemet láttam abból az egyiket multiméterrel megmértem ezt a videót vettem alapul egyébként. https://www.youtube.com/watch?v=Fq9Amy2iAIg Szóval megmértem az egyiket, ami úgy nézett ki hogy a multimétert így érintettem: B láb piros – E láb fekete = 784 B láb piros – C láb fekete = 776 Ezen felbuzdulva a másikat is megnéztem: B láb piros – E láb fekete = 1 vagyis nem változott semmi B láb piros – C láb fekete = 289 Jó a következtetésem, hogy a tranzisztor valószínűleg rossz? Illetve hogy ez egy NPN típusú tranzisztor. Ha igen akkor kiforrasztom a helyéről, de még attól is félek, hogy az rendben van de lehet az írás már nem is látszik rajta fogok kapni a helyére olyat ami jó? Illetve az elsőként linkelt magyar leírásban ezt írja „További modernizációs ötletként egy 6V-os stabilizátor kockát is beépíthetünk a tranzisztor helyére.” Csináljam inkább ezt és milyet vegyek, hogy kell bekössem a lábakat? Köszönöm a türelmet, és egyéb tanácsot is szívesen fogadok, hogy mit mérjek még meg, de tényleg olyannak mondjátok, aki nem nagyon ért elektronikául és még ráadásul színtévesztő is Ezt vegyétek figyelembe![]() Köszönöm
Én utánépítettem ezt a játékot, ha lesz időm teszek fel képet.
|
Bejelentkezés
Hirdetés |


















