Fórum témák
» Több friss téma |
Fórum » Kábeli zűrzavar, avagy a drótok, alkatrészek hatása a hangra
Témaindító: highand, idő: Aug 12, 2009
A téma átmenetileg fagyasztva lett, hozzászólni nem tudsz!
Elnézést, de családi okoból, csak most tudok reflektálni a felmerült kérdésekre.
Kedves Zoltán, kérdéseket hagytál bennem reflektálásoddal.
Vajon mennyi időt szántál az ezüstözött tömör vezeték bejáratására. Ha az általam használt OCC silverből indulok ki, annak minimum 200 üó. dukál. És addig olykor igen boldogtalanul tud szólni. A másik, hogy milyen típusú rézvezetéket használsz jelenleg. De nem azért, hogy minősítsem, hanem, hogy ha réz, akkor ajánlanám annak az OCC változatát. Emlékszem amikor ez történ. Akkoriban, Karesz hatott rám a legjobban, mert Ő világosított fel, mint egy jó ügynök, hogy az nem szén, hanem MO. És ezt nem mondanám ezoterikusnak. Mint említettem a testelésétől tartottam, a külön két csatorna miatt. De a tapasztalatok szerint, elmegy, ha a fémrész nincs testelve. Idézet: „És ezt nem mondanám ezoterikusnak. Mint említettem a testelésétől tartottam, a külön két csatorna miatt. De a tapasztalatok szerint, elmegy, ha a fémrész nincs testelve.” Pedig házát földre kell kötni! Nem fog földhurkot okozni, ha tudod hová kell kötni! Földeletlen potiház zavarok forrása, Neked ezt érzékelni kellene, mivel jól hallható. A hozzászólás módosítva: Aug 4, 2019
A témánál maradva, a sértegetésről, elsősorban a témát nem kéne sértegetni, az ahhoz méltatlan kinyilvánulásokkal. Nem e témát forszíroznánk más építési témákban, és ott alakítunk ki vitás helyzeteket, hanem más témákból járnak ide, e témához hitetlenek, és provokálnak ki olykor alakalmat a téma zárolásához, elrontva ezzel nem kevés e téma után érdeklődő kikapcsolódási lehetőségét.
No persze az sem megvetendő, ha egymást is tiszteletben tartjuk a nagy vitázásban. Ami a véleményezést illeti, ez nem a ki mit épített téma! Itt nem igazán van helye a véleményezésnek. Itt tapasztalat csere, és az információ lenne a fő téma, és nem az önmegvalósítás. A második felvetésedre, az emberekről is tudjuk, hogy van nő, meg férfi, meg mások is. Akkor mindent tudnánk az együttélésről. Persze kényelmesen mondhatjuk, hogy jó együttélés rejtelme az ezotéria. Véleményem szerint ebben így nem lenne megoldás, és kis eséllyel adódnának szép dolgok az ember életében. Hogy mi közelíthet a jó megszerzéséhez? Hát a munka. Ki hogy vet, úgy arat. Ismerd meg magad, és így megismerhetsz mást is. És itt nem véleményezésre gondoltam. Ha tisztelsz mást, és annak a véleményét, magadat is tiszteled ezzel. A házasságban élés alapfeltétele (ha jó, és így élhető), hogy az egyik szereti a másikat, a másik az egyiket, és mindketten szeretik a kapcsolatukat. Nem tudom sikerült e rávilágítanom, hogy mennyit számít, mi van egy IC belsejében?
Kedves Fórumtársam, elnézést kell kérnem, ha nem voltam világos!
Az általam közölt képek csak áttételesen utalnak a hangzásra. Mondanám afféle térképnek. Természetesen két egyforma készüléket önmagának sem tud valaki építeni, mivel nem CNC technikát alaklmazunk, amivel legalább a közelébe férkőzhetnénk a klónozás tekintetében. Egyik helyen, másik helyen.... Egyik rendszer, másik rendszer.... Egyik ember, másik ember.... Nem vagyunk egyformák, így eltérően is gondolkodhatunk valamiről. Ezzel nincs semmi gond. De megint említeném, hogy e téma nem az eltérésekről szólna, hanem egyfajta közös tevékenységről, feltételezve a Szent-Gráll utáni érdeklődést az itt hozzászólóknál.
Kedves Károly. sok minden van, valóban.
De itt a hallható hangzást rakjuk az első helyre. Nem vita gyanánt, ha már így elmélkedünk, de olyan hangja a TL071-is van, mint egy mezei BC tranyónak. Idézet: „hanem egyfajta közös tevékenységről” Értelek, ezért is próbáltam arra utalni, milyen jó lenne közösen alkotni, és ott helyben megbeszélni, mit hallunk, mit változtattunk, és mi változott tőle. Tudom, hogy ebben igen komoly akadályok vannak, földrajzi, egészségügyi, anyagi, és még ki tudja, mi. Nekem pl. időm van nagyon kevés az utóbbi időben. Mostanában nem is szereztem semmi tapasztalatot (régebben a csöves technikában próbálkoztam). Én is azt gondolom, a sértegetésnek nincs helye, nem is vezet sehova.
Zoli, nem akartam csak az egyik oldalra földelni. Mint írtam, a tapasztalatom az, hogy csak kb 2cm-ről kezded hallani a brummot.
Ha földre kötöttem volna, az a csillagpontba lett volna.
Károly ebben a témában Te beszélsz a téma mellé. Itt nem a mérési eredmények az irányadóak, hanem a hallott hangzás. Én nem azt állítom, hogy az APEX-nél nincs jobb. Azonban a hallható benyomás miatt, a hangját illetően, megfelelőnek tartom, a tervezett helyére.
És jobban örülnék, ha hallanék a HTB1.0-ról, mert az pozitívabb a téma szerint is.
Ha valakit érdekelne az APEX, illetve a TL071 az APEX hátterében, egy érdekes tapasztalatom adódott nem régen. Vettem egy-két darabot belőle, nehogy beszerezhetetlen legyen az APEXhez megfelelő változat belőle (biztos ami biztos). Hát még az előző megépítettségi változatba dugva, meglepődtem a hallott hangján. Kicsit halkabb volt, de jobban vezérelhető. De ezt az előző kiépítettségben volt, ahol 47k helyett 10k volta bemeneti poti, Jantzen silver gold 220n helyett 470 Wima volt, közös földcsillagponttal, és más "apró" eltérésekkel. Ha bejáródott az OCC silver kábelezés, és kialakult a végleges hangkép, tervezem, hogy újból kipróbálom, hogy mi a különbség a több, mint 20 éves darabok között.
Azért, ha komplementer MOSFET a teljesítmény fokozata van egy tápáram vezérelt erősítőnek, annak illik beállítani a nyugalmi áramát. Azt kérdeztem, ezt hogyan oldottad meg, ugyanis nincs Source ellenállása a BS170/250-nek, amin mérni lehetne. Ez nem mérési eredmény, hanem alapbeállítás, ami fölött nem illik elsiklani - még akkor sem ha nem tudsz erről.
Arra gyanakszom, hogy összedrótoztad a kapcsolást és azt csinál amit akar. Emiatt voltam kíváncsi arra, hogy mértél-e valamit. Persze közben tudom, hogy nem... mert az már nem audiofil dolog. Mind-e közben ismét arra hivatkozol, hogy most szarul szól ugyan, de majd ezer óra bejáratás után eléri azt a hangminőséget amit egy nem audiofil, két tranzisztoros, BC-kből megcsinált soha nem fog.... és egyébként is akkor olyan nagy volt a zavar a hálózatban, hogy azt nem lehetett "bejáratni" olyan áldatlan állapotok mellett (miatt). Örülök, hogy ezek a zavarok azóta megszűntek és kívánok kellemes zenehallgatást. Ismerek még alapkapcsolást uA741-el is, az se kutya.
Lehet, hogy nyugalmi áram nélkül sokkal jobban szól, mint vele! Hogy a szkóp mit mutat, az annyira nem fontos, csak a hallgató legyen vele elégedett! Ez a téma (topic) lényege!
Kedves Károly!
Megkérnélek felvetéseddel vonoljunk át az ennek megfelelő fejhallgató erősítő témába. Részemről mentem.
Szerintem, hogy a nyugalmi átram nagysága hogyan befolyásolja az erősítő hangját, ide tartozik!
Vagy a mérés és a konkrét mért értékek ebből a témából ki vannak zárva??? Ide csak az elméleti dolgok, mint pl. puha hang/izzadó mélyek jöhetnek?
Tudod, feljebb már említve lett, hogy ez nem mérési rovat.
Ennek oka, hogy a méréseken kívül van még egy-két dolog ami befolyásolja egy erősítő hangját. De mondhatnám úgy is, hogy nem látni a témacímben a "mérések" szót. Vagyis szerintem, véleményed téves.
Az APEX elejét módosítottam úgy 110 órája. Az előzőekhez képest belekerültek a Jantzen silver gold 0,22 µF-ok is. Anyagiak híján, a FH6-300-ból kerültek bele, annak kondijai, abba pedig a szintén anyagfelhasználás miatt a bontott FH4-T- ből a Superior Z cap 0,1µF-ok, hogy ne maradjon torzó a FH6-300.
Már én is nehezen viselem a bejáratás nyűgeit, de talán megint nem hiába. Az eltelt időben volt minden. Torzítástól a magas hang hiányon át a gépies hangokon át, - amit akarsz -ig. Ami viszont e kábelt részben fémjelzi, a dinamikatöbblet, az az elejétől megvan stabilan. És erre rakódik a többi, mint eddig is, meg majd az ezutániak is. 90 üó táján alakulgatnak a magasak. Előszőr egy szűk sávban géphangosan, és jelenleg ezek tisztulása zajlik. A Wimák cseréjével a magasaknak és mélyeknek is illik nyúlni. És a lefelé zengő mély a dinamika miatt elég kemény hatással szól vele. Remélem a végén nem kell benne csalódnom benne.
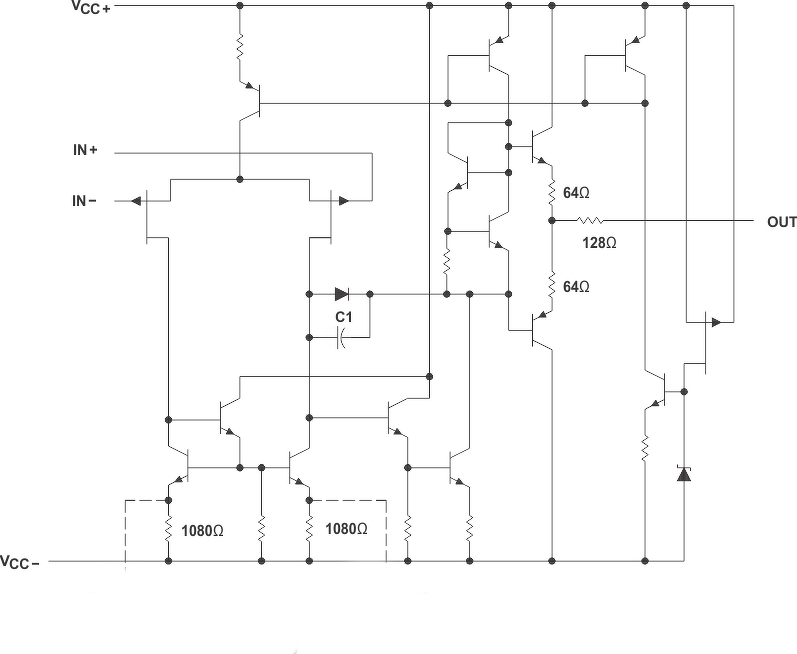
Sziasztok!
Mindig izgatott mi van ezekben a méregdrága modulokban. Itt van például ez a Goldmund A1, A2 stb modul. Kicsit olyanok mint a Marantz HDAM kockái. Semmi komoly nincs bennük, sőt gyakorlatilag az egész egy iker jfetre épül. A vaskalapos úriember az ott a maga személyben. Bár nem a legolcsóbb alkatrész, de ez nem indokolja a 250 $ árat modulonként. Gyakorlatilag egy légszerelt jfet bemenetű diszkrét műveleti erősítő. Szívesen meghallgatnám egy ilyen Goldmund mimesis3 vagy valamelyik testvére hangját. A képek minősége elég gyenge, de ha valakit érdekel, PC-ről tudok jobbat feltenni. A hozzászólás módosítva: Aug 11, 2019
Amíg nem hallja az ember nincs miről beszélni.
A márkanév önmagában pluszköltség, mivel abban reklámtól kezdve minden önköltség jelen van az árában. Hát ez is megérne egy misét. Csak hát honnan az eredeti alkatrész hozzá?
Mint írták, vedd meg, hallgasd meg.
De ha nem fog tetszeni, akkor biztosan a hangrendszered többi részében van a hiba. Ezüstös kébeleket használsz mindenhol?Mert ha nem, akkor felesleges ez a légszerelt műv. erősítő, amiben 0.01g ezüst sincs! 250$-nyi pénzed csak van akár egy teljesen felesleges valamire is. Ha nem tetszik, eladod 250$-ért, biztosan megveszik tőled, így nem buksz rajta semmit .
Amíg nem ettél párizsit /nem voltál a Horvát-tengerparton/nem feküdtél vízágyban/stb, addig felesleges róla beszélni? Miért nem lehetne? Vagy ebbe a témába az a belépő, hogy valaki sok pénzzel támogassa ezeket a gyártókat? Ez elég zavaró hozzáállás a részedről.
A hozzászólás módosítva: Aug 11, 2019
Mek-elek titokban bedolgozik a Goldmund-nak?
Az utóbbi hozzászólásokban csak Gee Lee-t és az áramkör felvetőjét érzem pozitívnak.
A többi már megint személyeskedés. Én nem értem, már megint mért kell e témában bikaviadalt kreálni. Itt tapasztalatokról kellene beszámolni, és nem vélt elvekkel, feltételezésekkel, negatívba operálni.
A saját véleményem a Goldmunról, megnézve nagyban a kapcsolási rajzát, audio szempontból vélekedve, hogy tele van problémával.
Mondanám alkatrész temetőnek is. De az igazi probléma, ami ebből fakad, hogy hogy lehet egy ilyen bonyolult áramkört audiofil szempontból megfelelően huzalozni. És a tápolása magában is költséges, és elgondolkodtató a félutas egyenirányítás is benne. Szóval nem kis kihívásnak érzem audiofil szempontból, a "gatyába rázását", ki tudja eredménnyel, ha a hangját veszem alapul, és nem a mérési eredményeit. További kérdés a teljesítmény FET a végében. Vajon mennyire szellős hangzást tud produkálni. Hogy áll a finom részletek simulékony megszólaltatásához. Kicsit olyan ágyúval verébre érzésem lett bennem a rajzot nézve.
Alkatresz temeto, audiofil huzalozassal.
Az a rajz egyszerűbb mint a legtöbb műveleti erősítő belseje. Nekem volt ehhez hasonló, csak IRF-ek voltak a végén, nem volt rossz, de jónak sem mondanám. A tápját úgy csinálod meg ahogy akarod, nem kell ragaszkodni a rajzon lévőhöz.
A végén kimondottan audio célra gyártott fetek vannak (olyan mint a 2SK-2SJ páros), azokat ne keverd össze az IRF és hasonlókkal, más paramétereik vannak, és a hangjuk is más. Az IRF-IRFP és hasonlókat is be szokták tenni erősítő végébe, de az igazából nem oda való. |
Bejelentkezés
Hirdetés |





De ha nem fog tetszeni, akkor biztosan a hangrendszered többi részében van a hiba. Ezüstös kébeleket használsz mindenhol?




