Fórum témák
» Több friss téma |
Ez érdekesnek hangzik, szerinted lehet valahol megtudni róla valamit?
Kösz a tippet, szerintem telitalálat. Ezek szerint 15-100 nS között kapcsolható késleltető vonal.
Nem kapcsolható, fix késleltetésű. Az IN bemeneten beadott jelet adja ki késleltetve az 1, 2, 3, 4, OUT kimeneteken. Mindegyiken egyre nagyobb késéssel. Hogy mekkora késés van az egyes kimenetek között azt nem tudom, de valoban 10..100ns (kis s!) közötti lehet. Ilyen 5 kimenetű gyakran fordult elő MFM Winchester-vezérlők digitális PLL-jében egy 10 kimenetű társaságában. Egy kép a házi készítésű kontrolleremről 1991..92-ből.
Ezek szerint ezt se fogom már felhasználni semmire. Valamikor régen egy 5 Mb-os MFM Winchester volt az első háttértáram, talán abból bontva került a fiókba, hogy majd jó lesz valamire.
Ezek után óvatosabban turkálok abban a fiókban, lehet ott még esetleg élő dinoszaurusz is.
Azt a fiókot óvatosan nyitnám ki a helyedben , lehet hogy van ott még egy működő náci alakulat is ....
A stúdióvaku probléma hozzászólások áthelyezésre kerültek a helyére, a Stúdióvaku probléma topikba.
Bocsi, elfelejtettem, hogy a telefon nagy képeket csinál. Majd hétvégén leszek gép közelbe és lekicsinyítem. Vagy visszamegyek a boltba kérek egy eladót, és utólag megírom mi van a gép hátulján.
Sziasztok! Mellékelt képen látható alkatrész beazonosításában kérnék segítséget.Elsősorban tipusa érdekelne.Köszi!
Szia! Esetleg ez a triak lenne?
Bővebben: BTA2008W-600D
A késleltető(k) segítségével oszcillátort lehet építeni.
Sziasztok,
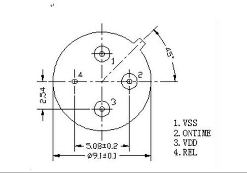
PIR-szenzorral akadt kis gondom. Az elsó 2 képen a szenzot, a harmadikon a gyári lábkiosztás. De valahogy nem stimmel a két dolog, a fémház kivezetés nem ott van ahol a rajz mutatja. Vagy én nem értelmezek valamit jól?
Sziasztok,
Van egy stabil 6:voltot elő állító elektronika egy szabályzóban. Az első képen lévő IC alsó sor második lába van összekötve a masodik képen lévő fet gate lábával, de amikor működik az elektronika a gate lábon 0.05V feszt mérek csak. Az lenne a kérés az első ict hogy keressem, vagy mi lehet jó helyette?
Oszcilloszkóp mit mutat a FET Gate lábán? A mezei multiméter nagyon csalóka lehet.
Nekem csak ilyen szkóp szerüség van. Mire állítsam, mert ráterrem tesre és a gate lábra, de ennyi látszik. Eddig még nem nagyon szkópoztam.
Szerintem jó az. Az 1-es láb a ház vss.
A 4-es valami láb szerintem nem számít hogy kisebb karikát tettek oda...
Nagyon jó kis szkópod van, ne becsüld le
.Mérd végig a meghajtó IC lábain lévő jeleket; sokkal okosabbak leszünk, és talán még az IC típusát is ki tudjuk találni. Ja, és tedd a szkópot DC-be. A hozzászólás módosítva: Aug 16, 2019
Milyen értékekre állítva nézzem? Sajna még annyira nem vágom a szkóp használatot.
Erre mit mondjak, furcsa egy adatlapi kép. Például a BC303 tranzisztor egyértelmű.
Ennek ellenére kipróbálom az általad mondottak szerint, lesz ami lesz.
A számozás és a fénykép alapján a rajzon van elrajzolva a kis karika.
Az biztos, hogy a tok a Vss, nagyon valószínű hogy vele szemben van a Vdd. A másik kettőt meg ki lehet mérni... Nagyon nem aggódnék, elrajzolás elő szokott fordulni.
A DC 0 szintet vidd le a fotóhoz képest 3 vonallal. Az érzékenység maradjon 1V, az időalapot addig tekergesd minden láb mérésekor, hogy 2-3 periódusnyi jel férjen az ernyőre. A trigger legyen kezdetben NORM, majd ha szép képet kapsz, válts át SING-re, hogy ne legyen folytonos ugra-bugra, amíg fényképezel. A trigger szintet pedig állítsd 2 vonallal a DC 0 szint fölé.
Várjuk a képeket...
Az alábbi szobatermosztátot kellene beállítanom. Nem tudom milyen gyártmány és hol találok hozzá kezelési útmutatót. A segítséget köszönöm!
Most hogy így mondod mi sem tudjuk ...
Idézet: ...a dobozában, valamint a típusszám ismeretében a netről nagy eséllyel megszerezhető. „kezelési útmutatót”
Talán így látszik.
http://kepkezelo.com/images/1hxfcnmlogk6cuvtjvws.jpg
Feltételezem ha megnyomod az óra gombot és nyomva is tartod, fel-le nyilakkal beállíthatod az időt.A nap és hold gombocska vált át nappali illetve éjszakai üzemre.A P gomb pedig nyomva tartva vagy lenyomva szintén nyilakkal állítható a hőfok, valószínűleg több menthető verzióval, attól függ ki mennyire fázik illetve dominál ez ügyben
Persze az sem kizárt hogy a gombokat röviden nyomva villog és utána lapozható az érték, viszont az utolsó meg nem említett gombbal valószínű alap képernyőre áll vissza a kijelző.
T105 programozható távvezérelt termosztát: Bővebben: Link.
Sziasztok!
A mellékelt képen láható alkatrész bezonosításánál akadtam el. A felirat az alkatrészen: MX C211 Ebben kérem a tisztelt tagság segítségét. Az alkatrész egy Siemens S7 PLC szervó/frekvenciaváltó vezérlő moduljában található, az FM 354-es típusban. Minden támpont jól jönne, barátom a google cserbenhagyott! Köszönöm előre is! |
Bejelentkezés
Hirdetés |













.

