Fórum témák

» Több friss téma
Fórum » Rádió áthangolása, OIRT - CCIR konverter
Lapozás: OK   19 / 24
(#) tommeeka válasza pucuka hozzászólására (») Aug 26, 2019 /
 
Köszönöm!
Akkor ez a kapcsolás ugyanazt tudja, mint az SO42-vel felépítet
(#) pucuka válasza tommeeka hozzászólására (») Aug 26, 2019 /
 
Nem egészen. Az S042P csak keverő, míg az L1185 komplett AM/FM KF IC.
Azért kell az L1185 -el picit mókolni a bemenetén, hogy ne kelljen hangolni.
(#) tönöpö válasza pucuka hozzászólására (») Dec 26, 2019 /
 
Sziasztok! 2018. december 30-i válaszomban leírtam, hogy én nem mertem belefogni az áthangolásba, mivel nem értek annyira a negyfrekihez, hanem egy számomra egyszerűbb, konverteres megoldást választottam, sikerrel. Csak nem lett azért ez egy tökéletes megoldás, sztereóban sistergett, kisebb adók zajosak voltak, ezért most karácsony előtt úgy döntöttem, kiveszem a konvertert, és áthangolom a Hitachi TRK-8010K rádióját a CCIR sávra. Pucuka leírása alapján 15pF-es kondikra cseréltem a C102 és C109-et. Az L101 3 menetes tekercsét az írás alapján 4 menetesre, a névtelen, R108-al párhuzamosan kötött 2 menetes tekercset 3 menetűre változtattam, az eredeti huzalátmérőket betartva (0,5mm). Ezek nagyon jol sikerültek, betartva a szoros, menet menet mellé elvet, sőt az itt lényegtelen menetirányt is betartottam. A 3 lábú szűrőt kikötöttem, ki- és bemenetét átkötöttem. Bekapcsolás után csak a Rádió1 jön be (87,90Mhz), a skálán szinte ugyan azon a helyen, az egy harmadán, ahol korábban a konvertellel is bejött. Azonban nagyon torzan, sisteregve, és más adó nem is jön be. Jó lenne még Retró (94,90) és a Rádió88 (95,40).
Ha kaphatnék egy kis segítséget, mert csak sejtem hogy az L101 az oszcillátor és az ismeretlen a modulátor tekercs, de ez sem biztos. Kerestem és találtam egy másik Hitachi TRK-8005e rajzát (mellékeltem), amelyik eredetileg már az OIRT sávra készült, és ahogy sejtettem ugyan az a kapcsolás. Itt C102 16pF, C109 12pF. A tekercseket nyilván nem tudom, de mindkét helyre a 15pF nálam jó lehet. Tudnátok egy lépésről lépésre segítséget?
(#) tönöpö hozzászólása Dec 26, 2019 /
 
Vagy lehet, hogy ez a 8010K típus is eredetileg a CCIR sávra készült, úgy, mint a fent hivatkozott 8005e, és csak a kondikat rakták nagyobbra? Így a tekercseket nem is kellett volna átalakítanom, csak kivenni belőlük a ferrit magokat? Mert az enyémben vannak, ezt nem is írtam eddig, bocsi.
(#) tönöpö hozzászólása Dec 26, 2019 /
 
És az eredeti CCIR sávra való tekercs méretezést erősíti szerintem az, hogy a menetszám emelésével így már nagyon nagy lett a sávszélesség, mivel rendkívül kis tekerés a gombon és elmegy az adó.
(#) fecameca válasza tönöpö hozzászólására (») Dec 26, 2019 /
 
Nem tudom, te hol laksz, de nálunk egy jó rádión antenna nélkül is bejön az összes adó. Az első lépés mindenképp az oszcillátor behangolása lenne, úgy, hogy a második tranzisztor emitterére vagy az antenna kör forgó-kondenzátorára teszel egy fél-1 méteres drótot antenna gyanánt. Ha csak nagyon távoli adók vannak, akkor a legjobb lenne egy frekvenciamérő, a venni kívánt frekvencia +10,7 MHz beállítására. Ha nem lehetséges a trimmer kondenzátorokkal, a tekercsekben levő vasmagot nagyon lassan, csipesszel mozgatva hangolhatod, amit, ha jó helyen van, méhviasszal, vagy paraffinnal lehet a kívánt helyen rögzíteni. A 3 menet oszc. és a 4 menet antennakör szerintem a szokásos, de vasmagok nélkül. Azokat ne dobd ki egyből, hanem nagyon lassan húzd ki, nem-e vesz adást amikor már majdnem teljesen kint van? Azok a kondenzátorok akkor is szükségtelenek, ha eredetileg CCIR volt a rádió, mert vissza tudod hangolni vasmagokkal is. A forgókondenzátor tetején levő trimmerek kapacitása elég a behangoláshoz. Minden pluszban betett kondi csak csökkenti a sáv átfogást. Ha az oszcillátor a helyén van, minden adó ott jön, ahol kell, akkor az antennakört max hangerőre, illetve legkevesebb zajra hangolni már nem művészet. Betekert forgónál a tekercsek vasmagját, kitekert állásban a trimmer kondit kell állítani, amíg nincs változás, anyiszor ismételve. Végül az összes tekercset ellenőrizd le vasmaggal és réz csavarral közelítve, ha jók, akkor mind a kettő ront rajta.
A hozzászólás módosítva: Dec 26, 2019
(#) tönöpö hozzászólása Dec 26, 2019 /
 
Szegeden lakom, és a fenti 3 adó helyi, tehát van térerő. Mielőtt neki kezdenék, kérdésem még, hogy a két 1-1 menettel megemelt modulátor, illetve oszcillátor tekercs maradjon, vagy állítsam vissza a gyári kevesebb menetre? Amikor azt írtad, hogy: Azok a kondenzátorok akkor is szükségtelenek, ha eredetileg CCIR volt a rádió.... Itt az antennakör és az oszcillátorkörben található mindkét kondira értetted? (C102, C109). Ezeket vegyem ki? Mert az oszcillátor körben a tekerccsel párhuzamosan így nem marad semmi kondi, nem lesz rezgőkör, nem? A többi teljesen érthető, köszi. A mellékelt rajz az én rádiómé.
(#) tönöpö hozzászólása Dec 26, 2019 /
 
Közben raktam antennát T2 emitterére, kivettem a ferritmagot (menetes) az antennaköri L101-ből, ekkor még semmi, majd kezdtem kicsavarni az oszcillátorkör jelölés nélküli tekercséből is, ekkor megszólalt tisztán a Rádió1 Ennek a frekije 87,90Mhz, tehát a sáv alja, de ez a skálán kb. 106Mhz körüli helyen jön be, azért nincs másik adó. A kondikat még nem vettem ki. Mivel vigyem le ezt az adót a skála elejére, másik végébe? A vasmaggal, vagy a kondit ki, vagy a trimmer kondival?
(#) pucuka válasza tönöpö hozzászólására (») Dec 26, 2019 /
 
Oszcillátor tekercs 3 menet, vasmag nélkül, forgó + a rajta levő trimmer, és a 27 pF. (esetleg 15 - 18 pF közöttire cserélni)
(#) fecameca válasza tönöpö hozzászólására (») Dec 26, 2019 / 1
 
Ez a 27 és 30 pF azért durva. Ezekkel már csak OIRT vétel lehet. A 12 és 15 pF maradhat, ha annyi volt benne. Rezgőköröd mindenképpen lesz, mert elég a forgókondi és a vele párhuzamos trimmer. Az előző rajzon 12 és 15 pF volt! A 30 és a 27 pF semmiképp nem maradhat benne. További tévedések: L 101 nem az oszcillátor tekercse, hanem a másik az L103 (R108-al párhuzamos) az. A tekercseket több menetűre változtatni annyit jelent, hogy lefelé mész a frekvenciával 67 MHz helyett 60 felé, ahol már tényleg nincsen semmi. Én is Szegeden lakom, és ha jól tudom, a füvészkert melletti torony sugároz a 90-es évek óta mindent. Rádió 1: 87,9 Kossuth 90,3 Dankó 93,1 Retró 94,9 Rádió 88: 95,4 KarcFM: 100,2 Petőfi: 104,6 Bartók: 105,7 MHz Ezek nálam kiakasztják a térerő mérőt, de ha jó a rádiód, a szerbek, és néha románok is bejönnek belvárosi téglaház felső emeletén. Az L101 az antennaköri tekercs, és az az 1-el több menetű. Az szokott 4 menet lenni, a másik 3, de légmagosban. Ha kiveszed a vasmagokat, és széthúzogatod a meneteket, lehet, hogy nem kell belőlük kicsípni. Az igazi nagy tévedésed az, hogy az R 108-al párhuzamos, az oszcillátoré, azzal kellett volna állomásokat keresni, de a 27 pF nélkül, és alig benne levő vasmaggal. Sőt a tekercs meneteit is lehet szét húzogatni, legalább fél mm legyen a menetek közt.
A hozzászólás módosítva: Dec 26, 2019
(#) tönöpö hozzászólása Dec 26, 2019 /
 
Ne haragudjatok, de a korábbi leírásod alapján oszcillátor tekercs a 2-ről 3 menetűre kicseréltem. A C109 27pF kondit 15pF-re kicseréltem. Vasmag ki van véve, így jön be most a Rádió1 (87.90Mhz) a skála 106Mhz-es részén. A skála elejére kellene vinni, de a trimmerekkel csak kicsit lehet, szinte semmit. Vegyem ki a 15pF-et?
(#) fecameca válasza tönöpö hozzászólására (») Dec 26, 2019 /
 
Mivel nálad a skála tetején jön a Rádió1, még feljebb kellene menni, hogy az ennél magasabb frekvenciájú adók bejöjjenek. A 27 és a 30 pF-et mindenképp ki kell dobni. Ha túl sokat hangol, esetleg tehetsz oda 10 pF-et de szerintem nincs értelme, azt a menetek tologatásával, vagy a vasmaggal is korrigálhatod.
A hozzászólás módosítva: Dec 26, 2019
(#) CHZ válasza tönöpö hozzászólására (») Dec 26, 2019 /
 
Igen.
(#) tönöpö hozzászólása Dec 26, 2019 /
 
Igen, én is úgy tudom, hogy az induktivitás, a menetszám növelésével csökken a freki, de pucuka korábban ezt írta. Mint írtam, nem vagyok otthon a nagyfrekiben, azt sem tudtam melyik az oszcillátor kör, ezt írtam is, most már tudom. Az a korábbi rajz egy másik gépé volt, mint írtam. Visszarakjam az eredeti meneteket? A modulátor 2 menet, az oszcillátor 3 menet volt gyárilag. Ezeket emeltem meg 1-1 menettel pucuka javaslatára, hogy átfogja a nagyobb sávot. Elsőre csak a kondikat dobom ki, az egyszerübb, meglátom mi lesz belőle. Addig is nagyon köszönöm.
(#) CHZ válasza tönöpö hozzászólására (») Dec 26, 2019 /
 
Eredetileg CCIR sávra készült, kondik kivágása elegendő lett volna és az együtfutás beállítása.
Bemeneti szűrő csere, vagy 22p helyére.
A hozzászólás módosítva: Dec 26, 2019
(#) fecameca válasza tönöpö hozzászólására (») Dec 26, 2019 /
 
Mivel gyárilag vasmagosak, azért volt kevesebb menet, mint a légmagosoké szokott lenni. Nem vettem észre érzékenység különbséget azok között a rádiók közt, amikben vasmagos vagy légmagos tekercsek vannak. Szerintem csak könnyebb behangolás miatt tesznek bele, vagy kispórolják, mindegy mivel állítod be, csak a helyén legyen. Ha nehéz hozzáférni a forrasztós oldalhoz, körömollóval, vagy csípőfogóval is el lehet intézni azt a kondenzátort. Ha az adók a helyükön vannak, akkor már gyerekjáték a többi. Keresel valami olyat, ami enyhén zajos, és addig hangolgatod, amíg kitisztul. Mivel írtad, a Rádió 1 tisztán szól, nem lesz gond. A finomítást a végén már a szerbeknél fejezem be általában.
(#) tönöpö hozzászólása Dec 26, 2019 /
 
A névtelen oszcillátor tekerccsel párhuzamosan kötött 15pF-et kidobtam, és egyből a helyére került a Rádió1, a sáv elejére, és megjelent 5-6 adó, teljes a siker. Igen, ezt írtam én is korábban, hogy ez eredetileg a CCIR sávra készült. A tekercseket nem kellett volna bántani, csak a kondit kidobni, de most már így hagyom, vagy rakjam vissza az eredeti menetszámot? Legalább így szélesebb sávot tud a CCIR-ből fogni, nem?
Nagyon köszönöm mindenkinek a segítséget, innen már talán sikerül befejezni.
(#) fecameca válasza tönöpö hozzászólására (») Dec 26, 2019 /
 
Pláne ha még skálahúr leszedéssel is jár, vagy több dolog leszaggatásával a panel bolygatása én nem bántanám. Csak feleslegesen fárasztod vele magad. Már írtam: kevesebb menet vasmaggal, vagy több menet vasmag nélkül pláne egy oszcillátornál nem számít. A másik tekercset is vasmag vagy rézcsavar bedugásával ellenőrizd, mit kíván, mielőtt elállítod. Ha a vasra javul, vagy összébb nyomod a meneteket, vagy ragasztasz bele vasat, ha rezet kér, akkor kidobod a vasmagot, vagy a meneteket széthúzod.
(#) tönöpö hozzászólása Dec 26, 2019 /
 
Most már az antenna bemeneten van a vezeték darab, jól szól minden adó, de a modulátor körben bent maradt még eddig a 15pF. Kivegyem azt is?
(#) CHZ válasza tönöpö hozzászólására (») Dec 27, 2019 /
 
Ha a kondi sok ott, azt erzed az egyuttfutas hangolasakor, skàla vegen nem tudod maxra huzni.
Erzekenysege rosszabb lesz..
(#) tönöpö hozzászólása Dec 27, 2019 /
 
Skála eleje és vége is jó, szerintem jó lett, egy érdekesség azért akad: A Rádió1 után felfele haladva következik a Retró, majd közvetlen utána a Rádió88. A Rádió1 kristály tisztán, erősen, ugyan ez a Rádió88 is, de a kettő között a Retró nagyon gyenge, alig élvezhető.
Nagyon köszönöm mindenkinek a segítséget, ebben nagyon kezdő voltam, de a leírtak segítségével egészen jól sikerült.
Üdv
(#) fecameca válasza tönöpö hozzászólására (») Dec 27, 2019 / 2
 
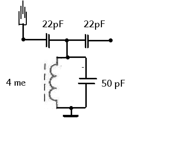
A Kossuth ésa Dankó is köztük van. Azok jól jönnek? Lehet, hogy helyileg árnyékolja ott valami. Gyengébb rádióknál a két adó külön szeparálása is gond, a 0,5 MHz távolság miatt. De ami részletet látok a Hitachi kapcsolásából, van benne 2 db piezo KF szűrő +egy külön KF fokozat az FM részhez. Esetleg a kivett bemeneti szűrő helyére lehetne valami LC szűrőt alkotni, talán az a nagyon szélessávú bemenet nem annyira kedvező. Ilyesmi szokott a régebbi rádiókban lenni, amikben még nem volt piezo szűrő:

szűrő.png
    
(#) tönöpö hozzászólása Dec 27, 2019 /
 
Persze, jól jön a Dankó és a Kossuth is, csak a Retro a gyenge, de lehet, hogy az kisebb teljesítménnyel is ad Újszegeden. Köszönöm, majd még jelentkezem. Üdv
(#) ic20 hozzászólása Feb 17, 2020 /
 
Sziasztok!
Segítséget kérni, hogy egy Elprom RRG 61 rádiónak az urh-jánál melyik kondikat kellene cserélni ahoz , hogy fogható legyen az új urh ? Kapcsolási rajzot pdf-ben csatolom.
Segítséget előre is köszönöm!
A hozzászólás módosítva: Feb 17, 2020

rrg61.pdf
    
(#) pucuka válasza ic20 hozzászólására (») Feb 17, 2020 / 1
 
Van egy rossz hírem. Mivel induktív hangolású, a tekercsek menetszámát kéne csökkenteni, ez viszont nem egyszerű művelet.
(#) fecameca válasza ic20 hozzászólására (») Feb 17, 2020 / 1
 
Azt a 8 pF -et az oszcillátor körből kapásból kidobnám, de lehet, hogy nem lesz elég. Mivel variométeres, mint pucuka is írta, nem biztos, hogy megúszod a tekercsek átalakítása nélkül. A sávátfogás meg végképp nem lesz elég, de kis szerencsével be lehet úgy állítani, hogy csak 1 adó maradjon le, az még elmegy.

ECC-FM.png
    
(#) ic20 válasza fecameca hozzászólására (») Feb 17, 2020 /
 
Nagyon köszönöm mind kettőtök válaszát. Szeretném megkérdezni melyik tekercseket kelleni változtatni ahhoz, hogy sávátfogását szélesebbre tudjam vinni ? (Őszintén nem baj ha nemfog sikerülni mert tanulok belőle csak, illetve szerencsére van egy komplett ugyanilyen rrg61-es belsőm pluszba, így rászánom tanuló pénznek. )
(#) pucuka válasza ic20 hozzászólására (») Feb 17, 2020 / 1
 
Megtalálod, a skálahúr húzogat vasmagot két egymás melletti tekercsben, ami árnyékoló dobozkában van. A tekercstesten a menetek egy menetes vályúban vannak, a stabilitás miatt.
Elég nehéz az áthangolás, mert a kb 2/3 menetet kellene elosztani a teljes hangolási úton, ami más menetemelkedést igényelne a menetek vályúiban, vagy más áttételt kéne alkalmazni.
Szóval elég bonyolult a feladat, jól elkészíteni igen nehéz.
Inkább valami konverterrel próbálkoznék, így sem lesz tökéletes, de használható lesz.
Egyszer egy autórádió hasonló mechanikájával szenvedtem meg, akkor megfogadtam, hogy soha többé.
(#) Tomi94 hozzászólása Máj 12, 2020 / 1
 
Sziasztok!

Megtaláltam egy régebben, 7-8 éve épített SO42-es (vagy S042 lenne amúgy?) konverteremet. Ez alapján készült. Igazság szerint nem nagyon használtam sosem, mert amit vártam tőle, azt annyira nem hozta.

Akkor egy régi csöves VT rádióhoz akartam párosítani, vidéken, a déli határtól nem messze. Ráfogtam az öreg rádió képességeire, és az ottani viszonylag kevés, táskarádión is jól fogható hazai adóra, hogy épp csak 2-3 műsor jött be, az sem teljesen zajtalanul. Félretettem, maradtam a tetőantennás, nyugati sávos torony rádiójánál.

Most viszont, előkerült, amúgy is maradjunk otthon, pár újabb szerzeménnyel kipróbáltam újra. Egy, a képen is látható VT rádiómagnóval - amin persze nincs értelme, mert kétsávos, de legalább tudom róla, hogy tökéletesen működik, és itt Budapesten egymás után hozza be teljesen tisztán a mai sávos adókat.

Nos, ezen a készüléken még rosszabbul teljesített, mint emlékeimben. Van egy tükörfrekvenciás vétel 73 MHz körül (ez ugye onnan ismerhető fel, hogy kikapcsolt konverternél is ugyanúgy ott marad), azon kívül a 20 MHz-es kvarccal (anno cserélhetőre építettem) 66 MHz-nél behoz valamit aránylag tisztán, ami talán a Bartók rádió lehet. (Azért csak talán, mert ez 105 MHz felett van, így ellenőrizni azonnal nem tudtam, de szimfonikus zene szólt, és nem a Klasszik (92.1) műsora.) Ugyanezzel picit feljebb, zajosan a Kossuth-ot is, ami meg 107.8 elvileg. A másik kettővel konkrétan semmi, ill. talán a 32-essel valahol beszédfoszlányok hallhatók.

Mértem rajta, amennyire a műszerparkom engedi (gyakorlatilag csak digit. multiméter, URH-n mérni tudó szkópom nincsen): a 2 mA áramfelvétel adatlap szerinti, tökéletes érték. Próbálgattam a két tekercs összenyomását, széthúzását is, semmi változás. Az egy behangolható adón sem hallható a hatásuk.

Én talán a tekercsek nem megfelelő kialakítására gondolnék (anyagukról fogalmam sincs, szerintem vastagabbak is annál a 0.8-nál), mert amúgy szerintem igyekeztem rövid vezetősávokkal tervezni a panelt, alkatrészértéket meg csak nem tévesztettem, és minden kondi, meg az IC is új volt akkor. Van bármi, amit ennyi felszereléssel meg tudok még tenni érte, vagy a képeken láthatóan nincs rendben?

ui.: Mondjuk elnézve a nagyított képet, akár az is lehet, hogy szimplán megette a rezet a levegő a panelról..
A hozzászólás módosítva: Máj 12, 2020
(#) pucuka válasza Tomi94 hozzászólására (») Máj 12, 2020 /
 
S 042P. Olvass bele.
Bővebben: Link
Ha érzékenység vesztés van, akkor valami hiba is van. (csatolás, hangolás)
Következő: »»   19 / 24
Bejelentkezés

Belépés

Hirdetés
XDT.hu
Az oldalon sütiket használunk a helyes működéshez. Bővebb információt az adatvédelmi szabályzatban olvashatsz. Megértettem