Fórum témák
» Több friss téma |
Mielőtt kérdezel, a következő két dolgot ellenőrizd!
I. A helyes tápfeszültségek megléte.
II. A kimeneten van-e egyenfeszültség.
Élesztés.
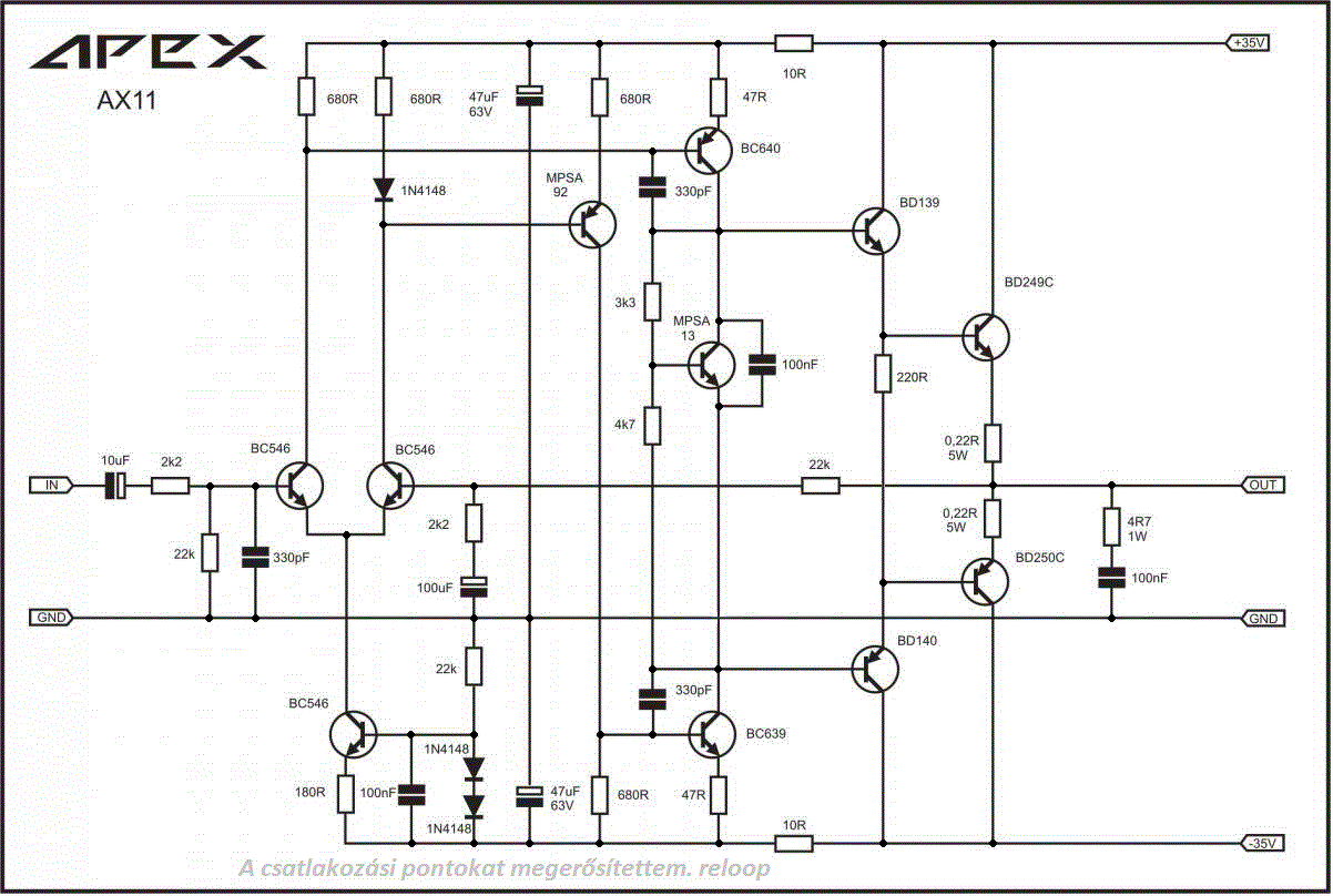
1. Képet tükröztem
Az ment a hátoldalára maratni Ez kár volt?
A nézet iránya jónak tűnik. Az okozza a zavart, hogyha az alkatrész oldal felől nézed a rézoldalt, akkor annak szövegeit tükrözve kellene látnod. De nálad a terven ez nem így van, tehát a tervező rontotta el a szövegirányt, ami kizárólag esztétikai zavar, a működést nem befolyásolja.
Ha minfen papír forma szerint készűl ,és minden pontossan van be űltetve. Akkor annak menni kellene. Apex nem szokott rossz dolgokat ki adni .
Nem értek Veled egyet. Ne tévesszen meg az APEX felirat, ha tanulmányoztad a kolléga által feltöltött képeket, észrevehetted, hogy a panelterv innen származik. Az ilyet bizony különös gondossággal kell ellenőriznünk, szó sincs "papírformáról". Alkotóval eddig két hibát szúrtunk ki, csak reméljük, hogy ezzel a végére értünk.
A rajzon balra lent a 100nF tetejéről meg hiányzik. Biztos elgurult az adatátvitel során.
Szia! V Kontake-t linkeltél be, hangsugárzó dobozokkal.
A két elkó, ami a két táp közé van sorban kötve, 100% meg fog hibásodni. Ugyanis ahhoz, hogy egyenlő feszültség legyen rajtuk, a szivárgási áramuknak egyformának kellene lenni. Ezért kössél az elkókkal párhuzamosan egy-egy 47k-s ellenállást.
A hozzászólás módosítva: Szept 11, 2019
Ha a 47u/63V-ra gondolsz akkor a közös pontjuk a GND-n van kötve elvileg (a nyákon is).
Mondanám, hogy most már látom, de annyira kivehetetlen, hol van pötty és hol nincsen, hogy inkább elhiszem, te látod. Ha le van kötve a GND-re, akkor úgy jól van.
Szia! Én is ezután a rajz után épitettem egy erősitőt. Igaz csak test nyákon de pöccre indult. Meglepett engem is, hogy milyen egyszerű végfok és még működik is.
Az APEX rajzok jók szoktak lenni. Nagy valószínűséggel itt is arról van szó, hogy annyi konverzión ment már keresztül, hogy a kötési pontok áldozattá váltak, de akár rajzolási hiba is lehet. A paneltervben nem találtam hibát az értékelíráson kívül.
Az AX11-nek van egy másik panelterve is ami "rev 1.2" névre hallgat. Ezen vannak típusváltozások és az SGND-PGND is külön van választva.
Igazítottam rajta, megérdemli. Harman Kardon gyártott ilyen erősítőket.
Üdv.
Kérdésemmel fordulok hozzátok. Aktív hangláda potméter ügyében. Eredeti picit recsegett,ezért került sor a cserére. Fél hangerőnél van a normál hangerő (+4dB). Utána pedig a mikrofon számára fölerősítés. Jött az új poti 10k Lin. Az a baj hogy fél állásban nem szabályoz akkora jelet,amennyit kellene. Megvizsgálva az eredetit,kiderült hogy az fél állásban egyik oldalon 9 másik oldalon 1 k ohmot vezet közép kivezetéstől mérve. Nem szakadt. Ez ilyen. Ellenállással hozzá lehet-e illeszteni az új potit a régi tulajdonságaihoz.? Láb kiosztás megegyezik. A hozzászólás módosítva: Szept 12, 2019
Szia! Tegyél 560 Ω ellenállást a csúszka és azon láb közé, ahol a régin az 1k-t mérted. Ha nagyon egyenetlen így a szabályozás, akkor növeld az ellenállás értékét.
1,5k ohm lett a befutó. Egészen lehalkítva egy pici átszűrődik,de úgysem lehalkítva lesz használva.
Az 1k5 azt jelenti, az eredeti poti sima logaritmikus volt.
A jelzése alapján nem sok adatot találtam róla. Esetleg Kínából rendelni,de nincs annyi időm.
103A jelzi az értéket s a karakterisztikát. 10 + 000k. Az "A" jelzés a karakterisztika. No itt még ma is belefutnak a hibába a pákások. Régebben abc sorrendben jelölt potikat lehetett találni főlek a szocialista országok palettáján. "A" lineáris, "B" logaritmikus, "C" fordított logaritmikus. A nyugati és távolkeleti szabvány szerint a logaritmikus karakterisztikájút "A" jelzéssel látták el, mert "A" mint audió. Ezzel szabályozzuk a hangot. "B" jelzést kapott a lineáris, mert ezzel egyenfeszültséget szabályozunk, vagyis bias potméter. Találkoztam gitár potméterrel, amire az volt írva hogy "254V". A másik mellette "504T" jelzést kapott. Persze a 254V az 250k volume, de gitárban az lineárisat jelent. Az 504T pedig 500k tone. No az logaritmikus.
Nekem ez kicsit amerikai szájbarágósnak tűnik, de ez van. Talán azt gondolták a gyártók, hogy a zenész amúgy hülye hozzá. Ennyi erővel piktogrammokat is tehettem volna rá. A régi mosógépünkön az volt hogy mosás 90 fokon, meg hogy csak öblíts s centrifugálás, a mostanin meg valami csigabiga, meg tollpihe, meg birkafej. A régivel mostam, de ezzel már csak az asszony tud.
Én is az A s jelzésre lineárist a B re meg logaritmikust ismerek de ez a 10kzdp jelölésből max a 10k ellenállást szűrtem le. A többi betű meg kínai. No de azért működik a láda.
Ez a piktogram miért nem eléggé egyértelmű? Lehet vele csigát mosni, tollat és birkafejet.
Bikafej az nincsen, ha csak nem a sajátomat veszem alapul. Lehet hogy birka emberek ezzel a programmal mosnak hajat.
De komolyra fordítva, azért egy kapcsolásból többnyire meghatározható a potenciométer jelleggörbéje. Akkor kezd nehezebbre fordulni, ha lebegő kapcsolásban van alkalmazva. De egy mezei hangerő szabályzó ha nagy az átfogási tartomány, akkor logaritmikus. Persze az amerikaiak ezt is felülírják.
Ráadásul az hogy APEX nem egy tuti márkajelzés, hanem egy gyűjtőnév, és egy halmaz amiben különböző erősítők szerepelnek a komplementer, és a kvázi-komplementertől elkezdve a fetesig minden. Én utánépítettem párat szinte mindegyikben volt legalább 1 olyan hiba ami orbitális.
Ha van kiszerelt poti, akkor csak egy ellenállásmérést kell középállásban elvégezni. Ha csúszka ellenállása kb. 10%-a a teljes értéknek, akkor log. a poti. Ha lineáris, akkor természetesen fele kell legyen.
Szia! Linkeld be melyeket építetted meg! Rendbe rakjuk, ne essen más is ebbe a hibába.
Még ma előkerítem csak a gépemen is takarítást kell végeznem mert szanaszét van minden.
Sziasztok!
Ti honnan szerzitek a pl. ilyen , ehhez hasonló L-idomokat? A hozzászólás módosítva: Szept 15, 2019
Hello! Az az "L" idom egy meghajlított alulemez...
Köszi! (Vagy 15 éve egyszer próbáltam meghajlítani alulemezt, de elrepedezett még akkor is amikor felhevítettem.... Akkor kaptam valakitől egy kisebb darab aluprofilt valaminek a kerete volt, 5mm vastag 40x40-es volt mára már nincs belőle. )
Újra próbálom a hajlítást..... |
Bejelentkezés
Hirdetés |











