Fórum témák
» Több friss téma |
Szia!
Néztem a kapcsolásokat, és valóban ott van köztük néhány lebegőtápos megoldás. Úgy rémlik, azt más okból, más megfontolásból alkalmazták. Azt hiszem az a grounded bridge topológia, ahol a hídkapcsolású végfok pár egyik kimenetét a gnd-re tették, és a másik volt a kimenet. Így volt lehetséges két hidalt végfokot újra hidalni. Természetesen ezek tápjait nem lehet gnd-re tenni, ezért lebegő táposak. A félreértések elkerülése érdekében inkább a füleserősítő bemeneti bufferét jobb lenne szinkron táposnak említeni, mert valójában az a cél vele, hogy a lehető legkisebb feszültség változás legyen a be- illetve a kimeneti alkotóelemein. A "feszültség utánhúzott" sem jó kifejezés, mert az a kimenetről szokott történni. Az meg eső után köpönyeg. Valóban rengeteg lebegő táp létezik. Csak akad valami rendes neve ennek az izének, de most jobbat nem találtam.
Igen a kifejezést szerintem én használtam magyarul elsőnek, de ez nem jelenti azt, hogy maga a kapcsolás tőlem származik. Ha már idézel akkor pontosan kéne:
A lebegőtápos kapcsolást ( magát a lebegőtápos kifejezést én vezettem be magyar nyelven, úgy 2008 környékén, szvsz) az albán parasztok arra használják, hogy.. Vagyis a mondat így hangzik. "A lebegőtápos kapcsolást az albán parasztok arra használják, hogy...." Ezt zárjuk le. Idézet: „Kedves Highand! Ez nem a mi találmányunk. Ezt lebegőtápos kapcsolásnak nevezik és már az albán parasztok is ezzel szántottak.” Akkor idézzünk pontosan. Ezt poénnak szántam, mert feltételeztem, hogy van némi humorérzéked. De nincs. Most már tudom, értettem. Amúgy továbbra sem értem, mi az, hogy TE vezetted be magyar nyelven? Más nem tud olvasni rajtad kívül? A hozzászólás módosítva: Szept 13, 2019
Fiúk nem értelek benneteket. Az okosságok helyett nem lehetne a témánál maradni, és értéket produkálni.
Vagy talán ezt az oldalt is blokkoltatjátok?
Az egész annak apropóján merült fel, hogy Karesz nem talált hirtelen lebegőtápos erősítőt.
Mellékelem az egyik legegyszerűbb és legolvashatóbb rajzot, hátha találtok benne olyan elemet amely a futó projektben hasznosítható. A kevésbé jártas kollégák számára megpróbálom összefoglalni a működését. Lévén végerősítő, értelem szerűen távol áll az egységnyi erősítéstől. A főerősítő (nem tudom, hogy fordításból, vagy saját ötletből - magerősítőnek nevezem, a rajzon "HIGH-SIZE") egy invertáló kapcsolás. A tápelnyomást a földelt bázisú Q101, Q102 (ábra F/7-8) kollektor körében lévő áram/feszültség konvertáló ellenállások biztosítják. A másik erősítő-felet tápvezérlőnek nevezem (rajzon "LOW-SIDE"). Ez sem egységnyi erősítésű, a főerősítő kimeneti jelét 1:2 arányban csillapítja. A virtuális telepközép és a kimenő jel leosztását az N102 ellenálláshálózat (ábra F/1) végzi. Bár hasonlít a topológia a híd kapcsoláshoz, lényeges eltérés adódik abból, hogy a kimenethez egyetlen visszacsatoló kör tartozik.
Nem erre gondoltam amikor lebegőtápos végfokot kerestem, hanem konkrétan arra amit végül megtaláltam. Amikor egy kisebb tápfeszültségről járó (+/-10-15V) kis torzítású "A" osztályú végfok GND pontját "lebegteti" a magasabb tápfeszültségű "AB" osztályú végfok.
Ezt Crown rajzot (vagy hasonlót) lementettem amikor a javításában segítettél valakinek. Ennek a működési elvét, vagy működési elvének az elnevezését "földelt hidas"-nak ismerem és talán a szakirodalom is így említi (de ma már semmiben sem vagyok biztos). Béla is erről beszélt amikor azt írta, hogy ez az elrendezés lehetővé teszi, hogy a "hidat is hidalják", tehát négy végfok dolgozik a kimenetre. Alap változata a "földelt kimenetű", amikor a tápfeszültség "vezérlődik", vagy "lebeg" és a pufferek virtuális földpontjára kapcsolódik a hangszóró egyik pólusa. A régebbi QSC végfokokban alkalmazták előszeretettel. A földelt hidas elrendezés a nagy teljesítményű Dynacord-okban is megtalálható. Hangosítással foglalkozó ismerősöm kedvencei a Dynacord végfokok, kb. 30 darabbal járja a rendezvényeket, így sűrű vendég nálam is egy-egy példány.
Remélem nem tekintitek undokságnak....
De valahogy számomra a szakmai hozzáértés csillogtatásában valahogy elveszik a téma. Mivel ez a hobbielektrónika, fejhallgató erősítő témakör lenne, nem gondolnám, hogy a hobbisták sokat merítenének a Ti felkészültségetekből. Inkább gondolnám fejtegetéseiteket személyesnek, mint itt közlendő dolognak, pláne AV viszonylatban.
De. Undokságnak tekintem, hogy a moderátor szerepét játszod, pedig senki nem kért fel rá.
Szerintem meg ha nem is közvetlenül, de a témához kapcsolódott amiről írtunk. Csak annak kell elolvasnia akit érdekel, Te nyugodtan átugorhatod ezeket a részeket.
Már megbocsáss, egy VA erősítőnek mi köze egy fejhallgató erősítőhöz?
Meg a részletekben történő tépelődéseknek nem hiszem hogy olyan nagy érdeklődési tábora lenne ebben a témában, hogy sok oldalon kellene itt firtatni ezeket. És én úgy gondolom, hogy nem csak én gondolom így ahogy írtam, hanem csak én vállalom be haragotokat ez ügyben.
Én például szívesen olvasom soraik, a téma címétől esetleg függetlenül, bár szerintem nagyon nincs eltérve attól sem. Majd ha már nem érdekel vagy zavar, akkor nagy csendben nem kattintok rá.
Szia! Ezeknek a fránya félvezetőknek semmi sem jó, akár az áram, akár a feszültség, akár a frekvencia, akár a hőmérséklet megváltozik másként viselkednek.
Most arra történik óvatos kísérlet, hogy a fenti paraméterekből legalább egynek a változását kizárjuk. Ez a szándék szerintem üdvözlendő. Az eljárás szempontjából közömbös, hogy 100 W-os, vagy 100 mW-os a modellünk.
Ez érthető is lenne, és nem is akarnám kedveteket szegni ebben, azonban elgondolkodtató a sok alkatrész, nagy felületen hatása az élethűség benyomására, mivel egy áramkörben minden alkatrész hatással van a hangzásra a mérhető eredményeken kívül. Persze az a fontos, hogy szóljon végül is, meg jók legyenek a mért eredményei. Ti tudjátok, és persze mért ne tehetnétek, hogy folytassátok eme dolgokat ebben a témában, az én véleményem ellenére.
Részemről sikereket hozzá!
Én is szívesen olvasom Karesz_50 és tothbela hozzászólásait. Mert kifejezetten tetszik a szakmai alázat, ami mentes nagyképűségtől, őnteltsegtől és elvakultságtól.
Téged meg szeretnélek megkérni hogy, amíg mások nem kérik a nevükben ne nyilatkozz. A hozzászólás módosítva: Szept 14, 2019
Más... már jó ideje motoszkál bennem, hogy mégis meg kellene próbálkozni az aktív feszültség stabilizátorral, mert a HTB 1.0-nak nem szépek a passzív stabilizátorról készült elnyomási eredményei. A héten erre gyúrtam két vita között. Nem akartam feltalálni a meleg vizet, de többféle változatot leszimuláltam és az jött ki, hogy a legegyszerűbb a legjobb, csak jól kell kikompenzálni és jól megválasztani az alkatrész értékeket.
Délelőtt végig néztem a Rádiótechnika Évkönyveket 1968-2000-ig (ezek vannak meg a gépen) keresvén azt a lebegőtápos izét, de nincs meg bennük (vagy átsiklottam felette). Viszont nincsenek véletlenek, találtam egy szellemes megoldást Q4 Miller kondijának bekötésére, amit rögtön el is loptam. Talán saját ötletem (vagy láttam valahol és a tudatalattimban volt eltárolva) Q5 áramgenerátor bekötése. Ez annyiban is érdekes megoldás, - amellett, hogy zavarmentes referenciafeszültséget kap a kimenetről - hogy visszahajló áramkarakterisztikát biztosít rövidzár esetén. (Q5 lezár, amitől Q3 is lezár és elveszi Q2 bázis áramát.) Q3 kimeneti ellenállása 4MOhm. Tápelnyomás 25kHz-ig, 91dB. A kimeneti ellenállás ugyaneddig 2-3 mOhm. 100 mA-es négyszöggel "rángatva" a kimenetet 7.5 mV-os tüske jelenik meg a kimeneten. Ezt nem sikerült tovább csökkenteni csak a stabilitás rovására, mert ugye az aktív stabilizátorok akkor tudnak feszültséget szabályozni, ha már van mit. Valamekkora hibajel mindig kell, hogy keletkezzen a kimeneten amit kiszabályozhat.
Először egy kérdés.
A CM2000-ben neked is pofátlankodik a zénerdióda, mert nálam úgy viselkedik mint egy feszültségforrás. Kényszerűségből egy soros diódát kell tennem vele sorba, hogy áram nélkül ne legyen rajta feszültség. De ez nem mostani probléma, talán első perctől így van. De tudom kezelni. Összerakok egy gépet 32bites XP-re, azon megpróbálom futtatni. Lehet hogy a nem szereti a Win7-et. Másik, hogy valamikor hasonló megfontolásból egy kis tranzisztoros stabot készítettem, és a zéner áramát én sem a szabályozatlan, hanem a kimeneti stabil feszről vettem. A visszahajló áramkorlát volt a cél, és hogy zárlat esetén ne egye az energiát. Természetesen akkor még nem volt szimulátor, csak kockás papír. Működött is szegény, de csak amikor akart. Vakartam a fejem 12 évesen, de nem jöttem rá a hibára. Majd kikalkuláltam, hogy milyen feszültségek vannak belül, ha eleve zárlattal indul az áramkör. Hát ott volt a gond. Sehogy. Át kellett tervezni, hogy zárlat esetén, vagy induláskor ne kerüljön szundi állapotba. De gondolom ezen már túl vagy. Amúgy ügyes a Q4 Miller kondi bekötése, hasonlít arra, amikor egy végerősítő visszacsatolása nagyfrekvenciásan kikerüli a viszonylag lassú teljesítmény tranzisztort, így jóval gyorsabb működés érhető el. Szimpatikus.
Van egy cimborám aki merőben más beállítottságú mint én. Megértem, tiszteletben tartom a véleményét, sőt igazat is adok neki. Ennek ellenére én még sem úgy gondolkodom ahogy ő. Ha le kell betonozni az udvar előtt nála, akkor kőművest hív, aki 60 ezerért megcsinálja. Ha a cimborám csinálná, 30 ezer anyag, 10 ezer fuvar, három munkanap, meg néhány eldobandó zokni és póló. Ez több mint 60 ezer. Ráadásul három nap alatt inkább a munkahelyen dolgozik, és csuklóból megkeresi a napi 12-15 ezret, ráadásul a cég ruhájában, a cég szerszámaival, és olyan munkával, amivel nem keni magát össze.
Én előveszem a fanglit, fogom a lapátot, cipelem a követ. Nem éri meg, de jó. (a fenéket) A végeredmény, hogy nem fárad el, a betonozás profi, de ha nem, akkor van garanciális javítás. Csak vannak őrült emberek, akik betegesen fogják a füstölgő pákát, és forrasztanak. Még akkor is, ha gyakran semmi értelme. De hátha mégis. A gömb Sajnos Sztankay István már nincs közöttünk, de ezt a hangot nem lehet elfelejteni. Na meg nem utolsó sorban Demjén Rózsinak is köszönet a szövegért.
A Zener (is) el van cseszve a CM-ben, nálam is ilyen. A dióda túl van bonyolítva, a Schottky-nak rossz a nyitó feszültsége, hiányzik egy vagon félvezető a készletből, nincs tápáram vezérlése az opampoknak, állandóan tologatni kell a kurzort a Fourier-nél, oszt mégis szeretjük ezt a CM-et (merazasszonynakisvanennyihibájahanemtöbbosztaztis).
Ez a soros dióda nem jutott eszembe. Mindig valami tranzisztoros izével helyettesítem a Zener-t ha azt szeretném, hogy nulla áramnál nulla fesz legyen rajta. Igen. már építettem valaha ilyen stabilizátort és előfordulhat, hogy nem alakul ki akkora bekapcsolási tranziens ami kinyitja az áteresztő tranzisztort és akkor elő kell feszíteni valamekkora ellenállással a felső áramgenerátort és akkor romlik valamennyivel a tápelnyomás. Vagy valami "ellen lágyindítót" kell bele szerkeszteni, de az meg elbonyolítja. Majd megcsinálom és látjuk mi lesz. Írtam, hogy a Miller kondit loptam. Csak annyiból ügyes, hogy azonnal megláttam. De valóban szellemes és ez az 1970 körüli évkönyvben volt!
A hiba nélküli asszony az férfi. De azzal nem osztjuk meg a takarót.
Itt egy példa, ami üzemi feszültségen talán nem szól bele a működésbe A hozzászólás módosítva: Szept 14, 2019
Kedves Fórumtársak!
Mostanában nem néztem miről beszélgettek. Meglepett, hogy a fejhallgató fórumban mennyi érdekes tánmáról lehet olvasni. Ha valakit érdekel egy jó fejhallgató erősítő építése is, most készültem el az EVAmp névre keresztel áramkörömmel. Részletesebb leírást http://tkiraaly.hu/audio/evamp/evamp.html lapon találtok. Király Tibor
Ezt most nem értem.
Miért baj az, ha valaki méréstechnikai módszerekkel próbálja vizsgálni egy erősítő működését? Karesz 50 nem a hang "vastagságáról", nem "részletező hangról", nem "színpadképről".. stb ír sületlenségeket, hanem a mérhető paraméterekről. A mérési módszereket és a kapott eredményeket persze lehet vitatni, kell is. Ehhez viszont tudás kell, és nem csak úgy általában, a levegőbe beszélni a doboz átfestésének és a Kába kő fajsúlyának a hangra gyakorolt hatásáról. Úgy látom, téged zavarnak az elektronikus áramkörökben jártas szakemberek.
Karesz 50 nem a hang "vastagságáról", nem "részletező hangról", nem "színpadképről".. stb ír sületlenségeket, hanem a mérhető paraméterekről.
Ez kicsit pongyola volt Jav.: Karesz 50 nem sületlenségeket ír a hang "vastagságáról", a "részletező hangról", a "színpadképről"... stb, hanem az általa mérhető paramétereket próbálja meg a lehető legjobban leírni.
Végül csak megoldottam, hogy a készre csinált erősítő nyákján ne kelljen egyetlen fóliát sem átvágni ahhoz, hogy fejhallgató erősítő legyen belőle. A végtranzisztorok korszerűbbre cserélése és mindössze egyetlen ellenállás cseréje eredményezi, hogy nincsen szükség 1-1,6A nyugalmi áramra a kielégítő működéshez. Már 50mA nyugalmi áram esetén a torzítás kisebb 0,05%-nál akár 32ohm-os fejhallgató esetén is. Ugyanakkor ennyire lecsökkentett nyugalmi árammal is képes a kapcsolás akár 20W teljesítményre is. Mindezek eredményeképpen egészen kis hűtőborda is elég, végre használható a kapcsolás fejhallgatóval is.
A nyugalmi áram durva beállítása R9-el történik, a finom beállítás pedig R4-el. R9 helyére először 100ohm kerüljön és innen óvatosan növelve az értéket növelhető a nyugalmi áram. Ha valaki le szeretné csökkenti a torzításokat a felére-harmadára, az forrasszon egy 100u-os kondit T2 emittere és R12-R4 közös pontjai közé. ( R12 és R4 természetesen összevonható az eredeti kapcsolás szerinti 8,6K-nak) A hozzászólás módosítva: Szept 15, 2019
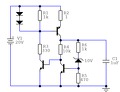
Nekem meg ez jutott eszembe hajnalban. Az erősítőn 2V körül még nem folyik áram, de Q5 már nyit. A Zener-rel párhuzamos 47k zavarvédelem rövidzárnál.
Ehhez nagyon jó tápegység kell. Akkumulátorról használod?
Megkérdezhetem mi a szerepe a 12V-os Zener-eknek?
Tudod van itt másik két lehetőség megépítésre, és egyik sem 10 oldalas kommenttel debütált. Az meg hogy ki milyen céllal épít, az magánügy, és mindegyiknek helyet biztosít a fórum adott témakörben. Ezeket figyelembe véve, nálam a hallható hangminőség az első, de tiszteletben tartom a más céllal készült készülékeket is, például ebben a témában. Tehát az adott körítésről volt véleményem. Azonban kaptam levelet, amiben ebben is elbizonytalanítottak, bizonyos humanitárius gondolatok, így ennek a dolognak bennem vége van.
Nem tudom Tibor mikor néz rá az oldalra, ha elfogadod tőlem megnyugtatásul, én mint eddig a többi készüléket is, egy sima EM pufferről fogom táplálni, és mint eddig is a többi füleserősítőmnél, probléma mentes lesz.
Mivel az eddigi erősítőid is brummosak voltak, nem fogod észlelni a különbséget.
Beszólásod hitelességével csupán egy baj van, én hallottam a HTB1.0-dat, Te pedig egy készülékemet sem.
Más, ha elnézel KT oldalára, választ kaphatsz a feltett kérdésedre.
Így tetszik a GND kialakítása, vagy változtassak valamin?
Most még csak egy monó kísérleti nyákot fogok festeni, ahogy szoktam. |
Bejelentkezés
Hirdetés |
















