Fórum témák

» Több friss téma
Fórum » Műveleti erősítő
 
Témaindító: petrik, idő: Júl 31, 2005
Lapozás: OK   85 / 112
(#) Pali79 hozzászólása Okt 4, 2019 /
 
Kipróbáltam mindenféle variációt. A legjobb eredményt a szimpla OPA alkalmazása adja, csak ellenállásokkal.
(#) DJozso válasza proli007 hozzászólására (») Okt 7, 2019 /
 
Kedves proli007!
Azóta a gyerek nagyon örül a quadnak, de számomra lenne még valami ami egy kicsit aggasztó. Nem lehetne valahova egy potit betenni, ami a maximum gázkar álláshoz tartózó PWM-vezérlést állítja? Gondolok itt arra, hogy mondjuk fél poti állásnál, csak 0-50% a teljes gázkar út szabályzása. Próbálkoztam a kimenetre rakott 1k ellenállás helyett 1k-s trimmerpotival, úgy hogy a szénpálya megy az ellenállás helyére, a csúszkája tovább a pwm szabályzóra... Nem működik. Nem tudom miért, de a poti állításával a pwm szabályzó is "elindul", úgy, hogy a gázkar alap helyzetben van. Fogalmam sincs mitől. Nem lenne esetleg valami egyszerű ötlet, hogyan tudnám én ezt megoldani? Tervezem majd, egy nagyobb fordulatú motor beszerzését a quadba, és hogy könnyebb legyen az átállás. Minden ötlet érdekel. Előre is köszönöm.
(#) proli007 válasza DJozso hozzászólására (») Okt 7, 2019 /
 
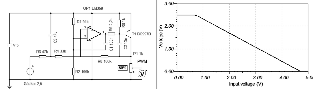
Hello! Akkor pedig valami hibát követél el, mert működni kellett volna a dolognak. A fokozat kimenetén 0..5V jel van, ha leosztod 50%-ra, akkor 0..2,5V jelnek kell kijönni.

Gázkar2.png
    
(#) pucuka válasza proli007 hozzászólására (») Okt 7, 2019 /
 
Nem lehet, hogy nem egyenfeszültséggel vezérlődik a hangmodul? Az eredeti helyén a távirányító vevőjéből szinte biztos nem egyenfeszültség jön ki.
(#) DJozso válasza proli007 hozzászólására (») Okt 7, 2019 /
 
Ezek szerint nálam van a hiba. Én úgy próbáltam, hogy minden össze volt kötve, lehet, hogy leválasztom a pwm generátort, és rámérek ennek az áramkörnek a kimenetére, látni fogom a hiba okát. Nekem az elég, hogy annak úgy jónak kell lenni. A többire rájövök (remélem), hogy mit rontottam el. Köszönöm a segítséget.
(#) proli007 válasza pucuka hozzászólására (») Okt 7, 2019 /
 
Hello! Ez nem az a projekt. Itt a gázkart kellett illeszteni egy PWM vezérlőhöz.
(#) pucuka válasza proli007 hozzászólására (») Okt 7, 2019 /
 
Bocs, hogy beleugattam
(#) Cannon hozzászólása Nov 4, 2019 /
 
Sziasztok! Érdekelne, hogy szerintetek audio célra melyek a legminőségibb, hobbistának is elérhető műveleti erősítő ICk?
A hozzászólás módosítva: Nov 4, 2019
(#) tbarath válasza Cannon hozzászólására (») Nov 4, 2019 / 3
 
Uhh, ebből vallásháborúk lesznek...
(#) Atis57 válasza Cannon hozzászólására (») Nov 4, 2019 / 1
 
Szia!

Meggyőződésem , hogy csak a 14db elektroncsőből épitett (,műveleti erősitős technikájú)
erősitő üti meg azt a minőséget!
De ne feled a jobb/bal sodratú -aranyozott --hangszóró vezetékeket se !
Hát még a hangládák ! De még a tájolásuk is?

Már csak az a kérdés, mit halgatnál rajtuk?
Miért nem élőben egy zenekart?
(#) Ktulu válasza Cannon hozzászólására (») Nov 4, 2019 / 1
 
LM4562 jó kezdés lehet.
(#) pucuka válasza Cannon hozzászólására (») Nov 4, 2019 /
 
Kiszajú, kis torzítású, gyors műveleti erősítő a jó.
Tessék az adatlapokat böngészni, összehasonlítani az adatokat, azzal is tanulsz.
A hozzászólás módosítva: Nov 4, 2019
(#) (Felhasználó 1947) válasza Cannon hozzászólására (») Nov 4, 2019 /
 
Kezdésnek nézz körül az Analog Devices,és a Texas kínálatában.
Az AD797-tel nem nyúlsz mellé, de tudom ajánlani a Texas OPA 2132,2134, stb műveleti erősítőit is.
Megfizethető, jó minőségű áramkörök.
(#) mcc válasza Ktulu hozzászólására (») Nov 5, 2019 /
 
Csatlakozom. Az LM4562 elég jól sikerült darab, és árban sem vészes.
(#) DJozso válasza proli007 hozzászólására (») Nov 13, 2019 /
 
Kedves fórumtársak!
Kaptam egy rajzot kedves fórumtársunktól (proli007), ami néhány hozzászólással feljebb van. Az úgy működik is. Csak közben a gyerek kapott egy elektromos kisautót is. Rendeltem ehhez is hall ic-s gázpedált, de ez nem fordítva adja a jelet, mint a gázkar. 0%-nál kb 1V, 100%-nál kb 4.2V a gázpedál kimeneti feszültsége. Gondoltam semmi baj, megcserélem a műveleti erősítő invertáló, nem invertáló bemeneteit és kész is, de így nem működik. Nézzen már rá valaki legyenszíves, mit kellene modosítani a rajzon. Az sem lenne baj, ha a kimeneti tranzisztor is lemaradna, mert így az áramkör 8V-ról menne, és a kimenetnek max 5V- ot kell tudnia.
(#) proli007 válasza DJozso hozzászólására (») Nov 13, 2019 /
 
Hello! Pld. Így..

Gázkar3.png
    
(#) DJozso válasza proli007 hozzászólására (») Nov 13, 2019 /
 
Köszönöm, hogy ismét segítesz. Had legyek kicsit értetlen. Néhány mondat, mi miért, hogyan. TL431 referencia fesz. állít elő? Ha jól gondolom R2/R3+P2 erősítés. P1 funkciója? Zener dióda, gondolom védelem a kimeneti nagy feszültség ellen. Csak ha tényleg, nem akadékoskodok. TL431 nem lehetne helyettesíteni valamivel?
A hozzászólás módosítva: Nov 13, 2019
(#) proli007 válasza DJozso hozzászólására (») Nov 13, 2019 / 1
 
Így van. Le kell vonni az 1V-ot, ehhez referencia kell és beállítani az erősítést, vagy is a meredekséget.
(#) Bakman hozzászólása Nov 29, 2019 /
 
Estét!

Építettem egy precizíós egyenirányítót LT1078-as műveleti erősítővel, lásd kapcsolási rajz. Mitől gerjedhet (már ha valóban gerjedés) az egyik félperiódusban?

A teszt kedvéért a műveleti erősítőt kicseréltem egy TL082-re, ezzel viszont szinte tökéletes. A nullátmeneteknél látható "anomália" maradt, ami kb. nem érdekel de a gerjedés eltűnt.
(#) sdrlab válasza Bakman hozzászólására (») Nov 29, 2019 /
 
Szemmel láthatóan sem precíziós ez az egyenirányító! Minimum az, hogy lassú ez az IC, ha kHz-es frekvenciákat akarsz vele egyenirányítani.
Ha megnézed az IC-d adatlapját, láthatsz benne egy korrektebb egyenirányítót is...
(#) Bartos77 válasza Bakman hozzászólására (») Nov 29, 2019 /
 
1.Talán attól, hogy nem lehet 1x-es erősítésre visszacsatolni... Kevés a fázistartaléka hozzá. Más OPAMP, amit vissza lehet csatolni 1x-es erősítésre is, vagy külső kompenzálás...

2. Azért mert nincs nagyfrekvenciás táphidegítés a tok közelében.

(Nekem egyszer olyan szélsőséges esetem is volt ettől, hogy a műveleti erősítő kilyukadt és füstölt is... Táphidegítő kondi elhagyása miatti gerjedés...)
A hozzászólás módosítva: Nov 29, 2019
(#) Bakman válasza sdrlab hozzászólására (») Nov 29, 2019 /
 
Erre gondolsz (lásd melléklet)? Próbáltam, 100 Hz felett nagyon nagy a torzítás, az egész innen indult ki (valahonnan előkerült egy ilyen IC, azt sem tudom, honnan van).

Sebesség? Halvány lilám sincs, hogy elég-e vagy sem. De akkor miért jó az egyik periódusban?
(#) Bakman válasza Bartos77 hozzászólására (») Nov 29, 2019 /
 
1: Passzolok, ennyire nem vágom az analóg témát. Az adatlapi kapcsolás nem jött be, valahol aneten találtam ezt a kapcsolást, mint precíziós egyenirányító.

2: 100 nF-ok vannak.
(#) sdrlab válasza Bakman hozzászólására (») Nov 29, 2019 /
 
Igen, arra! De írják is, hogy kb 100Hz-re még jó lehet... A TL082 egy több nagyságrenddel gyorsabb opa!
A pozitív félperiódusokra nézve a B opa egy kissé elfuserál feszültségkövetőként funkcionál.
Negatív félperiódus esetén viszont 1x-es invertálóként működik.
Így első esetben része a visszacsatolásnak is, tovább lassítva az amúgy is lassú kapcsolást... A gyári kapcsolásban ilyen nincs, csak negatív félperiódusban működik az első opa, a pozitívban "ott sincs". Tehát jóval gyorsabb a te verziódnál...
(#) Bakman válasza sdrlab hozzászólására (») Nov 29, 2019 /
 
Ismersz olyan precíziós egyenirányítót, ami 16 - 18 kHz-ig jó lehet? Hangfrekvenciás jelet (mikrofon felöl érkezőt) szeretnék egyenirányítani. Én nem nagyon tudom megítélni (mint a mellékelt ábra is mutatja), melyik jó, melyik nem. A neten van egy csomó variáns...
(#) sdrlab válasza Bakman hozzászólására (») Nov 29, 2019 / 1
 
A TL082-vel épített variáns miért nem jó neked? Ki kell nullázni az offsetet, ha zavaró mértékű és annyi.
(#) Bakman válasza sdrlab hozzászólására (») Nov 29, 2019 /
 
Jajj. Inkább megyek aludni. Teljesen megfeledkeztem róla.
A hozzászólás módosítva: Nov 29, 2019
(#) highand válasza Bakman hozzászólására (») Nov 29, 2019 /
 
Szia. A kapcsolás úgy működik, hogy negatív félperiódusban a diódán keresztül záródik a visszacsatoló hurok. Azonban a pozitív félperiódusban áthalad a hurok a második IC-n is, így annak fázistolása is hozzáadódik a fázistoláshoz.
(#) DJozso válasza proli007 hozzászólására (») Dec 12, 2019 /
 
Hello! Eljött a tél, így a gyerek quadja bekerült a fészerbe (el tudom tőle venni), kiszereltem az egész szabályzó részt, hogy megvizsgáljam, miért nem működött a potis dolog. Rájöttem. Rosszul mértem. A PWM generátor szabályzó potijára 3 vezeték ment. Fekete(ami a +5V), Sárga (a poti csúszkájá) és a Piros (ami a GND). A poti helyett raktam be ezt az áramkört. Félre vezettek a vezeték színek, én azt gondoltam, a fekete a GND... Így minden inverz lett. Viszont, hogy az áramkör működött az azért volt, mert ugyan a gázkar 0,8V-4,2V közt szabályoz (0,8V-Alaphelyzet), a pwm generátor bemenete +5V bemenő jelnél áll 0% kitöltési tényezőn, ha csökken a feszültség nő a kitöltési tényező. Viszont, ha a 1k-os ellenállás mellé potit teszek 50% állással, az "lehúzza" a pwm generátor bemenetét, és az beáll, 50% kitöltési tényezőre, alaphelyzetben lévő gázállásnál. A poti 0%-100%ig változtatja a kitöltési tényezőt, úgy hogy a gázkar nem ad jelet (0,8V-on van). A kérdésem, hogy akkor hogy tudnám szabályozni a kimeneti max pwm jelet? Annyit csináltam, hogy a 47u kondit megfordítottam a GND felé. Próbáltam, a meredekség állításhoz rakni a potit, hogy a 82k ellenállással sorba raktam egy 1M-os trimmert, de ennek állítása a kimeneti szintet is húzza. Tudnál segíteni nekem? Már ég az arcom, hogy mindig segítséget kérek... Előre is nagyon köszönöm.
(#) proli007 válasza DJozso hozzászólására (») Dec 12, 2019 /
 
Hello! Most már sikerült elérni, hogy nem értem az egészet. Inkább azt írd le, a gázkar milyen tartományban ad jelet. Melyik lenne a minimum és a maximum. Valamint hogy a PWM bemenetnél milyen feszültség a minimális és maximális kitöltés. Valamint hogy mit szeretnél korlátozni és hogyan. (Már mint gázkar állása szerint.)
(A kondi az invertáló kapcsolásban azért van a tápon, hogy bekapcsoláskor ne 100% kitöltés legyen.)
Következő: »»   85 / 112
Bejelentkezés

Belépés

Hirdetés
XDT.hu
Az oldalon sütiket használunk a helyes működéshez. Bővebb információt az adatvédelmi szabályzatban olvashatsz. Megértettem