Fórum témák
» Több friss téma |
Akkor a 2. fokozat ellenállása. Javítani elvben lehet, de nem érdemes. Bontó. Nem könnyű kiszerelni, mertrossz helyen van, de megoldható. Azt hiszem kicsi hatszögfejű csavar tartja.
Sziasztok! Nem akarok másik topikot nyitni egy Wagon R+ kérdésért, ezért itt kérdezném ha tudna segíteni valaki abban, hogy miért nem kommunikál a DLC porton keresztül egy interface sem. Sem ELM327, sem saját diagnosztikája, sem semmilyen klónnal nem hajlandó "beszélni" a motorvezérlő vagy nem ismerik fel azt. Mi lehet az oka? Hol keressem a hibát a DLC áramkörében, vagy máshol?
Sziasztok!
Tudna valaki segíteni egy 1998-as Swift sedan autónál a bal első ajtó kinyitásakor nem kapcsol fel a belső (utastér világítás) és nem jelez a kulcsőr/világítás csipogó. Az ajtókapcsoló tavaly lett cserélve, a vázról lecsavarozva jól működik (multimeter sípol, ha nem nyomom be a gombot). Az ajtókapcsoló egyik lábán 12V van a testhez mérve, a másik lába pedig multimeterrel szépen sípol a vázhoz. Kiszereltem a csipogóját (Omron 38590-77E00 G8D-154S-B), ám gyönyörűnek néz ki a panelje, de semmi infót nem találok a működéséről. A többi ajtó nyitásánál az utastér világítás felkapcsol. Azt sem tudom, hogy merre és mit keressek még ezzel kapcsolatban, így minden segítség/tipp jól jönne. A segítséget előre is köszönöm!
Én a helyedben fognám kiszerelném az ajtó kapcsolót,lehúznám róla a vezetéket és azt érinteném a kaszni olyan pontjához / vagy az akku negatív pontjához/. Ehhez kelleni fog egy toldó vezeték.Ekkor figyelném a működését. Ha ekkor jó akkor kapcsoló,ha nem el kell indulni visszafelé a madzagon. Az,hogy csipog nem jelent semmit!
Szia,
Az ajtókapcsoló jellegzetessége itt,hogy a kör alakú furat pereméről lemezes érinkezőn kap testet a kapcsoló. Csiszold vagy reszelgesd meg a furatot,majd kezeld WD40-el. Lehet még a B oszlopnál a csatlakozó korrodált.
Szia,
A kapcsolót széthúztam, és a csipogóhoz direktben átkötve egy dróttal működött. Így a kapcsoló lecsavarozott testje elvileg jó. A csipogóhoz egy fekete/kék, szürke pöttyös szál megy, arra lett rákötve. Az ajtó kapcsolótól hátrafelé a centrálba megy a szál, addig nincs rajta szakadás, a centrál szétszedve, a csatlakozó lábai átforrasztva, ( nagyon szép a panele) nyit és zár is. Érdekes, hogy 5-6 éve lett riasztó beszerelve, aminek egy fekete/piros kábelre lett ráforrasztva az ajtónyitás érzékeléshez az egyik lába. Ezt a kábelt még nem követtem le.
Szia,
A B oszlopon tegnap nem láttam csatlakozót, ma majd megnézem ismét. A kapcsoló test csavarozását jónak találom.
Suzuki Wagon R+ 1.3 2003. G13BB. Nem indul., esetleg egy pillanatra néhány henger gyujt , de aztán leáll rögtön.
Milyen készülékkel lehetne hibakódkiolvasást csinálni??? Tech 2 - n kivül. Esetleg létezik valami öndiagnosztika kódlehivás is? 16 tüs Obd2 csatin keresztül is ?? Köszönöm a gyors segitséget!
Főtengely jeladóra gyanakszok, de 1000 más oka is lehet.
Sziasztok!
( 2002.12-i, 1.3-as 16 szelepes) suzuki swift utasoldali ablakemelőjével küzdök. Részletes kapcsolási rajzot nem találtam. Nem tudjátok, van benne valamilyen speciális kapcsoló - hó, áramot figyelő, vagy bármi szokatlan? Részletesebben: Olyan furcsa hibát produkál alkalomszerűen, hogy megáll .... majd egy perc után pár millimétert lehet vele emelni. Van amikor kénytelen voltam így felküzdeni... A kapcsolókat megcseréltem, ugyanúgy megjelent a hiba. ( Ettől függetlenül szétszedtem és meg is tisztítottam mindkét - négy - kapcsolót. ) Szétszedtem magát az emelő szerkezetet és a meghajtómotort is. Mindent áttisztítottam. Ahol kellet bezsíroztam. A bronzkefék nagyon meg voltak kopva ezért új szénkefét tettem bele. A hibát az "asztalon", terhelés nélkül is produkálta. 5-6 másodpercig megy mint a rakéta. Utána megáll. Ha hagyom pihenni hosszú ideig, ugyanúgy megindul. A motor kommutátorára rámértem...egyforma ellenállás volt - mondjuk elég alacsony - mindenhol. Semmi nem melegszik. Akku jó - másik ablakemelő vidáman rohangál.
Szia! Ezt nem ismerem, de egyszer egy régi passat-é volt nálam ugyanezzel a hibával. Ott a motorral sorban volt egy bimetálos kapcsoló, amit a motor áram kioldott. Valószínű a kapcsoló fáradt el, mert a motor direktben ment. Bontott ment helyére, többet nem foglalkoztam vele. Azt sem tudom, hogy üzemszerűen ez működik-e vagy csak biztoság miatt van benn? Pl ha valaki záráskor benyúl az ablakon ez kapcsol ki? Nem tudom.
Helló!
Már nem emlékszem az autó típusra, de hasonló hibát produkált. Gondolt egyet elkezdett melegedni a motor majd szétkapcsolt a hőkioldó. Motort szétszedve hibát nem láttunk benne, végül bontott motor oldotta meg hibát.
Esetleg cseréld ki az ablakemelő kapcsolót egy újra.
Megeshet, hogy nem kellően nyomja meg az ajtó a nyomógombot.
A kapcsolóra húzott O gyűrűvel emeltem kijjebb. A másik, hogy kontakt hiba van a vezetéksarunál.
Ahogy írtam is:
A legelső műveletem az volt, hogy a vezető és utasoldali kapcsolót felcseréltem. Ez gyakorlatilag 10 másodperc, mert egymás mellett vannak. A két ablak működése ugyanolyan maradt. A vezetőoldali ugyanúgy ment. A másik pedig produkálta a hibát. Utána még szét is szedtem a kapcsolókat és ki is tisztítottam. De ahogy írtam amikor megy, akkor mint a "rakéta". A teljes felhúzási idő vagy három másodperccel csökkent.
Nem igazán értem. "nem kellően nyomja meg az ajtó a nyomógombot."?
Miért kellene az ajtónak megnyomni a nyomógombot? .. illetve milyen gombot? A kontakt hiba azért kizárt, mert amikor a kezemben volt a teljes mechanika - vízszintesen - akkor is ugyanazt csinálta. Majd amikor vártam x percig, akkor ismét megindult. Ahogy írtam is: A legelső műveletem az volt, hogy a vezető és utasoldali kapcsolót felcseréltem. Ez gyakorlatilag 10 másodperc, mert egymás mellett vannak. A két ablak működése ugyanolyan maradt. A vezetőoldali ugyanúgy ment. A másik pedig produkálta a hibát. Utána még szét is szedtem a kapcsolókat és ki is tisztítottam. De ahogy írtam amikor megy, akkor mint a "rakéta". A teljes felhúzási idő vagy három másodperccel csökkent.
Felcseréltem a két kapcsolót. A hiba ugyanaz maradt. ( Ahogy írtam is. )
Ennél nem így kap áramot. Egyrészt nem is a B oszlopnál van a csatlakozó, hanem az A oszlopnál, közvetlenül a külső - motoros - visszapillantó csatlakozó alatt.
Onnan is látszik, hogy nem a furat peremén lévő lemezes érintkezőn keresztül kap áramot, hogy amikor ki volt szerelve a teljes ablakemelő, a kezembe volt, majd rácsatlakoztattam a lengő csatlakozót, akkor is azonnal és nagy erővel elindult mindkét irányban ... csupán náhány másodperc után leállt.
OK. Én is ilyesmire gondoltam.
Csak hol van benne a hőkioldó? ( Biztos van benne? ) Maga a motor egyáltalán nem melekszik, fogtam a kezemmel. Persze ettől a hőkioldó lehet hibás - önmagát melegítheti pl. az átfolyt árammal. Pont ezt szeretném kideríteni, hogy hol lehet benne ilyen rejtett "csoda"? Lehet nálam is az lesz, hogy veszek egy bontott motort, csak azt tehetem megint rendbe. Idézet: „ajtó kinyitásakor nem kapcsol fel a belső”
OK. Nyertél.
Én néztem félre a választ. Bocs'
Talán itt megtalálod a keresett rajzot is.
A hozzászólás módosítva: Okt 13, 2019
Köszönöm! Ezt a bontós oldalt nem ismertem. Valóban jók a rajzok...
Sajnos azonban ezt - a vélelmezett hőkapcsolót/áramkapcsolót - nem találtam meg. Csak egy "55 36795-82000 BRAKER power window 1 SF416"-t a 134-es aloldalon, ami nem annak tűnik... pedig még azon kívűl, hogy végiglapoztam, még a google-ben az adott oldalra szűrve is rákerestem...
Ez a kapcsoló nem külön van valószínű. Legalábbis a passat-é, amivel én találkoztam, az a motorral egyben volt, pontosan nem emlékszem, de a fekete dobozban a motoron, ahol abban elektronika is volt, közvetlenül a motor egyik csatlakozója után, ponthegesztve, azt hiszem. Nem tudom a suzukié milyen megoldású.
Én is úgy sejtem. Csak éppen nem jövök rá, hogy hol lehet.
Valahol - nyilván - a bevezető vezeték és a szénkefe saruk között kellene lennie. Csaképpen ott nem látszik semmi. Viszont ebből azt a következtetést vonom le - no meg abból is, hogy amikor rendbetettem, majd próbáltam, akkor a motort markoltam és az hideg volt - hogy valamilyen az átfolyó áramot érzékelő kapcsoló lehet. Biztos valamilyen tekercs - áram - hő - kapcsoló folyamat lehet. Ezt támasztja az is alá, hogy fél óra múlva megint elindul....gondolom amikor kihült.
Próbának egyből a szénkefére kösd a táplálás.
Sziasztok!
A segítségeteket szeretném kérni. Van egy régi kasztnis 2002-es suzuki swiftem, aminek szerintem valamilyen elektromos hibája lehet, mert üzem meleg motornál leesik az alapjárata. Volt már valakinek ilyen problémája? Az én autóm is ezt csinálja: https://www.youtube.com/watch?v=cgYUgTN-k1U A segítséget előre is köszönöm!
Nem biztos hogy elektromos gondja van, vagyis de de nem úgy. Hideg motornál dús keverékképzés van, viszont meleg motornál már szegényebb. Valószínű az alapjárat állító motorral lehet valami. Idő után elszennyeződhet a mechanikája és ez is okozhatja a hibát.
Szétszedni, megtisztítani, összerakni.
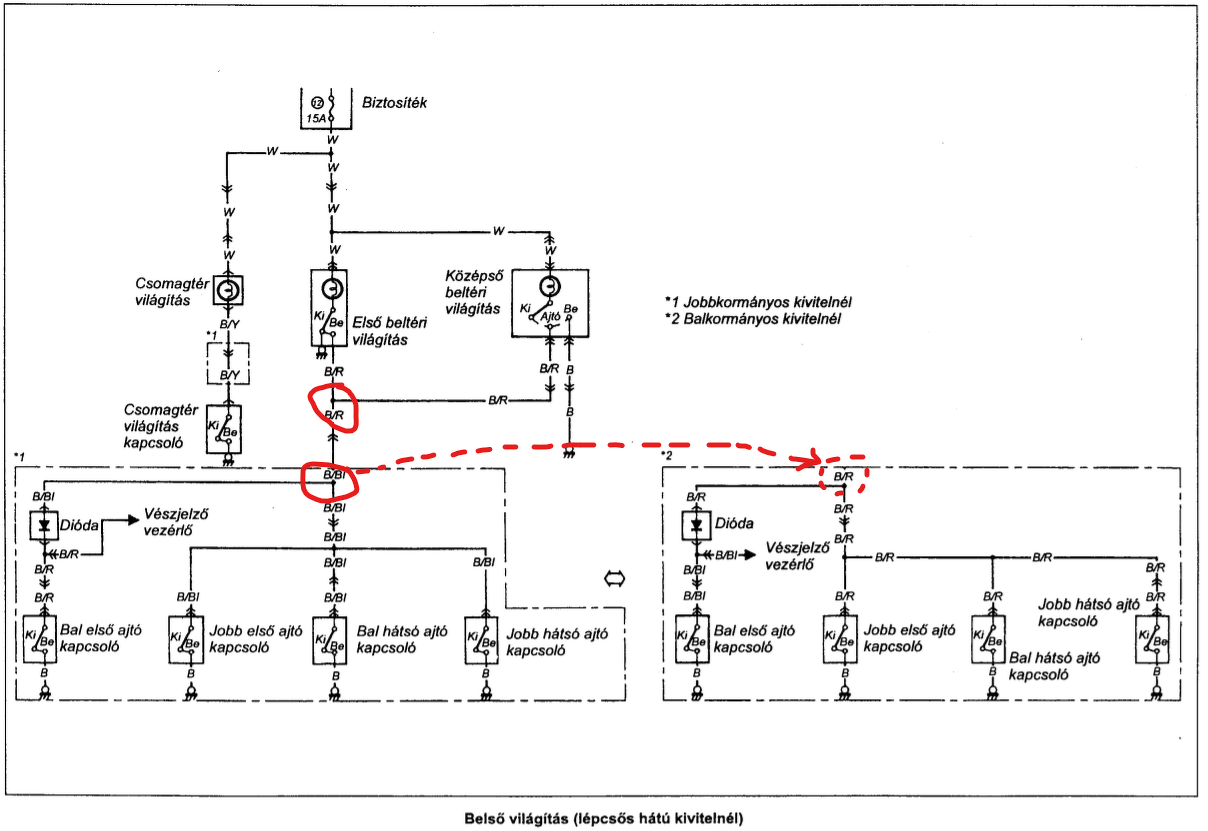
Sziasztok!
Sokadjára is emlegetett ajtónyitás érzékelő problémával küzdök. Suzuki swift 99-es 1.3 gc sedán. Bal első ajtó kinyitásakor felgyullad középen az utastér világítás és megszólal a csipogó, tehát ez működik. Viszont az első utastér világítás nem kapcsol fel (egyáltalán annak felkell, vagy csak a középsőnek?), az izzója jó, on állásba világít folyamatosan. A többi ajtó kinyitásakor, azonban nem kapcsol fel egyik utastér világítás sem. Elképzelhető, hogy egyik ajtónyitás érzékelő sem kapcsol, ezt még nem néztem meg, de mivel vannak gányolások a kocsiban, én szerintem inkább más probléma lesz. A mellékelt kapcsolási rajz szerint, bármelyik ajtó kinyitásakor világítania kéne az első és a középső lámpának is. Esetleg valaki tudja, hogy azt a csomópontot ahol a középső és az első lámpa B/R része össze van kötve hol keressem? jobb A oszlopban nem találtam, jobb B oszlopban sem találtam. Illetve azt a csomópontot merre találom, ahol a bal első ajtó és a többi ajtó le van párhuzamosítva? Nem szedném teljesen szét a kocsit megkeresni, mert biztosan széttörik minden, ami műanyag. Válaszotokat köszönöm! |
Bejelentkezés
Hirdetés |







