Fórum témák
» Több friss téma |
Fórum » Csöves erősítő készítése
Ne feledd betartani a fórum viselkedési szabályait, és a topik megmaradásának feltételeit. [link]
A téma átmenetileg fagyasztva lett, hozzászólni nem tudsz!
Maga Orbán Jószef / Appmester / Dekli Náci / stb. írta le nekünk egy órával ezelőtt, hogy bizonyíték képernyőfotókat (vagy képmetszést ahogy ő fogalmazott - gondolom ugyan azt jelenti) küldött szét mások beszélgetéseiről. Törlés logból kiszedhető lenne pontosan miről volt szó az ominózus körüzenetben, de erre időt szakítani én nem szeretnék. A rendszer törli a címzett postafiókjából is spam esetén az üzenetet.
Mint jeleztem. Tartva a fejléc irányelveit, OFF vége. Köszönöm megértéseteket, vissza a csöves erősítő témához.
Kellenének az alábbi adatok:
Raa, Nyugalmi áram, P, Rterhelés.Szívesen kiszámolom neked, másnak is kiszámoltam. Én már nagyon sok trafót tekertem. Mással ellentétben, aki csak beszél róla. Legjobb lenne, ha magánban megkeresnél.
Itt van egy program ami segíthet Bővebben: Link
A hozzászólás módosítva: Nov 6, 2019
Jó ez, de lehet, hogy egy kis negatív visszacsatolás még javítana rajta, mert túl érzékeny lesz az erősítő és egy CD-játszó már durva-torzításig túlvezérli. Az EL84-nek 5V-os meghajtójel kell a teljes kivezérléshez, az ECC kb. 30-szoros erősítést tesz itt hozzá, de a végcső is erősít(!), tehát van tartalék, amiből kijön egy kis visszacsatolásra való, amitől szebben (kevésbé torzan) is fog szólni.
Üdv!
A 6P3SZ nem tud 35-40W-ot leadni, hacsak nem duplázod a csöveket, tehát 4db.-ot herdálsz el belőlük.
Ez a végcső legfeljebb 20-25W-ig használható ellenütemben, normál működtetés mellett. Az Raa illesztése 6kOhm, 6Ohm szekunderhez ez kb. 32-szeres áttételt jelent. (Ez magában már túl nagy áttétel, sokféle vasmag és tekercs veszteség léphet fel és ez rontja az átvitelt, amit nem lehet kijavítani egyszerű eszközökkel. A kimenőtranszformátoroknak van egy optimális áttételi aránya ez kb. 16-25-szörös érték közötti illesztés esetén még jó minőséget ad, ettől nagyobb áttételi arány már sokféle hibával lesz terhes.) A méretezéshez használható a hálózati transzformátorhoz használt egyenlet, azzal a változással, hogy az alsó határfrekvenciára kell kiszámolni az 1V-ra eső menetszámot és nem 50Hz-re. A jó átvitel záloga a réteges tekercselés és a precíz kivitel. N/1V = 10000/4,44xFaxBxQvas - ahol Fa az alsó határfrekvencia, B a maximális gerjesztése a vasnak az alsó határfrekvencián, Qvas a vasmag keresztmetszete.Ebből megkapjuk az 1V-ra eső menetszámot. Ha 20W-ot ad le szekunderben az erősítő, akkor visszafelé számolunk, hogy az mekkora feszültség és abból az áttétel szorzatként megkapjuk a primer, illetve a szekunder menetszámokat. 20W/6Ohm az áram négyzete kb. 3,333, ebből ~1,825A a szekunder áram és kb. ~11V a szekunder feszültség, ami a 6Ohm-os hangsugárzón 20W teljesítménynek felel meg. - Ezekből már méretezhető, számítható a kimenőtranszformátor, gondolva az osztott tekercselésre, amit a kiszámolt menetszámokból, az adott feszültség és áramértékekből a huzalvastagság is meghatározható. Mindent előre ki kell számolni, hogy a huzalsorok és a szigetelések beférjenek a transzformátor ablakába. Sok sikert! Üdv!
Hálás köszönet neked is meg mindenkinek. Végűlis ezzel a csővel azért kezdtem volna valamit, mert van belőle it nekem négy, de olyan piri pénzért vettem, hogy nagyon. Végűlis Kt88 lenne az eredeti tervem.
A hozzászólás módosítva: Nov 6, 2019
A KT88 felejtős. Helyette inkább 6L6GC, vagy a nagy ágyú 6550. KT88-ból valahogyan manapság nem találni szép hangút. Persze van NOS cső is, az amerika mániákusok azt veszik, de az egy vagyon. Magánban küldök linket a 6L6 GC beszerzésére garanciával. Az ajánlott cső fekete anódos, GE vagy, és RCA tevek alapján készült kimondottan audio célra, s tudásához képest nagyon olcsón kapható.
Hát lehet, de hogy nem, az biztos. Be kell tenni kapcsolot a visszacsatolasba, aztan el lehet dönteni melyik jobb..
Lenne egy kérdésem az erősítő építésével kapcsolatban.
Kimenőtrafónál kell szűrést használni, vagy a kimenő egyből köthető a hangfal csatlakozóra?
Üdv.
Miért kellene? Csak a hangfaladban lévő szűrő. Jobb hangfalakban ahol nincs több út és nincs 18dB-s váltó plusz fáziskorrigáló RC, RLC tagokkal amik a jel ből ejtenek valamennyit míg a hagszórókra eljut a jel, azaz minimális alkatrészeket tartalmaz a váltó, csak ennyi alkatrész kerűl a hangszórótekercs és a kimenő tekercse közé. Kisebb teljesítményű csöveseknél, ill. SE végfokoknál különösen, ha csak pár vattosak, akkor igyekeznek minél kevesebb passzív elemet tenni a kimenőtrafó és a hangsugárzó közti útban, valamint kerűlik a 90-95dB/1W/m -nél gyengébb érzékenységű hangfalak alkalmazását. Tehát a hangfalad váltó-szűrője ne legyen bonyolult, ne vesszen el a váltóban a jel egy része,jó frekvencia átvitelű hangszórókat alkalmazz és akkor biztosan jó élményed lesz zenehallgatásban. A hozzászólás módosítva: Nov 7, 2019
Köszi a választ, azért kérdeztem mert nem tudtam.
Pl. ha zobell tagra gondolsz, tök felesleges lenne itt, mert pl. akkor, ha a hangfal pl. két utas és 6dB/oktávos a váltója, azaz össz-vissz. csak két alkatrészt tartalmaz-ha csak nincs benne ezen kívűl mint fentebb már írtam passzív lyukszűrő(K) fázismenet javító tagok, valamint a hangfalak nincsenek messze az erősítődtől, /a messze itt legalább 10m/ akkor nem kell korrigálni semmit.
Egyetlen nagyon fontos dolgot soha ne fejts el. Ha kicsit is hallgatsz rám akkor a kimenőd szekunderére tegyél egy 47-100 ohmnyi 1-2W-os ellenállást. Ez nagyon fontos, különben ha egy pillanatra is üresen jár a végfokod, ilyenkor megnövekednek a feszültségek üresjáratban és a drága kényes kimenőt lehet elfelejteni, mert át üt.
Pontosan hová gondolod az ellenállást?
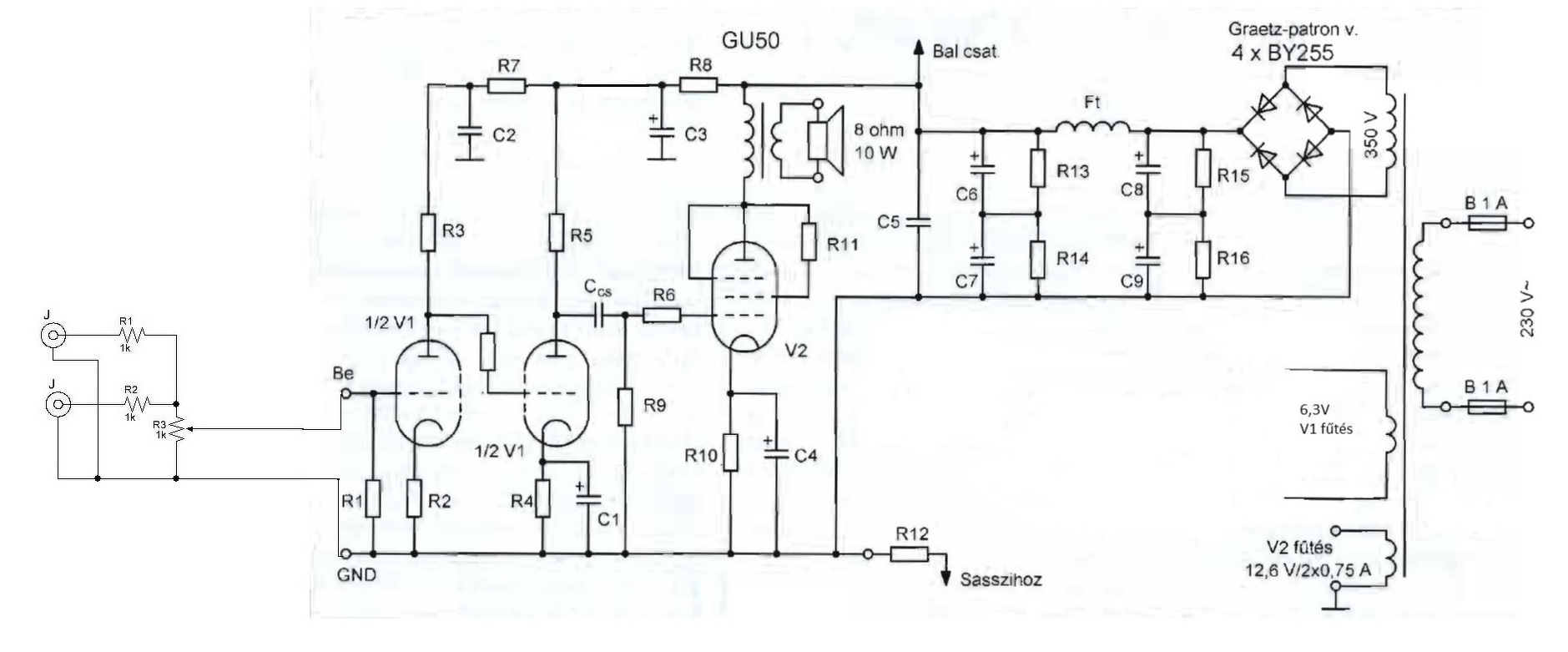
Mert a mellékelt kapcsolási rajzot szeretném megvalósítani, amivel eddig el is jutottam, mármint a kapcs.rajz javításával, az itteni fórumtagok segítségével. Csak mindég van mit változtatni, mert mindég kapok újabb tanácsokat.
Az jó dolog, mert ez a kis erősítő nagyon egyszerű, neked való és meg fogsz döbbenni milyen hangja van a GU-nak. Egyenlőre azt ajánlom, kiindulásnak építsd meg abból a mezei kommersz cuccokból a rajzot, amit találsz, meg fog szólalni mindenképpen. Majd amikor már beröffent, ráérsz akkor elkezdeni minőségi alkatrészekkel kiváltani azokat amikből összeraktad az áramkört és így meg is fogod tapasztalni azon nyomban, hogy miért is kell minőségi ez-az ide-oda. Olvasd el az elektroncso.hu-n a GU50-es cikkeket, sokat segít.
Az ellenállást közvetlenűl a kimenőd szekunder tekercsére párhuzamosan, mint terhelést kell forrasztani és soha le ne vedd onnan. Lemaradt, hogy az R10-es ellenállás igencsak meleg lesz. A hozzászólás módosítva: Nov 7, 2019
Ahogy Attila is írta, a kimenetre mindenképp tegyél ellenállást, minden értelmesebb erősítőben benne van. Nagyságrendjéből adódóan a terhelőimpedanciát csak jelentéktelen mértékben csökkenti, cserébe viszont megvédi a kimenődet ha valami gond lenne a hangszórókábeleddel és menet közben leszakadna a terhelés.
Szerintetek melyik legyen a 6C33C-hez?
30W 6C33C single-ended output cow, multiple sets of output, Z9 0.23...former vagy British amorphous 8C iron core 6C33C tube 670 ohm single-ended ampl...le 35W
Köszi mindkettőtöknek a javaslatot. Valamelyikőtök megtenné hogy berajzolja pontosan hova is kellene rakni az ellenállást? Van elképzelésem, de ha nem jól értelmezem, akkor jön a nagy bummm! Adatlapomon e-mail címem, oda is elküldhetnétek, ha nem nagy kérés. Elnézést a sok láma értetlenkedésemért, de ez lesz az első csöves erősítő építésem.
A hangszóróval párhuzamosan kell kötni, pl. a hangszóró csatlakozóra ráforrasztod.
Szerintem az első.Azlegalább EI magos, de a másikról nem sokat sejteni milyen mag lészen. Hypersil nem jó kimenőnek! Hidd el nekem, négy féle képpen is tekertem már direkt, hogy kiváncsi voltam hogy viselkedik és borzalmas. Legalábbis az én vájt fülem nem tűri a hypersilt
Hacsak nem véletlenűl Hashimoto kézműves termék, vagy Lundahl. Azoknak igen különleges az anyagaik. Olvashatsz is a honlapjaikon ezekről.Én nem vennék ilyen messzeföldről, mert alíg egy hónapja se hogy megszívtam két japánból rendelt hangszórópárral. Itt volt az 24 óra múltán a mi kis hazánkba, de megvámolták és a szemem kigúvadt, kétszeres ára lett. Szerintem Keresgélj ebayen EU-n belől. lehet jobban jársz. A DHL olyan 10 oldalas irományt adott, hogy miért van ez mindennel mostmár, hogy kétszeri nekifutásra tudtam kielemezni a vámos papírját. 5 rugó felett bármit veszel, megszívod a kínával. A hozzászólás módosítva: Nov 7, 2019
Így la:
Elnézést, elfordúlt a szépséges kép. A hozzászólás módosítva: Nov 7, 2019
Köszi a rajzot. Írtad hogy az R10-ellenállás igencsak meleg lesz, azzal is kezdenem kellene valamit?
Hogyne. Jókora 10W-ost keríts, az egyenlőre jó lesz, aztán amikor egyszer kitalálod, hogy építesz egy másik monoblokkot testvérének, hogy sztereóban fülelj, akkor elkezded majd a méreg drága minőségi kondikat ellenállásokat belepakolászni a kommerszek helyett, akkor majd kicserélheted nagyon pontos tűrésű minőségire, esetleg indukciómentes hűtőfelületre szerelendő Kaddok ellenállásra és meglátod, hogy bizony igényli és akkor minőségi SE erősítőd lesz. Úgy építsd, hogy tudd az alkatrészeket könnyedén csereberélni ilyenre-olyanra, csak így fgod megfejteni a lelki világát. A GU-t pedig jól gondold meg hogy hova és hogyan helyezed el, mert sejtem, nem ismered. Nagyon, nagyon felforrósodik
Amit ajánlottam cikkeket olvsd el többször is, írva vagyon, hogy tessék vigyázni ezen tube tetemes hőtermelésével. Majd 260 fokra felmegy! Az én Push-Pullomban rögtön négy figyel egymás mellett. Nyári langy melegben nem is sűrűn kapcsolom be, mert a helységben igen hamar szauna van. A hozzászólás módosítva: Nov 7, 2019
GU50 SE-t meg kell építeni az eredeti Ágoston könyv szerint, olcsón. Jó hangja lesz valószínűleg.
A hozzászólás módosítva: Nov 7, 2019
Tartok tőle hogy Cirokl-nek igaza van. Nagyon sokat olvastam SE témában is, itthon is (elektroncso.hu, fórumok, levelezések), külföldi fórumon is, illetve beszéltem személyesen meg email-ben is olyan emberkékkel akiknek van. A konklúzió az lett, hogy SE-t kizárólag triódával, már ha tényleg szép hangot vársz tőle. De ha végigolvasod az Ágoston könyvet, kb. ott is ugyanez a végkifejlet. Leveleztem egy illetővel aki azt írta, hogy hallott vagy 6 féle kiépítésben GU50 SE-t, de egyiknek sem volt szép hangja. Meg olyannal is, aki azt írta, hogy szinte a létező összes elérhető árú (nem méregdrága) csövet kipróbálta SE-ben, és ha nem 300B akkor valami trióda vagy kettős trióda, akár orosz is, 6C4C, 6H13C vagy hasonlók. Ugyanez a figura épített KT88-cal meg pentódákkal is SE-t, azt mondta felejtős, sosem lesz olyan hangja mint a triódával.
Ennek az SE triódás "hangnak" van fizikai magyarázata:
1. Az elektródák távolsága a triódák esetében kisebb (tetródák, pentódák esetében sokkal nagyobb), ezért a tértöltés is sokkal kisebb értéket vesz fel 2. Az elektródák/rácsok száma az elektronok zavartalan áramlását befolyásolja (akadálypálya ![]() 3. Ezekből az következik, hogy egy tetródából, vagy pentódábál sohasem lesz trióda, mert az elektródák eredeti távolsága megmarad - csak tértöltés értéke fog megváltozni. TJ.
Te tunerman. Miért haragszol annyira a sugártetródákra???Nem bántottak azok téged. Nekem az szól kiegyenlített trióda üzemben és kifelyezetten élmény hallgatni. De triódás erősítőm is van, volt mihez hasonlítanom.
Azért azt tedd hozzá, hogy az nem egy szokványos kapcsolás. Ha tetróda/pentóda SE-t épít valaki, az általában nem olyat szokott.
Ezt én nem tudom, a hangzás mibenlétét évtizedek óta próbálják műszakilag magyarázni, eddig nem sok sikerrel. De az Ágoston könyvben is az van írva, hogy a tetróda triódába kötve bizony nem lesz olyan...
Más. Megnéztem tegnap ezt az alis trafós linket, hát a kínai már mindent árul, van Audio Note koppintás is rajzzal és képekkel, szóval ahogy már múltkor is írtam, szinte minden valamirevaló csövest lekoppintanak és árulják. Ha másért nem, a rajzok miatt érdemes őket végignézni. |
Bejelentkezés
Hirdetés |




Hacsak nem véletlenűl Hashimoto kézműves termék, vagy Lundahl. Azoknak igen különleges az anyagaik. Olvashatsz is a honlapjaikon ezekről.
Amit ajánlottam cikkeket olvsd el többször is, írva vagyon, hogy tessék vigyázni ezen tube tetemes hőtermelésével. Majd 260 fokra felmegy! Az én Push-Pullomban rögtön négy figyel egymás mellett. Nyári langy melegben nem is sűrűn kapcsolom be, mert a helységben igen hamar szauna van. 
