Fórum témák
» Több friss téma |
Na.. hát ennyi. Pedig biztos vagyok benne, hogy a mérés jobbat mutat nfb-el.
Hangosabb, a fül meg érzéketlenebb nagyobb hangerőnél.
Ha ez ilyen egyszerű lenne, akkor csak kikötnénk a vcs-t minden PP erősítőből és voilá, máris úgy szól mint az SE. Hát nem úgy fog szólni, próbáld ki. Mivel ez nem ilyen egyszerű, ha az lenne, akkor a gyártók már rég rájöttek volna és ugyanezt csinálnák. A visszacsatolás csak ez egyik ok.
A másik az, hogy egy PP bármilyen szép szimmetrikusnak tűnik egy rajzon, meg bármilyen hiperszimmetrikusra is tekered meg hozzá a kimenőt, az bizony sosem lesz szimmetrikus, az okokat tunerman már részben kifejtette. A harmadik meg a trióda vs többi cső, nézd vissza az FFT ábrákat amiket feltettél, meg nézd meg azt amit én tettem fel. A PP a kezdetektől fogva (alacsony kivezérlés esetén is) termeli a páros és páratlan harmonikusokat, ugyanúgy ahogy egy tranyós erősítő. A triódás SE meg kizárólag párosat termel. Javaslok egy kísérletet, nagyon egyszerű, kell hozzá egy olyan generátor ami tud legalább 2 de inkább 3 frekit egyszerre, vagy a spektralab nevű program. Állíts be 0dB jelszinten mondjuk egy 1kHz-es jelet, hallgasd meg a dobozokon. Utána állíts be mellé -35dB-en egy 2kHz-es hangot is, majd hallgasd meg őket így együtt. Aztán állíts be hozzájuk harmadikként egy 3kHz-es hangot is, mondjuk -40dB jelszinttel, és így is hallgasd meg. El fogod tudni dönteni hogy melyik szól a háromból a legbarátságosabban, azaz melyik bántja a legkevésbé a füledet (kevésbé disszonáns). Na ez az egyik ok, amiért a triódás SE is a legkevésbé bántja a füledet...
De ha pl. két -három freki közül az egyik nem szinusz, hanem pl. nègyszög, esetleg háromszög, az már csudát tesz. Igen csak meg fog döbbenni, pl. mérés kor. Úgyhogy nehéz eset ez, azt tudomásúl kell venni hogy sem az SE, sem a PP, de még villiamson PP ami bonyolult, sem tökéletes erősítő. Ha egy kicsit is így lenne akkor mai napig csöves lenne a módi nem pedig újabban a pwm végfok, mint tudjuk. Az hogy az SE főként triódás a leg fűlbarátibb zenehallgatásra az minden vitán kívül igaz. De igazán tuti jól megépített SE-t hallgatni is nagy ritkaság ám. Lásd a shown a legtorzabban Psvane 300b szólt. Ezzel nincs is semmi bajság,( ki hogy szereti) de az hogy meg is van magyarázva hogy így jó, na az már mindennek a teteje számomra.
A hozzászólás módosítva: Nov 8, 2019
Mindkettőtök okoskodása hibás.
Az Én okoskodásom sem visz előbbre, de azért: A PP-erősítők nagy teljesítményre készülnek, a torzításuk a kimeneti teljesítménnyel kb. arányos. A visszacsatolás javítja a mérhető és hallható paramétereket. A triódás végfokok, mint a 300B is, kis teljesítményűek, ehhez viszont nagy érzékenységű, azaz, nagyot szóló hangsugárzó kellene, de nem, a High-End és a HIFI világában vígan kötik rá az alacsony érzékenységű hangsugárzókat, hogy milyen szépen, lágyan szól, sehol semmi hiány, meleg, igazi csöves hang, - na ez a téveszme. Mert ha megmérjük, hihetetlenül gyatra torzítási értéket és gyenge átvitelt mutat az SE végfok, kerüljön akár milliókba, akkor sem ér a nyomába egy átlagos PP-végfoknak, amit azért rendesen megépítettek. Mindkét technikai megoldás, ha jót akarunk, drága. Ez a lényeg, ha jó, akkor mind drága, tessék megérteni és dönteni, hogy mivel hallgatjuk a drága erősítőnket. Tehát jobb-jó minőségű hangsugárzó az, ami kell és akkor egy félvezetős erősítő hangja is tetszeni fog a 300B mellett. ![]() Üdv!
Hangerő beallítva, visszacsatolt szintre, igy hallgattak.
Idézet: Annyira nem, hogy jó nagy butaságokat mondtál. „Az Én okoskodásom sem visz előbbre,” Meg egyébként sem ártana legalább a 300B-s topikban hanyagolni végre a PP-ket... Ha a visszacsatolás javítaná a hallható paramétereket, akkor nekem százmilliós tranyós erősítőm lenne, olyan paraméterei vannak a csövesekhez képest. ![]() Utóirat: egy SE statikus és dinamikus viselkedése alig tér el egymástól, míg egy PP-é hát... nem kicsit... Az átlagos PP végfokaid hangja meg a fasorban sincs, még egy orosz csövekkel épített SE-hez képest se. Honnan tudom? Meghallgattam jó néhány PP-t, majd egy SE-t, amiből mindjárt vettem is egyet.
Én teljes mértékben igazat adok neked, már csak ha munkáim jórészét tekintve is, a bizonyítékát hallgatom minden rendezvényeinik hangosításakor is, ugyanis arra is igaz amit írtál a jó minőségű hagsugárzókról.
A következő írásom mindenkinek szól akit érdekel. Én azt állítom és mindig is emellett kiis állok, hogy a leg fontosabb elem egy rendszerben a hangsugárzó. Amíg kicsit is csal, mert pl az átvitele kissé itt ott hazudik, ami miatt tetszetős is sokak számára a hangja(ik) addig nem monghatjuk el azt, hogy a zene, a végfokba beépített más alkatrészünkkel így, vagy úgy szól. Azt állítom, hogy ha a hangfal átvitele tökéletes, vagy legalább közelít a tökéleteshez ami a lineáris átvitel, akkor és csakis akkor tudom valóban meghallani példáúl, hogy az előfokban más gyártó ugyan azon tipusú csöve miként és hogyan változtatja meg a dinamikát, ill. a kedvenc zenénk miként szól másképp z előzőhöz képest, de ezt más elemek cseréje állítgatása során is igaz. Ezzel nem szeretnék megsérteni senkit és semmit, aki épp másképpen gondolja, ez az én álláspontom ezzel. Egy híres hangmérnök barátom egyszer egy előadáson elmondta, hogy nem mindegy hogy egy pl. equalzerrel a rendszerünk, hangfalaink hibáit javítgatjuk, vagy az énekes, hangszer hangját keresgéljük tisztázzuk. Ez a home made hifire is teljes mértékben igaz. Nagyon érdekes ez a triódás SE lelki világ boncolgatása. A minap, miután itt és másikcsöves témában olvasom, hetek óta, hogy az SE így, szól,a PP, pedig "tranyósan pontos" Elővettem a mérőmikrofonom és meg akartam nézni ,hogy mikor az SE-ben pl. csatolókondit cseréltem (orosz olajpapír, illetve audio réz -fólia-papír) és fűllel hallani a jelentős zenei hallott külömbséget, azt vajon látja e a mérőmikrofon. A mérést mindíg fehér zajjal végzem. Nagyon részletesen a képet megállítva és nagyon kinagyítva alíg észrevehető eltérést láttam, ugyanis nem hittem, hogy akkora külömbség ne mutatkozna a képernyőn mérőmikrofon álltal spektrum analizátorral. Azt tapasztaltam, hogy csak a magasakra van hatással a kondicsere, de ezek 12-15kHz környéki sávban mutatkoznak. /15Hz-200Hz-ig tart a mély, innen 2kHz-ig a közép, innen felfelé 20kHz-ig a magas./ Tehát a magasátvitelnek is a felső tartománya kis részére esik. Ezért van az, mikor azt mondják sok helyt, hogy "ezt az xy kondit itt kicseréltem és letisztúltak a hangok, kinyíltak a terek",mert pont ott változik a hag átvitel, ahol ezt érzékeljük. Legalábbis én így látom, hallom. Furcsa érekes világ ez. Roppant kíváncsi lennék miként viselkedik pl. egy háló anódos oly nagy tiszteletben álló különleges 300b trióda példáúl. Én szivesen beszélgetnék ilyesmikről,mert érdekes és kíváncsiság hajt. Nem tudom ti hogy látjátok, hogy érzékelitek ezt. Kellemes pihenést a hétvégére mindenkinek. Attila. A hozzászólás módosítva: Nov 8, 2019
Idézet: „Elővettem a mérőmikrofonom és meg akartam nézni ,hogy mikor az SE-ben pl. csatolókondit cseréltem (orosz olajpapír, illetve audio réz -fólia-papír) és fűllel hallani a jelentős zenei hallott külömbséget, azt vajon látja e a mérőmikrofon. A mérést mindíg fehér zajjal végzem. Nagyon részletesen a képet megállítva és nagyon kinagyítva alíg észrevehető eltérést láttam, ugyanis nem hittem, hogy akkora külömbség ne mutatkozna a képernyőn mérőmikrofon álltal spektrum analizátorral. Azt tapasztaltam, hogy csak a magasakra van hatással a kondicsere, de ezek 12-15kHz környéki sávban mutatkoznak.” Ez a resze nagyon izgalmasan hangzik. Foleg, hogy merheto kulonbseget talaltal. Nem tudom mennyire illik ebbe a topicba (azt hiszem semennyire) de szivesen olvasnek ilyen merest/teszteket masoktol is. Csinaltal valaha magadnak sajat vaktesztet? Ugy ertem ket alkatresz, amit pc (vagy akar mobil) kapcsolgat random sorrendben es azutan tudod meg milyen alkatreszt hallgattal,miutan befejezted a tesztet.
Valaki feltenne egy a topic címében szereplő, 300B SE kapcsolást? Vagy érdemi hozzászólást?? Hogy ne csak az (ön)reklám menjen
Nem fog tudni feltenni semmi újat.. 6-10 W SE, kinek tetszik, kinek nem.. Max. 17W, erőltetett üzemben, csőhalál bármikor. Ennyi. Szerintem. A hozzászólás módosítva: Nov 8, 2019
Vak tesztet soha. Nem érdekelt. Viszont már komplett hangrendszert többet is,terveztem, bár azok nem home hifi kategória, de annak is kiválóan megállná helyét. Én bevallom őszintén neked is, és másoknak is, hogy én már nem tanultam a csöves dolgokat, csak annyit belőle, hogy felismerjék egy adott csövet, ha találkozom vele valaha. Mindent itt és saját érdeklődésem vezérelte tanultam meg. Nem tudok csöves alapkapcsolásokat sem méretezni. Beállítani csak-csak. Megtetszik egy kapcsolás mert akár nagy hírében áll, megépítem és ha odafigyelek a dolgokra, egész egyszerű és a vége mindig a várt biztos siker és öröm. Viszont nagyon jó a hallásom amire vigyázok is, mert munkáim során is szükség van rá. Nekem például nem pont az erősítő építése, a spéci SE kimenő tekervènyezése a leg fontosabb és leg nehezebb. Hiszed vagy nem, a hangfal, az a leg fontosabb és leg nehezebb dolog kivitelezni. Én mindig ex mindenkor arra törekszem, hogy hangfalaim, hangrendszerem minél jobban lineárisabb szólaljon meg. Ezt régen belém sujkolta egy híres hangmérnök baátom és rengeteg módon bizonyíthatja nekem bármilyen, akár othoni körülmények közt is, hogy s leg kellemesebb élményt mindig egy lineáris hangsugárzót hallgatva nyújt a zene. Nagyon meg fogsz lepődni ha egy ilyen hangfal párt hallgatsz kedvenc zenéddel.
Azt mondták nekem, hogy meg se próbálják jazzen, akusztikus zenén kívűl mást hallgatni egy triódás SE-n mert csak csalódást fog okozni! Olyan érdekes, hogy lineáris átvitelűnek mondható hangfalam van, bár nagyon megkínlódtan érte hogy az legyen, kiegyenlített trióda üzemben kapcsolt sugártetródát hallgatok, vagy 6N5SZ triódás SE-met (az még nincs bedobozolva) majdnem ugyan azt az érdekes kellemes nehezen leírhetó élményt nyújtja nekem még màs stílust hallgatva is. Pl. a minap Pink Floydot és Vaya Con Diost hallgattam a triódáson, közben csereberéltem az alkatrészeket. Nekem semmi bajom nincs a triódás SE-vel. Megmértem a Paravicini EAR-t is, az momentán 8 W-ig jelen kimenővel e80cc-kkel pl509-ekkel semmi torzitasg nem mutat, a 6N5SZ-es ttiódás pedig most 4W-ig tuti. Eddig hajtom ex nem tovabb. Több mint tokéletes. Csak egyetlen dolog az, egy nagyon fontos dolog amit sokan nem is tudnak, hogy ezeknek az SE erősítőknek, de egyes PP kapcsolás tipusoknak még rosszabb az a bizonyos damping faktoruk. Ez a legfontosabb egy erősítőben. Márpedig a csöveseknél ez gyenge érték. És hiàba jó egy triódás SE, ha egy nagy löketű érzékeny hangszórót rákötsz, agyon vágja az egészet hiába méreg drága és ilyen-olyan piklibe meg csudafából építettbe rakták azt be. Úgy fog járkálni a menbrán, hogy félsz a végén elmúlik mint a vesttern film. Ez azért van, mert a damping gyenge és a végfok nem tudja a hangszórót ezáltal kézben tartani,hiába tettünk meg mindent a legtutibb kimenőnkel is. Ha a hangszórót nem tudja féken tartani az erősítőnk akkor fogjuk még halk haangerőn is azt a különös SE triódás sajátos torzítást hallani, amit valójában a hangszórónk, ( több utas rendszerben főleg a mély hangszór) idézi elő. Ezzel sajnos nem lehet tenni semmit, mert nem a rosszul tervezett reflex nyílás, vagy tölcsér hatásos menbránfelületi illesztés adja. Ezt a gyenge damping faktort lehet nagyon picurkát javítani a hangszóró előtt elhelyezett jól méretezett fázis menet korrigáló RC, RLC tagokkal, illetve ha ez jól dolgozik már, akkor a végfokban lehet még a kapcsolásban némi babrálással, kkmenő alsó sávjának feljebb tolásával tekerve javitani. Hát ilyesmikkel törpölök mostanában triódás SE erősítőcskémmel. És minél halkabb teljesítményen hallgatózom, annál nehezebb dolog ez, de teljes kivezérlés határán is ugyan ezt firtatom. Ki próbálhatják ok ti is, ha van rá módotok. Nem kell hozzá hipi-szupi műszerezettség. Rengeteg türelem kell és jó fűl. Az nagyon kell hozzá. (Elnézést kérek az esetleges helyesírási hibákért, este telefonon nehéz pötyögni) A hozzászólás módosítva: Nov 8, 2019
Én az elektroncső.hu-n található “A kör” cím alatt található triódás kapcdolást építgetem éppenséggel és momentán ez vezérel engem a 300b trióda felé, most fogok najd nekiveselkedni a kimenő tekerésnek hőkezelt vasmag anyagra. De az sem kizárt, hogy hálóanódos 300b lesz. Még nem tudom. A kimenőm 4, vagy 5k lesz, az biztos, de tekeréskor kiderűl. 6-7W-ot fogok várni majd tőle torzítás nélkűl
Én ezt néztem ki, hurozo fórumtárs ajánlása. Tetszik is.http://www.timebanditaudio.com/300b/schematic.html A hozzászólás módosítva: Nov 8, 2019
Elég pongyola megfogalmazás ez a torzítás nélkül. Én értem mire gondolsz, 6-7W-ot szeretnél clip-elés nélkül, ami nem más, mint a 4-5-6-7-ed rendű felharmonikusok jelentős gyarapodása. Mert úgy egyébként torzítani azt fog 0,1W-on is.
Mitől lenne pongyola? Nem fogok okfejtegetni semmit, pláne míg a kimenő nincs kész. Úgyis legfőképp annak sikere a titok nyitja. Mostanában azzal leszek elfoglalva. Ha az nem lesz jó, akkor garantált kudarc lesz. A többi dolog most nem is érdekel még, azok most másodlagosak.
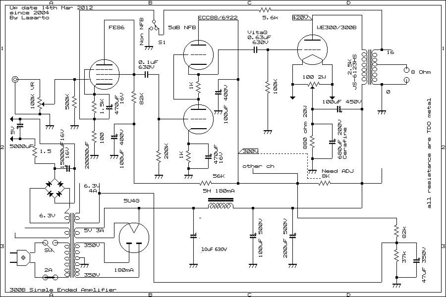
Megpróbálok ide betenni egy jó kapcsolás rajzát SE 300B WE-ajánlás.
(Lehet NFB, vagy nincs NFB, azaz, negatív visszacsatolás egy kapcsolóval lehet választani.) Érdemes elolvasni az eredetire vonatkozó leírásokat. Legjobb eredményt átvitelben és torzításban 2,5kOhm primer impedancia esetén lehet elérni, meg ez az optimális illesztése ennek a csőnek. Persze, ettől el lehet térni, de minden paraméter romlik ezt is vegyük figyelembe. Üdv!
Hogyne. De azt tudjad, hogy ha a kimenőt 2k5 körűlire tekered akkor a finom mély basszusoktól el is lehet búcsúzni. Van is egy WE táblázat, már sokszor találkoztam vele, azon nagyon szépen látszik hogy milyen tápfeszhez milyen áramok, rácsfeszültségek és illesztő impedanciák tartoznak. Ha az ember azt szeretné, hogy ne csak cincogjon, és csak közepe magasa legyen, basszus meg olyan amilyen, akkor fentebb kell az illesztést tenni jócskán, de ekkor viszont szép mélyek lesznek, viszont a magasátvitel rovására és kevesebb teljesítmény lesz. Ezért írtam, hogy majd 6-7W-ra számítok. Így a legjobb a kettő közötti kompromisszum. Ezzel játszadoztam el a mostani 6N5 SZ-es SE végfokommal. Itt is akkor lett a legszebb a hangja mikor duplájára-másfélszeresére illesztettem a kimenőt. Kétszer is át tekertem a két kimenőt miatta. Most gyönyörűen szól, igaz kicsit kevesebbet tud. De így nagyon jó. Az egész a kimenő sikerén múlikszinte. Az a rajz amit a minap belinkeltem, egy nagyon tapasztalt, sok 300b SE-t építő fórumtárs ajánlása. A tiedet is nézegettem régebben. Rengeteg variáció létezik. Én majd a télen a kimenőkkel kezdem, nekem az a leges leg fontosabb. Majd csak legutoljára fogom beszerezni a két nagy 300b-t. Ajánlották már nekem többen is a JJ markát, de most a hétvégén meg nagyon ellenezték, azt mondták, nagyon silányak, hamar kimúlnak. Majd kinèzek valamilyet. Psvane hálóanódos, vagy genalex lesz. Azok csak jobbak. Vagyont nem fogok rájuk kiszórni mert nem érnek annyit. Először teljesen egyszerű dolgokból fogom összerakni próbaképp, aztán majd látom. Egyenirányitás 5c3sz lesz, nekem semmivel sem rosszabb mint egy 5u4g. Ezekből van több is nekem. Vasárnap szereztem 6sn7gt-ket, bár e80cc-két kerestem, de ez se rosz. Ezeket nem ismerem, az e80cc-t meg már többször is használtam, annak nagyon tetszik a hangja. Üdv.
A hozzászólás módosítva: Nov 12, 2019
Jól látom, hogy a bemeneten egy triódának kötött EF86-os pentóda van? Egy drága 300B-s triódás végfokban elég furcsán néz ki.
Hmm, 300B és "hamar kimúlnak", ott a kapcsolás lehet hibás, vagy direkt csőrongálónak van megépítve.
Állítólag kevesen élnek túl egy 300B csövet, ha az tényleg jó. Kimenőtranszformátornak javaslom az EI-150/50-es vasmagot, vagyis 50mm vastagot, 25cm2-es keresztmetszet mellett szép mélyeket tud a 300B csővel. - mohinger: Igen és jól szól, ha a WE ajánlja, akkor nem is lehet rossz. Üdv!
Melyiket építetted meg?
Megosztod a fotókat/építést?
Pedig kimúlik. De nekem is lett már rosz JJ termék. Legutóbb egy EL3 adta be egy év után a kulcsot egy ismerősöm gitár fejerősítőjében. Most TAD van benne és faszáúl üzemel. Úgyhogy gyanakvással vagyok a JJ iránt . Amúgy nem nagy durranás a 300b. Haverom a hifi show-n nagyot csalódott benne. Szerintem túl van kicsit árazva is meg túl sok legenda szövi át ezeket a csöveket. Én nem hallottam egyet sem, majd építek egyet magamnak aztán meghallom. Biztos nem mennék sehová meghallgatni, mert én a saját cuccomon halhatnám meg. Másé meg nem az a pikli, nem az a szoba,nem az a bejátszó meg egyebek... Kíváncsi leszek.
Nem építettem 300B-vel erősítőt és nem is fogok.
De hallottam többfélét, azt a WE-ajánlásút is és talán ez volt a leginkább elfogadható hangú. (Nekem) Megint leírom, ehhez nagy érzékenységű hangsugárzó kell, akkor tud szólni azzal a 6-10W-al, ami kijöhet belőle, de kinek van otthon 96-100dB-es érzékenységű hangsugárzója, a 300B végfoka mellé? Üdv!
Értem.
Félreérthető volt a hozzászólásod. Az jött le hogy van benne építési tapasztalatod, de ezek szerint nincs.
Elnézést kérek, ha félreérthető voltam, nem építettem 300B végfokot és nem is fogok.
- Viszont van gyakorlatom SE végfokokkal, sokat építettem másféle csövekkel, amikhez nem kell hitelt fölvenni. Üdv!
"de kinek van otthon 96-100dB-es érzékenységű hangsugárzója, a 300B végfoka mellé?"
Ilyet sose mondj. Én sem teszem. Nagyon sok ember nem szokott el dicsekedni azzal, hogy milye van otthon. Már csak, hogy rögtön meg is cáfolnám, csak a közvetlen baráti körömben legalább négy-öt egyén tulajdonában VAN 98dB érzékenységű hangfalpár. Másfél évvel ezelőtt nekem momentáón Bonsai Audio névre hallgató hangalpárom volt, az pl. 95dB/1W/ m érzékenységű volt. Egy vattot tudó picinyke csöves erősítővel hallgattam zenétrajta, míg az egyik zenész barátom el nem kérte az ő haverjának. Azóta is náluk van. Az erősítőről nem írok, mert nem idevaló. Mostani hangfalam is tudja simán a 97dB-t, de az a két szélessávú Fostex hangszóró pár amit egy hónapja szereztem be a szamurályok országából az szintén tudja.
Ezt emlegettem. Más gyártóknak is van a csöveik adatlapján.
A hozzászólás módosítva: Nov 12, 2019
|
Bejelentkezés
Hirdetés |






Ha a visszacsatolás javítaná a hallható paramétereket, akkor nekem százmilliós tranyós erősítőm lenne, olyan paraméterei vannak a csövesekhez képest. 


