Fórum témák
» Több friss téma |
Egy másik témában, nagyjából ettól a hozzászólástól, született egy áramkör, ami eltér a megszokott kialakításoktól.
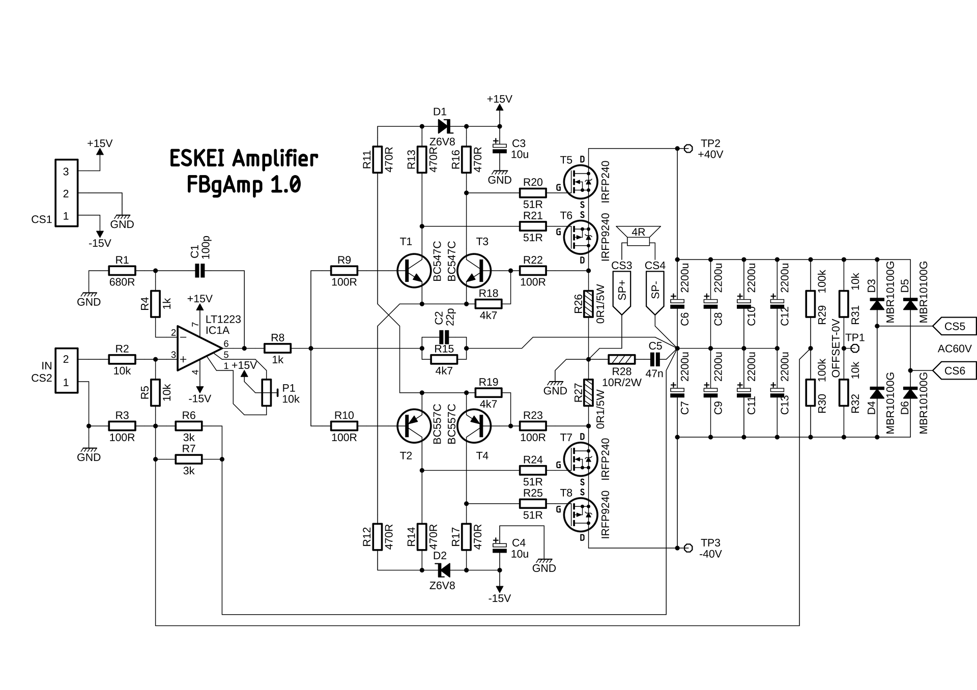
Karesz 50-nek és néhány jóakaró mentornak köszönhetően építhető állapotig jutott az erősítő. Mellékeltem a végfokozat és segédtáp kapcsolását. A hozzászólás módosítva: Nov 22, 2019
Moderátor által szerkesztve
Természetesen paneltervek is készültek, de amik otthoni legyártása talán nem célszerű. A végfokozat paneljének táplálási megoldása külön figyelmet érdemel, hiszen a panel egyik oldalán táplálja a puffereket, és a másik oldalon fogyasztja az energiát.
A panel a vég-FET-ek szempontjából alapvetően kétféle felfogási lehetőséget támogat. Ezeket lerajzoltam a szemléltetés kedvéért.
Mindkét kialakítás a népszerű és beszerezhető 8261-es hűtőborda profilhoz való csatlakozást támogatja.
A segédtápegység nem hagy túl sok szabadságot az építőknek, de ami jó, azon miért kellene változtatni. Ezt is lerajzoltam.
Azta!
A hozzászólás módosítva: Nov 22, 2019
A leginkább célravezető, ha mindenki saját véleményt formál egy-egy produkcióról. De az építést meg kell előzze valamilyen információ szerzés. Ennek oltárán áldozva, egy rövid idézet Karesz 50-től, az erősítő tervezőjétől: "...ez nem PA végfok, hanem ínyenceknek készült és inkább a hangminőségre gyúrtunk..."
A panel szemléletes bemutatása többoldalas rézréteg esetén nem egyszerű. A tervező képernyője túlzottan sok információt hordoz, ezért inkább a várható panel térben szimulált képét mellékeltem, külön-külön a két oldalt.
Csak egy praktikussági kérdés: ha már - túl jutva a szimulációkon - megépítési fázisba jutott az erősítő, nem lenne praktikusabb a +-15V segédtápot a már meglévő +-40V-ból előállítani inkább, semmint egy teljes külön tápegységet építeni neki?!
Nem kötözködés ,csak csupán kérdés mivel én még az alapokkal sem vagyok tisztában,igy kérdezném az erősítő DC oldalon nem látni semmi védelmet itt ennél nincs szügség ilyenre vagy csupán kimaradt
Illetve szükségeltetik hangszóró védelem?
Melyik DC oldalra gondolsz pontosan?
A kimenet kondenzátoros csatolású így nincs szükség külön hangszóró védelemre.
+40-40
A két sorba kötött kondenzátor közt meg féltáp van , igaz lengőben van de ez így ebben a formában egy erősítőnél élet veszélyes! A hozzászólás módosítva: Nov 23, 2019
Minden elismerésem a résztvevőknek, az erősítő kifejlesztése, a beleölt rengeteg idő és energia kapcsán. Valóban eredeti ötlet az áramkör. A várható hangminőséget nem tudom megítélni, az majd hosszabb távon kiderül milyen. Nekem eddig nem nagyon jöttek be az analóg FET kimenetű erősítők, ugyan volt ami elsőre kimondottan jónak tűnt, de hosszútávon hallgatva mindegyik hozzátett valamit a hanghoz ami zavart, és ami eredetileg nem volt benne. Régóta "létezik" fejben egy FET-Bipoláris hibrid, ami talán jól szólna ha megépülne, de egyre inkább úgy látom, hogy a D osztályé a jövő. Folyamatosan fejlődik, és egyre több az olyan, amelyik nemcsak hogy megüti a mércét hangminőségre, hanem komoly és nagyon drága analóg erősítőkkel összemérve is jók, sőt akár jobbak is lehetnek. Ha valaha építek még erősítőt, az 90%-hogy D osztályú lesz.
Bocs, hogy én válaszolok a szerzők helyett, de a +-40V tápfeszültség a kimeneten lovagol, azaz a földhöz képest nem állandó a feszültség ezeken a pontokon, míg a segédtáp a földhöz képest szükséges.
A kondik közepe sem a földre, sem a trafó közepére nincs bekötve, így ez a megoldás ekvivalens egy soros kondenzátoros kimenetű megoldással. Illetve annál picit jobb, egyrészt a szimmetrikus felépítés miatt, és mert a kondenzátorokról is van visszacsatolás. Ennek ellenére nyilván nem lesz rosszabb tőle, ha netán kap egy korrekt hangszóró védelmet.
Ezt én értem, hogy nem fix 40V a táp a földhöz képest, de ha egy diódával leválasztod, kondival megszűröd, mindjárt lesz ott a földhöz képest 40...80V, amiből bőven meg lehet oldani a 15V segédtápot.
Az "Erősítő építése elejétől a végéig" topik utolsó 5 oldala ennek az erősítőnek a kifejlesztéséről szól és ebben a topikban minden működéssel kapcsolatos probléma le van írva - a hangszóró védelem kérdése is. Akit érdekelnek ezek a részletek legyen szíves és olvassa el, nem látom értelmét, hogy oldalakon keresztül itt is kitárgyaljuk azt, amit ott már megtettünk. Természetesen ha újabb kérdések és kétségek merülnek fel ezekre megpróbálok válaszolni. Az erősítő kísérleti példányát két hétig teszteltem, mértem és többször meg is hallgattam. Az eközben szerzett tapasztalatok alapján bátorkodtunk Alkotóval közösen egy új projektet létrehozni. Ha megérkeznek a panelek és beszereztük az alkatrészeket, mindketten megépítjük ezt a kapcsolást és az eközben szerzett tapasztalatokról, valamint a végeredményről be fogunk számolni az eziránt érdeklődőknek.
Igen, meg lehetett volna segédtekerccsel is oldani a +/-15V előállítását, de nekem ez szimpatikusabb és korrektebb megoldásnak tűnik. Számos erősítőmben használok több hálózati trafót és az a tapasztalatom, hogy "meghálálja" a végső hangzás ezt a kialakítást.
Egyébként a QSC éppen úgy oldja meg, ahogy leírtad... A hozzászólás módosítva: Nov 23, 2019
Még egy kis adalék....
Mivel a nagy teljesítményű(és relatíve nagy feszültségű) kimenőjel rajta van a teljes tápellátáson..., ettől kezdve elég sok zavart vihet be a hálózatba kapacitív úton! Nem biztos, hogy így átmenne egy TÜV-es mérésen! A trafó kialakításánál itt a kapcsoló üzemű tápok zavarcsökkentési módszereit alkalmazni kellene... Egyébként nem látom át, miért lenne az a nyerő, hogy a kimenet a referencia pont, és nem egy egyébként is fix táp pont?! Szerintem ez csak nézőpont kérdése, ha átkötnénk az erősítőt hagyományos földelésre, ugyanez maradna. De, meglehet valamit nem látok át....
Lehet, valamit tényleg nem látsz át, de az is lehet, hogy én nem látom át, amit Te átlátsz
Tehát újból szeretném felhívni szíves figyelmedet az "Erősítő építése elejétől a végéig" topik utolsó öt oldalára.
Ezzel tökéletesen tisztánan vagyok ,nincs baj még nincs...
Miért ne látnánk értelmét hogy itt is kitárgyaljuk ,azt ott irkáltátok itt meg lett egy uj topik nyitva ennek .Ezt itt kellene töviről kitárgyalni ,vagy kérjétek meg a moderációt hogy illesze át az ide tartozó oldalakat!
Kérésed számomra parancs... tehát mire is vagy kíváncsi pontosan?
Idézet: „Egyébként nem látom át, miért lenne az a nyerő, hogy a kimenet a referencia pont, és nem egy egyébként is fix táp pont?!” Először a PA végfokoknál jelent meg a megoldás. Mivel a kimeneti fokozatnak feszültségerősítése is van, ezért minimalizálni lehet a meghajtási igényt, tehát 1db műveleti erősítő untig elég. Ha pedig-ahogy a QSC is csinálta- kombinálod a megoldást a kollektorkimenetes végfokkal, akkor nem kell szigetelő a végtranzisztorok és a hűtőborda közé.
Egyszer reloop már felvetette, hogy vajon miért nincs elterjedve ez a megoldás a hifiben. Tóth Béla többször is felvetette, hogy csinálni kellene már egy földelt kimenetű erősítőt. A csillagok állása most olyan volt, hogy ez megvalósult ebben a kapcsolásban.
Egyszerű, gyakorlatilag szinte semmit nem kell beállítani... csak összerakod, oszt szól. A mérési eredményei pedig nem is olyan rosszak. A hangját ugyan még csak én hallottam, de szerintem az sem rossz. Nem kell hozzá hangszóró védelem és koppanásgátló. Lágyan klippel és atomstabilan működik.
Ott a kérdés fentebb olvass vissza.
Most visszavaolvastam azt a pár oldalt amit emlitettél ,itt sem találtam választ a kérdésemre kivétel a védelem. A hozzászólás módosítva: Nov 23, 2019
Makacsul tudunk ragaszkodni dolgokhoz anélkül, hogy lenne rá magyarázat
![]() A 60-as években néhány viselkedéskutató 5 majmot zárt be egy ketrecbe. Középre egy létrát helyeztek, majd a létra fölé egy banánt. Amikor az egyik majom felmászott a létrán a banánért, a kutatók vizet zúdítottak a másik négy majom nyakába. Minden alkalommal, amikor egy majom megpróbált felmászni a létrán, leöntötték a többieket hideg vízzel. Hamarosan meg is tanulták a majmok, hogy aki fel mer mászni a létrán, azt meg kell akadályozni, le kell onnan verni, mert ha nem, akkor jön a hideg zuhany. Nem sok idő kellett hozzá, hogy egyik majom se próbálkozzon felmászni a létrán. Ezek után a tudósok kicserélték az egyik majmot egy másikra. Ez az új majom természetesen rögtön elindult a létrán, de a többi majom leverte, pedig már nem is kaptak hideg zuhanyt. Az új majom persze nem értette, hogy miért kapja a verést, de pár alkalom után megtanulta, hogy a létrán nem szabad felmászni. Ezután kicseréltek még egy majmot, és ugyanez történt. Elindult a létrán és rögtön kapott is érte... Ami azért furcsa, mert az előző új majom is részt vett a verésben, holott nem tudta a miértjét, hiszen ő sosem kapott a hideg zuhanyból. A harmadik, negyedik és végül az ötödik majmot is kicserélték, már nem volt senki az eredeti 5 majomból, de a fék működött... Fogalmuk sem volt a tiltásról miértjéről, csak annyit tudtak, hogy ez itt a rend... Senki nem tudta, miért nem lehet felmászni arra a létrára. Senki nem érti, miért nem lehet elindulni a banánért. Mégsem másznak fel érte. Miért? Ha megkérdeznénk őket és tudnának beszélni, valószínűleg ezt válaszolnák: "Nem tudom. Egyszerűen errefelé így működnek a dolgok. Mert ez mindig így volt és ezt így kell csinálni."
Köszönöm, nagyon tanulságos volt ez a kísérlet a banánnal
Idézet: „+40-40 A két sorba kötött kondenzátor közt meg féltáp van , igaz lengőben van de ez így ebben a formában egy erősítőnél élet veszélyes! ” Erre a "kérdésre" gondolsz? Van ugye pl. a Quad 606, nyilván nem kell bemutatnom neked, hiszen annak is van külön topikja. Az lebegő-földes erősítő és emiatt nem kell bele hangszóró védelem és nem "élet veszélyes" mégsem. Ott két kisjelű tranzisztor gondoskodik arról, hogy a féltápfesz mindig "beálljon". Ez egy lebegő-tápos végfok. Tulajdonképpen inverze a Quad 606-nak. Ott a pufferkondikba folyik a kimeneti áram, itt pedig a pufferkondikból folyik ki a kimeneti áram. Ott a földet "rángatják" a kimeneti tranzisztorok, itt a tápot "rángatják" a kimeneti tranzisztorok. Nem látom azt az életveszélyt amit Te látsz. Lehet nem látok át tisztán valamit... Lemaradt, hogy itt R29, R30 ellenállásosztó közös pontján jelenik meg a féltápfesz és UC1 integrátor "húzza be" közép tápfeszültségre a kimenetet. Az opamp saját offset hibáját lehet kitrimmerelni (P1) potival. A hozzászólás módosítva: Nov 23, 2019
|
Bejelentkezés
Hirdetés |


















