Fórum témák
» Több friss téma |
Sziasztok!
Megépíteném ezt a TDA2030 hídas kapcsolást. A lényeg az lenne, hogy ezzel a táppal (persze, 2 belőle) lehessen üzemeltetni, 4 ohmon, és 100W-t le tudjon adni, monoban. Ez akkor megoldható, ugye? Vagy ha tudtok ennél egyszerűbb, optimálisabb kapcsolást (ehhez a táphoz, 4Ohmra, kb 100W-hoz), azt szívesen fogadom. A cél az lenne, hogy relatíve kicsi és könnyű legyen az erősítő. A hozzászólás módosítva: Feb 13, 2019
Szia!
Ismerkedj meg a D-osztályú erősítőkkel. Vásárlási hely.
Szia! Esetleg erre a kapcsolásra gondoltál?
A TDA2030A megengedett legnagyobb tápfeszültsége ±22 V, amin azért egy kicsit belül szoktunk maradni a biztonság kedvéért, a kétszer 24 V biztosan sok lenne neki. A linken szereplő tápot próbáltad már valamilyen végerősítővel?
Igen, például erre. Nem olyan részletesen, de olvasgattam ezt a témát, tényleg nem valami jó a minősége?
Nem próbáltam még a tápot, viszont videóban láttam, ott nem volt vele probléma. Néztem D osztályúakat is, de nem találtam megfelelőt, maximum a TDA7293-at, de arról hallani hideget, meleget.
A TDA2030, a ±24 V tápfeszültség és a 100 W/4 ohm egyike sincs egymással összhangban.
A TDA2030 reálisan 10 W/4 ohm-ot tud ±15 V tápról. A ±24 V-ból 50 W-os erősítő építhető. A 100 W/4 ohm-hoz pedig ±40 V tápfeszültség kell. A TDA7293 gyakorlati terhelhetősége 70 W, AB osztályú és nincs vele semmi gond.
Valamiért úgy emlékeztem, hogy a táp változtatható kimenetű, pedig nem, de ez még orvosolható.
A fenti rajzon a TDA2030A-s, 4ohm 80W is egész jó lenne, ha ez egy jó kapcsolásnak számít. (gondolok itt zajra, torzításra, stb.) Igen, a TDA tényleg AB, valamiért nem így emlékeztem. Összefolynak már a dolgok a fejemben, nézelődök minden félét, és keverem már. ![]() Valószínűleg ez lesz megpítve akkor. Vagy megvéve ebayről, kitben.
A hídkapcsolás, melyben a TDA2030A tranzisztorokkal van kiegészítve csupán kérdésként merült fel, hogy mire is gondolhattál. Építésre nem ajánlom, az egyik legproblémásabb áramkör a HE-en taglalt végerősítők közül.
Amit 4 Ω 100 W-ra ajánlani tudok az az ST151, Quad405 és a VF2, így ebben a sorrendben. A tápfeszültségnek ±35-40 V közé kell esnie! A kapcsolóüzemű tápnál számolnod kell azzal, hogy tudnia kell a csúcsáramot, ami 4 Ω 100 W esetén 7 A, két csatorna esetén pedig a duplája.
Sziasztok!
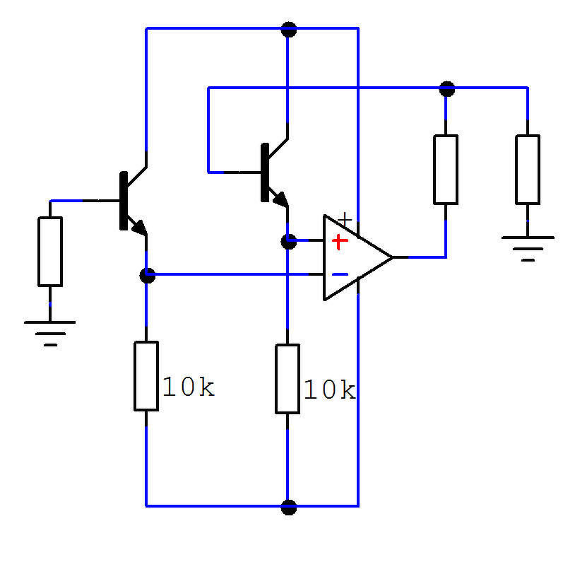
Szeretnék megosztani egy tapasztalatot veletek. Lényegében a TDA2030 végfok IC-t nem igazán használom hang erősítésére, mert valamikor elvoltam vele, de ma nem igazán tetszik a hangja. Bár sosem merültem bele mélyebben ennek a problémának az okára, de most valamit tapasztaltam. Egy más projekt miatt került ez a kis végfok IC a kezembe. Egy teljesítmény műveleti erősítő kellett, vagyis kettő egy hídba kötött terhelés meghajtása érdekében. Nem hifiről lévén szó, ez a kis IC tökéletes választás lett. Tisztán DC csatolt kapcsolásban a bemeneti bias áram miatt kis kimeneti egyenszint jelent meg, ami zavaró volt. Megmértem a bemeneti bias áramot, 0,51uA lett a mért érték. Az adatlap 0,2uA-t, de maximum 2uA ír, így teljesen korrekt a jelenlegi mért érték. Semmi baj, kikompenzálom gondoltam. Egy 150kOhm-os trimmera két táp közé, majd egy 10MOhm a csúszkáról a bemenetre. Szépen kitrimmeltem nullára. Viszont amikor terhelést kapott az IC, elcsúszott a kitrimmelt nyugalmi pont, majd szépen lassan visszajavult 10-20 másodperc alatt. Újabb mérés, hát melegen nagyobb a bias áram. A bemeneti 100kOhmos potenciométert kénytelen voltam 2,5kOhmosra cserélni, hogy ne vándoroljon szüntelen a hőmérséklet függvényében. A projekt most rendben van, de továbbra is érdekelt maga az IC. Ha ennyire változik a bias áram a melegedés miatt, akkor talán a torzításhoz is lehet köze. Mivel elég jól követi a bemeneti differenciál fokozat a kimeneti tranzisztorok hőmérsékletét, gondoltam biztos visszahat valami zavar formájában. A bemeneti tranzisztorok bias áramának változása miatt elég nagy feszültségváltozás jöhet létre a bemeneti és visszacsatoló kör ellenállásain, ezért ennek hatása a hasznos jelre jelentős lehet. Egy meglévő TDA2030 sztereó végfok panel bemeneti és visszacsatoló ellenállásait kicseréltem egy dekáddal alacsonyabb értékűre, így a gyári ajánlás szerinti 22k bemeneti, valamint a 22k/680Ohm visszacsatoló ellenállások 2,2k és 68 Ohm-ra változtak. Szerintem észrevehetően javult a hangja. Tovább mentem még egy dekáddal, tehát 220 Ohm/6,8 Ohm lett az érték. Itt már nem éreztem további javulást. Az alacsony ellenállásértékek miatt arányosan nagyobb kondenzátorok kerültek a visszacsatoló és a bemeneti körbe, valamint a forrás kimeneti impedanciáját is kisebbre kellett választani (jelen esetben a hangerő potenciométer értékében nyilvánult meg), ezért úgy gondoltam, ez nem igazán járható út. Viszont egy külső emitter- vagy source követő két ellenállással nem egy nagy tétel, így tervbe vettem egy teszt erősítő építését az alábbi elrendezések egyikével.
Lemaradtak a rajzok.
Sziasztok!
Egy régi 2030-as kütyüt szeretnék átalakítani 2050-re. A táp +-19,5 V , ha elhagyom a T1,T2,C6-ot és rövidre zárom R2,R3-at elvileg működnie kellene. Kell valamit még változtatni???
Inkább gyárts hozzá egy panelt.
Az R4-R5 arányát növelned kell, mert ilyen szoros visszacsatolásnál a TDA2050 gerjedni fog.
Szia!
Pont azt szeretném elkerülni. Kicsi a hely.
Kösz!
Ma megcsinálom. Ja és a diódák kellenek bele, vagy kivehetőek? A hozzászólás módosítva: Aug 4, 2019
Nekem ez van! A nálam okosabbakat kérdezném. TDA2040 teszek bele és a kondi marad a kimeneten, okoz e valami érdekességet? Nekem benne van és szól.
A hozzászólás módosítva: Aug 7, 2019
Sziasztok!
Hozzám került egy Philips F1410 music center, amiben TDA2030 végfokok vannak. Fejhallgatóval próbáltam, csak erős brumm hallható mindkét csatornán. Az IC-k kimenetén +35V van a kb. féltáp helyett. Kicseréltem mindkét IC-t, igaz csak bontott volt itthon, de nem változott semmi. Az 1-es lábon megvan a rajz szerinti 17V, a 2-es lábon 17,2 helyett kb. 18V van. Lehetséges, hogy a beszerelt IC-k is rosszak, vagy máshol kell keresnem a hibát? A tápfeszültség 35-36V között van.
Szia! A basszus poti, vagy a lábaihoz menő vezetősáv szakadása billentheti el a DC egyensúlyt. Ha 2-es láb feszültsége magasabb mint az egyesé és a hibát nem a mérőeszköz belső ellenállása, vagy az általa begyűjtött zavar okozza, akkor a négyes lábon 0 V-nak kéne lenni, nem a pozitív tápnak, ha jó az IC.
Köszönöm az ötletet, a basszus poti volt kontakt hibás (mondjuk az összes az
). A poti megmozgatása után "helyrejött" az erősítő. Mégegyszer köszönöm a segítséget!
Sziasztok. A címben szereplő alkatrésszel építkezek és megakadtam. Mi lehet a baj ha szimpla tápfeszültségű elrendezésben nem akar beállni a tápfeszültség fele? Rövidrezárt bemenet mellett mérve a kimeneten 3,4V áll be oszcilloszkópon mérve max 3,4Vcs-cs jel vehető ki belőle. Előre is köszi a segítséget.
Szia! Mérd meg az 1-es láb feszültségét testhez képest! Azon féltápnak kéne lennie. Vagy rossz a feszültségosztó, vagy a bementi csatolón szivárog az áram, például fordított polaritással beültetett elkó miatt.
Szia. A bemenettel sorba kötött elkó fordított bekötése okozta a problémát. Köszönöm a segítséged.
A hozzászólás módosítva: Dec 12, 2019
10-20 V-ról viszonylag jól működik. 9 - 16 V~ szekunder feszültségű, 20 VA-es már elég, az IC egyébként sem tud nagyon többet.
Nem szeretnék ellentmondani, de szerintem nagyon kicsi az a trafó 2*18W -os erősítőhöz.
Duplája, de inkább több kéne. (Ha teljesen ki akarja vezérelni) Persze tévedhetek is. A hozzászólás módosítva: Szept 20, 2020
Bocsi a "láma" kérdésért, de a trafóhoz milyen táppanelt kell építeni? ahhoz valami panelterved lenne?
|
Bejelentkezés
Hirdetés |









). A poti megmozgatása után "helyrejött" az erősítő. Mégegyszer köszönöm a segítséget! 





