Fórum témák
» Több friss téma |
Pont ezt próbálom már mióta, de nem tudom feljebb vinni kb- 98-ról 103.3-ra a retrót.Ha tovább tekerem a forgókondezátor csavarját akkor megy fel egy kicsit a freki de ha többet csavarok akkor eltünik illetve rosszabb lesz az adás minösége/hangereje. De én már hagyom az egészet , a magno jó az am jó és az aux is jó. majd hallgatom azt.
De , (a sikertetelenségellenére ) nagyon - nagyon köszönöm mindenkinek aki segíteni akart! Idézet: „Ha tovább tekerem a forgókondezátor csavarját akkor megy fel egy kicsit a freki de ha többet csavarok akkor eltünik illetve rosszabb lesz az adás minösége/hangereje.” Mert körbe forog...
Zöld tekercs meneteit kicsit nyomd összébb, állítsd be a skálához.
Majd a skála elején a modulátor tekerccsel max térerő, skála végén forgó"csavarjával", (nem az oszc,) szintén max térerőre hangold. Ezt többször megismételve érzékenyebb lesz, több adó is befogható. A hozzászólás módosítva: Szept 15, 2019
Műszer hiányában, segíthet egy FM transmitter.
Ha nem tudod a demodulátor tekerccsel a max hangerőt beállítani, akkor szükség lesz a KF hangolására is, mert annak a tekercs vasmagjának nagyjából középállásban kéne lenni. Ha már a KF jó helyen van, akkor kell az oszcillátort a helyére húzni, CHZ szerinti megoldással, és utána jöhet a bemenet, modulátor köt max érzékenységre hangolása.
A KF ek 10,7 MHz frekvenciára húzását jobb híján elvégezheted egy jólműködő vevő KF jelének átcsatolásával.
Üdv!
A napokban szereztem egy Electronica S732TPE Pacific-et. Minden rendben volt vele, sikerült áthangolnom is, de innentől kb. 3 percig szólt, és elkezdett brummolni, azóta sem csinál semmi mást, mi lehet az oka? Egyenirányítást néztem, de nem jutottam vele semmire se. A válaszokat előre is köszönöm.
Sziasztok! Van egy Sanyo RP 8700 rádió és MW savban meg sem szólal csak mindenféle zajokat lehet hallani, az FM az tökéletesen működik, hol kellene keresni a hibát?
Szia!
Hullámváltót, oszc. tekercset ellenőrizd.
Szia! a hullámváltót hogyan tudnám ellenőrizni?
Legjobb a Kontakt 60 de az drága, nálam sincsen soha, még WD 40 is ritkábban. De a denaturált szesztől a petróleumig bármivel kitisztíthatod a hullámváltót. De ha az kontakt hibás, akkor a kapcsolgatástól néha megszólal. Nézd át nem-e szakadt a ferrit antenna, az oszcillátor tekercs, az AM részben a keverőtranzisztor ? Ezeken kívül még esetleg fólia szakadás vagy kondenzátor zárlat is lehet, de ritkábban.
Sziasztok! Orion331-en honnan tudom hogy hol kellene állni a dobváltón a tekerőnek? Van két ilyen restaurálásra váró rádióm, és a dobváltó tekerője el-el forog a tengelyen. :/
Szia!
Kívül, a nagy takaró tárcsa peremén van egy pötty. Ha oldalról nézed, ennek a pöttynek 10-11 óra közé kell esnie (kb. 315°), hogy szemből nézve jó szögben lehessen látni a hullámváltó állását. Ha működik a rádió, állítsd középhullámra, mert az a Kossuth-tal könnyen azonosítható. Ha megvan, lazítsd le és állítsd be a gombot úgy, hogy a 195/590 mutasson a pötty felé, majd rendesen rögzítsd le a csavarokkal. A gomb alatti rugó fogja fixálni a tárcsát. Üdv, Zsolt Ui.: A skálán és a gombon a hullámhossz van, így azonosíthatók. A hozzászólás módosítva: Dec 7, 2019
Langyos desztilált vízzel, agyonmosott ronggyal, sokat dörgölve.
Mutatnál róla képet? Gyanítom az enyémen nem található ilyen, ellenben belül a tárcsán, ahol a tekercsek stb van, van egy gyárinak tűnő bevágás.
Ez így középhullámra van állítva. A tengely illesztésről nincs képem, de nem is lényeges.
Nekem nincs rajta ilyen pötty. :/
Nem számít, rajzolj rá egyet!
A tekerőgomb pozícióját kell úgy beállítani, hogy az egyszeri rádióhallgató szemből-felülről, kb. a skálát nézve nézve láthassa, melyik sávra kapcsolt.
A belső konkrét tárcsán van egy bevágás, az mihez képest, és hogy álljon hogy jó legyen? Jelenleg AZ1 hiányban szenved a rendszer, talán következő börzén tudok szerezni egyet...
Itt büdösödik egy hónapja az AZ1-ed!
Jólvan na! elfelejtkeztem róla! :/
Még korai a feledékenység
Azért ennyire nem bonyolult ez. Kapcsold középhullámra, majd lazítsd le, állítsd be kb. úgy, ahogy a képen van és rögzítsd.
A gond az, hogy a belső tárcsa van lelazulva, nem a külső amit megfogsz. A belső tárcsán van egy bevágás, az kb hogy álljon hogy jó legyen?
Sziasztok! Van egy NDK Saturn 422 rádióm. OIRT normás át kellene hangolni. Állomások jönnek az urh -n de csak 95,5 MHz-ig. FM transzmiterrel próbáltam és csak 95,5 ig vitte. Az egész sávot át kéne fognia, mert nálunk a Bartók 90,7 MHz Kossuth 95,5 MHz Retró 104,7 MHz. Mit kell kiszedni belöle? B:U:É:K
Sziasztok!
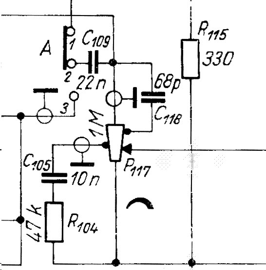
Resprom A-102 rádió javításához szeretnék segítséget kérni! A hangerő szabályzó potenciométert cseréltem, persze nem fémházas eredetire csak műanyag egyszerűt használtam.... A bekötése után működik rendesen szabályoz, a hang tiszta.... Viszont a normális értéknél nagyobb zaj zúgás brum jelent meg... Bevallom a potenciométer bekötésénél nem értettem miért találok piros, sárga, fehér, zöld, + a test árnyékolás vezetéket.... A bemeneti jel és a kimenő vezérlő jel kábeleit szerintem jól kötöttem be... (sárga kim. zöld bem.) Viszont maradt még két vezeték...? Az egyik piros és egy fehéres áttetsző + az árnyékolás.... Ezeket nem értem... Mi honnan hova? ))Jelenleg tehát működik, szabályoz, viszont a brummot nem tudom leszedni....Szerintem elkötöttem valamiT
Szia!
Az eredeti poti több leágazásos. Mellékletben a kapcsolási rajza.
Köszönöm a segítséget... Megnézem újra... akkor sima, mono, egyszerű potenciométer ide nem lesz jó....
|
Bejelentkezés
Hirdetés |







A tekerőgomb pozícióját kell úgy beállítani, hogy az egyszeri rádióhallgató szemből-felülről, kb. a skálát nézve nézve láthassa, melyik sávra kapcsolt.
))

