Fórum témák
» Több friss téma |
Fórum » Csöves erősítő készítése
Ne feledd betartani a fórum viselkedési szabályait, és a topik megmaradásának feltételeit. [link]
A téma átmenetileg fagyasztva lett, hozzászólni nem tudsz!
Granpának Györökön, a bajárat után a balra, középső szekrény középső polcán, van (volt?) GU50 "hűtőbundás" borításban. Aki nem hiszi, az kérjen fényképet.
Fillérekért lehet kapni "menetes szárat" csavarboltokban, KO anyagból, ami nem mágnesezhető. M3, M4, M5 stb. méretekben, 1 m szálban. A "sárgaréz pálcikák, menetmetszés" felesleges kitérő. Agymenés. De bárki kínozhatja magát.
Idézet: „Arra azért kíváncsi lennék, hogy egy vakteszben ki lenne itt az aki 10-ből 10-szer eltalálná azt, hogy az éppen hallgatott erősítő kimenőjében réz vagy acélcsavar van?” 10-ből egy sem. Fogadnék is.
Bocs, ott van a "javított trióda" jelleggörbéje is. Ritkaság. De nekem nem hozta a munkaponti adatokat.
Mit idézgeted itt be nekem a saját írásom? Betettem neki az adatlapot is.
A te stílusod köszönő viszonyban sincs azzal, ahogy illene itt társalogni!!!!!! A hozzászólás módosítva: Jan 17, 2020
Csakhogy az nem "hűtőborda", hanem mechanikai védelem. Az eredeti német kivitelben az még bakelit volt. A Wermacht csöveknél általános volt a kivitel. A másik hasonló célú megoldás a "vascső" volt. A legtöbb esetben csak egy kabát volt vasból, de ha jól emlékszem, volt amerikai vascső, aminek a búrája is vas volt. Amit a szovjetek átvettek, azoknak már mindnek csak a kabátja volt vasból, benne a cső üvegbúrás.
Igen, ha erre gondolt ennek semmi köze a hűtéshez, pedig ezeken lehetne mit hűteni mert brutál forróak üzem közben. Fel is teszem majd az apróba...
Megjelentek nagyon rég az üvegbúrás csövek, itt voltak évtizedekig, meg el is tűnnek kb. anélkül, hogy bárki kabátot aggatott volna rájuk.
Kivéve, ha a bolt több 10 km-re van és nem is tartanak. Valamint otthon hempereg néhány (tucat, különböző átmérőjű) szál sárgaréz forrasztópálca és a menetmetsző(k) is kéznél van(nak). Ezen írás elkészülte alatt 12 db. két végén menetes, 50 és 60 mm-es összefogó csavar készül el, mindössze egy csípőfogó, reszelő, műszerészsatu és fúrógép kell hozzá. Ami alapfelszerelés egy műhelyben.
Eszerint kénytelen leszek fényképekkel igazolni, hogy valóban robusztus, speciálisan hűtőbordás alakú alumínium blokkok voltak a GU50-es csöveken. (Ha még nem láttál olyat.) Amit idetettél az az általános, alap foglalat.
Idézet: Igen, mert valóban nem láttam még olyat. Valószínűleg ezért: „Eszerint kénytelen leszek fényképekkel igazolni, hogy valóban robusztus, speciálisan hűtőbordás alakú alumínium blokkok voltak a GU50-es csöveken.” Idézet: , tehát néhány speciális esetet leszámítva nem volt rá szükség. „Amit idetettél az az általános, alap foglalat.”
De volt, a legfőbb felhasználási területén a csőnek: harckocsi-rádió. Ha megyek Györökre, csinálok képeket róla.
A hozzászólás módosítva: Jan 17, 2020
Ahogy én tudom
Ajánlok értekezés, továbbgondolkodás céljára kezdetet, ahogy a csöves erősítők is kezdődnek, a tápegységet. Transzformátor, egyenirányítás. Régen elterjedt volt a középleágazásos hálózati trafó az anódtáp előállítását illetően. Ez nyilván az egyenirányító csövek kialakítása miatt, amik legtöbbször kettős diódák. A hátránya egy mai diyernek, hogy kétszer kell ugyanazt a menetszámot feltekerni a saját készítésű (diy) trafójára. Nem lesz a két tekercsfél DCR-je egyenlő - ha egykamrás kivitelről van szó. Jóval nagyobb feszültséget (veszteség) kell betervezni, ezáltal a szekunder belső ellenállása is nagyobb lesz. Ennek következménye, hogy az anódtáp meglehetősen lengedezni fog, ha változó a terhelő áram. A középleágazású egyenirányító rendszer bemenő teljesítmény igénye 1.48 Pki. A Graetz egyenirányító rendszer ugyanezt 1.24 Pki-ből oldja meg. Az amatőr vonzódik a túlméretezéshez több okból: Kitüntetett mű, akár jobbnak szeretné a megvalósítás, mint egy kicentizett költségű gyári berendezés. Megnyugtató számára, hogy ha változó a terhelésre az ő túlméretezett tápegysége csak vállat von és nyomja az energiát. Így teszek egy harmaddal kisebbre méretezett hálózati trafót néhány erősítő tervezethez, ami így is 2x-ese az általánosan használt táptrafóknak. Okok: Nem biztos, hogy a legkiválóbb (drága) trafó vassal dolgozunk, alágerjesztjük a szórás minimalizálására. Szeretjük, ha a trafó nem termel hőt, arra a csöveket tartjuk... A tápegység, trafó bemenetén RC snubberkörrel, mindkét ágban olvadóbiztosítékkal kedveskedhetünk a rendszerünknek. A primer-szekunder közé szigetelten egy nem záródó réz szalagot tesz az ínyenc diyer, amit egy vezetékkel a trafó fémtestére, azt meg a belátása szerinti helyre köti - védőföld, sasszi. A szekunder oldalon a váltó méretezése szerint, kis belső DC ellenállás, toroid, stb. esetén a szűrő kondenzátor töltőimpulzusainak mérséklésére többen teszünk még mindkét ágba kis értékű - néhányszor 10 Ohm - soros ellenállást. Az egyenirányítás: Ha mégis csővel szeretnénk egyenirányítani, megfelelő plusz feszültségre lesz szükségünk. A cső belső ellenállására a terhelés függvényében kissé változhat, ezt figyelembe kell venni. Az általános, 2 diódát tartalmazó csöveket 2 szilícium diódával kiegészítve megoldottuk a kérdést, hidaltuk az egyenirányítást. Amit lehet, érdemes, a diódáknál,(hídnál is) érdemes lassú feléledésű típust használni - HEX-FRED. Ezek ugyan 2-300.-Ft-ba is kerülnek az 1N4xxx típus 2-3Ft-jával szemben, de sokunknak még ennyi belefér. ![]() Vannak egyes orosz egyenirányító csöves diódák, amik fél perc nagyságrendű időben élednek fel, így azzal, aki a bekapcsolási késleltetés híve, egy csapásra több legyet is üthet. A diódákkal régebben rendszeresen láthattunk párhuzamosan kapcsolt 10nF-os kondenzátorokat, ezt nem magyaráznám meg, mint érdemes eljárást, aki gondolja, használja. Énis-énis. ![]() Maradnak az anód táp szűrői: A magam álláspontja is változatos, van ahol nem lesz elkó (motor üzemi kondi pl.) és lesz ahol jó minőségűnek gondolt elkó. Mindkét esetben lesz még a nagy kapacitásokkal párhuzamosan 2, dekadikusan kisebb nem elektrolit kondenzátor. Amiről a végén majdnem megfeledkeztem: Vannak, lehetnek amatőr készítmények, vagy gyári berendezések utánzásában fojtótekercs alkalmazások. Ezekkel általában nagyon szép síma DC-t nyerhetünk, a dinamikában megfelelő kialakítást vagy kiszámítjuk, vagy beszerezzük a megfelelőt, ízlés és lehetőség szerint. A fojtóval még egy csalafintaságot is elérhetünk, ha valamiért több az anódfeszültség meglévő trafó esetén: Ha a dióda, egyenirányító komplexum után a kimenetre párhuzamosan egy kis - 10-100nF-os kondit, sorosan a fojtót, majd tetszés szerinti nagyságú elkót teszünk, kellemesen csökkenthetjük az eredő DC-t. Ezek kiszámításához vannak megfelelő szimulátor programok, amik meglepő egyszerűségükkel én is meg vagyok véve. Remélem, hogy vannak, akik találnak hasznos információt ebben a kis röpdolgozatomban. Nem írtam, de mindenki az ízlése szerinti helyre hozzáteheti a nevemben - szerintem. ![]() Köszönöm a türelmet. Idézet: „Ha a dióda, egyenirányító komplexum után a kimenetre párhuzamosan egy kis - 10-100nF-os kondit, sorosan a fojtót, majd tetszés szerinti nagyságú elkót teszünk, kellemesen csökkenthetjük az eredő DC-t.”
Értem, de ehhez az a kis kondenzátor nem kell elméletileg (csak gyakorlatban nem árt/elfér)...
Persze. Amúgy nem magamtól lettem "képzett", megmagyarázták.
Példa2 Néhány évvel ezelőtt egy tudós kolléga világosított fel, hogy ugyanabból a 350V AC-ből hogyan lehet 418V DC és 259 DC. Azóta tudom. Az a D9 is szükséges lehet... A hozzászólás módosítva: Jan 17, 2020
Nem bizony. A "ronin75" féle hasonlít rá, csak ez enyémek (meg amiket eddig láttam) szögletesek és nagyobbak.
A hozzászólás módosítva: Jan 17, 2020
A pufferkondis egyenirányító csúcsegyenirányító, a (simító) fojtóval kezdődő átlag egyenirányító. A különbség nem kicsi.
A 2 Kohm Ra nem hiszem, hogy jó az EAR-nak. Ha az anódfeszből és a teljesítményből visszaszámolom, nekem kb. 6,5 k környékére jön ki (anódfesz kb. 450 V, ha hagyok csövön 10% maradékfeszt az 405 V, a kimenőre ennek duplája kerülhet, ez 810 V cs-cs, ez kb. 290 Veff. Ahhoz, hogy kijöjjön a 13 W kb. 6500 ohm kell (290Vx290V/6500 Ohm=13 W).
A csövek hűtését hagyjuk.
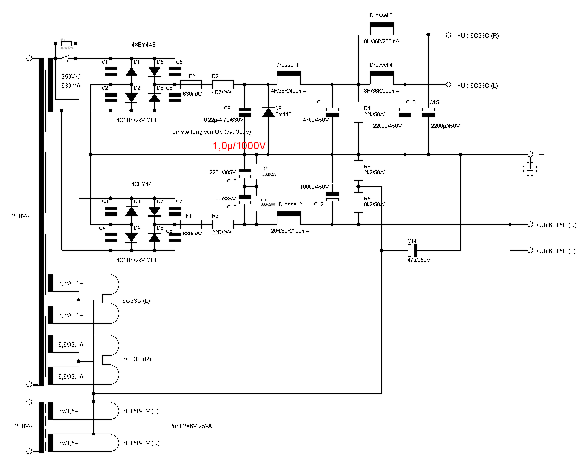
![]() - Ez a táp nekem nem tetszik. ![]() Az rendben, hogy a fojtótekercs előtt kicsi kapacitás van, de minek a 22k/50W-os kisütő-előterhelő ellenállás? Az zabálja le a feszültséget, illetve eszi meg a teljesítmény egy részét? Na ennek így semmi értelme! Az egyenirányító diódákkal párhuzamosan kapcsolt kondenzátorok szintén zsákutca, hibás elgondolás, mert pont a nagyfrekvenciás zavarokat átengedi, rontva a diódák egyenirányító hatását, ezzel inkább kárt okoz, mint ami előnye lenne. Ma az egyenirányító diódákkal párhuzamosan kötött kondenzátorokat hibás megoldásnak tartják, nem javasolják! Többféle feszültséget előállító kapcsolásban azonos terhelhetőségűnek kell lennie minden egységnek, akkor vehető ki a maximális teljesítmény, illetve lesz a terhelés eloszlása is kedvezőbb. Amikor eltérőek az egyes feszültség-ellátó fokozatok, akkor óhatatlanul is beépítünk az áramkörünkbe hibát, ami később megbosszulhatja magát. Az impedancia-viszonyok számítanak ilyen táp tervezésekor, tehát azok alapján kell méreteznünk. A rajz szerint ez nem így van. Mindent lehet, csak nem mindegy, hogyan! Üdv!
Hát, ha ennyire sem hiszed, pedig tökéletesen üzemel, akkor gyere el és halgasd meg mit is művel az a 10-12W. Én építettem, én tekertem a trafót is, mondjuk három félét is csináltam és három féleképpen tekertem. Anódtáp 500V, meghajtóé pedig 250V, a fele. Azt is elárúlom neked, hogy itt egy helyi nagy tekintélyű hifista ismerősömnek megvan ez építve idestova tizen pár éve, én az ő változatát építettem meg. Az övé 1,5W-al többet tud az enyémnél, mert az övében a kimenőt az Eger környéki bácsi (már sajnos nem él) 1600 ohmra készítette!!
De szerintem már ezt se hidd el. Na ez a baj a fórummal!!!!!!!!!!!!!!!!!!!!!!!! Hihetetlen komolyan. Mégépűlt tökéletesen működő készülékről állítjátok (állítod), hogy az nem is tudhat annyit, mert szerinted a cső nem jól illesztett. Sőt mindjárt megint jön, hogy nem is működhet. Rendben van, legyen. Higgyétek azt amit akartok. ÉN BELEFÁRADTAM, ELEGEM VAN!!!!! Építsd meg és megtudod. Tudod, én megelégszek azzal a10-02w-jával. Én hallgatom és nem te, a saját hangsugárzómon hallgatom és nem másén. Eddig vagy öten-hatan kérték, hogy írjak az EAR építéséről és a mostani 300b-s végfok építéséről beszámolót. De a te és a többi kötekedő kételkedők miatt ezt már soha nem fogom megtenni. Miattatok lehetetlen egy kicsi örömet is megosztani másokkal, és titeket már régen nem a téma címe érdekel, akár Push-Pullt akár éppen SE végfokot épít. Megint jobban tudtok mindent, mint az aki megépítette. Elképesztő. Ti meg az ég egy adott világon semmit sem építetek, be se számoltok róla, de másokat b...ni ahoz értetek. Szevasztok. BEEFÁRADTAM, NEKEM MÁR NINCS IDEGRENDSZEREM EHEZ. A hozzászólás módosítva: Jan 17, 2020
Egy kis érdekesség:
2xPL509 PP-ben triódaként, 300V anódfeszültség, 100mA nyugalmi áram és 2,2kohm illesztés mellett 30W kimenő teljesítményt tud, majdnem végig A osztályban.
Bocsi! Nem akartalak felhúzni. Nem tudtam, hogy kész erősítőről van szó. Mivel nem találtam gyári adatot a kimenőről, gondoltam számolom (jó szokott lenni). Elhiszem hogy jó, nem kell keresztbe lenyelned.
Én meg hallgatnám csak kérdés mikor lehet.
Nem jól számolsz. A 2k is már több az 1600 ohmnál. De nekem így több a basszus, szinte brutális.
Júliusban már írtam róla, tessék: A hozzászólás módosítva: Jan 17, 2020
Elnézést mindenkitől a fárasztóan hosszúra sikeredett hsz-em miatt.
A tápegységben történtekről, amit a linkelt oldalról idéztem: Nem írtam, hogy mi a követendő a példa benne, kizárólag (!) annak illusztrálásáról szólt, hogyan lehet fojtók variációval különböző DC-ket fabrikálni, maradjunk ennél. A többi az egyszerű német gyalogmérnökök sara. Nem néztek itt körül, járt sok gyár, mérnök már így. Elnézést.A diódákkal párhuzamos kondikról: az utóbbi 50 évben arról szóltak akár gyári kapcsolások is, hogy azok jók, kellenek oda. De ez is szabadon választott én mindenkinek igazat adok. Idézet: „Én meg hallgatnám csak kérdés mikor lehet.” Urunk ezen éveben, jelenlegi tudásunk szerint, a következő találkozók lesznek/lennének: - Békéscsaba (szerintem hagyomány lett belőle ).- Eger (remélem nagy durranás lészen belőle, készülünk ezerrel (én legalábbis) )- Zalai még soha nem került megrendezésre. - Zsáka (2019 elmaradt, szervező majd nyilatkozik 2020-ról.).
Hogy ki mit javasol, az a magánügye, pláne, ha nem tudja, hogy hogy működik. a diódákra kötött kondenzátor a kereszt modulációt szünteti meg, pont azért, mert a diódára eső nagyfrekvenciás jeleket rövidre zárja.
Hogy miért is vannak ott nagyfrekvenciás jelek? Ha megnézed a csúcsegyenirányító pufferén a jelet, az nem szinuszos lefolyású, hanem eltérő időállandójú logaritmikus fel, és lefutású, ráadásul a szinuszhoz képest fázisban eltolva. A jelalak sok szép harmonikust tartalmaz, ami a dióda nemlineáris karakterisztikáján egymást modulálják. Ez a keresztmoduláció. (ezt már többször is leírtam), amit a továbbiakban igen nehéz szűrni, mert az keresztmodulációs termékek a hangfrekvenciás sávba esnek. A helyzetet rontja, ha az egyenirányítást több dióda végzi, mert a diódák különbözősége az egyenirányított jelben levő brumm (zúgófeszültség) két egymást követő periódusa sem egyforma. Ennek ellenére az is előfordulhat, hogy nincs rá szükség. De jobb, ha tud az ember róla, és egy eszköz lehet a brumm elleni küzdelemben. Dehát mindenki maga főzi a levesét, egye is meg, én szóltam. |
Bejelentkezés
Hirdetés |











Nem néztek itt körül, járt sok gyár, mérnök már így.
).