Fórum témák
» Több friss téma |
Fórum » Erősítőhöz való hangsugárzó védelem (koppanásgátló)
Témaindító: Thom, idő: Márc 14, 2006
Témakörök:
Én ilyet nem írtam hogy buták. Nem is cáfolom meg hogy le lehet bontani egy sima relével akár 150v ac feszültséget is pl 10 a áram közben. Egyszerűen az a baj hogy ilyet még sehol nem láttam hogy valóban működik e ha arra ténylegesen szükségf van, és pl elszállnaka félvezetők, és valamelyik tápág kiül a hangszóróra akkor mit csinál a relé, elenged az ív ottmarad, avagy sem. Ameddig én szemmel nem látok valamit addig semleges maradok, nem tudom...
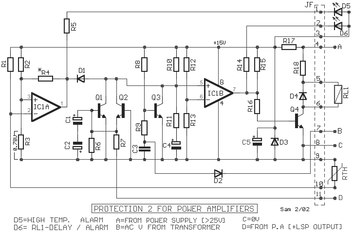
Meg is van, minden rajz szerint bekötve.
Szól max hangerőn, nem old, látszólag minden rendben. Kellene vagy lehetséges valahogy tesztelni?
Az egyik 47k ellenállást leválasztod az erősítőről és táphoz illetve testhez érintve a reléknek bontani illene azonnal, vagy legalább 1-2 másodpercen belül. Ezzel szimuláljuk a végtranyó zárlatát.
Linkeld be a relét és az erősítőt, abból többet tanulunk mint a jelzőidből
Erre az ívhúzásos problémára kétféle megoldás is van:
1, Félvezetős relé (MOSFET alapú) 2, Dupla, morze érintkezőpáros relét kell alkalmazni, és úgy kell bekötni, hogy amikor a védelem leold, akkor az erősítő kimenetét válassza le, a hangszórókimenet csatlakozási pontjait pedig zárja rövidre. Ilyen esetben mindenképpen megvédi a hangszórókat, mégha az erősítő feláldozása árán is.
Az általam feltett képek mindössze szűk két oldalt tesznek ki ebben a témában. Kikerestem.
A kép nyomán elindulva megtalálod a róla folytatott társalgást is.
Most eléggé zavarban vagyok. Még a problémát sem értem, amiről a szó folyik, pedig segítenék - ha tudok. Valaki kifejtené még egyszer és utoljára összefoglalóan?
150V AC-t meg lehet szakítani viszonylag biztonságosan és gyorsan. De itt ha baj van, akkor nem váltakozó, hanem egyenfeszültség lesz, amit már egyáltalán nem egyszerű megszakítani, mert ahogy az érintkezők távolodnak úgy húzza az ívet. Az ív hőmérséklete nagyon magas, mindenben kárt tesz, és nem utolsó sorban az ív még vezet is valamilyen mértékben.
E miatt a magas tápfeszültségnél a relés védelem nagyon bizonytalan. Éppen ezért találták ki, hogy ha már egyenfeszültség van a kimeneten, akkor úgyis baj van az erősítővel, ezért nem leválasztják róla a hangszórót, hanem valamilyen módszerrel rövidre zárják a kimenetet. Persze ehhez az erősítőt is úgy kell kitalálni, hogy rövidzár esetén ne lángoljon, hanem legyen benne valamilyen elem, ami enged az erőszaknak, és így ez a rövidzár nem jut el a tápegységig. Sok esetben a biztosíték a legkézenfekvőbb ilyen célra.
Azt hiszem bélával annó beszéltük ezt a triakos védelmet, crowbart ami egyszerűen kiver egy biztit ilyenkor a kijáraton, rásül a biztosítékra és megszakad a terhelés legalábbis.. Itt jött szóba a hagyományos kapcsoló kézzel lekapcsolom mechanikusan a hangfalakat azonnal... Bár ilyenkor már általában akkor is károsodik a hangszóró, de jó hogy van terkecselő haverom...
Tesztelve, működik.
Köszönöm szépen a segítséget!
Szívesen. Az eredmény első sorban a lelkes együttműködésednek köszönhető.
Üdv! Ezzel a kérdéssel kapcsolatban fejtettük ki az álláspontunkat.
Nekem hasonló végfoknál, a hangváltó tekercs és kondi kombinációja okozta. A tekercset nagyobbra tekerve (henry), már nem csinálja ezt.
Ennyire sajnos már nem vagyok lelkes és képzett sem a témában, de sejtettem, hogy valahol a kivitelezés minőségében van a kutya elásva
Ugye olcsó húsnak...
Kézzel az életben nem tudsz elég gyors lenni, mert mire észreveszed, hogy baj van, azután odmész a végfokhoz, addigra már elfüstölt a hangszóród. A triakos, vagy relés védelem pár 10ms alatt reagál, és szinte minden esetben hatékonyan véd.
A hangszóró védelmet úgy szoktam tesztelni, hogy egy 9V-os elemet odapróbálok az erősítő kimenet helyére, mielőtt azt odakötöm. Mindkét polaritással megpróbálom. Akkor jó, ha az érintés pillanatában rögtön elenged a relé.
Nem a gyorsaság a lényeg hanem a leválasztás, igaz arra már rég áramtalanítom..
1-2 mp alatt. Lehet hogy ez nem is akkora probléma mint amekkora feneket kerítünk neki... Hiszen a PA technikában ez gyakori hogy egy egy hangszóró sajnos elég.. Gyári végfokoknál is... Viszont semmiképpen nem elhanyagolható.. Én nem hagyom ki ha odaérek az biztos... Lehet le kéne koppintanom egy gyári végfokról ahol csaknem 210v dc van... És sima relés védelem... A hozzászólás módosítva: Dec 28, 2019
Szia! A tranzisztorok a legszélesebb tartományban helyettesíthetők, az egyetlen elvárás: a kisáramú béta 100 fölötti legyen.
A MOSFET-re annak áramterhelhetőségéig mehetnek relék, nincs vele teendőd.
Köszönöm a gyors választ. Sajnos az ajánlott tranzisztorok nem állnak rendelkezésemre, csak a helyettesítő alkatrészek. Remélem működni fog.
Szia!
Minden pofátlanságot mellőzve szeretnék egy újabb segítséget kérni Tőled ![]() Volna egy újabb projektem ahol egy ilyen erősítővel szeretnék egy darab ilyen hangszórót meghajtani. Az erősítő ún. PBTL módban lesz, azaz a rajta lévő 4 jumper átkötve, "L" bemenetre a bemenő jel a hangszóró pedig a kimenetek egyikére. Az utóbbi projektből kiindulva ide is szeretnék védelmet a hangszóró érdekében. Ki is néztem őt. Mire kell figyelnem a bekötésnél? A GND ugyanúgy direktben megy az erősítő és a hangszóró közé és csak a pozitív halad a védelmen keresztül? Lerajzoltam ![]() Köszönöm előre is a segítséged A hozzászólás módosítva: Jan 17, 2020
A konkrét áramköröktől függetlenül.
A GND-nek is a védelmen keresztül kell mennie, vagy legalább egy külön szálon oda is be kell kötni. Ennek hiányában a védelem nem tudja a kimeneti DC szintet figyelni, ami a feladatai közül talán a legfontosabb.
Megértettem, nagyon szépen köszönöm a válaszod.
Természetesen a védőáramkör tápjának itt is teljesen függetlennek kell lenni az erősítőtől.
Persze, erre gondoltam és így is lesz, mivel ha jól értem ennek is egy "sima" AC trafó kell, mint a korábbiakban felhasznált védelemnek. Ezzel kapcsolatban annyi nem tiszta, hogy milyen áramerősséget kell tudnia/bírnia a védelem tápjának? Azt mi határozza meg?
A hozzászólás módosítva: Jan 17, 2020
A védelemben a számottevő fogyasztó a relétekercs. Az általad linkelt képen látható SLA12-es néveleges árama 77 mA, tehát 100 mA-es táp elegendő.
Ja, hogy jahogy
Ettől én sokkal nagyobbra gondoltam, de ez így több mint jó hír.Köszönöm szépen a segítségeteket, ismét
Sziasztkok!
Érdeklődnék, hogy ezt a kapcsolást megépítette már valaki? Illetve mi a véleményetek róla?
Sziasztok!
Arra lennék kíváncsi, hogy a mellékelt kapcsolásban hogyan oldják meg a hangsugárzók védelmét. Ez egy Panasonic SA- AK22 "zenedoboz" végfokának sematikja. Ha pusztul a végfok IC, akkor mi védi meg a rákapcsolt hangsugárzókat. Azt látom, hogy van egy DC detektáló rész, ami gondolom küldi az infót a CPU-nak, ha DC van a kimeneten, de hogyan történik a beavatkozás? |
Bejelentkezés
Hirdetés |









