Fórum témák
» Több friss téma |
Fórum » Hegesztőgép javítása
Témaindító: Szentgyörgyi Lajos, idő: Nov 25, 2008
Tegyél rá panaszt. Kapsz visszatérítést és abból vehetsz használható gépet.
![]() De eddig még semmit nem írtál a gépek típusáról. Fehér ember számára minden kínai egyforma. Lehet, hogy minden hegesztő ugyanúgy (hasonlóan) hegeszt, de belül ég és föld a különbség.
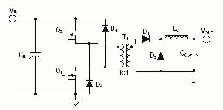
Miért fontos a dióda az IGBT-ben. Mi van ha diódás helyett dióda nélkülit rakok? Egyik gépben diódás van a másikban dióda nélküli pedig hasonló a kapcsolás.
Ha 2T forward elrendezésű a hegesztőd mint pl a maci, UKT is akkor nem fog dióda nélkül működni, vagy külső diódákat kell alkalmaznod.
Vannak olyan gépek pl a teljes hid ahol nincs szükség diódára
Teljes hidas a gép, több ilyen rajzot átnézve volt amelyikben benne volt a dióda és volt amiben nem. Ha benne van az gondolom ebben az esetben nem baj. Vettem egy hibás védőgázas hegesztőt amibe eredetileg diódás IGBT volt (egy fél hídon belül volt zárlatos a 2db, másik félhídon jó volt a 2db, FGH60N60SFD). Már vásároltam IXGH60N60C2 IGBT-ket amik gyorsabbak az eredetinél de nincs benne dióda. Berakhatom helyette?
Sziasztok javítani próbálok egy MIG/MAG 300-as gépet a motor vezérlő ic durrant ki a TL még olvasható a többi nem mi lehet?
Ok nélkül a gyártő sem tesz bele diódás IGBT-t. Tennék rá diódát.
TL494? Mondjuk egy éles kép többet segítene
Köszi csináltam egy élesebb képet hátha jobb lesz
Nézd meg kérlek szakadásvizsgálóval hogy az ic 7-s lába a gnd, a 12-s láb pedig a + táp.
A felső oldalon lévő pinek közül nekem úgy tűnik a jobb szélső lehet a GND és tőle egyel balra a pozitiv táp. Érdemes lenne a anya panelen is megnézni, hátha fel van tűntetve.
Néztem egyelőre nem egyértelmű hogy az de úgy tűnik hogy szerintem stimmel megrendeltem hozzá hátha sikerül megcsinálni
Egyenlőre nincs meg a 24v ennek okát kerestem.
Sziasztok segítségre lenne szükségem az alábbi képen szereplő Kaiser Míg Mag. 305 panelját hol lehetne megvenni?
A hozzászólás módosítva: Jan 19, 2020
Kínában. Vagy ahol a gépet vásárolták.
Kerestem de csak orosz oldalon találtam komplett gépet valaki belenyúlt de nem tudom megjavítani a keze munkáját sajnos
Ilyen a gép?: Bővebben: Link
Hoztak egy hegesztőgépet, a hiba megvan, a kimenő oldalon egy dióda zárlatos.Amit viszont nem tudok, hogyan lehet leforrasztani a panelról legkönnyebben. Az edész panel teliben fel van csavarozva a hűtőbordára, és az összes félvezető SMD. Már a két vékonyabb lábat sem volt egyszerű kiforrasztani. Le lehet egyszerűen szedni, az összepasztázott panelt a bordáról, vagy valamivel ragasztva van? Ha fent hagyom a bordán, valami módon le tudom szedni/visszarakni az újat?
Üdv mindenkinek
Kraft tig-130r rajzot keresek , az elektro tanyán félhidas rajzot találtam , ebben meg 4 fet v igbt volt de a diódákkal együtt kivágták , nem tudom pontosan mi volt benne , és szeretném életre kelteni , pláne hogy 2 van belőle , ugyanattól a kéztől.
Sziasztok! Van egy Einhell BT-GW 150 hegesztőm. Az utóbbi időben elég csúnyán hegesztett és a fokozat kapcsolója is megadta magát. Gondoltam a kettőnek köze lehet egymáshoz, így a kapcsolóját kikötöttem. Ha jól néztem meg, akkor a kapcsoló 0 állásban kikapcsolja a feszt, a többi 1-6 ig állásban pedig bekapcsolva tartja.A fázis és nullát is megszakítja. Ezen kívül a 1-6-ig fokozatnál a trafó primer tekercseit kapcsolja egyenként a fázisra vagy a nullára, attól függ a villás dugó mely pozícióba van csatlakoztatva.
Ezek után a kapcsoló nélkül össze kötöttem a vezetékeket, úgy ahogy a kapcsoló is kapcsolná, hogy kipróbáljam. A primer tekercseket egyenként kötöttem a fázisra /vagy nullára/. A gond az, hogy két olyan tekercs végem van, amivel működik a hegesztés. a többi négynél csak a relé kattan, de nincs előtolás és ívet sem fog. Köszönöm előre is a segítséget!
Találtam bekötési rajzot, megoldottam a hibát.
Sziasztok!
Van egy E10 es gyújtónk ami megadta magát. Kerámia kondik voltak benn 4,7nf kb 10kv párhuzamosan(rajz szerint 10nf) helyettesítettem 4x2,5nf 10kv stiro kondival de nem ad elég erős szikrát. ez lehet a kondi gond?
Einhell bt-gw 150 co hegesztőt tuningolt már valaki, mert fröcsköl, 1x olvastam itt fenn sőt még fotók is voltak.
Köszönöm
Az alapján amit találtam róla a gyári méretezése sem az igazi, nagyon magas a trafó üresjárati feszültsége (ami azért szükséges mert gyengére tervezték) amiből arra következtetek hogy gyenge a trafó csatolása (nagy a szórása). Némi feszültségcsökkentéssel, vagy a szórás növelésével ha van rá mód, illetve sok sok pufferrel orvosolható a hiba.
Mondjuk mivel új korában 2 év garanciát is adtak rá, valahogy csak el lehetett taknyolgatni vele, különben mindenki visszavitte volna még a garanciaidő alatt.
Ezek a trafók porbelesre lettek kitalálva, azzal jó is. De a 0,9 mm-es porbeles huzal iszonyat drága, ezért próbálkozik mindenki tömör huzallal,aminek ugyebár a vezetőképes keresztmetszete többszöröse mint a porbelesé. Emiatt aztán a trafó (és az egyenirányító-ha van)térdre esik a többszörös áram miatt. A "normális" tuning pedig majdnem annyiba kerül mintha vettek volna egy rendes kis teljesítményű Co gépet.
Hát leszedtem visszaraktam az újat egy vasaló segítségével. Apró szépséghiba, a fólia elvált az alulaptól. Így aztán lehet gondolkodni valami csavaros megoldáson.
Éppen most vagyok benne. A huzaltolónak raktam bele külön trafót, egyenirányítva, ide kondit nem szabad rakni.
Aztán tettem bele 47.000µF kondit. És a potit kicsréltem 10k + sorba 1k ra, így finomabban be lehet állítani a huzaltolást. 2-es vashoz jól be tudtam állítani. Viszont szerintem a kondiból le kell csökkenteni, mert pl 1-es lemezt szétégeti ha nem vigyáz az ember, még 1-es fokozaton is. A huzaltolás külön trafója és a finombeállítás sokat segített, de a kondikkal óvatosan.
Sziasztok!
Nem tudom jó helyre írok-e ez ügyben, de van egy a linken szereplő gépem. Elfogyott a gyári porbeles huzal belőle és vettem bele másikat a Lidl-ben. De ezt a gyárihoz képest nagyon fújja, pedig már majdnem teljesen levettem az áramerősséget. Gondoltam rámérek lakatfogóval és csodálkoztam, hogy nem mértem semmit. Próbaképp átváltottam AC-re a műszert és akkor tudtam csak értéket produkálni. Na most, ott nem DC-nek kellene lennie? MMA üzemmódban talán DC-ben mutat és ott meg is tudtam mérni az üresjárati feszültséget, de MIG funkcióban nem mutatott semmit. Mi lehet a probléma vele, vagy ez így van jól? Előre is köszönöm a válaszokat! https://www.weldmaster.hu/mig-mag-heggeszto-inverterek/mig-135-m-mu...r.html
Sziasztok! Egy HETRA 100/160-as hegesztőt szeretnénk megjavítani, amiből valaki kikötötte a 380-as "módot", és hirtelen nem tudjuk megfejteni, hogy eredetileg hogyan kellett bekötni a 230-0-400V háromállású kapcsolót a primer tekercsek elé. Az a gyanúnk, hogy csak két fázist használ a trafó, de ebben nem vagyunk biztosak. Tudnátok valamit javasooni? Köszönöm szépen! Készítettem egy nem túl informatív képet a primer oldalról.
|
Bejelentkezés
Hirdetés |



















