Fórum témák
» Több friss téma |
- Ez a felület kizárólag, az elektronikában kezdők kérdéseinek van fenntartva és nem elfelejtve, hogy hobbielektronika a fórumunk!
- Ami tehát azt jelenti, hogy a nagymama bevásárlását nem itt beszéljük meg, ill. ez nem üzenőfal! - Kerülendő az olyan kérdés, amit egy másik meglévő (több mint 17000 van), témában kellene kitárgyalni! - És végül büntetés terhe mellett kerülendő az MSN és egyéb szleng, a magyar helyesírás mellőzése, beleértve a mondateleji nagybetűket is!
Az enyémbe is. Aztán ezt a két vezetéket át kell kötni a megfelelő helyre.
Végül is igen.
Köszönöm a rajzot. Jobb oldalt fent a RELÉ 240 felirat felett az ellenállással a relé van jelölve? Alatta a körben a V betű - ami voltmérő jele - milyen alkatrészt jelöl?
A 240 Ohm csak szimulálja a 12V-os relét ellenállását. A másik a műszer, aminek feszültségét megjeleníti a grafikon. Vagy is a 240 helyére a relé tekercsét kell kötni, a másik meg nem számít a kapcsoláshoz..
Üdv Mindenki!
Egy ötletem megvalósításához kellene elméleti és talán gyakorlati segítség. Most tavasszal lesz felújítva a lépcső a házunkban. Fa lépcső, és elmegy róla a régi padlószőnyeg és minden lépcsőfokon lesz egy ovális beszegett szőnyegecske. Ez a nejem álma, megnéztük egy ismerősnél, tényleg jól néz ki. Én meg szeretném spékelni a dolgot azzal, hogy minden lépcsőfokba beépítenék két apró, ledes lámpatestecskét, balra-jobbra. Már ki is néztem milyet. https://www.ebay.co.uk/itm/12v-LED-Round-Warning-Indicator-Dash-Lig...y_HMlQ De azt szeretném, hogy alapból csak félfénnyel derengjen minden lépcsőfokon a két fénysor, ha viszont elmegyünk az adott lépcsőfokon mellette, akkor dimmeljen fel teljes fényre, majd egy perc után dimmeljen vissza félfényre, alapra. Hogyan lehetne ezt legegyszerűbben megcsinálni? Mi érzékelné, hogy valaki elmegy ott? A rendszernek 12V-ról kell mennie, az jelen van mindenhol a házban egyéb okból. A hozzászólás módosítva: Feb 3, 2020
Minden LED -re (LED párra) mozgásérzékelő. Esetleg mikrovezérlővel kombinálva, hogy az előtted levó világítson teljes fényerővel, az utánnad levő sötétedjen. Szép projekt, sok sikert.
Sziasztok!
Milyen probémákat vethet fel, ha egy (például 10mA-es) LED áramát előtét-ellenállás nélkül úgy szabályozom, hogy finomhangolom a feszültséget? Remélem nem buta a kérdés, de ugyebár mindig azt hallani, hogy a LED-eket előtét-ellenállással szokás használni, és kipróbáltam, hogy ha pontosan beállítom a feszültséget, akkor előtét-ellállás nélkül is belőhető egy LED-en például 10mA áram. Azt értem, hogy a ceruzaelemek feszültsége merülés során csökken, és ezesetben nem működőképes az elgondolásom, de vegyük azt az esetet, amikor a fix feszültségszintben lehet bízni. Esetleg a LED-eknek az ellenállása változik idővel (ahogy elhasználódik), és ez lehet probléma?
A LED egy nyító irányban előfeszített dióda. Ennek a karakterisztikája nem lineáris. Ha a feszültséget állandó értéken is tartod, a felvett árama még vidáman változhat. Az áram/feszültség görbéje egyre meredekebben emelkedik, ami azt jelenti, hogy az ellenállása az áram növekedésével egyre csökken, nagyobb áramot vesz fel, jobban melegedik, erre még jobban csökken az ellenállása, végül is megfut.
Ezért a LED -en nem a feszültséget, hanem az áramot kell állandó értéken tartani. Ez áramgenerátorral lehetséges, egyszerűbb, kevésbé igénybevett esetekben elegendő egy előtét ellenállás, de ez csak amolyan olcsó szükségmegoldás.
Ezt a témát egy szaktopikban már alaposan körbejártuk: Bővebben: Link
Bizonyos korlátokkal megvalósítható a dolog.
Sziasztok! Tudnátok ajánlani tömítő pasztát ami szigetek is .kb 200 fokot kellene hogy elviseljen.Vízüveg alapú jó lehet? Fűtőbetét javításhoz kellene. Köszönöm a segítséget!!
Sziasztok!
Van itthon egy 2x40W-os erősítőm és hozzá való hangfalak. Teljesen meg vagyok vele elégedve, de megtaláltam a régi házimozim mélysugárzóját (8Ohm, 50W), viszont az elektronika kuka Gondoltam rá kénekötni a rendszerre Nincs a hangszóróhoz se erősítőm, se hangváltóm (nem tudom, az kell a mélyládához??)Van valakinek egy jó kapcsolása? Gondolom a stereobol monot kell csinálni és azt felerősíteni, majd szűrni.
Sziasztok!
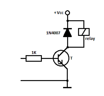
Lpt kimenetről vezérelnék egy-egy 5V-os relét. Direktbe kötve a relét, a feszültség leesik 1.3V-ra. Keresgéltem, optocsatoló használatát javasolják. Ehhez szeretnék egy egyszerű kapcsolási rajzot kérni. Köszönöm!
Szia,
nem mondtad, hogy mennyire akarsz belemerülni az "építés örömeibe", valamint mennyi "kacat és egyebek" vannak raktáron? Akár lehetne egy kiszuperált laptop tápja, TD2005 kitt a HE Store-ból, meg potméter, két ellenállás és egy kondenzátor. Némi laktosmunka és hasonlók...
Arra a meglévő erősítőre inkább ne kösd rá. Túlterhelheted. Önálló 30...40 W-os külön erősítő aluláteresztő szűrővel a bemeneten.
Valahogy így, lásd melléklet.
+Vcc: külső tápegységre mindenképpen szükség lesz, az LPT port nem tud elég áramot szolgáltatni közvetlen egy relének. A Vcc lehet 5 V, 12 V, 24 V stb. Annyi legyen, amilyen reléd van, jelen esetben 5 V. T: Tranzisztor. Kb. bármelyik általános, NPN típus megfelel. A lényeg, hogy bírnia kell a relé áramát. Pl.: BD139 Az 1 kOhm-os ellenállás bal oldala megy a LPT vezérlő érintkezőre, az alatta lévő vezeték a LPT port GND pontjára. A külső tépegység + (pozitív) ága a Vcc-re, a negatív ága az LPT GND pontjára. Igen, az LPT GND és a tápegység GND (negatív) pontját össze kell kötni. Elnézést a móricka rajzért, perpillanat ennyire futja. A hozzászólás módosítva: Feb 4, 2020
Szia! Köszönöm a válaszod!Elektromossan szigetelőre gondolta nem hőszigetelőre,remélem te is.Letört a fűtőbetét egyik lába majdnem tőbe . Kikapartam Vagy 4-5mm mélyen húztam rá hüvely, ezt szeretném rögzíteni a pasztával.
Valóban.
![]() Ami van mélysugárzó, annak az eredeti elektronikája megvan. Kiszedtem belőle a trafót, mert az még tökéletes. 2x16V (bár a 16V-ban nem vagyok teljesen biztos, de úgy emlékszek a két vége közt 32V van.). Van itthon pár alkatrész, diódák, kondik, TDA2030A, nyák, potik, stb... Szóval készültem én már erre, de most van időm megépíteni Annyi, hogy induktivitásom nincs, de ha szükséges veszek egyet
Még egy kérdés: a mosfet lábait hogy kössem be? Mert kondi jót robbant az előbb.
Eredetileg hőszigetelő, de ha kiszárad úgy szigetel, mint a samott, csak kicsit keményebb. Jól tapad fémhez.
Polaritás helyesen kösd be a kondit. A FET bekötését megtalálod, ha rákeresel a típus adataira.
Hello! Ha jól kötötted be és a táp is jó polaritású volt, a kondi nem robbanhatott volna fel..
De remélem így már érthető számodra is.. (Az ellenállásokon a színkódot ne nézd!) A hozzászólás módosítva: Feb 5, 2020
Szia! Köszönöm a választ! Nézelődtem a paszták között, lehet hogy az FBS-t választom.Két okból 1 van a cégnél 2 az is bírja a 200 fokot.Bár szerettem volna fölé menni a biztonság kedvéért,ezért is tettem fel a kérdést. 170fok az üzemi hőmérséklet!
Sziasztok
![]() Ezt a ledet lehet EL driver nelkul hasznalni nekem csak annyi a lenyeg pirosan vilagitson. Bővebben: Link Segitsegeteket elore koszonom
Tévedsz.
Illetve driver nélkül lehet, de inverter nélkül nem. Szeritem ez ráadásul nem is LED, hanem EL-wire névre hallgat.
Sziasztok!
Egy olyan segítséget szeretnék hogy van egy Merci Xenon trafója azon van egy IRL2310 es Mosfet úgy néz ki az lesz a ludas,a probléma hogy nem találok sehol,Ebay on is néztem. Ezt lehet valamilyennel helyettesíteni? Választ köszönöm!
Nézd meg az adatlapját, és válassz helyette egy másikat a paraméterei alapján.
|
Bejelentkezés
Hirdetés |












