Fórum témák
» Több friss téma |
Mielőtt kérdezel, a következő két dolgot ellenőrizd!
I. A helyes tápfeszültségek megléte.
II. A kimeneten van-e egyenfeszültség.
Élesztés.
Értem.
Közben meg áramgenerátoroztam a selejtes tranzisztorokat... Labortáp egyik olaláról collektor áramot, másik oldaláról bázis áramot adtam nekik. Hát ne mondjam. Össze vissza csinálták magukat. Volt már ilyesmire példa. Beszerzek más forrásból alkatrészeket és meglássuk mi lesz. Azért köszönöm a segítséged.
Sziasztok! Kérdezni szeretnék. Van egy TPA3116 icvel felépített mono erősítő panelom, melynek tápfeszültséget (24V) Dc/Dc konverter szolgáltat, amit 18650-es litium cellákból álló pakk(12,6V) hajt meg. A bajom, hogy hallgatom az erősítőt, majd pár perc múlva elkezd torzítani egyre jobban, mígnem hallgathatatlanná válik. Az erősítő hangerejétől ez független. A tápfeszültség multiméterrel mérve nem ingadozik (egy tized voltot sem). Az érdekes, hogy ilyenkor leveszem róla a tápfeszültséget, majd vissza teszem, azonnal torzítás mentesen szól. Viszont néhány perc múlva kezdi előről. Gondoltam, valami tápzavar. Egy D osztályú erősítőnél mire kell odafigyelni a táppal kapcsolatosan? Az erősítő, a dc\dc konverter kinából rendelt. Talán próbáljam másik erősítővel?
A kimeneti fojtók vagy az IC nem foró? Gyakori hiba, hogy bár ez az IC 27V-ról is elketyeg, de a kimeneti fojtó már telít ilyenkor és ettől meleg az IC. Vagy letilt a túláramvédelem. Ez lehalkítva is aktiválódhat, mert nem a hangfrekvenciás jel, hanem a PWM jel okozza a telítődést. Ha ez a gond, akkor fojtó csere.
Nekem egyetlen egy piros toroidos fojtóval szerelt modul tudta a 24V tápot. A többinél 12V felett már jött a melegedés. 10mm-es fúrószárra két rétegben tekerve 15mm hosszan 50menet, 0,5-ös huzalból 13-16uH között van. Ez a legegyszerűbb, és nem kell hozzá mag sem A hozzászólás módosítva: Ápr 2, 2020
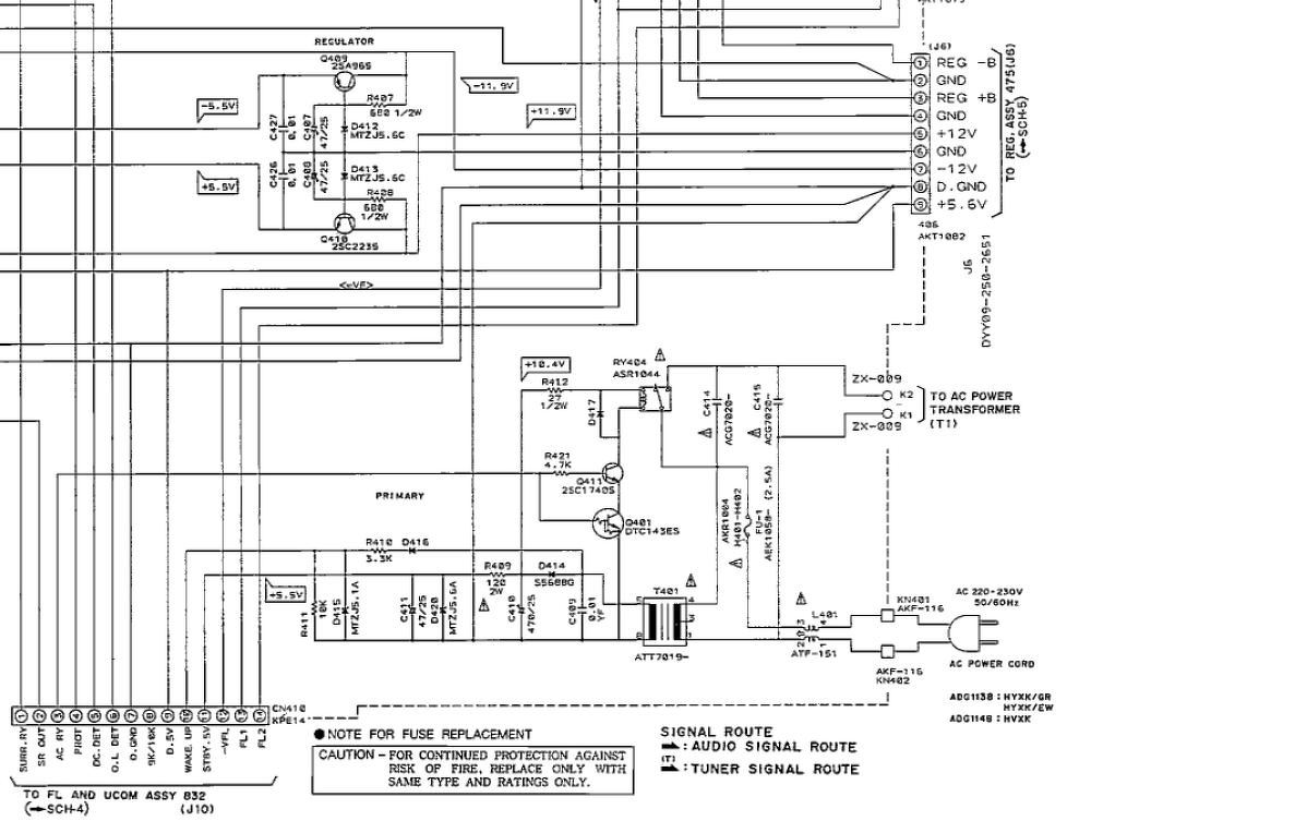
Kicsit tanulmányoztam a kapcsolását. Van a hátulján egy kapcsoló. Ha ott bekapcsolom, akkor egy relének be kellene húznia? (a kapcsolásról teszek fel képet, de a teljes service manual is elérhető.) A relét kiforrasztottam, 12V-al megkínálva szépen kapcsol, de a panelon nem kap feszt. A környéken az összes kondit kicseréltem, bár -ESR mérő hiányában- szemre jók
Mit nézzek meg szerintetek? A kis trafó primer oldalán van fesz, de a szekunder oldalon csak mV nagyságrendeket mérek. Gondolom valahol rövidzár? Vagy a trafó lenne a hibás? A hozzászólás módosítva: Ápr 2, 2020
Szia! Ellenőrizd le a biztosítékot, a hátsó kapcsolót állítsd "ON" helyzetbe, a villásdugó lábai között ekkor a kis trafó primer ellenállása mérhető. Mielőtt ezt a mérést elvégeznéd a lábakat zárd rövidre, hogy a szűrőkondik kisüljenek, különben kárt tehet a mérőeszközödben.
Megnéztem amit irtál. Ez azért elég amatőr volt egy magamfajta amatőrhöz képest is.
A primer oldal szakadt a tekercsnek, nincs ellenállása. Ehhez viszont segítséget szeretnék kérni, a neten nem találtam ilyet. Honnan szerezhetnék be ilyet?Egyébként a biztosíték okés. A hozzászólás módosítva: Ápr 3, 2020
Sziasztok! Egy lanzar opti 4001d erősítőben elszálltak a végfeket. Az erősítőről tudni lehet, hogy csak 10 illetve 250 hz között dolgozik. Adatlapja szerint stabil 0.5 ohmon. Igen, de mégsem, igaz a 12V táplálás szűk volt neki. Előző tulaja is mondta hogy voltak cserélve, a tápingadozás miatt. Hűtés is gyatra volt, persze nem volt kellő hővezető paszta, stb. Az autóm is kap majd még egy generátort de ez mellékes. Az erősítőben irfp4332 van. 230A pulse current. Kérdésem az lenne, hogy tudtok-e olyan fetet ami többet bír és alkalmas erre a célra? Jártam úgy, hogy tettem más fetet a D osztalyú erősítőbe és a gate kapacitása miatt a kimeneten megjelent egy 5Khz-es jel. Itt komplekt garnitúra csere lenne akkor esedékes, hogy ne keressetek itt az adatlapja a fetnek, bármilyen tippet meghallgatok.
Ha nem tudod rendesen tápolni, bármit rakhatsz bele kinyiffan.
Én erős fenntartással kezelném a 0,5ohmos stabilitást. 2ohm alá nem mennék a terheléssal semmilyen körülmények között sem.
Ha belegondolsz, hogy 6kW 12V-on 500A-t jelent... Esetleg rézsínekkel lehetne odajuttatni az akksitól.
Válassz egy 9 V-os NYÁK-trafót, ami a vas méretével egyezik. Bővebben: Link
Hangnyomiban kissé nagyobb terhelések lépnek fel mint a normál autohifinél sajnos... Ezért kellenek a jó generátorok, akkuk és a legújabb fejlesztésü kondik.
Sziasztok!
Adott egy QSC RMX2450 erősítő és az egyik oldala a következő produkálja. Egy bizonyos kimeneti jelszint után terhelés nélkül is, elkezd villogni a piros led megugrik az áramfelvétel. Ez valami illesztési probléma lehet?
Nem inkább 12V-os kell? A kapcsolási rajzon 10,4V-ot mutat. Vagy inkább kicsit kevesbb, mint több?
Üdv!
Adott egy siva ppa1200 a kepeken látható és azt produkálja , hogy halkan és torzul szól valamint villog a peak led mindkét oldal. Találkozott már valaki ilyen problémával?
A rajz az egyutasan egyenirányított, pufferelt, relével terhelt feszültséget mutatja. A 12 V ehhez túl sok lenne, a Zener előtét-ellenállása is megpörkölődne.
Pedig annyin jön ki belőle aminek kell, versenyre készűl. Egyenlőre 35 os kábel van hátrahuzva, és nem a kinai szett. Hátul még lesz egy pár akksi.
@pinyo39: Ha jól értem mindig repülni fog a cucc, amig nincs normális tápom, és vigyázzak vele amig ebben az állapotában használom.
Szia kb úgyan az mind a behringer ep2500. Nem egy túl bonyorúlt valami.
Vagy vegyél belőle még egyet, és oszd meg a terhelést rajtuk. Még az is lehet, hogy olcsóbban jössz ki hosszú távon, mintha folyamatosan javítani kell.
Nem véletlenül a Behringer megvette a QSC licenszet. Legalábbis hivatalosan ez helyzet.
Rendben. Megrendelem Hestore-ról, ha megérkezett és beszereltem jelentkezek!
Megveszem bele az eredeti tranyókat, teszek neki 2 akksival többet és meglátom. Őszinten nem furkálnám össze nagyon a dobozát, félek nehogy legyen probléma ha többet teszek, és akkor hiába tettem bele a plus párokat. Olyan mintha bridge végfok lenne 2-2 pár végtranyóval,de ami érdekes az erősítőt még lehet hidalni tovább egy másik ugyan ilyen erősítővel egy 6pin es utp kábellel. Nem tudom mit mondjak.
Elnézést, ha félreérthető voltam. Én arra gondoltam, hogy vegyél még egy végfokot, és a meglévő meg az új között oszd szét a terhelést. Valószínűleg a ráköltött pénzt is visszahozza hosszabb távon...
Szia.
A Kimeneten lévő Triak volt a bűnös. Egy bizonyos jelszint felett földre tette a kimenetet. Csere után megjavult. Köszi!
Bocs, hogy csak most irok. Nagyon köszi az ötletet, de az én panelomnál nem ez a gond. Abszolút nem melegszik sehol. Bár a kimeneti tekercsei valóban elég viccesek. Azt hiszem inkább vissza térek a jó öreg AB osztályú erősítőkhöz. Esetleg valami javaslat mono 50W-70W körüli jó minőségű bármilyen osztályú erősítőre? Aktiv aksis hangfalba kellene, ezért gondolkodtam D osztályba.
A hozzászólás módosítva: Ápr 6, 2020
Sziasztok!
Az RMX2450-nél a triak cseréjével egy gond megjavult. Viszont most a következő a helyzet azóta. 36V RMS kimeneti feszültségig 1kHz-es jellel minden pöpec, de utána a negatív félperiódus csúcsa kiegyenesedik. Kicseréltem az LM311-es komparátort (U271), de nem hozott változást. A környezetében lévő ellenállások és felvezetők is mérés alapján megfelelőek. Van ötletetek?
Pedig ez egyértelműen arra utal, hogy nem kapcsol a negatív tápoldal. Próbáld meg szkóppal összehasonlítani az egyes táp kapcsoló pontokat a két csatorna között!
Ha a negatív oldali csúcs hiányzik, akkor a pozitív oldali (U170 és környezete) okozhatja a problémát, mivel az erősítő topológiája földelt kimenetű. Nálad a tápegység közepe a kimeneti pont. Az U271 a pozitív kimeneti félhullám kapcsolt csúcsáért felelős.
AB osztályt nem ajánlom akkus tápláláshoz, mert igaz hogy a szakirodalom 78,5%-ot ír hatásfok gyanánt, de ez a maximális kivezérléshez tartozó szinuszhoz kalkulált elméleti érték. Gyakorlatban ez azt jelenti, hogy zenei jellel használva nem érhető el még 20% sem. Én maradnék a "D" osztálynál, de a tápellátást nem bíznám ismeretlen átalakítóra. Inkább egy 6 cellás, LI-ION csomagra.
Bakker, igazad van... Kvázi fázisfordítós a vége...
|
Bejelentkezés
Hirdetés |





Mit nézzek meg szerintetek? 














