Fórum témák
» Több friss téma |
- Ez a felület kizárólag, az elektronikában kezdők kérdéseinek van fenntartva és nem elfelejtve, hogy hobbielektronika a fórumunk!
- Ami tehát azt jelenti, hogy a nagymama bevásárlását nem itt beszéljük meg, ill. ez nem üzenőfal! - Kerülendő az olyan kérdés, amit egy másik meglévő (több mint 17000 van), témában kellene kitárgyalni! - És végül büntetés terhe mellett kerülendő az MSN és egyéb szleng, a magyar helyesírás mellőzése, beleértve a mondateleji nagybetűket is!
Köszönöm mindenkinek a egítséget!
Mindkét kondenzátor kék színű, és külsőre tip-top állapotban vannak. A formázás kicsit nehéz lesz, nem tudok 60V-ot előállítani. 40-et esetleg. Az nem elég?
Egy feszültség kétszerező, még nem az ördögtől való. Egy trafó, két dióda, meg két kondi. Nem kell nagy, áram kicsi..
Akkor a toroid trafós diagnózisommal nem lőttem mellé... A kismegszakító fene tudja mennyi idős, eléggé szét van osztva a hálózat ezért van sok 6A es is meg 16 os. Lehet átkötöm egy 16 osra ezt a konnektor kört. Vagy lecserélem azt a problémás 10A est, lehet valóban elfáradt. Bár sok terhelés eleve nincs rajta. Köszi mindkettőtöknek a választ.
A hozzászólás módosítva: Ápr 14, 2020
Ha segítség akkor tudok adni egy olyan hibridet ami DC 5V ból csinál DC 60 at. Kb 100mA t tud a kimeneten. Kb mint egy fél gyufásdoboz. Egy nagyobb LCD kijelző háttérvilágításához használjuk a cégnél. Cél áramkör, csak nekünk csinálják kínában. Kereskedelmi forgalomban nincs, legalábbis ez biztosan. Hasonló lehet. De a feszültség kétszerező gyorsabban megvan és valóban egyszerű.
A hozzászólás módosítva: Ápr 14, 2020
Szia! Mellékelek 2 képet a panelröl ami eldurrant ,sajnos mivel valami gumimasszával volt leöntve igy az alkatrészek sérültek miközben probáltam leszedni a masszát.A lényeg a motor elsö világitásához csak váltoáram megy ami van benne egyenirányitó az kifejezetten az index ,a kürt és a féklámpa felé engedi a delejt,az elsö led felé nem.De mivel az előző tulajdonos szétbaszta a vezetékelést igy elképzelhetö hogy valamikor ment oda valahogy egyenáram de nem találom hogyan.Cserélve lett a világitás kapcsolo is és annak az érintkezöi megegyeztek a motoron levövel tehát nem mokolták ott akkor viszont nem értem hogy müködött elötte a led.A motorrol hiányzott ez a 12v 3 voltos adapter és a ledek is kivoltak kötve ugy hogy a kábelek töböl elvoltak vágva.Azon én is csodálkoztam hogy az adapterre az volt ráirva hogy 12v dc in és 3 v dc out de a csatlakozokbol nem látszott hogy melyik melyik.A kérdés tehát adott,melyik lehet a panelen a bemeneti pont és melyik a kimeneti,ha csak váltoaramom van akkor kössek be elé egy egyenirányito hidat ami kifejezetten csak a ledek a felé esö áramutat egyenirányitja amiben csak a 26 db led van ami kb 600ma terhelést kér
Hello!
- Az egyértelműen látszik, hogy ez egy kapcsolóüzemű táp, a sarokban látható fekete torony miatt, ami egy tekercs. - A két zöld (ha igaz) közös pont, tehát ez a GND. Így ez AC feszültséget semmiképen nem kaphat. - A nagy zöld az áramfigyelő ellenállás lesz. A dióda meg a kapcsolóüzemű táp diódája. A kimeneti pontnak csatlakoznia kell a tekercs egyik lábával. (StepDown kapcsolás) - Kissé jobban le kellene tisztítani, élesebb kép, mert ezen sok nem látszik. - Ha a lámpában 26 Led van párhuzamosan, akkor borítékolva van a Led-ek halála. - A motorban van aksi, és ha jól emlékszem, sem a duda, sem az index, sem a riasztó, nem működik nélküle. Tehát a helyes irány az aksi és töltés megléte. Led-ekre nem emlékszem hogy lettek volna a motoron.. A hozzászólás módosítva: Ápr 15, 2020
Sziasztok
Valaki tudna nekem linkelni olyan 12V , 2-3 A stabilizált led tápot, aminek a kimeneti oldalán semmilyen üzemzavar, meghibásodás esetén sem valószínű, hogy megjelenik a nagyfeszültség? Olyan készülékbe kéne, amelyiknek a kisfeszültségű oldalán a vezető csak egy vékony lakkréteggel van szigetelve, illetve elválasztva a külvilágtól.
Szia.Mellékelem az uj fotokat és egy fotot a motorrol is mert ebben pedig gyari a led helyzetjelző akku van benne és a töltés is jo de mégse találok egyenfeszültséget a lámpák felé menő vezetékeken csak váltot.Amugy az első hozzászolásomban emlitett step down jo lehet ennek a kiváltására?max berakok elé egy egyenirányito hidat.A tekercs lábára a piros fehér kábel megy akkor az lessz a kimenet mig a teli piros pedig a 12 volt bemenet a 2 zöld pedig a közös test
A hozzászólás módosítva: Ápr 15, 2020
Ugyanolyan rossz minőségűek ezek a képek is mint az előző kettő, értékelhetetlen. Közelebbről, jó megvilágításban készítsél jól fókuszált képet.
Szia ,már ne haragudj de ennél jobbat nem tudok csinálni viszont amikor kinagyitom képet akkor egyelatalán nem torzul és szerintem szinte tökéletesen látszanak az ellenállások és a hátulján a nyáklap vezetése
Sziasztok! Vettem egy okostöltőt autóakksihoz! Azt írja a papírja, hogy max. 60Ah ig tölthető. Az én akksim 75Ah-ás. Tölthetem? Nem lesz probléma?
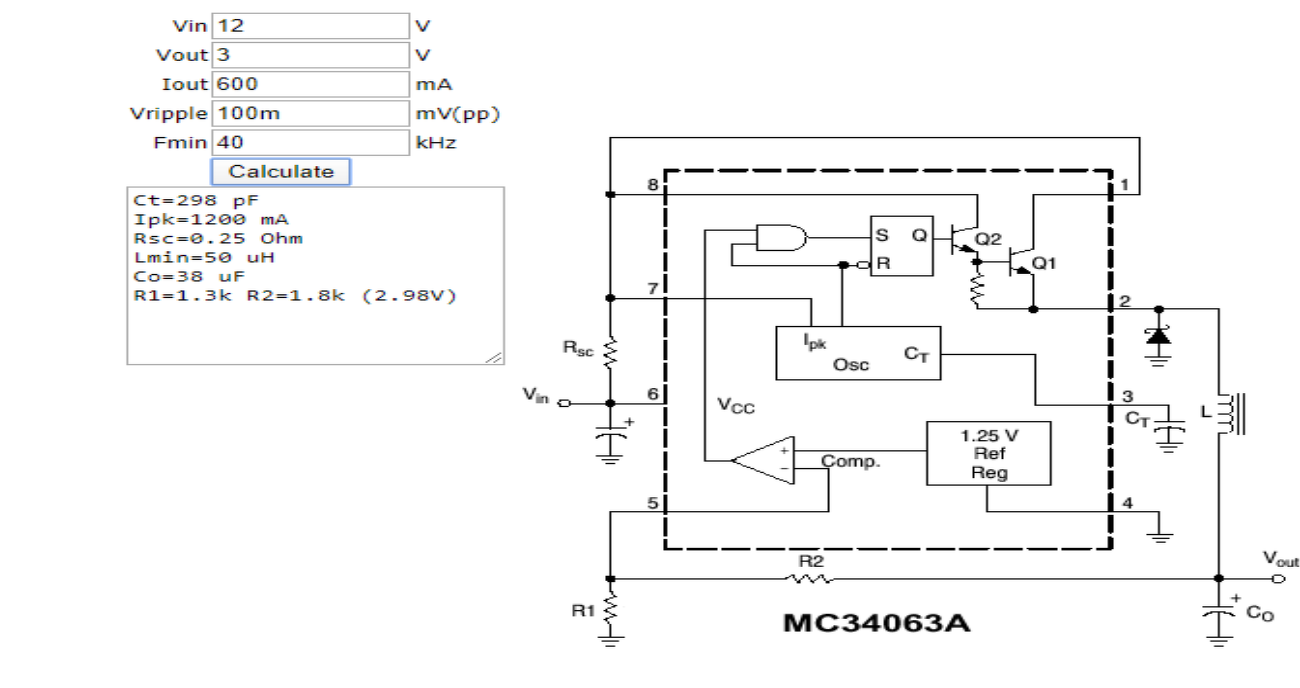
Annyi már látszik, hogy MC38063 van az áramkörben. Szinte az összes régi kocsiban használatos telefontöltőben ez az IC volt alkalmazva. Az is látszik, hogy a bemeneti tápszűrő kondi vagy már nincs benne, vagy nem is volt. Mondjuk nem sokat jelentene a szűrése. De ha Te szűrnéd és egyenirányítanád a tápot, az sem lenne túl jó, mert ha a lámpa egyik fele a testen van, máris nem használhatsz híd-egyenirányítót, csak egyutas diódát, azzal meg szerintem villogna. Egy lámpának nagy hőtehetetlensége van, de egy Led-nek semmi. Tehát ha megjavítanád az áramkört, akkor is valahogyan az aksiról kellene a villanyt beszerezni hozzá. Egyébiránt nem tudom ez az IC önmagában képes-e a 600mA leadására, mert ha jól emlékszem 1.5A a max csúcsárama. De átmész a DC-DC topikba és az ott lakók meg fogják mondani. Hogy egy motorba, aminek 12V-os aksija van, miért tennének egy kazal Led-et párhuzamosan 3V-al, az számomra egy költői kérdés.
De ennyit tudtam segíteni.. A hozzászólás módosítva: Ápr 15, 2020
Hogy lett ebből 38 nem tudom, de közben el kellett mennem.. Minden esetre a szimulátor szerint lehet. Ott a rajz is.
Telefonon néztem és ott kinagyitva szerintem jo,lehet tulságosan kinagyit a monitoron
Szia proli007,nos a ledek a lámpán belül totálisan külön vannak,elkülönítve a a tompitott és távolsági fénytöl ergo kaphatnának külön egyenáramot csak ,valamiért a kismotorok gyártoja sporol a elso világitás egyenáramuvá tételén és még a simsonomba is váltoáramu volt az elso világitásom ami alapjáraton elég halovány fényt adott,nem akarom ujra megépiteni ezt hanem arra gondoltam hogy megveszem azt a 3voltos stepdown convertert plusz egy egyenirányito hid vagy külön kábel a féklámpátol ,mert az érdekes mod már akkurol megy vagyis egyenáramu.
Mean Well kapcsolóüzmű tápegységet vegyél. Egyrészt jó minőségűek, másrészt az ilyen tápegységek hiba esetén nem tudják kiküldeni a hálózati feszültséget a kimenetre.
Jó szerencsét! Éppen a minap vettem egyet. Semmiféle negatív hatást nem tapasztaltam, pedig még kb. 5m össze is van tekerve, persze megglepődtem volna, ha utóbbi miatt bármi is történt volna. Ráadásul nem is volt drága. Üdv.: Joe
Köszi a választ.
Nem ebbe a témába szántam a kérdést és így utóbb alig találtam vissza, de végül sikerült.
Sziasztok!
Van egy CR2016-os elemem. Hány ohm-os ellenállás kellene beterhelnem hogy megtudjam hogy mekkora feszültségre képes még ? Mennyire van lemerülve.
Ha 200 Ω körüli terhelésre nem esik nagyot a feszültség, akkor még jó lehet. Mellékletben részlet egy Energizer elem adatlapjából.
Részemről kicsit szkeptikus vagyok ezzel a váltófeszültséggel kapcsolatban. Abszolut illogikus. Ami valószínűbb és megmagyarázná a jelenséget:
A generátorokban általában bele van integrálva az egyenirányító, esetleg abban az irányban is el lehetne menni hogy a beépített dióda híd halt be és a generátorodból egyen helyett váltófeszültség jön ki (esetleg félhullámos egyenfeszültség) a fogyasztók felé. Így tehát az akku felé is... kösd le az akkut és mérd meg csak a töltőfeszültséget. Ha ott is váltót mérsz, akkor kuka a generátor diódahídja. ) Ha az MC34063 al felépített step-down váltót kapott a bemenetére akkor az okozta a halálát is. Mellesleg az elkó is láthatóan púpos, tehát biztosan kuka. Ami szintén lehet attól hogy váltót kapott az áramkör. Előbb ezt kéne lechekkolni mert ha igazam van akkor a vadi új step - down is el fog szállni az örök vadászmezőkre. Ha eddig nem kellett elé greatz akkor most se kéne azzal megerőszakolni. De részemről ez csak feltevés, nem vagyok otthon robogók terén. Jah, még annyit hogy a generátort NE járó motornál teszteld akku nélkül. Mert ha a feltevésem helyes akkor a váltófeszültségen most pufferel az akku mint egy nagy kondenzátor, ettől működik a gyújtás elektronikád...stb Ha viszont az akku le lesz kötve akkor minden fogyasztód váltót fog kapni és hazaveri a többi elektronikai cuccot is. Tehát csak kézzel forgasd meg a motort valahogy és közben mérj a generátor kimenetén feszültséget. Járó motornál NE kösd le az akkut amíg ezt le nem ellenórizted mert lehet drága mutatvány lesz belőle.
LED et árammal hajtunk meg nem feszültséggel. Neked egy áramgenerátoros táp kell, teljesen mindegy hogy hány V os feszültséggel hajtod meg a LED et csak a nyitófeszültségénél nagyobb legyen hogy világítson is. A fényereje az átfolyó áramtól függ, ez pedig LED tipus függő. Egy normál LED kb 10 - 20 mA el hajtható meg konstans árammal, impulzus üzemben akár 1 A el is, csúcsokban. (PWM meghajtással, amikor is az egyik félperiódusban "dolgozik" a másikban "pihen" azaz tud hűlni ezért elviseli az üzemi áramának a többszörösét is)
A hozzászólás módosítva: Ápr 15, 2020
220 ohmos ellenállással 1,8V-ra esik a feszkó.
Vagy LED szalaghoz kell a tápegység vagy az áramgenerátor tápegysége lesz a 12 V.
Szia,hát pedig a robogok és a kismotorok többségébe pedig szerintem váltakozo aram van mivel adott egy tekercs ami körül forog egy mágnes és ugy gerjeszti a váltoáramot,van minden motorban egy egyenirányito egység aminek a feladata a töltés az index és a kürt áramellátása,szóval nem egy nagy teljesitményü egyenirányito,a mostani autokban már bele van épitve az egyenirányito a generátorba de a kismotorok többségébe nincs mert nincs rá szükség,de a fő problémám nekem csak annyi hogy adott egy gyárto által készitett ledes lámpa amit az elozo tulaj szereloje szétbarmolt és én szeretném ha müködne.Amugy igen furcsa volt nekem is hogy erre a feszültség átalakitora egyenfesz volt irva mert emléztem rá hogy amikor mértem a lámpákra menö feszültséget akkor csak váltofeszen mutatott normalis értéket.
|
Bejelentkezés
Hirdetés |



















