Fórum témák
» Több friss téma |
Fórum » Csöves erősítő készítése
Ne feledd betartani a fórum viselkedési szabályait, és a topik megmaradásának feltételeit. [link]
A téma átmenetileg fagyasztva lett, hozzászólni nem tudsz!
Hogy ki mit fog meghallani.. Szubjektív
5W vagy 7 W..Tök mindegy. A szorzó továbbra logaritmikus, a fizika szerencsére még létezik. Azaz dupla hangérzethez 10-szeres teljesítmény kell. Ha kell.
Ma megoldottam a laposodása okát négy ellenállás kicserélésével. Már 7W-ra tökéletes. Végleges lett.
Sziasztok!
Van itthon jópár régi csöves rádióm, és nagyon megtetszett a csöves erősítők világa, ezért egy kis segítséget szeretnék kérni. Szeretnék készíteni egy egyszerű csöves erősítőt, vagy akár csak kibányászni készen valamelyik rádióból (ezek a rádiók vannak: Videoton RA2103 [ebből 3 is], R4901, R4900) Abban is kérnék egy kis elme tágítást, hogy a különböző típúsú csövek milyen feladatot látnak el, miben különbözik a használatuk. Ahogy láttam ezekben a rádiókban az ECL86 van az erősítő részükben Illetve amihez most konkrétan kellene egy erősítő, az egy általam készített detektoros rádió, és gondoltam jól nézne ki egy csöves erősítővel, ehhez milyen megoldást ajánlanátok? Előre is köszönöm, szép napot!
Ha jól értjük a dolgot akkor az ECL86-al akarsz erősítőt építeni. Lévén ez van raktáron.
Tulajdonképpen igen, hacsak a többi csövet ami még van az említett rádiókban nem lehet erre a célra használni
A Melodyn R4900 és R4901 felépítése majdnem ugyanaz, csak a káva változott a ha jól olvastam. És Magnó, lemezjátszó, külső hangfal csatlakoztatható hozzá.
Ezért még mielőtt szétszednéd ki tudod próbálni stereoban a kettő rádióval, hogy mire számíthatsz, akár külső hangfalakkal is.
Szerintem használd úgy ahogy gcsabee írta . Vétek tönkretenni őket ,aztán ha nem tetszik add elgyűjtőknek .
Miért ne lehetne. Anno az ECH81 rádio cső trióda részét említették, hogy előfok csőnek megfelel. Viszont a többi csőről okosság híján nem nyilatkozom.
Ha mindenképpen új projektben gondolkozik akkor ajánlott más csövek beszerzése és az újra tervezés. Itt említeném meg az egyik kísérletem eredményét ahol az audio rendszer demodulálta a frekvenciát és rádióként működött. Ez persze nem követendő példa. Inkább alternatíva.
Az E(P)CL86 úgy lett tervezve, hogy egy komplett hangfokozat építhető vele, kb. 300 mV érzékenységgel. Ezbegy rádióba, TV -be, de önállóan is elegendő.
Az ECH81 trióda részére akkor van szükség, ha a végcső önálló pentóda, vagy trióda. ECH81 - EL84, ECH21 - EBL21 esetében például. De erre az esetre készült az EABC80 - EL84 kombináció.
Igazság szerint inkább dizájn elemként üzemelne, mint sem minőségi hi-end erősítőként (már csak az csövek miatt sem
), és emiatt valóban vétek lenne a rádiókat szétszedni, de mint írtam az RA2103-ból 3 darab is van, azókból egy akár beáldozható lenne, a többit főleg a csövek miatt írtam, hiszen azokat károk nélkül ki lehet szedni belőlük. Az összedugós-próbás megoldás már megvolt, meg természetesen a rádiót használva is hallható, hogy mire lehet számítani. Szóval inkább a látvány miatt érdeklne a dolog a meglévő alkatrészekkel, nem terveztem más csöveket beszerezni és pénzt ölni bele, mert akkor itt sem lenne megállás
Olvass vissza ebben a topikban, találsz kapcsolásokat ECL 86 csővel. (a topik címe melett a jobb felső sarokban az új hozzászólás mellett találsz egy lenyíló fület, ott a téma képei között keresés)
A többi cső használatára nézve EAF80, 801, hangfrekvenciás célra nem, de kivezérlésjelzőnek az EM87 elé használható, az ECC85, és az ECH trióda része használható audió célra, ill ha nagy igényed rá, akkor az ECH heptóda része használható effektezés céljára, de ez nem kezdőknek való játék.
Sziasztok!
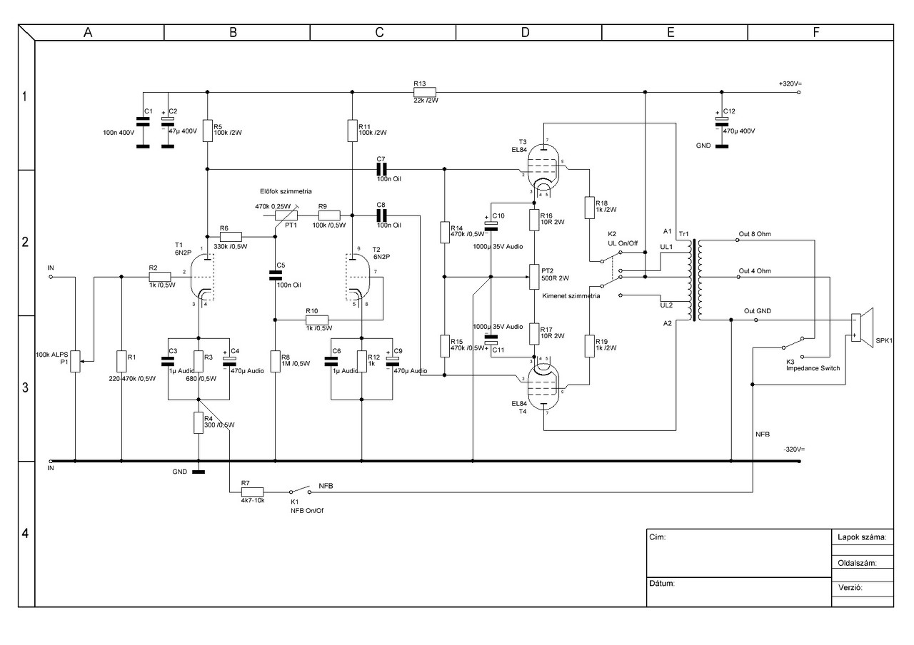
Dicsértétek CHZ EL84PP kapcsolását, amihez NYÁK terv is készült. Úgy döntöttem, kipróbálom. Lenne egy kérdésem, valami nem egyezik a NYÁK terven a kapcsolással. Ezt a kapcsolás nézve a 6N2P 1-es lába és az EL84 2-es lába között csupán egy kondi van, míg a NYÁK terven egy 4,7kOhmos ellenállás is. Az ellenállás véletlen lett lehagyva a kapcsolásból?
Szia! Itt van egy komplett cikk a Szatmár átalakításáról Lázár Péter fórumtársunk jóvoltából.
https://www.hobbielektronika.hu/cikkek/tube_amplifier.html
Nem ismerem az RA2103-at, viszont a 4900 és 4901-ben a végfok külön panelen van. Nemrég raktam össze egyelőre deszkamodellben két ilyet. A pufferkondit kivéve (mértem, tökéletesek, régi MM, nem mai darabok) mindent kicseréltem kutya közönséges, de mai alkatrészekre. A tranyós erősítőm nem volt valami nagy durranás, azt helyből nyugdíjba küldte. Régebben összeraktam egy JLH-t is, sajnos egyik csatornája zajos volt, és nem találtam meg mi volt a baja, de azért a hangját megismertem. Ez az ECL86-os annál is jobban tetszik. Mellékszálként nyugdíjba küldte a Sony CD játszómat is egy Pioneer tányéros CD játszó javára. A tranyóssal nem tapasztaltam a különbséget. Szóval kezdőként (csövesben én is az vagyok) érdemes foglalkozni vele, és nem csak a dizájn miatt.
Az az ellenállás kell oda, a cső bemeneti kapacitása miatt. A gerjedési hajlamot hivatott megszüntetni.
Sziasztok!
Egy ideje szeretnék egy SE erősítőt építeni RL12P25 csövekkel. Van esetleg valakinek tapasztalata ezekkel? A problémám, hogy az alacsony 200V-os G2 rácsfeszültség limit miatt, nemigazán szabad triódába kötni őket, és az ultralineár sem biztos hogy jót tenne a csövek üzemidejének.
Hát a kimenő trafó tekerés tudományának iszonyatos nagy gyakorlata kell, hogy ehhez a kis cukorfalathoz SE kimenőt tudj tekerni a max 800V-os anódtáp végett. A magas feszültség miatt nagyon nem lesz egyszerű csak úgy nekiesni kimenőt tekerni. Én a helyedben alacsonyabb feszültségű csövet néznék amivel könnyebben bánhatsz. Az ilyen speciális nagy anódtápra való kimenőket nehéz megcsinálni, mert akár több osztást kell tenni bele nem csak rétegeiben, hanem szélesszégében is, vagy több kamrájú csévét kell csinálni, mert hamar átüthet, de az ilyen trafók tekerésevégén a tekercsek összekötése még egy másik külön világ. Az ilyen kimenőket már nagyon híg lakkba van aki be is impregnálja. Mellesleg jókora trafók az ilyenek. Nagy ablakkal kell rendelkezzen a mag a sok osztás- szigetelés és kamrák miatt.
Majd tőlem tapasztaltabbak megírják neked.
Pentódával pentódás erősítőt kell építeni. Ha triódás végfokot szeretnél, akkor triódával építs.
Ez egy adócső, hangfrekvenciás alkalmazásban olyan hangja lesz amilyen. Arra kell használni, amire készült. Ez adóvégfokban mint modulátor cső használható hangfrekvenciás célra, ne ezzel akarj jóminőségű hangfrekvenciás végfokot építeni, mert arra alkalmatlan. De jól fog mutatni, és szólni is fog. Amúgy pedig az előttem szóló leírta, a kimenő készítése sem lesz probléma mentes.
Hát ezaz. A magas rácsfeszültség miatt is én nem kezdenék vele semmit sem.
Én ajánlanám neki a PL509-est, vagy mai elérhető 6,3V fűtésű változatát az EL509-et. Ez leglább audiofil végfoknak is való végcső. /Paravicini EAR859/ De az elektrocso.hu-n talál hozzá egy nagyon jó kis cikket egy kiváló SE-het ami lényegesen egyszerűbb mint az EAR. Ezek a csövek legalább valóban tudják is igen kiváló minőségben produkálni a max 13W-ot. Úgy tudom, hogy ezek a csövek amit említettem a legnagyobb tudású sugártetródák, brutális nagy katódfelülettel, az ettől többet tudók, vagy nagy fűtést kívánnak, vagy hatalmas anódfeszt. Nekem nagyon bejött, ha komoly alkatrészekkel építem és jó meghajtást kap, akkor nagyon tetszetős kellemes hangú SE építhető velük. És ezekhez kis impedanciás kimenő kell, ami könnyebben kivitelezhető. 1680 ohm az illesztése papír szerint az EL509-esnek és Pl-nak is. A hozzászólás módosítva: Ápr 22, 2020
Egy katonai rádióban ami számít, az a nagy teljesítmény, a robosztus kivitel, és az érthetőség (vevőnél az érzékenység). Az összes többi paraméter másodlagos. És ezt a csövet arra tervezték.
Köszönöm a válaszokat! Tudom hogy messze nem optimális arra amire szeretném használni, de túl jól néznek ki hogy ne kezdejk velük valamit. Teljesen nem akarom őket kihajtani, elég lenne 5-7W, így az élettertamuk is nőne, és a túl magas anódfesz problémát is mérsékelné.
A rács 200V-jához is külön táp kell, UL-be nem kötheted és nem lesz jó hangja.
Egy kis érdekesség. 807pp ecf80 telefunken meghajtóval 100khz szinusz átvitele
Gyönyörű dzép jel alakok. Az enyém ilyet nem tud.
Aki kételkedik eljöhet és részt vehet a bemérésen.
Ami a hangját illeti csodálatos! Egyszerűen nehéz leírni mennyire részletező és tiszta. A mélyek is erősekéskülönösen szépek.
Ugye. De nem is kell nekem 100kHz-et átvinni, úgy sem hallok odáig. Te biztosan
Nem gáz!
Jé, eltünt innen egy felhasználó.
![]() Pedig reggel még volt egy veretes comment. A hozzászólás módosítva: Ápr 23, 2020
Szia! Gratulálok! Szépek a mérések. Nekem is volt ilyen jelgenerátorom de csak 100khz ig tud. A jelalakból itélve a végfokod még tovább is átvihet.
Irigyésre méltó remekmű! Sok munka lehet benne és jól cáfolya hogy a katodin nem a legjobb megoldás. Ha jól értettem ecf80 van benne. Gondolom a trióda katodin fázisfordító. Biztosan jól kidolgozott a kapcsolás. Kapcsolási rajza publikus? |
Bejelentkezés
Hirdetés |








