Fórum témák
» Több friss téma |
Az áramerősség állítását üresjárásban nem jelzi a műszer, és nem melegedhet semmi. A kimeneti kondenzátor, és/vagy dióda (C6, D15) nem zárlatos?
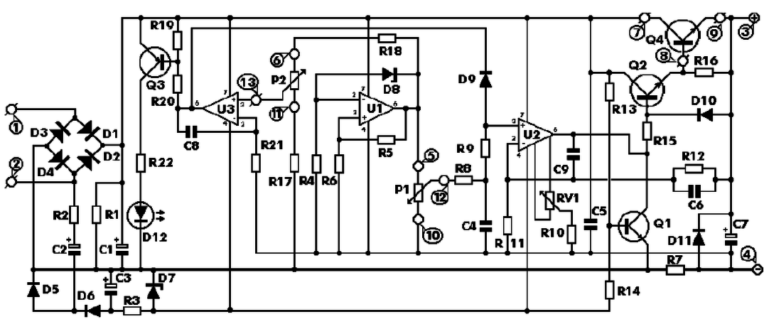
Sziasztok, meg epitettem az abran lathato labortapot, mukodik szepen minden, egyetlen hiabaja, hogy amikor terhelest kapcsolok ra, akkor megno a feszultseg a kimenetenkb 1 volttal. Ennek a hibanak a kikuszoboleseben szeretnek segitseget kerni, valaszokat elore is koszonom!
A vastagon rajzolt negatív ág feletti vezeték biztosan a kimeneti pontra van kötve?
Igen, biztos arra van kotve. Esetleg lehet az IC-k hibajabol adodik ez a problema?
Mekkora feszültség mérhető a D7 -en terhelés nélkül és terhelve?
Az egy 5.1 voltos zenner, terheles nelkul 4, terhelessel 4,77 voltot merek az anod es katod kozott. Meg erett volna a cserere?
Problema meg oldva, C2 es C3 cserelve, igy helyre jott. Koszonom a segitseget!
A belseje.
És a kivehető vezérlőegység.
Idézet: „Adattáblája szerint 0-50V - 0-6A - tud.” Hááááát ... én mintha azt látnám, hogy csak 51-55V között szabályozható, és max 6A ami nem állítható. Meg egy 70V váltó 50Hz kimenet.
Lehetséges, hogy én értelmeztem rosszul.
Mivel üzemképtelen és kapcsolási rajz sincs hozzá, nem tudom pontosan mit tud. Sose láttam, még hasonlót sem. Van egy poti az elején ( a 2 műszer közt), aminek hiányzik a gombja. Valamire csak jó.
Ránézésre egy triakos fázishasításos elven működő egyszerű szabályozó, még áramkorlátja sincs valószínűleg, azért lehet a kapcsok között a 10A-es biztosíték. Vagy ha van is áramkorlát akkor az fix értékű.
Az nem az a klasszikus poti, amire gondolsz, hanem egy trimmer, amit szándékosan úgy alakítottak ki, hogy egy csavarhúzóval finomhangold a feszültséget 51 és 55V közt, ha kell.
Így is meg akarod javítani?
Valószínűleg szkóp kell hozzá. Ha két tirisztor, van benne a trafó után, akkor vezérelt egyenirányítóról van szó. A tirisztor gyújtó impulzusait előállító áramkört kéne felderíteni.
Ami eddig kiderült. A vezérlőpanel jobb felső oldalán látható relé, nem a hidegindításhoz kell - először erre gyanakodtam és hallás után is ilyen képp működött. De be lehet kapcsolni a panel nélkül is.
A vezérlő panelon 3 duál műveleti erősítő van ( RC4558C ) egy Graetz és egy 7812 fesz. szabályzó. Sajnos olyan lehetetlenül van elkészítve, hogy ha bedugom a csatlakozójába nem férek hozzá. Teljesen szét kell robbantani az egészet és akkor is 2 m2 el fog foglalni. Az egyik kondenzátor párhozamosan a primer oldallal, a kapcsolónál. A két fojtó sorba egymással az egyik még valamivel összekötve a tirisztorok után. Az egész vezetékezés annyira szorosan össze van kötözve, szinte lehetetlen kibogozni mi, hová megy. Ami az 51 - 55V -os méréstartományt illeti: miért indul a műszer 0 V -ról? Ennek nem sok értelmét látom. Valószínűbb, hogy 0 -tól 51-55V ig lehet állítani - de nem tudom. Rajz nélkül egyenlőre nem akarom a vezetékezést szétszedni.
Mutatós műszer hogy mutatna 50V-ot ha nem 0-tól indulna?
Tippem szerint valami telefonos tápegység lehet... Erre utalhat a 70V váltó is mint csengető feszültség. És akkor az 51-55V is érthető. A relé meg talán az alarm kimenet. A hozzászólás módosítva: Márc 30, 2020
Egy frekvenciamérő általában középállásos és 50 Hz -ről indul, jobbra - balra. 0 a környéken sincs … Ha a műszer 50 -től mér 55 -ig, akkor ugyan azon a skálán sokkal pontosabban tudja mutatni az értéket, ha 50 - 55 -ig van felosztva.
Egyébként nem kizárt, hogy igazad van. Elég vad értékek ezek egy asztali műszernek. p.s. Beszéltem közben a haverral, némi felvilágosításért. Sajnos már hozzá is ilyen állapotban került ( selejtezés okán ), nem tud bővebb felvilágosítást adni. Ha nem lesz hozzá semmi doksi, visszaadom neki. Keressen valakit aki a tirisztorokhoz jobban ért.
Jól írták analog telovilágban használt táp, amire ráültették a csengető feszt.
Akkor mire jó ez végül is ?
Hááát ... analóg műszerek világában én olyan skálázást még feszültség mérőnél nem láttam ... és szerintem 100 mutatós műszerhez szokott emberből 99 meg is lenne keveredve hogyan kéne leolvasni az aktuális értéket. Na meg milyen varázslattal lehetne egy 200mV-os alapműszerhez összehozni azt hogy a bejövő 50V az legyen 0mV az 52,5V legyen 100mV és az 55V legyen 200mV ... na erre én nem méreteznék "feszültségosztót".
Ez nem labortáp lesz, már én is hajlok erre a nézetre. Szerintem a gazdája sem ennek gondolta, ami. Valószínűleg pinyó39 -nek lesz igaza. De jó lenne kicsit többet tudni róla, mire is használták, amig jó volt. Vagy csak egy célkészülék volt berendezések teszteléséhez, javításához ...
Szerintem ez egy kis telefon központ akkumulátor töltője lesz, ami a csengető feszültséget is adja. A feszültség is a 48V-os aksi töltésére hajaz. Az is lehet, hogy nem is ad ki feszültséget, ha nincs rajta az aksi..
Szia!
Idézet: „Na meg milyen varázslattal lehetne egy 200mV-os alapműszerhez összehozni azt hogy a bejövő 50V az legyen 0mV az 52,5V legyen 100mV és az 55V legyen 200mV ... na erre én nem méreteznék "feszültségosztót".” Ha készítesz egy stabil 50 V-ot, akkor ahhoz képest( a műszer egyik lába ide csatlakozik) a bejövő max. 5V, amit már "simán" tudsz egy fesz.osztóval 200 mV-ra osztani és el is érted a célt !
Üdv!
Az Alkotó féle 2.7.4 -es verziójú labortáp esetén más is tapasztalt olyat, hogy nem működik az áramkorlát? 3 db-t építettem meg pontosan a kapcsolási rajz szerint, indításnál a feszültséget szépen szabályozta, de a rövidzárat nem bírta. Ezután kirakta a 10000µF -os kondin lévő feszültséget a kimenetre. Köszi.
Eddig csak kb. négyszer írtam le, hogy ott ne vegyetek ilyesmit. Ezzel biztosan nem fog megesni olyan csúfság.
Vagy lehet vásárolni TO-220/TO-247-as félvezetőt, ami azonos paraméterekkel bír, csak mondjuk az ára "kicsit" olcsóbb.
A hozzászólás módosítva: Ápr 23, 2020
Én még sehol sem olvastam, de nem is fogok ezután.
Az a furcsa, hogy régebben építettem ugyan ilyen ST vackokkal de azok még ma is bírják. Ezért nrm tudom hogy az áramkörben van-e a hiba vagy a tranzisztor volt selejtes. Az áramkör már be van építve, más tokozás nem jöhet szóba. Köszi a válaszokat.
Íme:
https://www.flickriver.com/photos/madatechhc/8473374377/ Jól írták, telefonközpont tápegység. A hozzászólás módosítva: Ápr 25, 2020
|
Bejelentkezés
Hirdetés |



















