Fórum témák
» Több friss téma |
Fórum » Labortápegység készítése
Nos, most már tényleg kezd nagyon elkanyarodni a téma a labortáp építéstől a hamis/nem hamis tranzisztor irányba, ami viszont még a legnagyobb jóindulattal sem jelen topic témája, ezért kérjük, hogy tényleg térjetek vissza az eredeti témához!
Ha megnézed a 3055-ösöket, akkor az alsó az ST (SGS-Thomson) gyártmányúnak titulált darab tuti hamis, ilyen volt a Lomexnél is, amivel befürödtem.
És milyen érdekes, a másik gyártmányú (SPS) is ugyanolyan átvezetőszigetelésű, mint az ST. Ugyanonnan veszik a tokot? Érdekes, a TO220, meg TO247 tokozásokat agyon cifrázzák, hogy megkülönböztesse magát a gyártó, még a méretezett nézeti rajzokon is szerepel, hogy melyik dudor-mélyedés hol van és mekkora. Pont a TO3-as toknál nem? Ejnye... Upd: oké modibácsi, én leálltam. A hozzászólás módosítva: Ápr 19, 2020
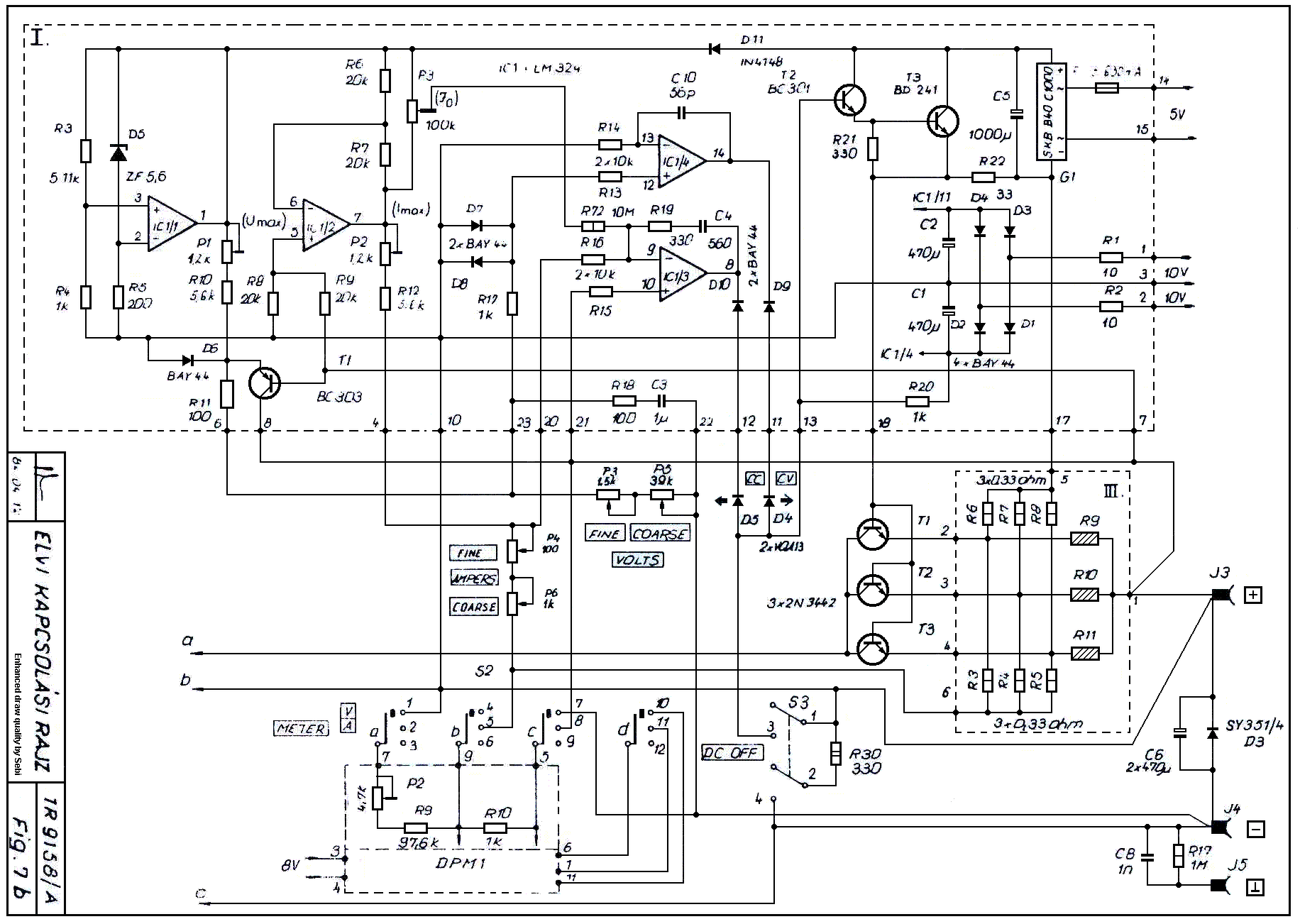
Egy régi tápegységről lenne szó.
Meg tudná mondani valaki, hogy mi a szerepe a 10 Ohmos R103 ellenállásnak a segédtápban? A hozzászólás módosítva: Ápr 22, 2020
Kedves Fórumtársak!
Kihasználva a vírus-helyzet adta szabadidőt, Multisim-ben megmodelleztem legalább kétszáz, ilyen-olyan elvek alapján működő, bevált, meg még nem bevált tápot (igény esetén szívesen elküldöm e-mail-ban, bár összesen 134 M!) Egytől egyig mindnek közös jellemzője, hogy dinamikus terhelésre többtíz, de inkább többszáz millivolt, sőt némelyik több volt ingadozást, tüskét és zavart produkál. Legalábbis a Multisim szerint, 0-10A-es terhelést kapcsolgatva. Az "üdvözítő megoldás" -legalábbis a szoftver szerint- a legegyszerűbb és legkézenfekfőbb, ezzel kezdődik a TL431 adatlapja... Arra kérnélek benneteket, hogy egy nálam hozzáértőbb vessen egy pillantást a mellékletekre. Lehet, hogy 0-10A terhelésváltozás hatására létrejövő, csupán néhány millivoltos ugrás csak a szoftver "ügyessége"? És még 1MHz-en is jó... ez már egy kicsit túlzásnak tűnik. Persze a kimeneti 220µF nélkül ez sem olyan jó..., sőt, ha áramgenrátoros üzemmódot is akarunk, akkor egyebek mellett be kell építeni R4-et is, ami ront a jó eredményen. No meg a Q1 hűtése... Mi a véleményetek? Köszönettel; Tambi A hozzászólás módosítva: Ápr 22, 2020
Csak a szimulátor hoz ilyen eredményeket. A kimeneti kondit ideálisnak tekinti, holott, egy 220µF körüli elektrolit kondinak minimum néhány tized ohm soros veszteségi ellenállása van. A FET nyitófeszültség igénye 10A-en biztos, hogy 2...3V-al több mint terhelés nélkül - ezt ugyan kiszabályozza a TL431, de nem nulla idő alatt. Persze a gyakorlatban ez a kapcsolás még nem lenne használható, mert könnyen meghibásodhat - de a működési elvet modellezni szimulátorban lehet vele. Tegyél be az ideális kondival sorosan egy 0,3Ω körüli veszteségi ellenállást, és teszteld úgy.
Köszönöm kedves Skori!
Sejtettem én, hogy 6 db alkatrészből nem készítünk "labor" tápot! A 0,3 Ohm a 3-4 mV-ból csinált 1,5 V-os tüskét... Itt egy másik LM6172-vel építve, ez még kondit sem igényel, a segédtápot leszámítva. Már a szoftver szerint... Hogyan tegyem valósághűbbé?? Nem éppen idevaló, de: szombatra kellene egy fázissorrend vizsgáló. A BC182-vel működő miért nem válhatott be, mi volt vele a gond? Mint legegyszerűbbet, ezt akorom megépíteni... Köszönettel; Tambi.
Bocsánat kedves tápegység készítő kollégák, ez csak Skorinak szól:
Az összes variációban jól működik, amennyire meg tudom itélni. A hozzászólás módosítva: Ápr 23, 2020
A feszültségnek ingadoznia kell, azaz négyszögjelet kell hogy láss a kimeneten, lévén hogy a labortápnak van belső ellenállása amin feszültség fog ilyenkor esni. Hogy az átkapcsolásokkor mekkora tüskék lesznek az pedig sok mindentől függ, körben lévő járulékos induktivitások, kapacitások, meg a szabályozás sebessége, meg a kimeneten lévő kondi.
Na és a terhelés jellege sem mindegy, meg hogy mivel és milyen sebességgel kapcsolod rá. Ez a legdurvább amikor egy terheletlen statikus állapotra kapcsolgatsz egy nagy terhelést. A multisim ha a valósághoz közeli állapotot rajzolsz bele, a valósággal szinte teljesen megegyező eredményt kell hogy adjon, nézd vissza az EM-1 es szimulációmat és hozzá a szkópábrát. Még a kimeneten lévő ripple is úgy nézett ki mint a valóságban, amikor az ideális DC feszültségforrást kicseréltem AC forrásra, 4db diódára, puffere, meg ellenállásra ami a trafó belső ellenállását volt hivatott ellátni. Pedig én sem foglalkoztam azzal, hogy a kondiknak ESR-t meg ESL-t tegyek be.
Köszönöm kedves Ge Lee, a türelmedet külön is.
Világos válaszaidat értem, és természetesen nem célom olyan "űberszuper" táp létrehozása, amihez műszereket lehet kalibrálni, sőt az sem zavar, ha reggeltől estig "elmászik" több tized voltot. Az viszont igen, hogy nem vagyok képes egy olyat csinálni, ami megközelítené az egykori FOK-GYEM fél évszázados Tr9158 gépkönyvében leírtakat, pedig ma már nem csak az Ezermester boltban vásárolhatunk, és ráadásul lényegesen jobb alkatrészeket, gyártsák bárhol is a világon. Az igaz, hogy a dokumentációban szereplő 0-10A-es terhelésváltozás 14mV feszültségváltozása a valóságban inkább 140mV, de ez adódhat abból is, hogy az általam mért táp legalább harmic éves... Pár napja már szóba került az EM-1. Nagyon tetszett, hogy tág határok között választható a be- és kimenet feszültségtartománya (tekintsünk el egyenőre a hűtéstől), és nem kell segédtáp, mint pl a lebegőföldeshez. Alaposan utána néztem, kis módosításokkal próbáltam csökkenteni a dinamikus terhelés U_KI ingadozását, akkor kevés sikerrel... A mellékletben nincs kondi, van viszont R3 illetve R5 viszonylag szerény előterhelés, ami a lengést nagyban csökkenti. Persze lehet, hogy ez egy idealizált elemekből felépített áramkőr, és a gyakorlatban "kissé" másként fog viselkedni... Néhány "miért?" kérdés: - Az eredeti EM-1-ben 1,8k és 3x220 Ohm-on keresztül kapnak nyitófeszültséget a FET-ek, és ezt csökkentjük az IC-vel 4148-on keresztül. Bár az IRFP250 bemenőkapacitása kicsi, ez a megoldás nyilván lassítla a szabályzást? - A TLC272 1,5-2MHz sávszlessége nem lassú egy kicsit? - Az LM6172 160MHz, és a kimenő ellenállása 10 Ohm nagyságrendű. Segíthet a gyorsaság? Köszönettel; Tambi. A hozzászólás módosítva: Ápr 25, 2020
Miért van az, hogy "az sem zavar, ha reggeltől estig "elmászik" több tized voltot" a kimenő feszültség, miközben kritikusnak tartasz 0-10A terhelésváltozásnál 100mV-ot? Az megvan, hogy ekkora változásnál ezred ohmokat hajkurászol? Miközben a legtöbben virágtartónak sem használnának egy olyan labortápot ami estére elmászik több tized voltot.
A hozzászólás módosítva: Ápr 25, 2020
Kedves Xxxyyy!
Nagyjából mindegy, hogy egy átlagos kapcsolás mondjuk 9,8, vagy 10,1V-ról üzemel, ha az stabil. Ha mérés közben, mondjuk egy 10W-os erősítő összeszed tizedennyi terhelésütemű ingadozást, akkor jószerével meg sem tudod mérni. Legalábbis pontosan nem.
Valósághűbbé akkor lehet tenni, ha a legtöbb alkatrész modellje hasonlít a valósághoz. A kondenzátorok esetén, az ESR azért nem alapértelmezett a szimulátorokban mert etz függ attól, hogy a gyakorlatban milyen típusú kondenzátor van beépítve (alu-elkó, fóliakondi, kerámia kondi, tantál, stb...) A multisim-et kevésbé ismerem, nem tudom mely dolgokat mennyire jól modellez. Annak idején párféle szimulátort kipróbálva a TINA mellett maradtam, ennek már elég sokféle nyűgjét ismerem, ahhoz hogy az áramköreimet szimulálni tudjam vele. Valójában a szimulátort akkor lehet jól használni, ha legalább kb. tudod azt, hogy milyen eredményt vársz. Ennélfogva két dologra használom gyakran:
- Működési elvek modellezése: ilyenkor az érdekel, hogy az elképzelés megvalósítható-e, gyakran idealizált alkatrészeket építek az ilyen modellekbe, pl. FET helyett feszültségvezérelt kapcsolót, mert nem az érdekel, hogy milyen karakterisztikával, és hogyan fog kapcsolni, és még csak az sem számít milyen alkatrésszel valósítom majd meg. - Méretezés megkönnyítése: egy működőképes modellben megvizsgálom egyes alkatrészek értékének hatását a működésre, és megpróbálok optimumot keresni.
Kellene egy valós dinamikus mérés arról a Fok-Gyem tápról, de én nem látok annak a rajzában semmi különlegeset amitől az olyan jó lenne. Van viszont 2db 470µF a kimenetén.
Az EM-1-nél a gate töltését az 1k8 lassítja, a kisütése pedig szinte rá van bízva a műveleti erősítő kimenetére, az zárja rövidre. Azért van benne BAT és nem 4148 mert annak alacsonyabb a nyitófeszültsége, záráskor jobban le tudja húzni a gate-et. A FET gyors kapcsolgatásához az kellene, hogy mondjuk a be és a kikapcsolási gate áram is elérje az amperes nagyságrendet, de ezzel együtt még inkább nőne a tranziens feszültség is. Majd a télen ha nagyon unatkozom berajzolom ezt a fok-gyemet is a szimulátorba és megnézem.
Kedves Tambi,
Már egy ólomakkumulátor töltésénél sem mindig mindegy 0,3V. (Elkezdhet vizet bontani). Viszont érdekelne, hogy mi az a mérés, amit egy 10W-os erősítőn 30mV tápfeszültségingadozás mellett "jószerével meg sem tudod mérni". Eleve óvatosan kell bánni az erősítők labortáppal történő működtetésével. Az általad példaként felhozott TR 9158 dinamikus viselkedéséről sokat elárul a kimenetén lévő 2x470µF direktbe kötve. Ettől még tudhatja statikusan a 14mV-ot: A kimeneti feszültség a szabályozó körre vélhetően szó szerint a kimeneti banánhüvelyről van visszavezetve (rajz). Így a belső kábelezésen eső feszültséget kompenzálni tudja és jószerivel a 14mV a 2db banánhüvelyen 10A-nél eső feszültség. Azokat a paramétereket,amelyet te szeretnél nem egyszerű megvalósítani egy mérési összeállításban, mivel jóval 0.001 Ohm alatt kell tartani a tápvezetékek és az esetleges csatlakozók összes ellenállását (a panelod nagyáramú szakaszait is beleszámítva). Aztán miután esetleg ez sikerül csak bámulni fogsz, hogy mit művel ez az egész 20Khz-en akár ohmikus terhelésen is...
Kedves Ge Lee!
Küldöm a 9158 szimulációját "eredeti", érték- és pozíciószám-azonos változatban, és a némileg egyszerűsítettet is. No meg a műleírás nevezetes adatokat tartalmazó lapjait. Lehet, hogy rosszul értelmezem a 0,02%-ot meg a 100usec visszaállási időt? Annyi bizonyos, hogy az általam összehozott szimuláció messze elmarad nem csak a műleírástól, de a valóságban mérttől is. 0-4A dinamikus terhelésváltozásra (45W-os autóizzó 10Hz-10kHz között IRF360-al kapcsolgatva) változik 150 mV-ot, míg a szimulálációban már 1A is ekkora változást okoz. Ha az 1000µF-al (eredetileg 2x470uF) sorba kötünk 0,2 Ohm ellenállást jelentős javulás tapasztalható, de sokat javít az egyszerűsített változaton a 470 Ohm-os előterhelés is. Izgalommal várom, Te mire jutsz vele; jó a műleírás, vagy a "papír mindent elbír..."? Köszönettel üdvözöl; Tambi.
Kedves Xxxyyy!
Bizony igazad van, előfordulhat, hogy akkumulátort is kell majd töltenem a tápról, és a 0,3V változás problémás lehet, de ha a beállított áram egy idő után lecsökken fél amperrel, az nem nagyon fog zavarni. Nyilván illik figyelni a töltőfeszültséget is... Azt remélem, bármilyen rosszul sikerül is ez a táp, lesz olyan jó, mint egy autó fesszabályzója. A táp "önerős" kivitelezésének ötletét az adta, hogy szert tettem egy 0-50V, 0-20A-es "űberszuper" tápra (mellékelve). Megterheltem pár A-el, majd dinamikusan is megterheltem, és rögtön láttam a szkópon, hogy jobb lesz saját tápot építeni... Nem vagyok hangerősítő mániás, nem is szándékozom ilyesmit készíteni, de vannak olyan kisjelű majd később nagyjelű eszközök, ahol a bemenőjel mV, míg a kimenőjel V nagyságrendű, 8-10A terheléssel, mint pl a CNC útérzékelők és szervómotorok. Ha már az "elején" összeszed némi zajt, akkor bizony lépésvesztést okozhat, egy plazmavágó meg önmagában is a legkiválóbb zajforrások közül való.. Természetesen közelebb áll a tökéleteshez a külön táp, de úgy kellene belő 6 db... Hát ilyesmiben mesterkedem, bár egyre inkább úgy érzem, hogy a gyári készülékek specifikációja is túlzott optimizmusra vall, de bizonyára vannak azokat valóban teljesítőek is... Köszönettel; Tambi.
Dinamikus viselkedés vizsgálatához nem biztos, hogy az izzó ideális műterhelés. Hidegen ugyebár lényegesen alacsonyabb az ellenállása...
Kedves Tambi,
Ilyen esetben szerintem inkább arról kéne gondoskodni, hogy a készüléken belül a vezérlés tápegysége független, megfelelően szűrt és árnyékolt legyen. Még ha sikerülne is találnod egy ideális külső tápegységet, a nagyáramú rész akkor is jó eséllyel visszahatna a vezérlésre a belső tápvezetékezésen (+ induktív + kapacitív úton is akár). Az akksi töltésnél ne felejtsed, hogy nem csak autó akksik léteznek. A hozzászólás módosítva: Ápr 25, 2020
Kedves Xxxyyy!
Szomorúan látom be, hogy egy DC szervónak (szinte) teljesen mindegy, hogy 47,1, vagy 48,6V-ról üzemel, míg egy útadónak egyáltalán nem mindegy, hogy tápjának lengése esetleg többtíz mV. Muszály lesz külön tápokat építeni. Talán, ha még meglenne a tudás és a tehetség meg lehetne oldani, de a ráfordított idő, pénz és energia nem érné meg a végeredményt. Sokkal egyszerűbb, és "tisztább munka" a külön-külön táp. Ennél már csak az lenne egyszerűbb, gyorsabb és olcsóbb is, ha elballagnék a tápegységboltba, és megvenném készen, de hát a népek (velem együtt) nem azért írják teli ezen oldalakat, hogy gyárit vegyenek... Természetesen, ha már belekezdtem nem adom fel a labortápot sem, kíváncsi vagyok, segítségetekkel össze tudok-e hozni az említett 0-50V 0-20A-es ebay-osnál, vagy a Tr9158-nál stabilabb dinamikus viselkedésűt. "Biztató", hogy a mért eredmények a műleírással ellentétben a száz mV nagyságrendbe esnek... Akkutöltés csak savas autó (targonca indító aksi) kapcsán merülhet fel nálunk... Az izzó néhányszor tíz Hertz fölött már eléggé hőtehetetlen volt ahhoz, hogy ellenállása ne (nagyon) változzon a ki- és bekapcsolgatás ütemére. Még eddig szó sem esett az egyik leglényegesebb dologról, az áteresztő(k) hűtéséről. A legjobb "hűtés" egy előszabályzó lenne... Tudsz-e valamit Skori illetve Attila86 (2008) előszabályzós labortápjáról, illetve dinamikus viselkedéséről? Köszönettel; Tambi.
Megnéztem most gyorsan, a terheléshez nem nyúltam, nem is néztem mennyi. Annyit változtattam csak, hogy 49% lett a kapcsolójel kitöltése, és 1us a felfutása. A tápon magán pedig csak annyit, hogy a kimeneti 1000u-t lecsökkentettem 1u-ra.
Nincs lengés a kimeneten, de az a 3mΩ adatlapi ellenállás sehogy sem akar összejönni, annál jóval nagyobb van.
Régen gyanús nekem, hogy valamit nem jól csinálok, vagy nem állítok be a szoftverben. Mellékelem a bizonyságot, mely szerint az általad megadott beállítások mellett az én multisim-em egészen mást ad ki... Nagyon kíváncsi vagyok, hogy nálad ez is (ugyanaz) "tüneményes" négyszögjelet produkál-e?
Köszi!
Az a fájl nálam megnyitva is ugyanazt csinálja.
Kedves Tambi,
Én nem foglalkoztam azokkal a kapcsolásokkal. Ha nem akarsz rögtön 50V/10-20A-es labortápot építeni, akkor nagyobb eséllyel fogja siker koronázni erőfeszítésedet. Milyen útadó az, ami ennyire érzékeny? (Csak kíváncsiságból)
Kedves Ge Lee!
Két nap alatt sem jöttem rá, hogyan tudnék olyan szép négyszöget varázsolni, mint a tiéd... Egyszer talán megtalálom, hol a különbség... Ez meg "olyan jó, hogy nem is igaz"... 10V-on és 90V-on is 20A terhelésre 4mV tüske jelenik meg, ami nem valószínű...de messze túlszárnyalja az elfogadhatót... Persze vannak benne érdekességek; pl ha a generátor offset-jét 3V-ra állítom, akkor meghülyül az egész. A C1 nélkül pedig 20V alatt gerjedés tapasztalható. Hol a hiba, hogy ez ennyire jó??? Vajon tényleg "így" működik, vagy csak "speciális ábrafelvétel", már hogy megtévesztő elrendezésről van szó? Bárhogy alakul is, annyit mindenképpen megtanultam tőletek, hogy jó tápot nem nagy kimenő kondenzátorral, hanemkis belsőellenállású elektronikával kell csinálni. Köszönöm szépen az eddigieket, kíváncsian várom, hogy nálad hogyan működik?
Üdv. Átalakítottam egy Swéd skol-elektro kettőstápot mert már kevés volt (2x25v 1A), Proli007 labortápjával (50v 3A) Köszönet a szerzőnek.
Kérdésem az lenne , hogy áteresztő tranyóból lehetne 2db vagy 3 , hogy eloszladdjon jobban a hő, ugyan is 2,5Amperig semmi gond nincs kis feszültségen de ha e fölé állítom sajnos hirtelen túlmelegszik és zárlatba megy át. Szükségem van a kis feszültségű nagy áramokra is, és a kettős tápra is, emiatt csillámal van szigetelve a 2 fet. 1 érdekesség még van, hogy az amper poti ha tekerem, akkor a feszültség 0,2Voltot csökken maximum Apmer állásban, folyamatosan. Mindkét nyáknál ugyan ez van. Ez ilyen ? Kérdésem az lenne, hogy kell e módosítanom a kapcsoláson valamit, vagy elég ha 2 fet Sourcera rakok mondjuk 0,22ohm ellenállás , de a Gate és a drain csak párhuzamosítva van. Kábelek nincsenek még elrendezve, venti sincs fent, de ez is már a 6.23as verzió, kitudja még hányszor alakítom át A hozzászólás módosítva: Ápr 30, 2020
Sziasztok !
Szeretnék segítséget kérni Proli007 és Alkotó tápjához: LPSU3A50 v3.2 -höz, hogy ezt az áramkört egy szekunder körrel meg lehet-e táplálni vagy szükséges a kettő szekunder? Segítséget előre is köszönöm !
A bordáról rakhatnál fel képet. Van rajta venti? Van a bordán hőmérséklet kapcsoló (hőbiztosíték)? Ha igen, akkor a félvezetőhőz képest mennyire messzire (kép), és hány fokos (mit kapcsol le?)? Küldhetnél egy linket Proli007 50V 3A labortápjáról, hogy ugyanarra gondoljon mindenki (van-e 4 vezetékes kimenet, FET-es vagy tranzisztoros, stb, ezeket nem tudom fejből (de más sem))...
Most olvasom: venti nincs még fent. Akkor miből gondolod, hogy a 150W-nyi hő el tud távozni a félvezetőtől? Még ventivel is kérdéses lesz! FET-et nem kötnék párhuzamos, főleg, hogy lineáris üzemben dolgozik. Könnyen gerjedés lehet a vége! Ha egy FET-re lett tervezve a labortáp, akkor az az egy FET el fogja bírni a 150W-ot, nem variálnék. A hozzászólás módosítva: Ápr 30, 2020
Ha 2 db tápegységet akarnál közös szekunderről járatni, akkor a kimeneteiket nem lehet majd sorba kötni.
Ha egyetlen tápegységet szeretnél egy szekunderről táplálni, akkor az lehetséges, de kell egy külön kis méretű segédtrafó a tápegység segédfeszültségéhez. Van egy ilyen ábra a dokumentációban.
Köszönöm szépen a segítséget.
Nem, egy darab tápegységet szeretnék használni egy szekunderről. Abban kérhetek segítséget, hogy ezt a dokumentációt hol tudom meg találni ? A hozzászólás módosítva: Ápr 30, 2020
Nem kell 2 szekunder, és semmilyen más segédfeszültség sem, már leírtam. Csatold azt a rajzot ami alapján építed, és berajzolom rá hogy mit kell tenni vele, meg add meg a pufferfeszültség értékét. Egy zéner (vagy kettő) kell a stab IC-vel sorosan, ami lecsökkenti a pufferfeszt annyira, hogy a stab IC ne menjen tönkre, mivel az csak 35V-ot bír az adatlap szerint.
Ennyire egyszerű a dolog, nem kell plusz trafó és semmilyen hókuszpókusz csak a szimpla szekunderű trafó. |
Bejelentkezés
Hirdetés |



























! 





