Fórum témák
» Több friss téma |
- Ez a felület kizárólag, az elektronikában kezdők kérdéseinek van fenntartva és nem elfelejtve, hogy hobbielektronika a fórumunk!
- Ami tehát azt jelenti, hogy a nagymama bevásárlását nem itt beszéljük meg, ill. ez nem üzenőfal! - Kerülendő az olyan kérdés, amit egy másik meglévő (több mint 17000 van), témában kellene kitárgyalni! - És végül büntetés terhe mellett kerülendő az MSN és egyéb szleng, a magyar helyesírás mellőzése, beleértve a mondateleji nagybetűket is!
Igen ezt szeretném én is és ebben kellene segítség. Mosfet tranzisztorokat még soha nem használtam.
Ha tudnál adni egy típus számot és az ellenállások értékei azt megköszönném.
A hozzászólás módosítva: Máj 15, 2020
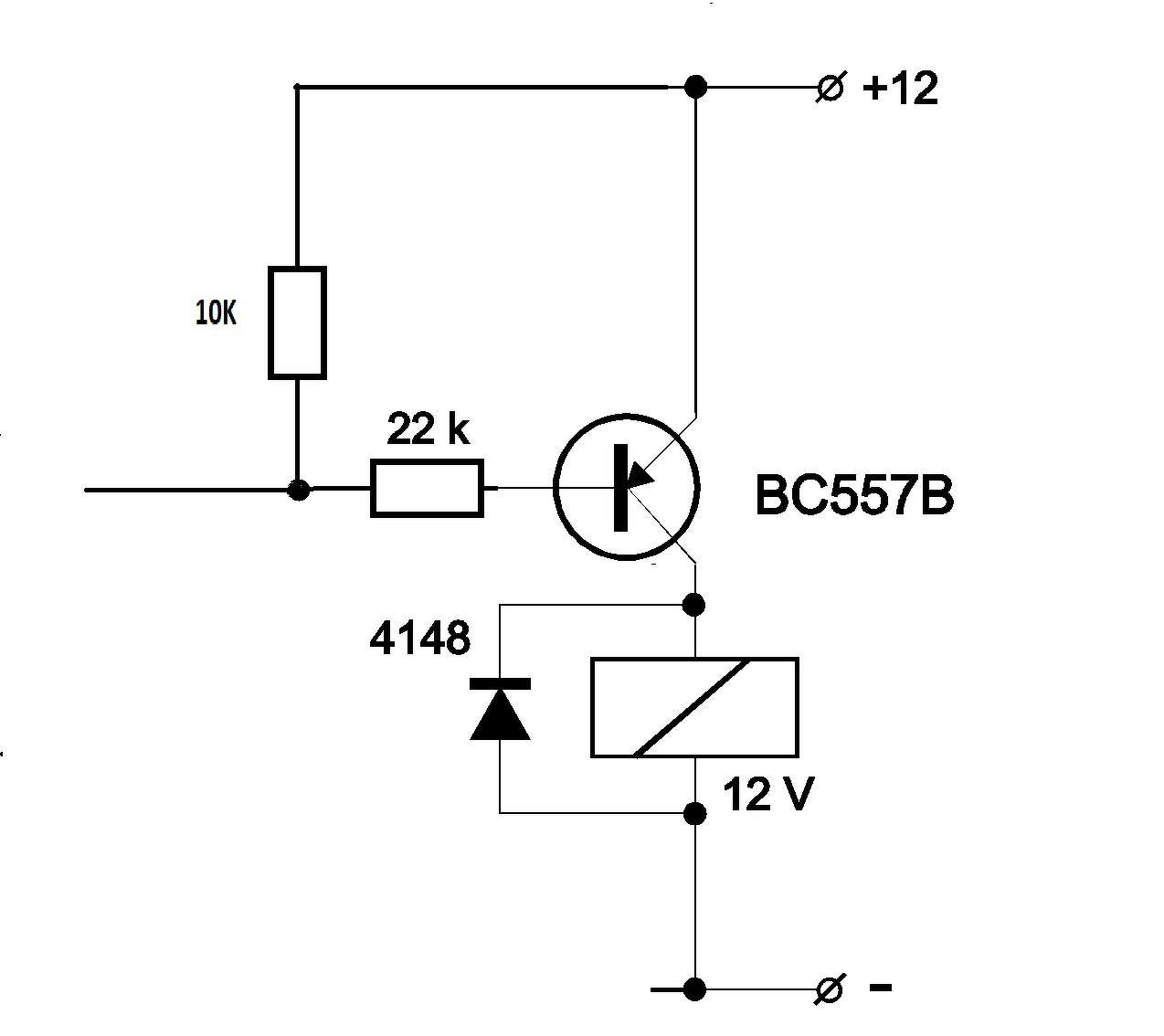
Egy reléhez nem kell mosfet... a tranzisztor bázisához kösd az OC kimenetet, ha az valóban N csatornás tranzisztoré.
Nagyon köszönöm a segítséget. Jól gondolom, hogy ameddig a OC kimenet testen van addig nem folyik bázis áram, vagyis a relé akkor húz meg ha az OC kimennet le kapcsol.
A hozzászólás módosítva: Máj 15, 2020
Rosszul gondolod. Menyus rajza szerint ha a vezérlő opencollector-os kimenet aktív, vagyis földön van, akkor a 22k ellenálláson keresztül lesz bázisáram, a tr kinyit, relé meghúz. Ha a vezérlés inaktív, akkor a bázis 22k-10k ellenállásokon keresztül az emitterre van kapcsolva, vagyis a tr lezár.
Üdv!
Segítsetek kérlek! Van egy pincezugból előkerült ceruza akku gyorstöltőm. Koracell KBC-V8000. Két ágon tölt két-két akksit. Az egyik ág elszállt. Szétszedtem és csakugyan az egyik szálon találtam egy átégett SO-8 as tokozású alkatrészt (4,97x3.86mm). Felirata RU72. Az egyik oldalon mind a négy lábba külön szál jön be, a másik oldalon az 1-2-es és 3-4-es lábakat közösítik. Elmentem mikroelektronikai szakboltba, hogy vegyek újat, de az eladó azt mondta fogalma nincs mi ez. A NYÁKlapon a betűjele Q, és Q jellel még találtam SOT-23 tokozású alkatrészeket, és ezek számozása egy rendszert alkot. A SOT-23 tokozású alkatrészre L6 van nyomtatva, egyik oldalán 2, a másik oldalán egy láb (ezekből sok van a NYÁKon.). A képen jobb alsó sarokban R72, bal felsőben két L6 (bocsánat, nincs makrolencsém). Kérdésem: az RU72 mi lehet? és honnan tudom beszerezni? Neten nem találtam, a boltos nem ismeri... Ha nincs, mivel helyettesíthető? Tudtok segíteni? Köszönettel enestis
Hello! Ha azt szeretnéd, hogy a kimenet alacsony szintje esetén ejtsen a relé, akkor a kimenet és a relé közé egy NPN emitterkövető kapcsolást kell tenni. (Feltéve, hogy belül az OC kimenet fel van húzva egy ellenállással.)
Sziasztok!
Volna egy TCST2103-as, amivel még eddig nem találkoztam ezért ezzel kapcsolatban kérdeznék: Van egy építhető kontroller alapom ami USB csatlakozóval Pc-re köthető. Ha erre egy mikrokapcsolóval ellátott nyomógombot csatlakoztatok, lenyomás esetén zárom az áramkört és a program érzékeli a gombot. Vagy átkötöm és fordítva működik, amikor nyomom a gombot akkor nyitja az áramkört. Na most szeretném az optikai kapcsolót is hasonló képen működésre bírni. Amikor elhúzom a kártyát (csatolt kép) az optikai szenzor között akkor adjon jelet, mint a mikrókapcsolónál. Találtam hozzá ábrát, de béna vagyok, nem értem. Akkor itt most két áramkör szükséges? (különböző ellenállással) Vagy ez a gyakorlatban hogyan? Köszönöm.
Üdv!
Nem tud valaki olyan multiplexert, amely - 8 csatornás (1 be, 8 ki) - pár mV tól 3V ig képes kezelni a ki/bemeneteket, számottevő feszültségesés nélkül. - relét nem akarok használni. Köszi!
CD40151 esetleg megfelelne? Oda vissza működik, kb 60 - 80 Ω ellenállást képvisel tápfesztől függően. Adatlap tanulmányozása ajánlott.
A helyes válasz attól függ, hogy milyen az az építhető kontroller alaplap.
Ami kép bal felső sarkában látható.
Az alsó sor csatlakozói való a nyomógombokhoz.
Még sosem láttam ilyen lapot, pedig sokat megnéztem... Nem linkelnéd be pontos típusszámmal, névvel együtt?
Köszönöm a választ...
Ha küldök éles képet a teljes panelről, meg a hátoldaláról is, úgy könnyebben ki lehet találni, hogy mi ez a cucc?
Most már igen, segített is a megoldásban.
A hétvégén kipróbálom, köszönöm a linket.
Igen azért gondolkodtam rosszúl mert most látom, hogy ez egy PNP tranzisztor és nem NPN típusú. Akkor viszont egy NPN típusú tranzisztorral invertálni lehetne a relé működését?
A hozzászólás módosítva: Máj 15, 2020
Ezt néztem én is.
Sajnos nem a leg jobb, jó lenne valami kisebb ellenállású. Azt elfelejtettem írni, hogy 3,3V-ról kellene hogy menjen, és 1kHz - 1MHz közötti szinuszjelet kellene kapcsolnia. 1kHz-en 0,04% torzítást ír, gondolom ez jóval nagyobb lenne mondjuk 1MHz-en.
igen. OC kimenetet felhúzod tápra egy ellenállással(ez lesz a bázisellenállás is), az NPN bázis megy az OC kimenetre, emitter-föld, kollektor-relé, relé másikláb táp+
A tranzisztor típusa mi legyen? A felhúzó bázis ellenállásnak jó a 10k?
Kedves bitmixer,
köszi a választ, szóval az audis hasonlat helytálló a LED-ek (ezek igazából kis áram felvételű relék lesznek) tehát a korábban felkapcsolt korábban is kapcsol le. Ez egy lépcső világítását fogja szabályozni. Az első lépcsőfokra lépésnél be kapcsol az első majd az időzítésnek megfelelően a többi lépcsőfok is, és mondjuk egy perc múlva lekapcsol az első és utána a többi is egyesével.
Köszönöm exabit,
utána nézek az említett kütyünek.
Kedves proli007,
ígéretesnek tűnik amit posztoltál. köszi
Kedves exabit,
rá kerestem ezen eszközre de ennek csak 14 kimenete van a leírás szerint, persze lehet tévedek. Kifejtenéd pontosabban mire gondoltál?
pl. BC337 jó lesz. A 10k is.Úgy kösd, ahogy pipi írta: emitter gnd, relé a + és a kollektor közé. A diódát ne felejtsd ki a relével párhuzamosan!
Köszönöm a válaszod. Igen a szabadonfutó dióda. Beteszem. Köszi.
Nincs véletlen valakinek egyszerüen értelmezhető anyaga a tranzisztorok kapcsoló üzemű méretezéséről? Tudom hogy nagyon kezdő kérdés, de én ezeket soha nem tanultam, Csináltám már nyomtatott áramköröket vasalva, terveztem is egyszerű panelt Srint-Layouttal, égettem már PIC-et, de a számolásokat nem tudom.
|
Bejelentkezés
Hirdetés |













