Fórum témák

» Több friss téma
Fórum » Crystal radio - detektoros rádió
Lapozás: OK   139 / 159
(#) Atis57 hozzászólása Máj 18, 2020 / 1
 
Sziasztok!

Keresgélés közben ráakadtam eme két áramkörre .
A detektoros hangerő növelése még tetszik is.

De a második szerepét nem értem , néha felvillan a led ?
(#) Gafly válasza Atis57 hozzászólására (») Máj 18, 2020 / 3
 
A fénycső gyújtó ebben az esetben glimm funkcióban van.
Ha elégge feltöltődik a kondenzátor, akkor felvillan polaritástól fűggően a LED.

Lehet hogy valamikor csinál valamit, például viharjelzés...
Ki kellene próbálni...

A LED-eknek nem egy életbiztositás az tuti.
(#) Gyantáscin válasza Atis57 hozzászólására (») Máj 19, 2020 / 3
 
Én is úgy gondolom,hogy a légköri elektromosság kimutatására szolgál. Ez az áram pA nagyságrendű, ami a zivatarok közeledtével megnő. Ahhoz, hogy működjön,feltehetőleg igen jó szigetelésű antanna meg kondenzátor szükséges.
(#) Kera_Will válasza Atis57 hozzászólására (») Máj 19, 2020 / 2
 
A földeletlen dipol antenna csatikon szépen tud pattogni a szikra az árnyék és meleg ér között.
Nem kell oda glimm meg ledek.(na jó a glimmnek stabilabb a gyújtófeszültsége mint egy szikra köznek)
A hozzászólás módosítva: Máj 19, 2020
(#) Atis57 válasza Gyantáscin hozzászólására (») Máj 19, 2020 / 2
 
Szia!

Igen inkább glimmet raktam volna oda ......

Eddigi legjobb ilyen "szikráztató"-túlfeszlevezető az antenna -földelés közötti kiégett 2,2v zseblámpa izzó volt.

a kb 5 km-n belüli villámoknál szépen villogott/szikrázott. S vele együtt pattogott a légforgó is.
(#) kaqkk válasza Atis57 hozzászólására (») Máj 19, 2020 / 2
 
Amikor kölyök voltam és detektorost építettem ,nekem az antenna és a földelés közt volt egy szikraköz "villámlevezető" (egy műanyag hengerbe volt végig menet fúrva és mindkét végéről bele volt hajtva egy egy 10 es csavar ami hegyesre volt esztergálva kb 1-2mm re volt egymástól a két csúcs)
(#) Atis57 válasza kaqkk hozzászólására (») Máj 20, 2020 / 2
 
Szia!

Az egyemirányitód ilyen volt?

dioda.jpg
    
(#) Gafly válasza Atis57 hozzászólására (») Máj 20, 2020 /
 
Tervezek csinálni "detektor tesztert", akkor lehet majd utána ilyen "történelmi" cuccokat nézegetni.
(#) kaqkk válasza Atis57 hozzászólására (») Máj 20, 2020 /
 
Szia ! Én valami fém kristályt (talán gallium ?) használtam először két tű között aztán OA1160-1161 üvegtestű diódát ... 60 menetes tekercset (vimes dobozon) 500Pf os forgókondit és 2Komos katonai fülhallgatót ....
A hozzászólás módosítva: Máj 20, 2020
(#) gkari válasza kaqkk hozzászólására (») Máj 20, 2020 /
 
Inkább "galenit"?
(#) Gafly válasza gkari hozzászólására (») Máj 20, 2020 /
 
Olyan is van:
- egyik elem,
- másik ásvány.
A hozzászólás módosítva: Máj 20, 2020
(#) kaqkk válasza gkari hozzászólására (») Máj 20, 2020 / 3
 
Elődfordulhat , kb45 éve történt a dolog és csak azt tudtam róla hogy fémszínű recés ásvány .Akkora volt mint a két öklöm és alig bírtam letörni belőle egy pici darabot ami demodulátornak kellett . A legrosszabb az volt a dologban hogy a vitrinben volt a cuccos (dísztárgyként) és féltem hogy kikapok ha anyám rájön hogy tördelek belőle darabokat .
A hozzászólás módosítva: Máj 20, 2020
(#) Gyantáscin válasza kaqkk hozzászólására (») Máj 21, 2020 / 1
 
Anno nálunk egy kb. ekkora ferrroszilicium díszelgett a vitrinben nehezen lehetett letörni belőle, leginkábbapró szilánkokat sikerült kitermelni. Nem emlékszem, hogy detektorként hogy működött, akkortájt az ólomreszelékből meg kénporból próbáltam galenitet előállítani, de csak valami salakszerű anyag sikeredett. Az első sikerélményt a nagy nehezen beszerzett OA1160 hozta. Igaz, hogy nálunk Rudabányán csak a miskolci 15 kW-os adót sikerült venni.
(#) kaqkk válasza Gyantáscin hozzászólására (») Máj 21, 2020 / 1
 
Nekem a Kossuth- adó mellett (alatt) jött a Petőfi és a Moszkva hangja is egyszerre ... Régi szép idők amikor még fejben valós időben szét tudtam szortírozni az egyidőben kapott információkat.
(#) Gyantáscin hozzászólása Jún 19, 2020 / 1
 
Kár, hogy Sekszpír Vilmos nyelvén íródott, de egy érdekes játék lehet: kristálymentes detektoros rádió.
Az elektrosztatikus vonzás elvén működő átalakító, amely egyben a rezgőkör hangolókapacitása.
(#) Atis57 válasza kaqkk hozzászólására (») Jún 20, 2020 / 1
 
Szia!
Ezt a problémát már régebben is megoldották .
Kétféle módon, ime;
(#) granpa válasza Atis57 hozzászólására (») Jún 21, 2020 /
 
Én meg majd figyelek (gondolom mások is).
(#) pucuka válasza Atis57 hozzászólására (») Jún 21, 2020 /
 
Nincs már szükség ennyi szívókörre elég egy is a helyi adóra, már ha van. Örülni kell ha bejön egyáltalán valami.
(#) Atis57 válasza pucuka hozzászólására (») Jún 21, 2020 /
 
Szia!
Nincs is , általában elég 1 ,vagy +1 .A bonyolultabb rajzon is , a legalsó levegőben csatolt lenne , a két felső meg utólag sorbakötött.

Igy igazából csak 3 rezgőkörből állna a detektoros.

Méha a 2 szivókör szükséges --bár elég ritka eset.
A HH detektoros éppen nem vessz semilyen állomást , ellenben a KH adók egynémelyike behallatszik.

Ez RH-n még jobban fenáll, bár nagyon ritka az olyan adó amit fogni lehetne.
(#) Atis57 válasza pucuka hozzászólására (») Jún 22, 2020 / 1
 
Szia!

KI tapasztalta a délelötti jó terjedést?

HH és RH is több adót fogtam ....
(#) bigrobi válasza Atis57 hozzászólására (») Jún 22, 2020 /
 
RH kísérleteztem, botantennával is fogtam ezt azt 1 tranzisztoros rádiómon.
(#) kaqkk válasza Atis57 hozzászólására (») Jún 23, 2020 /
 
Idézet:
„kb45 éve történt a dolog”
Ugye ezt is olvastad ? És egy kis kiegészítés : már vagy 42 éve nincs detektoros rádióm ...
A hozzászólás módosítva: Jún 23, 2020
(#) pucuka válasza Atis57 hozzászólására (») Jún 23, 2020 / 1
 
A nedves idő jót tesz a terjedésnek. Megnő a szárazföld vezetőképessége, jót tesz a felületi (HH), és a visszavert (RH) hullámnak is. Pláne ha kicsit erősebb a naptevékenység erősbödése miatti sűrűbb ionoszféra.
(#) bigrobi válasza pucuka hozzászólására (») Jún 23, 2020 /
 
Eeee ma már nincs olyan vétel RH-n. Biztos a felhőktől is vissza ütődőnek a hullámok. Tegnap meg az előtt már morzét is befogta sima botantennával.
(#) Atis57 válasza bigrobi hozzászólására (») Jún 28, 2020 / 2
 
Sziasztok!

De vannak lelkes DX amatörök detektorossal is.

https://www.crystalradio.net/crystalsets/lyonodyne/index.shtml

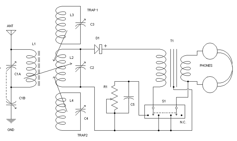
Az ehhez tartozó kapcsolás;
(#) Atis57 válasza Atis57 hozzászólására (») Júl 25, 2020 / 2
 
Sziasztok!

Elég érdekes kisérletek.....

http://www.techlib.com/area_50/Readers/Rajkumar/index.html

legjobban az electret mikrofonos detektorkeltette fel az érdeklődésem....
(#) Kera_Will válasza Atis57 hozzászólására (») Júl 25, 2020 /
 
A fetben is van valahol egy 2 darab felvezeto reteg ami hasznalhato valamire mint dioda .
(#) Atis57 válasza Kera_Will hozzászólására (») Júl 25, 2020 / 1
 
Szia!
esetleg ez?
(#) Gyantáscin válasza Atis57 hozzászólására (») Aug 17, 2020 / 1
 
Ez itt alighanem szinkrondetektor akar lenni, ahol a demodulációhoz szükséges "aszimnetriát" a vezérlő jel biztosítja. BF862-vel oróbálkoztam, a helyi adót sikerült meghallani. El bírom képzelni, hogy alakalmas tranzisztorral, meg a hozzá illeszkedő hallgatóval jobb eredményt is lehet elérni.
A hozzászólás módosítva: Aug 17, 2020
(#) bigrobi hozzászólása Szept 18, 2020 / 7
 
Nemrèg csináltam.
A hozzászólás módosítva: Szept 18, 2020
Következő: »»   139 / 159
Bejelentkezés

Belépés

Hirdetés
XDT.hu
Az oldalon sütiket használunk a helyes működéshez. Bővebb információt az adatvédelmi szabályzatban olvashatsz. Megértettem