Fórum témák
» Több friss téma |
Fórum » Labortápegység készítése
Sziasztok!
Vállal lalaki panelmaratást, készítést? A mellékelt tápot szeretném megépíteni. Ezért az egy panelért nem ruháznék be vegyszerekre.
Ilyen panelt Alkotó fórumtársunktól vásárolhatsz. Profi minőségű panelt kapsz. Ebben a topcban megtalálod.
Ez egy kétoldalas panel, aminek ez csak az egyik oldala. A kétoldalasat is el lehet "házilag" készíteni, de az elég nagy gyakorlatot igényel és az összes átvezetést kézzel kell maratás után megoldani. ( Furatfémezni nem egyszerű otthon és drága vegyszereket igényel. )
Szerintem is jobban jársz, ha veszel egy kész, profi NYÁK -ot. Amennyiért megkapod, annyiért nem hiszem, hogy bárki vállalná. Vedd fel a kapcsolatot Alkotó -val ...
Az a panel még egyoldalas volt. A mostaniak már kétoldalasak.
Helló! Valaki esetleg meg tudná nekem írni hogy az SMPS 2-höz milyen típusú hűtőborda való, mert a szerző oldalán én legalább is nem találom. Lehet hogy én voltam figyelmetlen. Az M21 típusú műszerdoboz az adott.
Specifikálhatnád kicsit jobban is, melyik tápról van szó. Attila86 tápjáról? 50V 10A? Mert ott maximum 50W-nyi hő keletkezik.
Az Attila féle dobozterv alapján 96x111mm területet foglal el a borda, k.b. 400cm2 a külső hasznos függőleges felület.
A tesztelés során kipróbáltam csak az 5mm-es alulemezzel is. Úgy 2 perc alatt melegedett fel 12V/10A kimenő mellett kézzel tapintva nagyon melegre. Nekem 72mm magas hasonló bordán dolgozik. A 8 órás tesztelés alatt nem tudtam 55 fok fölé vinni az alulemez hőmérsékletét. 2 dupla példányt építettem, az egyikben a panel vízszintes. Az alulemez és a borda között még van egy 20m vastag 200x69mm-es alutömb is. Rohadt sok hőt el tud nyelni. A másikban a panelek függőlegesek és egy 50x50x5mm-es alu profil viszi át a hőt. Erre kicsit kisebb borda jutott, így gyorsabban melegszik, de hosszú távon itt is megáll 55 fokon. (A szobát nem mértem, de úgy 23 fok lehetett januárban). Ha lehet egykérésem... Esetleg valaki tud a pices panelmérő köré szigetelő keretet honnan tudnék venni, vagy van egy ötlete hogyan lehet készíteni, minden megoldás érdekel. Köszönöm előre is.
Idézet: „… nem tudtam 55 fok fölé vinni az alulemez hőmérsékletét …” 55°C "normál" üzemi hőmérséklet egy elektromos berendezésnél … Idézet: „... Rohadt sok hőt el tud nyelni.” De leadni már nem olyan könnyen tudja, mert nincs hova … Egy ventilátorral jobban jártál volna, de a "zsúfoltságot" elnézve nem tudom, hogyan lehetne megoldani.
Igen arról a tápról van szó. A hűtőborda típusa érdekelne és egy link hogy honnan lehetne ezt beszerezni.
Olyat veszel, amilyet akarsz. Miért kellene egy típushoz ragaszkodni? Esetleg a bontott cuccok között keresel 2db egyformát.
Hello.
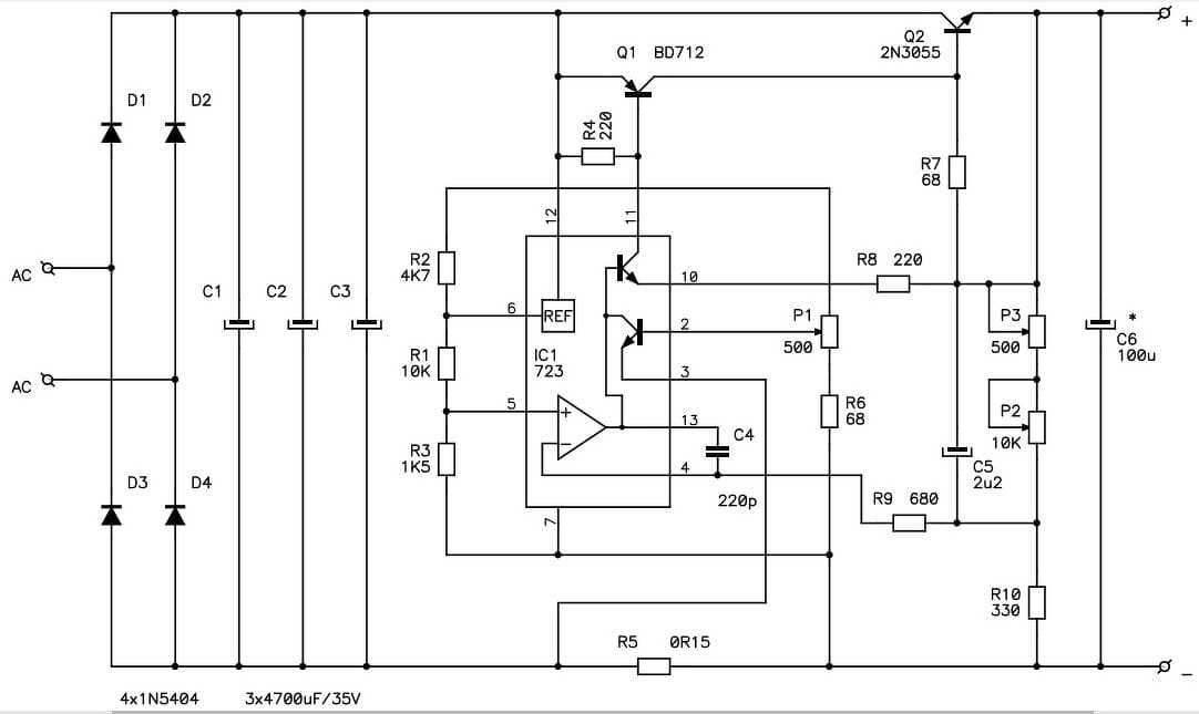
Egy kérdést szeretnék fötenni. Van egy kapcsolás amit megépítettem UA723 ic-vel. Alulra beteszem. Nagyjából jól működik, de rámértem a kimenetre szkóppal terhelés alatt és van egy szinusz ráülve a DC-re. Terhelstól függően 270-350KHz, kb. 40mV csúcstól csúcsig. kicsit változik. A kimeneti feszültség is 3A terhelésre esik 400mV-ot. Ezeket az értékeket lehet javítani? Hogyan? A kapcsolási rajz alapján esetleg ha tudnátok mondani mit változtassak az jó lenne. Kössz előre is. Ja, a lényeg a Q1 tranyó helyett BD912 van bent és a Q2 helyett meg NJW21194G Egy 200w-os 21V-os toroidról táplálom. A kimeneten maximum 18V 3A-re lenne szükség. Ezért nem lesz nagyobb a trafó Így is van tartalékban max terhelés alatt is 6.5V a szabályozott és a szabályozatlan táp között. A hozzászólás módosítva: Júl 24, 2020
Nem dolgozik a közelben valami kapcsolóüzemű tápegység, esetleg egy energiatakarékos izzó? Az bezavarhat. Én már jártam így, eltartott egy darabig amíg gyanút fogtam.
Ok. A terheléstől függ a frekvencia.
A kimeneti fesz instabilitásáért mi a felelős?
C1 - C2 - C3 .mal párhuzamosan, C6 -tal párhuzamosan és az LM723 12. és 7. lába köté kötnék 100nF kerámia kondenzátort a lehető legrövidebb veztékekkel.
Sziasztok! Egy szabályozható tirisztoros féligvezérelt tápegységre lenne szükségem. A főáramkör készen van, de egy normális szekunderköri szabályzó rajzot nem találtam sehol. Nekem a feszültség szabályzása volna a lényeg csak kb 30-10V-ig. Aki tudna ötletet kérem segítsen.
Valamelyik rt épitési leírást közölt tápegységről ,nyáklemez megjelent .
uaa145 vezérelte , erre keress. A hozzászólás módosítva: Júl 28, 2020
Szia!
Nem ártana, ha feltennéd a főáramkör kapcsolási rajzát. Azt is leírnád, mit kívánsz szabályozni, mi a terhelés. Az a "csak 30-10 V-ig" konkrétabban mit jelent, mennyi a nyers feszültség, stb.. Lehet, hogy találsz itt is megoldást a "csak képek keresése" között.
A főáramkör egy féligvezérelt sima greatz(2dióda 2 tirisztor). A feszültség sem kritikus, csupán szeretnék már megtekinte egy működő szabályzó rajzot, mert az interneten mindenütt a fóáramkörről van szó, legalábbis én ezzel szembesültem.
Akkor tekintsd meg pl. az UAA145 adatlapját, ott találsz példa kapcsolásokat is - éppen csak a gyújtótrafók méretezése nincs kivesézve ( az meg nem gond ).
Ebből meríthetsz ötleteket.
Hibás link javítva. A hozzászólás módosítva: Júl 29, 2020
Moderátor által szerkesztve
Köszi a linket és az ötleteket mindenkinek! Sajnos a pénztárcám sovány 20-30 ezres IC-khez
Aggódásra semmi ok, van "tranzisztoros" megoldás is. De ez már nem a topik témája.
A hozzászólás módosítva: Júl 29, 2020
Szia!
Melyiket keresed? a 2x16 digiteshez a ret.hun vettem. (postáznak is.) A hozzászólás módosítva: Júl 29, 2020
Szia!
A 2x16 karakteres LCD-hez keresek keretet. Jelenleg csak nagyobbat és kisebbet látok a listában. Ha jól mértem 26*71mm a kijelző. A cél, hogy a kijelző fém kerete ne érintkezhessen az előlappal.
Sziasztok,keresnék akár 723-asra épülő rajzot, mindegy milyet, lényeg hogy modul rendszerű tápot szeretnék építeni és szimpla egy oldalas nyákra tudom csak kivitelezni, ezért egyszerűbbnek kell lenni a rajznak. Valakinek valami jól bevált?
Áram limites jobb lenne, de mondom a 723-hoz nem ragaszkodok de van itthon egy marék. Írjátok milyenek lennének aztán majd elválik milyen lesz. Kapcsoló üzeműt annyira nem szeretnék, készítettem de annyira nem vált be sajnos arra amire én használom. Lényeges lenne a modulok kicsi mérete, sorolhatósága, olyan 3-5A re lenne szükség csatornánként és 30-50V közötti modulfeszültség lenne a maximum.
Szerintem az adatlapján találhatsz megfelelő kapcsolást.
A "modul" és a "kicsi méret" nagyon problémás kritériumok egy olyan áramkörre, ahol több mint 150W hőt el kell vezetni.
Egy labortápegység (vagy akár csak szabályozható tápegység) építésekor a referencia (723) elenyésző költség. Ezért nem érdemes erre alapozni az egészet csak azért mert van otthon belőle. Egyébként az LPSU3A50V-os kapcsolás éppen tudná az elvárt paramétereket, de ha modulban gondolkozol, akkor az nem lesz kicsi modul. 150W-hő nagyobb hőmennyiséget nem lehet félvállról venni, annak kezelése komoly kihívás. A kicsi méret inkább kapcsolóüzemmel érhető el, aminek szintén megvannak a maga sajátosságai. A hozzászólás módosítva: Aug 16, 2020
Segítenél melyik ábrát érzed alkalmasnak, 50V/3A állítható paraméterek eléréséhez?
|
Bejelentkezés
Hirdetés |















