Fórum témák
» Több friss téma |
Hello! Kezdő kérdésem lenne. Tudok e potmetert kötni egy olyan PIC-re, amiben nincs ADC? Eddig egy feszültésgosztó kapcsolással kötöttem a potit a PIC Aanalóg Dibital convereterére, ami a feszültséget érzékelte, ennek alapjén tudta, hogy merre tekergetem a potit. De mi van ha nincs ADC? Tudom valahogy érzékelni a poti állását?
(komparátor van, és csináltam már komparátorból ADC-t, de nem szeretném agyonbonyolítani) Van valakinek ötlete?
ADC, komparátor vagy külső ADC IC. Milyen PIC-ről van szó?
16F630. Időt szeretnék meghatározni a potival, fokozat mentesen. Erre a komparátor nem alkalmas (vagy ha igen akkor nem tudom hogyan).
A testvérében (PIC16F676) van ADC modul. Vagy válassz fiatalabb kontrollert, nevezett PIC elavultnak számít és drágább is mint a fiatalabb társai. A gyártó is újabbat ajánl helyette: PIC16F18324. Esetleg egy kicsit régebbi, de PICKit2 kompatibilis a PIC16F1825.
Idézet: Alkalmas, hogy megéri-e, azt neked kell eldönteni. A leírás itt található„Erre a komparátor nem alkalmas (vagy ha igen akkor nem tudom hogyan).” AN700 AN700 Make a Delta-Sigma Converter Using a Microcontroller’s Analog...Module
Szia!
+1 láb felhasználásával lehetséges . Egy ellenálláson (potméter) keresztül töltesz egy kondenzátort... Amikor átbillen a komparátor (változó idő) a kimenetnek felhasznált láb egy ideig alacsony lesz kisütve egy áramkorlátozó (20mA max.) ellenálláson keresztül a kondit.Ezután a kisütő lábat nagyimpedanciás állapotba kell hozni. Az eltelt idő számlálóval mérhető. Az idő nem lineáris a poti elfordulásával, logaritmikus potméter kell. üdv.: Foxi A hozzászólás módosítva: Jún 29, 2020
Üdvözlet a nagyérdeműnek!
Lenne egy egyszerű kérésem, ha valaki bepötyögné és a hex-et átküldené örök hálám üldözné! Alap helyzet led világít kimenete 0, gomb nyomásra led szint vált, és a kimeneten is megjelenik a fesz, ismételt gomb nyomás visszetér alaphelyzetbe, és így tovább! Elég valami 8 pines PIC, PICkit3-am van! Köszönet
Szia!
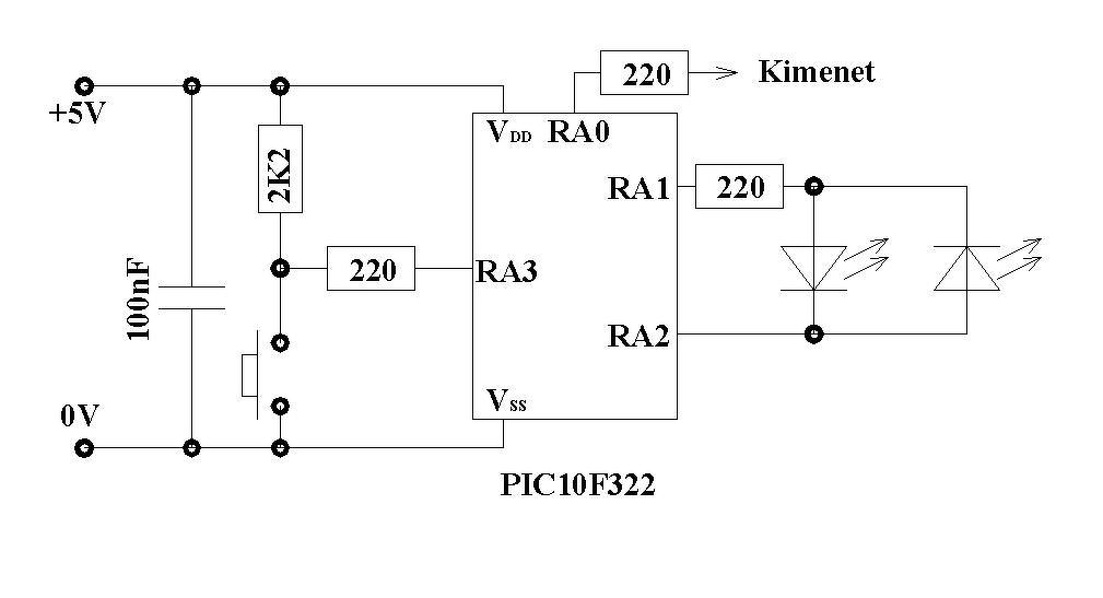
Erre a feladatra eléggé felesleges PIC-et, használni, főleg azért, mert az írásod alapján azt még be is kell szerezned. Nem mellékes az sem, mit akarsz vele vezéreltetni. Pontosabban hány V-on kell működtetni. A PIC kimenete max 20mA-t bír. Amúgy ha ragaszkodsz a PIC-hez, PIC10F322-re megírtam neked. Valamint mellékeltem a kapcsolást.
Köszönet!
5 voltos relét fog hajtani egy tranyón keresztűl, a PIC beszerzés nem gond!
Akor oda kell még egy tranzistor is meghajtásnak és egy visszáramdióda a relé tekecs kapcsaira.
Sziasztok!
Ha külső oszcillátort használok akkor kell a soros ellenállás a kristály és az OSC2 közé? Ha igen akkor milyen értékű legyen, vagy hogy kell ezt méretezni és miért kell? Előre is köszi a segítséget. Még annyit, hogy programozás módban a PGC és a PGD lábakat le kell húzni GND-re pl. egy 10k ellenállással?
A soros ellenállás azért kell, hogy az oszcillátor ne hajtsa túl a kristályt. A Microchip dokumentációk szerint "AT strip cut crystals" esetén kellhet.
Nem tudom pontosan, hogy ez mit jelent, de pl. az M-TRON SX2050 20 MHz-es kristálya ilyen, az MP-1 4 MHzes "hagyományos" (HC-49/U) pedig nem ilyen (tehát ez utóbbinál nem kell a soros ellenállás). Bővebben: Link A hozzászólás módosítva: Jún 29, 2020
Értem, köszi. Találtam egy kristályt
https://www.hestore.hu/prod_getfile.php?id=4345 Nézd meg itt a frekvencia hőmérsékleti görbénél megjelenik az a "AT cut crystal". Ez vajon azt jelenti hogy ennek kell a soros ellenállás?
Mivel a "strip" szó nincs benne, így feltételezem, hogy nem kell.
Értem.
proli007: köszi, hasznos olvasmány.
Ha jól értem akkor ennél a kristálynál nem kell az ellenállás?
https://www.hestore.hu/prod_10021404.html#
Jól érted, de akkor már inkább ez. Felébe kerül és nem olyan böhöm nagy.
Rendben, köszönöm.
Amúgy honnan lehet érszrevenni hogyha túl hajtja a kristályt? Ha ilyen történne az nagyjából mennyi idő alatt történik meg? Csak nagyjából 24óra 3hét vagy 1-2perc?
Köszönöm!
Sajna, csak most volt időm megnézni a választ. Így értem.
Hát szvsz azonnal észreveszed, ha van szkópod, akkor le is tudod ellenőrizni.
Én a helyedben a nagyobb hangsúlyt a megfelelő load capacitor kiválasztására, a parazita kapacitások minimalizálására, a megfelelő földelés kialakítására, és a lehető legrövidebb vezetékhosszra fordítanám. ![]() Ez segíthet: Idézet: „Még annyit, hogy programozás módban a PGC és a PGD lábakat le kell húzni GND-re pl. egy 10k ellenállással?” Nem kell, de ajánlott beiktatni egy viszonylag kis értékű (mondjuk 47-100ohm) soros ellenállást mindkét vonalra. Ez lényegében a PIC-et védi programozás közben a nem várt tranziens eseményektől. ![]() Ezeket a lábakat használod még valamire? Vagy csak programozásra?
Ha a programozási lábak a normál működés során felhasználatlanul maradnak és lényeges a fogyasztás, akkor a Vss -re kell húzni 100k körüli ellenállással. A programozók többsége 4k7 ellenállással húzza a vonalakat a Vss -re.
Szia!
Bocsi a késői válaszért, de most jutottam ide. Köszi a linket így már mindent értek. Ha jól értem akkor az OSC kimenetén ha van ellenállás, akkor annak közel akkorának kell lennie mint Xc. Vagyis ha jól számolok akkor f=20MHz, C=22pF, akkor R=Xc=361 Ohm . Nekem 1K körül ajánlottak ekkora frekitartományban a soros ellenállást, de inkább az olvasmánynak hiszek amit belinkeltél. Vélemény? Amúgy igen, másra is használnám a PGD, PGC lábakat (digitális kimenetként mind a kettőt). Ezt kérdezni is akartam hogy nem lesz-e probléma a programozás során hogy rajta van az áramkör? Igazából csak Fetek Gate-jére megy mind a kettő, úgyhogy nem nagyon okoz plusz terhelést a programozónak. Így néz ki egyenlőre az áramkör: Egy 10K-val lehúznám GND-re a Gate-eket mindenképp. De gondolom a PGD, PGC lábaknak sem árt. Nincs lebegés soha. A hozzászólás módosítva: Júl 2, 2020
Vagy a fel nem használt lábakat kimenetként beállítani, majd L szintre húzni. Én ezt szoktam alkalmazni, persze a forrasztásnál ügyelni kell nehogy összeforrasszuk valamivel..
![]() A 100K zaj szempontjából nem annyira előnyös, mit gondolsz?
Hát a FET gate-je okozhat plusz terhelést, főleg ha nem logic levels FETről van szó. Milyen típus?
Dinamikus üzemben (mint pl itt, amikor adat megy a programozó vezetékeken) a FET gate kapacitását tölteni-kisütni kell bizonyos árammal. Ha az a töltő-kisütő áram túl nagy, akkor kinyírhatod a programozódat is, használat közben pedig a pic-et. Ha nem szükséges a gyors kapcsolás a FET-nél, akkor egy gate soros ellenállást iktass be, és ez megvédi a programozót is. szerk: aha látom a kapcsolást, megnézem. A hozzászólás módosítva: Júl 2, 2020
De igen, Logic Levels-es a FET. A GAte-re nem akarok soros ellenállást rakni mert gyorsnak kell lenni a kapcsolgatásnak. Nézd meg, ha azt mondod hogy gondot okozhat akkor áttervezem, vagy rakok valami DIP kapcsolót amivel leválasztom programozáskor a FET-eket.
Ha szabad megkérdeznem az optocsatolót azért tervezted oda, hogy figyeljed a tápfeszültséget a pic analóg bemenetén? A FET-el pedig azt akarod csinálni, hogy csak bizonyos időközönként méred meg? Az optocsatoló nem a legalkalmasabb erre, főleg ha szaturációba vezérled.
Szerintem jobban járnál egy feszültségosztó + buffer párossal. Ha T1 gate-jére teszel egy 1K-s soros ellenállást a gate lehúzó ellenállás után akkor az szerintem OK. Az RF-adó pontosan mi is lesz?
T1-nek muszáj gyorsnak lennie...? Az optocsatoló sem egy gyors jószág.
A hozzászólás módosítva: Júl 2, 2020
Bocsi hogy nem illusztráltam az áramkört, de nem optocsatoló lesz ott csak a Tinában nem találtam megfelelő rajzot
.Egy RF adós mozgásérzékelőt tervezek saját protokollal. A T1, R1 fölött lévő LED egy infraled. A párja meg persze egy fototranzisztor. Igazából úgy gondoltam, hogy az infraledet impulzusokkal vezérelném, vagyis 1s-ként adnék ki egy 100us-os impulzust. Ezért kell a Fet. A visszaverődő infravörös fény idejét elmentem (mint referencia) és a következő impulzus (visszaverődés) idejét összehasonlítom az előzővel. Ha nincs eltérés akkor minden OK, ha van akkor mozgás történt és kiadok egy bináris jelsorozatot a GP1 lábra. Ez egy RF adót kapcsolgat (Digitális Amplitudó Moduláció vagy Bináris adatátvitel) egy adott protokoll szerint (még nincs teljesen kész de már nemsok van hátra ), amit persze majd a vezérlő értelmezni fog.Ha berakom a Gate elé az 1K -t ahogy írtad nem fogja belassítani? Kb: 10us-onként kell kapcsolni a Fetet. |
Bejelentkezés
Hirdetés |














