Fórum témák
» Több friss téma |
Ez még bonyolultabb....,mint a többi.
![]() 10.000UF + 15.000UF sorba és számolgatsz... Hát jót nevettem, de elnézést. ...és hogy méred ki az ETALON sok kicsi kondenzátort,hogy valóban 10.000UF-e? Hm? Szegény. Most azt sem tudja mit csináljon. Valami egyszerűbb tipp kell neki.Amúgy valamelyik Rádiótechnikában van egy elkomérő, ha kell előkereshetem szkennelt formában. Az direkt 200UF-tól 2 F-ig mér úgy emlékszem és nem bonyolult. Majdnem meg is építettem akkor. Potyo! Az ötlet kíváló, csak én sajnálok erre egy PIC-et áldozni. Jó nekem egy izzó is. Nekem bevált, mert a régi 70-es,80-as évekbeli kondikat ki tudtam válogatni. A friss gyártásúakkal(max. 3 éves) nem hiszem hogy gond lenne. Bár előfordulhat gyártási hiba.
Én elhiszem, hogy bevált neked az izzós módszer, de ott is kell számolni a másodperceket, meddig bírja az elkó, ill. a fényerőt is meg kell jegyezned, mint utolsó értékelendő állapotot.. ( sötétben jobb..
).Mindenesetre a műszereket nem azért találták ki, hogy szemre állapítsunk meg dolgokat. Göndör: amit írtál, van benne igazság, de nem pontos. Végül el kell dönteni, hogy saccolunk vagy mérünk. Inkább az etalon a kérdéses... ki, hol, hogyan tud megmérni egy-két darab 1.000 v. 10.000 mikróst...
Egyrészt a téma részben értelmetlen, mivel a problémát úgy küszöböljük ki hogy azonos szériából használunk elkókat. Ekkor nincs akkora eltérés ami gondot okozna.
Ha mégis sok az elfekvő különböző szériában készült elkód akkor használd a leírt egyszerű (pl. stopperes vagy 555-ös) eljárásokat. Ennyi. Kapacitásmérőt építeni ilyen célra őrültség.
Ja igen az is megoldás, hogy egy azonos tápba helyezed be az elkókat (azonos trafó-egyenirányító és azonos tehelés).
Minél inkább megegyezik a két elkó értéke a terhelés kapcsain annál közelebb lesz a mérhető feszültség. 10A-es terhelésnél egy 10.000µF-os elkó esetén 10V a veszteség... Ha az elkó 12000µF akkor már csak 8,3V a veszteség, így tovább... Egyszerű de nagyszerű eljárás... Hisz arra NEM vagyunk kiváncsiak hogy mennyi az értékük, itt RELATÍV értéket keresünk, hogy két elkó mennyire hasonlít! Tök mindegy hogy 9000µF vagy 11000uF! Az a fontos ugye neked hogy kb azonos értékűek legyenek! Na ezért őrültség erre kapacmérőt építeni. Idézet: „A friss gyártásúakkal(max. 3 éves) nem hiszem hogy gond lenne. Bár előfordulhat gyártási hiba.” Arra jöttem rá az áramkör tesztelése során, hogy az új kondenzátoraim inkább alulról súrolják a ráírt kapacitást, míg a régiek (akár 20 évesek is) jellemzően jelentősen nagyobbak a ráírttól.
A hálózat frekvenciája eléggé pontosan tartva van 49,98-50,02 Hz-ig változik, legalábbis amikor a Pakson nézegettem a kijelzőt ekozott változott. És nem "bemutató" kijelző volt, hanem a vezérlőteremben.
Lehet hogy ebben a formában nem az igazi, ezt elismerem, de ha továbbfejlesztjük egy soros RLC körré akkor már talán lehet vele számolni, szerintem, viszont ide már nem elég Ohm törvénye!
A kondi gyártója sokmindent elárul. A TV-kbe is az olcsó 85 fokos Tachuma kondik nem sokáig bírták. Sőt egy cég riasztóközpontjába, (amit gyártott) rakott pufferkondinak olcsó gyártmányt. Egy idő után (kb. fél év) sorra elpukkantak mindenhol, nem volt simítás az egynirányítás után és púposodtak a zselés akkuk miatta. (kicsit sokba kerülhetett a szerviz)
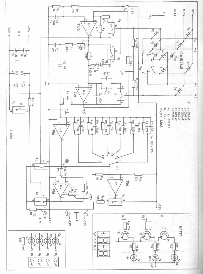
Szóval olcsó kondinak híg a leve. Én maradok az égősnél, én sem tartottam indololtnak néhány mérésre építeni egy műszert. Luxus. De beszkennelem és ide be fogom rakni, hátha valaki megépíti.
Igazából nekem semmi bajom a hálózati frekvenciával, végül is megy róla minden. Talán csak arra lennék kíváncsi, hogy itt nálam mit mutatna a mérő, az erőművektől jó messze, de ez is csak akkor jut eszembe, amikor az órát kell utánállítani, félévente...
Vissza az eredeti témához: az említett nagyértékű kondik legegyszerűbben sorba kötve hasonlíthatók össze, igaz, így nem fog kiderülni, ha két 10000 µF-os a valóságban csak két 9000 µF-os, mert az egymáshoz viszonyított arányuk nem változott. Ha az értéke is kellene, akkor én az ellenálláson keresztüli kisütésre szavazok, egy analóg feszültségmérő skáláján akár filccel is be lehet jelölni a mérés végét jelző értéket, stopper meg minden mobilban van. Legvégső esetben komparátor figyelhetné a kisütési folyamatot, kimenete alapján megint csak stopper; egy számlálós időmérő (pláne processzoros) már a luxuskategória. Azért jó volna, ha a kérdező is véleményt mondana, megint jól elvagyunk magunknak...
ferci!
Nézd, én 1985 óta gondolkodtam, hogy építsek kapacitásmérőt, de azóta sosem találtam rá épp észérvet, hogy ki tudjam használni. Ezért arra a percre megfelelt az izzó is és kéznél volt. Annak viszont,aki kedvet érez hozzá hobbi célból,annak itt van egy rajz, hogy működik-e azt nem tudom. De ha valaki megépíti, jelezzen vissza hogy működik. Idézet: „Talán csak arra lennék kíváncsi, hogy itt nálam mit mutatna a mérő, az erőművektől jó messze...” A frekvencia az erőműtől a fogyasztóig ugyanannyi, az nem tud változni útközben. Ebből nincsen veszteség, ha az erőműben pontos, akkor a fogyasztónál is pontos. Idézet: „Küldő: ferci Targy: képlet Hali! A képletet légyszi javíttasd ki, mert valami kezdő komolyan veszi.. ***************************** A hálózat frekveniáját meg ismerjük! Xc=1/2(pi)*f*C ***************************** ... a törtvonal ebben a formában nem jelzi, hogy minden a nevezőben van... Helyesen: Xc= 1/ ( 2(pi)*f*C ) üdv, ferci” Idézet: „Helyesen: Xc= 1/ ( 2(pi)*f*C )” Hamár itt tartunk, akkor inkább Xc=1/(2*(pi)*f*C)
Komolyabb könyvekben sem szokták kiírni, hogy 2*(pi), hanem csak 2(pi)......... az együtthatót nem követi a szorzás jele ( régebbi matek).
Így már egy C compiler, vagy a MAPLE se panaszkodna!
![]()
Tisztelt Urak! Nagy örömmel és hálával fogadom a rendkívüli aktivitást, segítőkészséget.
Sok hasznos tanácsot, megoldást, jó megoldást, javaslatot kaptam TŐLETEK. KÖSZÖNÖM!!! De azt hiszem sokan vannak köztünk akik kicsit lebecsülik a problémát. A multik(Nem a gazdagok,nagyok hanem a műszerek ) ugye már amelyikben van az 200µF-ig mér. A barátom "Sendi"és én belebotlottunk egy olyan problémába ami a napi gyakorlatban mutatta meg, hogy a kapacitás mérő nem biztos,hogy felesleges műszer. Röviden kapcs.tápos szerkezet nem megy.El se indul. A fesz. folytonosság, félvezető mérések nem vezetnek eredményre jön a passzív alkatrészek vizsgálata. Én beledőltem,feladtam pedig nem szoktam. "Sendi" jött rá a hibára. puffer kondi a névleges 1.000µF helyett csak .800µF tehát a névleges tűréshatáron (Én megettem,hogy ez még jó főleg pufferként ).A barátomnak gyanús lett, kicserélte egy olyanra amelyik 1.200µF értékű volt és az alappanelon a szabályzó kör kapott ezt követően annyi feszt., hogy vissza tudjon szabályozni és nem adott letiltást. A szerkezet pöcre indult mint az ujj Trabant. Még szerencse hogy olyan műszere van amelyik 2.000µF-ig mér.A tanácsaitokat elemezve arra a megoldásra jutottunk, hogy mégis meg kell konstruálni egy ilyen szerkezetet. Persze költség takarékosan. Ez a kapacitás mérés 30.000,-t spórolt a megrendelőnek, nem kellett új panelt vennie a gépbe. Azt azért még meg kéne vizsgálni egy jobb tárolós szkóppal, hogy egy asszimetrikusan pufferelt táp a határig terhelve valami négyszög jellel, illetve, hogyan viselkedik egy jobb erősítő hasonló táppal a teljesítmény határig terhelt nagydob, baszgitár nagy dinamikájú beütéseinél. Akinek van ilyen felszerelése és ideje csak úgy "játcásiból" is megnézhetné! Persze ez az ötlet a mai leterhelt világban csak "hangosan gondolkozás". Még egyszer KÖSZÖNÖM a szívességeteket!!! Üdv:Linda
Sziasztok!
Ebben segtsetek légyszi! Egy videokártyán van egy (talán) elkó, aminek a kapacitásértékére számkód féleséggel szerepel: 510 ----- 4 A másik sorokban hőfok meg mellékes dolgok lehetnek. (105C 43, OS CON)
510µF 4V? Én még ilyet nem láttam, biztos hogy egzotikus darab, ha ilyen. A legkisebb feszültségűek 6.3V-osak, az 510µF környékén pedig 470µF van, amit lehet kapni, feltéve ha ilyen...
510µF/4V, 105°, Oscon gyartmany, a Sanyo gyartattja.
470µF/6.3V, 105° LOW-ESR jo helyette!
Akkor nem is tippeltem olyan rosszul. :vigyor4:
hiii!!!
olyan kérdése lenne h párhuzamosan akarok bekötni egy fóliakondit ugye van + - lába és nem tudom melyik megy a betáp + lábához ![]() és ha sorba akrooom kötni? akkor betáp +lába megy a kondi + lábára?
akkor elko
kevertem
Hello!!
Van egy multimérem a kővet kezők vannak rajta CV,ACV,DCA,10A,hfe,ohm,!A kérdésem viszont az lenne hogy ezzel hogy tudnék kondenzátort mérni(ellenőrizni)! A válaszokat előrre is kőszőnőm!!!!!!
Ezzel sehogy.
Amelyik műszerrel lehet, azon van 2db Cx jelzésű lyuk, és a skálán egy Cx jelzésű rész, 200u, 20u, 2u, 200n jelzéssel. Kb. 1000-1400 ft a bolhapiacon egy ilyen műszer. Ezeken a műszereken egy nagyságrenddel nagyobb az ohm mérő (200M) és van rajta váltó áramerősségmérő is (AC A), a kijelzője is nagyobb.
Kőszőnőm a választ,hallotam valahol hogy minden kondinak van egy adott ellenállása is és ez alapján is lehet vizsgálni őket(felűletesen)valami táblázat alapján!!!
Építhetsz hozzá céláramkört, a feltöltés-kisütés alapján számolja a kapacitásértéket de egyszerűbb egy olcsó multiméter ami tudja.
Ha mégis építeni akarsz:Topic a hobbielektronikán
Sziasztok!
Ma vettem négy darab elvileg MKP kondit, de sehol nincs feltüntetve rajta ez. Sárga axiális henger alakú, mint a Remix C219 (azon sincs rajta, de úgy tudom az is MKP) Ennek a gyártója SX (a boltos szerint angol) 335K 250V. 3,3µF 10% ugye és 250V, de ennél többet én ebből nem tudok kihámozni, egyedül az 5ös szám a 335ből nem tudom mit takarhat. ui: ha valakit érdekel Jamo Cornet 65 hangváltóba kell bipoláris elkók helyett üdv: Marci
Nincs azzal a számokkal semmi baj.
335=3300000=hárommillióháromszázezer pikofarád=3.3uF Gyakorlatilag annyi nullát teszel a két első számjegy után amennyi az utolsó számjegy,és igy megkapod pikofarádban az értéket,amit aztán átszámolhatsz a neked tetsző nagyságrendre. |
Bejelentkezés
Hirdetés |





).



).A barátomnak gyanús lett, kicserélte egy olyanra amelyik 1.200µF értékű volt és az alappanelon a szabályzó kör kapott ezt követően annyi feszt., hogy vissza tudjon szabályozni és nem adott letiltást. A szerkezet pöcre indult mint az ujj Trabant. Még szerencse hogy olyan műszere van amelyik 2.000µF-ig mér.

