Fórum témák
» Több friss téma |
Fórum » Akkumulátor töltő
Ha valaki "ipari szemetet" is vesz (nem biztos, hogy az, de most nem itt a lényeg), akkor sem az a megoldás, hogy jól agyonverjük, aztán visszavisszük.
Én elhiszem, hogy ő először akart vele tölteni, persze. (Nagyon nagyon utólag lett ideírva, sok hsz után) És ha nem ő terhelte túl, miért nem vitte szétszedés nélkül vissza? Mert tudja, nem gyártási, felhasználói hiba. Egyébként segítséget kért a javításhoz, nem a visszaélés lehetőségét használná. A hozzászólás módosítva: Aug 21, 2020
Igen ipari szemét, mert az. De ez az agyonverjük honnan jött?!...
Nem hallottál arról, hogy valami már gyárilag hibás? Bekapcsolod és puff elromlik? Mert én már pár dolognál bele futottam, és igen, azok rendeltetés szerűen voltak vagy is lettek volna használva. Meg honnan feltételezed, hogy mást akart vele csinálni? Ismered, írta? Javítás is legyen benne, már írtunk pár opciót. Ha mázlija van csak ez robbant el, ha nem, akkor lehet tovább menni, és cserélgetni, költeni rá, de nehogy visszavigye, mert az milyen már... Amúgy meg az ilyen szemetet áruló multikat nem kell sajnálni, mert nem ez fogja csődbe vinni őket. A hozzászólás módosítva: Aug 21, 2020
Most miért csak nagyátlóban olvasol???
Leírtam, hogy miből látható az agyonverés. Azt is, hogy ha valaki tudja, bűntelen a dologban, hát nem szedi szét - hiszen a jótállás a jóhiszemű vásárlót védi, nem az önkényes átalakítót, a beleokoskodót. Ezt az ipari szemetezést pedig kár folytatni, a te kocsid, biciklid is az. Ha hiszed, ha nem, minden Rolls Royce használó tudja ezt, -a különbség annyi, hogy ő van annyira művelt, hogy ezt nem dörgöli az orrod alá. A hozzászólás módosítva: Aug 21, 2020
De ezek szerint nálad minden elsőre ment, és semmi gyári hibás cucc nem volt. Öröm és boldogság, de fogadd el, hogy vannak gyári hibás alkatrészek, gépek, és kiegészítők.
Szétszedés meg simán lehet felhasználói tudatlanságból/kíváncsiságból. Hisz erre se kaptunk választ. Egy szóval se mondtam, hogy nem azzal járok, és mindenem ami van itthon, az hi-tech cucc... Ez aztán a nagy logika, hogy egy töltőtől eljutottunk a kocsikig meg bicóig... gratula jár a kockacukor... A hozzászólás módosítva: Aug 21, 2020
Mondom én, hogy csak nagyátlóban olvasol. Azt is leírtam, hogy pont én vagyok az, aki nem jagyja annyiban, -ha jótállási dolog. De tettem már tönkre dolgokat, nem volt pofám másokon számonkérni
Idézet: „Egy szóval se mondtam, hogy nem azzal járok, és mindenem ami van itthon, az hi-tech cucc... Ez aztán a nagy logika, hogy egy töltőtől eljutottunk a kocsikig meg bicóig... gratula jár a kockacukor... ” Itt a baj, amikor a hasonlatokat is képtelen felfogni az öző ember, mert az az önzését sérti. Most dicsekedtél, hogy néked high tech cuccaid vannak. Biztos vagy te ebben??? A hightechebbet használók nem fognak szólni, mert szóra sem érdemes a te hightech-ed, ők viszont (veled szemben) nem dicsekednek, nem szólnak le téged. Te viszont már harmadjára szólod le a kommersz Parkside használót. (Én azt sem tudom, mi az, de bizosan működhet, ha veszik állítólag évek óta,) A hozzászólás módosítva: Aug 21, 2020
De még is véded a multikat, akik képesek ilyen vackokat eladni szó nélkül! Amíg ezek kihasználják az átlag embert, és rásóznak minden vackot, addig had ne én érezzem már magam ramatyul, ha visszaviszem, ami tönkrement, még akkor se, ha véletlen beleesett egy 10forintos, és zárlat miatt elrobbant a cucc...
A hozzászólás módosítva: Aug 21, 2020
A multik csak azt árúlják,amit visznek,min a cukrot,a lényeg,olcsó legyen. Ha nem keresed,másnap eltűnik a polcokról.
Nem a multikat védem, a normáli ember álláspontján állok, -a csalás a hátulróljövés, a sumákság a nálunk gazdagabbal szemben is az.
Te is találkozhatsz nap mint nap a nálad szegényebb, és ezért a veled szemben sumákságra jogot formálókkal. Te sem tapsolsz. Idézet: „ne én érezzem már magam ramatyul, ha visszaviszem, ami tönkrement, még akkor se, ha véletlen beleesett egy 10forintos, és zárlat miatt elrobbant a cucc...” De, ha csalsz, érezd magad ramatyul. Még jó, hogy nem üzletelek veled A hozzászólás módosítva: Aug 21, 2020
Pontos megfogalmazás. Ha kell, adják.
Ha kellett, nem utólag sivalkodunk, pláne, ha tudjuk, mis jól benne voltunk a rövid élettartamban.
yulo5310-nak és szs válasz egyben.
Azért volt szerencsém a kereskedelemhez, elég sokat. Igen, azt adják amit visznek, de azt is, amit olcsóért beszereznek, de közbe egy fillért se ér. És ezt tudja az ember is aki vásárolni megy be és látja. Erre kitalálták, az AKCIÓ feliratot, kiemelt keret méret szín, stb, így már is amit nem vittek, hopp viszik is! De ott van számtalan életveszélyes cucc. Pl a csodás hosszabbítók, 16A-es felirattal, 0,75ös keresztmetszettel, és megspékelve, védőföld nélkül, de persze a dugvilla is meg az aljzat is földelt látszatot kelti. És árulják! Akkor ez mi ha nem visszaélés, csalás? És ez milliárdos multi műve. Vagy az újra csomagolt "használt, hibásként visszavett" áruk eladása? Soroljam még, van még pár saját tapasztalat multikkal kapcsolatban. És ezek után a kisember érezze magát pocsékul, ha kihasznál a multival szemben egy kiskaput??!! A magánszféra megint más. Idézet: „De, ha csalsz, érezd magad ramatyul. Még jó, hogy nem üzletelek veled” Ez legalább kölcsönös! A hozzászólás módosítva: Aug 21, 2020
A kereskedelem mindig is így működött,működik,az életveszélyes árúkat meg már ellenőrizte egy arra illetékes szerv,a kereskedő sem árúlhat csak úgy.
Nekem is van némi tapasztalatom. Igaz, csak '89 óta járok naponta kereskedőkhöz, különféle árukkal. A csalàdban aki nem ügyvéd, nem újságíró, az kereskedő.
És te most hozzátettél, -a kommersz dolgokat vásárlók leszólásával, a kommersz dolgokat eladók dorongolásával (miközben állítólag foglalkoztál vele. Te vársz úgy: "na, a kecsegére mit sózzak rá"?
Na így már világos miért vagy ennyire hithű a garanciával és a többi cuccal kapcsolatba, hogy biztos át akarnak verni
![]() De te is csak keresztbe olvasol, hisz mint írtam nagy multival voltam kapcsolatba, és nem én vagyok a főnök aki a domb tetején ül, és elrendeli, hogy márpedig ezt meg azt kell csinálni, hanem csak a végeredményt tapasztaltam... Szóval ez a kecskés beszólásod, teljes mértékben hülyeség
És maradjunk már a témánál: azt aderótot ki kell cserélni egy másik ugyanolyan vastagságúra, és drukkolni, hogy jó legyen, a feltépett csatlakozót kijavítani.
Mint írtam: én is igen drukkoltam, hogy a Luxman hibájának csak felhsználói malőrből eredő oka legyen, erre utalt a T(tohonya) biztosíték helyén a (kiégett) F(fürge) is. És lőn,-vígan énekel mindkét oldal.
Hagyd már abba ezt a multizást. A Kovács és tsa. Bt. sarki kisboltja pont ugyanezt árulja, már ha van rá kereslet, csak 1,5x ennyiért...
Sőt, a fészbukon meg 3x annyiért, gari nélkül
Lényeg a lényeg, hogy nem kell az ilyen multikat ennyire védeni!
Természetesen tudom, azonban azt is sejtem, hogy itt valami poén jön, hát kérem elsütni
Szia! A "B" oldal ismeretében azt lehet mondani, hogy a negatív kivezetésnek nincs kapcsolata az áramkör többi részével. A "hiányzó rész" szerintem és mások szerin is biztosíték lett volna HA amúgy a panel más részén nem volt fellelhető más kialakításban. A dióda is helytálló a helyes polaritásával ábrázolva de az más furatokba forrasztva lett volna beépítve. A képen az is jól látszik, hogy a kivezetések forrponttal lettek ellátva de az olvadó szál már nem lett hozzá forrasztva. Szerintem gyári hibás ebből a szempontból, mert ha áramfelvétel olvasztotta volna ki azt látni lehetne a panelen fémgőz kicsapódási formában. Ámbár a 2A az nem egy nagy villanás lett volna de látszódna a helye a panelen. Szerintem eredetileg (hiányosan) sem volt ott semmi, mert kihagyta azt az automata vagy a melós a folyamat során. Tegyél, forrasszál oda egy 2A-os biztosítékot vagy kösd át, rövidre azt a két pontot és működnie kell, hiszen eddig még nem került az áramköri része feszültség alá emiatt.
Semmi poén nincsen benne, a drukkolás komoly létező szakma.
Szentesen volt kisiparos is, én is vittem annó anyámnak drukkolni ezt-azt.
Kedves fórumtársaim, segítsetek nekem, annyira bizonytalan lettem...
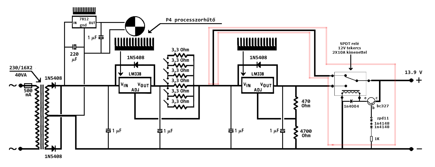
Összeállítottam régebben (itteni segítséggel) egy kis akkutöltőt, ami (mondhatnánk), működik is, azonban, mint proli0007 meg is jegyezte, kevés az a 16V, amit a trafó szolgáltat, 12V felett már elég gyalog töltöget, mert a két lm338 már alapból "megeszik" 2+2Voltot. Kitaláltam, hogy a feszültségstabilizátort egy relével kiiktatom addig, míg az akkufeszültség majdnem eléri a kívánt értéket, és csak akkor kapcsoljon át, amikor megközelítettük a 13,9V-ot. Építettem is egy kis áramkört, ami erre szolgál, kipróbálva működik, 13,6V-nál kapcsol át, ha csökken a feszültség akkor12,75-nél kapcsol vissza. Jónak tűnik, azonban megkérdezném: ha beépítem az alul lévő rajz szerint, élőben is működőképes szerintetek is? (A pirossal keretezett lenne a beépítendő kis áramkör). És: a relé tekercsét védő diódát (1n4004) jó helyre kötöttem? Nem inkább a tranzisztor kollektorára kéne kifutnia? Annyira tanuló vagyok még ezekben... Rajzot és fényképet mellékeltem lent. A forrasztást kérem nem kicsúfolni, első olyan forrasztásom, amit végig is csináltam eddig amit csak lehetett, csavaroztamígy működött a próba A hozzászólás módosítva: Szept 7, 2020
Kapásból: az elkókat forgasd át - a BC327 elektródákat ( c- e ) nevezd át..
A tényleges emitter ( nyíl..) és a bázis közé tegyél be egy 2k2-t. A dióda jól van egyébként a tekercsen... A hozzászólás módosítva: Szept 7, 2020
Hello!
- Jó helyen van a dióda. Ott kell ez ellenindukált feszültséget letörni, ahol képződik. Tehát a relé tekercsén. - De ebben a kapcsolásban a feszültség korlátozó teljesen feleslegesen van benne. Minek egy áramkörbe két soros szabályzó eszköz. Egy TL431-el az áramkorlátot is lehet szabályozni, mint itt láthstó. Én inkább ezen alakítottam volna a helyedben. - Egyébként is a feszültség korlát a 470 Ohm/4,7k-val, kb 13,7V-ra korlátoz. Ezek szerint a 13,9V után pufferüzemben (16,7V) kapcsol majd a töltő? - Ha nincs pufferkondi, akkor az áramkorláttal beállított áram is csak az idő minimális részében tud folyni, tehát csak a szinusz csúcspontjában.
Köszönöm a válasz.
Az elkókat nem kell átforgatni, attól, hogy két éve rosszul razoltam meg őket (mert ez egy régi rajzom átalakítása), a valóságban jó felé vannak forgatva ![]() A bc327-est nem kell átneveznem, átrajzolnom, a pnp tranzisztornál a kollektor felől kell a nyíl mutasson a bázis felé.
Itt van a kutya elásva. A PNP tranzisztornál (is) az emittert a nyilas elektróda jelenti. A nyíl iránya jelzi, hogy PNP, avagy NPN a delikvens.
A hozzászólás módosítva: Szept 7, 2020
Köszönöm.
-Azért lesz megtartva a feszültségszabályozó kapcsolórelé beépítése után is, hogy amikor az 13,6-nál kapcsol, akkor átkapcsoljin rá, és utána 13,9V-ig feltöltsön,és ott is tartsa. Mert, mint látod a videón, ha csak simán lekaocsolna, akkor csak 12,7-nél kapcsolna vissza. A relé pedig azért kell, mert ha mindkét szabályzó megy, akkor lassú a töltés, hiszen a két szabályzó 4V-ot csípna le a 16-ból, ha tudna, így (a relé nélkül) leszabályoznak annyira, hogy 12V felett már alig 1A a töltés. Ezért gondoltam ezt a relés megoldást. Az a 13,7 V valójában ennél az ellenálláspárosnál 13,9V, ennyire is tölt fel a töltő (csak jelenleg 24 óra a 40Ah-ás, de utána 13,9-en tartja.
Aha, tényleg...
Akkor viszont rosszul is forrasztottam be. ![]() Mondjuk, működött így is a próbán, de megfordítom. Köszönöm!
Ezt az emitteres dolgot jól benéztem, úgy látszik. Én azt hittem, mi dig a kollektor a bemenet, azért is arról rajzoltam anyilet.
Köszönöm mégegyszer!
"Én azt hittem, mindig a kollektor a bemenet," - újabb elméleti hiba...
A tranzisztornak nincs "bemenete", max a bázis a vezérlő elektródája. |
Bejelentkezés
Hirdetés |





Lényeg a lényeg, hogy nem kell az ilyen multikat ennyire védeni!








