Fórum témák
» Több friss téma |
- Ez a felület kizárólag, az elektronikában kezdők kérdéseinek van fenntartva és nem elfelejtve, hogy hobbielektronika a fórumunk!
- Ami tehát azt jelenti, hogy a nagymama bevásárlását nem itt beszéljük meg, ill. ez nem üzenőfal! - Kerülendő az olyan kérdés, amit egy másik meglévő (több mint 17000 van), témában kellene kitárgyalni! - És végül büntetés terhe mellett kerülendő az MSN és egyéb szleng, a magyar helyesírás mellőzése, beleértve a mondateleji nagybetűket is!
Szasztok. Azt szeretném kérdezni, hogy van nekem egy Tantal kondenzátorom (100nF) és nemtom, hogy meik a pozitív lába
:no: ! Esetleg mindegy, hogy meik lábát hová kötöm??? Kérlek segítsetek! Előre is köszi! :bummafejbe:
Sziasztok!!!
Egy nem mindannapi kérdésem lenne hozátok. Egy egyedi tervezésü ytongbol kialakitott,üvegmozaikal kirakott ( mozaik még várat magára) fürdökádba szeretné elhejezni ,elszortan kék szinü ledeket,kb 100-120 db-ot.A problémám az,hogy tudom ugy megoldani ezt,hogy vizmentes legyen,és véletlen szerüen müködjenek,és kis rongálásal cserélni is tudjam ha erre sor kerülne.Válaszaitokat és segítségeteket elöre is köszönöm.
jó úr isten!
vízmentes: fugaszil tömítőanyag, vagy ragasztópisztoly. alulról nyomod felfele a ledet a yutongba fúrt lyukba, előtt emeg kenszr rá kis anyagot...de mivel te csinálod a kádat, szerintem ezt meg fogod tudni oldani.... véletlenszerű villogás, esetleg halványítás erősítés, én multiplexelésre szavaznék, és akkor megoldható a pl 10-es csoportonkénti halványítás pwmel, csak hát ugye...pwm, meg véletlenszerű, én picet mondanék, de nemmondok
Ezt átláco mozaikal megtudom oldani,ez nem gond...
Sziasztok!
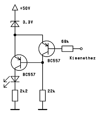
A 3B oldalát olvasgatva akadtam az alábbi rajzra. Azt írják 50 Vról működik. De ott van egy 3,3 Vos zéner. Tehát ha én nem 50 Vról működtetném hanem csak 12-ről az akkor is jó lenne nem? Azért van ott az a Zéner ha jól gondolkodok ugye?? Kössz: Uli
üdv!
Lenne két egyszerű kérdésem: Van egy multiméter és egy dióda meg egy BD tranyó. A multiméter tudja ezeket mérni csak én nem tudom értelmezni hogy mit kell mutatnia ha rossz vagy mit ha jó.
Hali
egyszerű! először megnézed a tranzisztor adatlapján milyen tipusú, (npn, vagy pnp) aztán megnézed a lábkiosztást. a multiméter diódavizsgálójával rámérsz a tranyó lábaira Collector- Bázis, ill. Bázis- emmiter réteget . a multiméter a nyitófeszültséget fogja mutatni mV-ban. a diódánál meg csak 2 réteg van, ott is ugyanígy jársz el. üdv Javítva.
üdv!
Eddig rendben is van de mi jelzi hogy hibás? Nem mutat semmit vagy a nem megfelelő értéket? De van ebbe a multiméterbe beépített tranzisztorvizsgáló beledugdosom a megfelelő helyekre akkor ez milyen értéket mutat?
Hali
tranzisztor vizsgáló az enyémbe is van, de őszintén megmondom én még sose használtam. egy NPN tranyónál a multiméter (+) csatlakozójával (piros) ráteszed a tranyó Bázisára, a (-) -val meg a Emitterre, a műszer kiírja a nyitási feszt, aztán a Bázison rajtahagyod a műszer csatlakozóját és rámérsz a (-) al a Collectorra ott is ki fogja írni a nyitó feszt. egyébként legtöbb esetben ha egy tranyó rossz akkor az zárlatos, ilyenkor a multiméter sípol.
Na kibányásztam a tranyókat és adatlap szerint méregettem BD 245 NPN tranyó de itt semmilyen értéket nem mutatott a műszer gondolom rossz,
BD 246 PNP ennek megfelelően mértem és itt 600mV körül volt mind a bázis-emitter bázis-kollektor értékgondolom ez jó . Erősítsetek meg ebben legyetek szívesek.
"BD 245 NPN tranyó de itt semmilyen értéket nem mutatott a műszer gondolom rossz"
szerintem meg te mérted rosszul. Biztos jól mértél rá? a Bázis az 1es láb! nem a középső. 99% ba ha egy ilyen tranyó rossz akkor az zárlatos
Igen elolvastam és meg is néztem adatlapon a kiosztást de nem zárlatot hanem szakadást-semmit mutat
Üdv. Uli!
A kérdésedre válaszolva: Nem, az a zener sajnos nem azért van ott. Így annyit csinál, hogy levon 3,3V-ot az 50V-ból. Tehát ha 12V-os kötsz 50 helyett, akkor a zener után kb. 8,7V lesz. De mondd meg hogy pontosan mi a célod, hátha tudok segíteni! Üdv.: Attila
Erre a legegyszerűbb, ha letöltöd mindkét IC adatlapját, és összehasonlítod a lábkiosztásaikat és a belső felépítésüket!
Hello!
Ha az erősítő kimenőjel meghaladja a tápfesz-3,3V-0,65V-ot, akkor jelez a led. Ez 12V esetén, kb. 8V. Így ha túl hamar jelezne a Clip, akkor a 3,3V-os zénert esetleg lecserélheted egy zöld (2,2V) vagy piros (1,5V) Led-re. (Persze a Led-et fordítva kell bekötni mint a zénert, mert amíg a zénert zárófeszültségét használjuk, addig a Led nyitófeszültségét. A Clip Led-el sorba kötött 2,2kohm-os ellenállást, ki kellene cserélni 470ohm-ra. (Bocs, nem vettem észre, hogy Attila már félig válaszolt rá) üdv! proli007
Ez rendben van, csak kérdés, hogy a jelszintek passzolni fognak-e?
Hello!
A TTL IC-knek 5V a tápja, a CMOS-nak meg 3..15V. De büntetlenül nem mindig lehet egymásután kötni ezeket. Lehet szintillesztőt kell kötni a kettő közé. A VFD kijelzőhőz, adott esetben még a 15V is soványka (ki kell próbálni) A CD4511-ben Latch is van, ami esetleg hatástalanítható az 5. láb földrehúzásával. De a BI és LT lábak funkciója kissé más, mint a 7447-ben. üdv! proli007
Akkor a 4511 elé tegyek 4504-es szintillesztő IC-t?
Akkor menni fog? A VFD megy 12V-ról is. üdv.: Müszi
Kicsit drága az IC (350Ft), de valamit valamiért!
Nagyon köszönöm a segítséget.
A 7446-os ic nyitotkolektoros kimenetű és 30v a feszültség tűrése. Egyébbként a 7447 is 30v -ig jó, a 7447A csak 15v-ig.
Nos olyat szeretnék, hogy ez az ÁK: 12 Vról működjön nekem. Hogyan változtassa k és mit?
Jó reggelt kívánok!! Látom még alszol.
Mintha a (#237983) hozzászólásban válaszoltam volna. üdv! proli007
Egy megerősítésre lenne szükségem:
Építettem egy "villogót" 4011-es IC-vel meg 1-2 ellenállással és 1 kondival. A kimenetét először tranyóval LED-en jelenítettem meg ami szépen villogott (csak nagyon lassan, de gondolom a 100µF-es kondi miatt amit a rajzon 670nF-re írták csak az nem volt). Utána kicseréltem a tranzisztort egy BDxxx-re és rákötöttem egy motort. Kis feszültségnél lassan forgott majd megállt, forgott majd megállt. Nagyobb feszültségnél jobban forgott majd megállt és "lüktetni" kezdett kb másodpercenként elindult-megállt. Ha jól sejtem ez azért volt, mert a motor gerjesztett meg mittománmit csinált én meg nem "védtem" meg. Közbeiktattam a motor és a tranyó közé sorosan egy diódát és utána tökéletesen működött nem is melegedett és szépen forgott majd megállt ütemre. Jól csináltam és jó az ötletem a hibára? |
Bejelentkezés
Hirdetés |




:no: ! Esetleg mindegy, hogy meik lábát hová kötöm??? Kérlek segítsetek! Előre is köszi! :bummafejbe:
vízmentes: fugaszil tömítőanyag, vagy ragasztópisztoly. alulról nyomod felfele a ledet a yutongba fúrt lyukba, előtt emeg kenszr rá kis anyagot...





